Memristor-Based D-Flip-Flop Design and Application in Built-In Self-Test
Abstract
:1. Introduction
2. Memristor-Based Logic Gates
2.1. Memristor Model
2.2. Logic Gates Based on Memristor
3. DFF Design
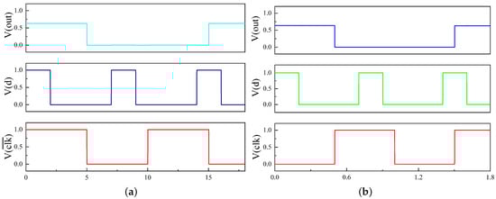
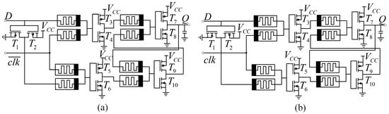
3.1. Design of Level DFF Circuit
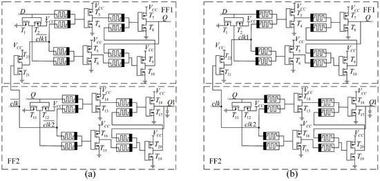
3.2. Design of Edge DFF Circuit
4. Linear Feedback Shift Register Design
5. Application of LFSR in Built-In Self-Test
6. Conclusions
Author Contributions
Funding
Data Availability Statement
Conflicts of Interest
References
- Chua, L. Memristor-The missing circuit element. IEEE Trans. Circuit Theory 1971, 18, 507–519. [Google Scholar] [CrossRef]
- Strukov, D.B.; Snider, G.S.; Stewart, D.R.; Williams, R.S. The missing memristor found. Nature 2008, 453, 80–83. [Google Scholar] [CrossRef] [PubMed]
- Guo, Z.; Wen, J.; Mou, J. Dynamic Analysis and DSP Implementation of Memristor Chaotic Systems with Multiple Forms of Hidden Attractors. Mathematics 2023, 11, 24. [Google Scholar] [CrossRef]
- Li, K.; Li, R.; Cao, L.; Feng, Y.; Onasanya, B.O. Periodically Intermittent Control of Memristor-Based Hyper-Chaotic Bao-like System. Mathematics 2023, 11, 1264. [Google Scholar] [CrossRef]
- Yang, G.; Zhang, X.; Moshayedi, A.J. Implementation of the Simple Hyperchaotic Memristor Circuit with Attractor Evolution and Large-Scale Parameter Permission. Entropy 2023, 25, 203. [Google Scholar] [CrossRef] [PubMed]
- Hossam, H.; El-Dessouky, M.; Mostafa, H. Time-based read circuit for multi-bit memristor memories. In Proceedings of the 2018 7th International Conference on Modern Circuits and Systems Technologies (MOCAST), Thessaloniki, Greece, 7–9 May 2018; pp. 1–4. [Google Scholar]
- Hossam, H.; Mamdouh, G.; Hussein, H.H.; El-Dessouky, M.; Mostafa, H. A New Read Circuit for Multi-Bit Memristor-Based Memories based on Time to Digital Sensing Circuit. In Proceedings of the 2018 IEEE 61st International Midwest Symposium on Circuits and Systems (MWSCAS), Windsor, ON, Canada, 5–8 August 2018; pp. 1114–1117. [Google Scholar]
- Ochs, K.; Solan, E.; Michaelis, D.; Herbrechter, M. Towards Wave Digital Memcomputing with Physical Memristor Models. IEEE Trans. Circuits Syst. Regul. Pap. 2019, 67, 1092–1102. [Google Scholar] [CrossRef]
- Pan, N.; Li, L.; Zhang, B. Design of Digital Logic Gate Based on Memristor. In Proceedings of the EMIE 2022, the 2nd International Conference on Electronic Materials and Information Engineering, Hangzhou, China, 15–17 April 2022; pp. 1–8. [Google Scholar]
- Hu, J.; Zhou, C. Adder design of three N-bit binary numbers based on hybrid Memristor-NMOS. In Proceedings of the EEI 2022, 4th International Conference on Electronic Engineering and Informatics, Guiyang, China, 24–26 June 2022; pp. 1–4. [Google Scholar]
- Mozafari, F.; Sharifi, M.J.; Ahmadi, A.; Ahmadi, M. A Novel Architecture for Memristor-Based Logic. In Proceedings of the 2021 IEEE International Midwest Symposium on Circuits and Systems (MWSCAS), Lansing, MI, USA, 9–11 August 2021; pp. 812–815. [Google Scholar]
- Yang, J.; Lee, H.; Jeong, J.H.; Kim, T.; Lee, S.H.; Song, T. Circuit-Level Exploration of Ternary Logic Using Memristors and MOSFETs. IEEE Trans. Circuits Syst. Regul. Pap. 2022, 69, 2022. [Google Scholar] [CrossRef]
- Bala, A.; Adeyemo, A.; Yang, X.; Jabir, A. High level abstraction of memristor model for neural network simulation. In Proceedings of the 2016 Sixth International Symposium on Embedded Computing and System Design (ISED), Patna, India, 15–17 December 2016; pp. 318–322. [Google Scholar]
- Kim, Y.; SangHak, S.; Kyeong-Sik, M. Shared memristance restoring circuit for memristor-based Cellular Neural Networks. In Proceedings of the 2014 14th International Workshop on Cellular Nanoscale Networks and their Applications (CNNA), Notre Dame, IN, USA, 29–31 July 2014; pp. 1–2. [Google Scholar]
- Nguyen, T.V.; An, J.; Oh, S. Training, Programming, and Correction Techniques of Memristor-Crossbar Neural Networks with Non-Ideal Effects such as Defects, Variation, and Parasitic Resistance. In Proceedings of the 2021 IEEE 14th International Conference on ASIC (ASICON), Kunming, China, 26–29 October 2021; pp. 1–4. [Google Scholar]
- Kvatinsky, S.; Belousov, D.; Liman, S.; Satat, G.; Wald, N.; Friedman, E.G.; Kolodny, A.; Weiser, U.C. MAGIC—Memristor-Aided Logic. IEEE Trans. Circuits Syst. II Express Briefs 2014, 61, 895–899. [Google Scholar] [CrossRef]
- Wang, H.P.; Lin, C.C.; Wu, C.C.; Chen, Y.C.; Wang, C.Y. On Synthesizing Memristor-Based Logic Circuits with Minimal Operational Pulses. IEEE Trans. Very Large Scale Integr. Syst. 2018, 26, 2842–2852. [Google Scholar] [CrossRef]
- Kvatinsky, S.; Wald, N.; Satat, G.; Kolodny, A.; Weiser, U.C.; Friedman, E.G. MRL—Memristor Ratioed Logic. In Proceedings of the 2012 13th International Workshop on Cellular Nanoscale Networks and their Applications, Turin, Italy, 29–31 August 2012; pp. 1–6. [Google Scholar]
- Indira, P.; Kamaraju, M. Low Power Flip-Flop Design Using Tri-State Inverter Logic. J. Low Power Electron. 2019, 15, 19–26. [Google Scholar] [CrossRef]
- Indhumathi, R. and Arunya, R. Design of Universal Shift Register Using Pulse Triggered Flip Flop. Int. J. Eng. Res. Gen. Sci. 2014, 2, 143–146. [Google Scholar]
- Yuan, Y.; Yang, J.; Wang, Y.; Hu, Z.; Zhou, L.; Xin, Q.; Song, A. Thin Film Sequential Circuits: Flip-Flops and a Counter Based on p-SnO and n-InGaZnO. IEEE Electron Device Lett. 2021, 42, 62–65. [Google Scholar] [CrossRef]
- Murotiya, S.L.; Gupta, A. Performance evaluation of CNTFET based dynamic dual edge triggered register. In Proceedings of the 2013 International Conference on Advanced Electronic Systems (ICAES), Pilani, India, 21–23 September 2013; pp. 180–183. [Google Scholar]
- Sasi, A.; Amirsoleimani, A.; Ahmadi, A.; Ahmadi, M. Hybrid memristor-CMOS based linear feedback shift register design. In Proceedings of the 2017 24th IEEE International Conference on Electronics, Circuits and Systems (ICECS), Batumi, Georgia, 5–8 December 2017; pp. 62–65. [Google Scholar]
- John, B.; Philip, C.M.; George, A.J. Design and Implementation of Built in Self Test (BIST) forVLSI Circuits using Verilog. Int. J. Eng. Res. Technol. 2018, 3, 1–4. [Google Scholar]
- Kumar, P.A.; Anita, J.P. Implementation of Hybrid LBIST Mechanism in Digital Circuits for Test Pattern Generation and Test Time Reduction. In Proceedings of the 2020 5th International Conference on Communication and Electronics Systems (ICCES), Coimbatore, India, 10–12 June 2020. [Google Scholar]
- Baker, R.J. CMOS: Circuit Design, Layout, and Simulation; John Wiley & Sons: Hoboken, NJ, USA, 2019. [Google Scholar]
- Yang, J.J.; Pickett, M.; Li, X.M.; Daa, O.; Stewart, D.R.; Williams, R.S. Memristive switching mechanism for metal/oxide/metal nanodevices. Nat. Nanotechnol. 2008, 3, 429–433. [Google Scholar] [CrossRef] [PubMed]
- Yakopcic, C.; Taha, T.M.; Subramanyam, G.; Pino, R.E. Generalized Memristive Device SPICE Model and its Application in Circuit Design. IEEE Trans.-Comput.-Aided Des. Integr. Circuits Syst. 2013, 32, 2013. [Google Scholar] [CrossRef]
- Agarwal, S.; Pandey, N.; Choudhary, B.; Gupta, K. Design of MCML-based LFSR for low power and mixed signal applications. In Proceedings of the 2015 Annual IEEE India Conference (INDICON), New Delhi, India, 17–20 December 2015; pp. 1–6. [Google Scholar]
- Tyagi, A.; Pandey, N.; Gupta, K. PFSCL based Linear Feedback Shift Register. In Proceedings of the 2016 International Conference on Computational Techniques in Information and Communication Technologies (ICCTICT), New Delhi, India, 11–13 March 2016; pp. 580–585. [Google Scholar]




















| Parameter | b | ||||||||
|---|---|---|---|---|---|---|---|---|---|
| Value | 0.12 | 0.12 | 0.05 | 0.16 | 0.15 | 30,000 | 30,000 | 0.3 | 0.3 |
| CLK | D | Q | |
|---|---|---|---|
| NOR | * | 0 | maintain |
| 1 | |||
| ↓ (falling edge) | 0 | set 0 | |
| 1 | set 1 | ||
| NAND | • | 0 | maintain |
| 1 | |||
| ↑ (rising edge) | 0 | set 0 | |
| 1 | set 1 |
| Design | Input Voltage (V) | Power (W) | Delay (ns) | Memristor | MOSFET |
|---|---|---|---|---|---|
| DFF (NOR) | 1 | 44.72 | 0.497 | 13 | 12 |
| DFF (NAND) | 1 | 41.96 | 0.508 | 13 | 12 |
| Technology | Supply Voltage | Timestep | Temperature | Default Integration Method |
|---|---|---|---|---|
| 50 nm | 1 V (based on NOR/NAND) | 0.1 s | 27 °C | modified trap |
Disclaimer/Publisher’s Note: The statements, opinions and data contained in all publications are solely those of the individual author(s) and contributor(s) and not of MDPI and/or the editor(s). MDPI and/or the editor(s) disclaim responsibility for any injury to people or property resulting from any ideas, methods, instructions or products referred to in the content. |
© 2023 by the authors. Licensee MDPI, Basel, Switzerland. This article is an open access article distributed under the terms and conditions of the Creative Commons Attribution (CC BY) license (https://creativecommons.org/licenses/by/4.0/).
Share and Cite
Dai, G.; Xie, W.; Du, X.; Han, M.; Ni, T.; Wu, D. Memristor-Based D-Flip-Flop Design and Application in Built-In Self-Test. Electronics 2023, 12, 3019. https://doi.org/10.3390/electronics12143019
Dai G, Xie W, Du X, Han M, Ni T, Wu D. Memristor-Based D-Flip-Flop Design and Application in Built-In Self-Test. Electronics. 2023; 12(14):3019. https://doi.org/10.3390/electronics12143019
Chicago/Turabian StyleDai, Guangzhen, Wenxin Xie, Xingyan Du, Mingjun Han, Tianming Ni, and Daohua Wu. 2023. "Memristor-Based D-Flip-Flop Design and Application in Built-In Self-Test" Electronics 12, no. 14: 3019. https://doi.org/10.3390/electronics12143019
APA StyleDai, G., Xie, W., Du, X., Han, M., Ni, T., & Wu, D. (2023). Memristor-Based D-Flip-Flop Design and Application in Built-In Self-Test. Electronics, 12(14), 3019. https://doi.org/10.3390/electronics12143019

