A Robust LC-π Matching Network for 112 Gb/s PAM4 Receiver in 28 nm CMOS
Abstract
1. Introduction
2. LC- Matching Network Design
2.1. Modeling of the Parasitic Capacitance and Inductance
2.2. Analysis and Selection of the Structure of LC- Matching Networks
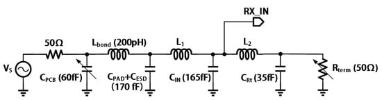
2.3. LC- Matching Network Considering the Bonding Wire Inductance with Better Robustness
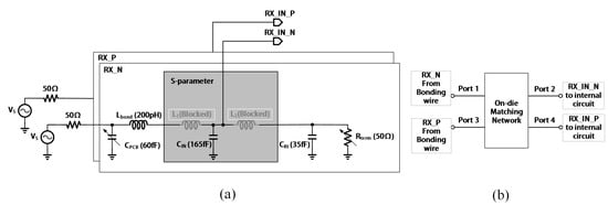
2.4. The Layout Design under Electromagnetic Field Simulation
3. Post-Layout Simulations Results
4. Conclusions
Author Contributions
Funding
Data Availability Statement
Conflicts of Interest
References
- Zhang, B.; Khanoyan, K.; Hatamkhani, H.; Tong, H.; Hu, K.; Fallahi, S.; Vakilian, K.; Brewster, A. 3.1 A 28Gb/s multi-standard serial-link transceiver for backplane applications in 28 nm CMOS. In Proceedings of the 2015 IEEE International Solid-State Circuits Conference—(ISSCC) Digest of Technical Papers, San Francisco, CA, USA, 22–26 February 2015; pp. 1–3. [Google Scholar]
- Dickson, T.O.; Ainspan, H.A.; Meghelli, M. 6.5 A 1.8 pJ/b 56 Gb/s PAM-4 transmitter with fractionally spaced FFE in 14 nm CMOS. In Proceedings of the 2017 IEEE International Solid-State Circuits Conference (ISSCC), San Francisco, CA, USA, 5–9 February 2017; pp. 118–119. [Google Scholar]
- Ali, T.; Yousry, R.; Park, H.; Chen, E.; Weng, P.-S.; Huang, Y.-C.; Liu, C.-C.; Wu, C.-H.; Huang, S.-H.; Lin, C.; et al. 6.4 A 180 mW 56 Gb/s DSP-Based Transceiver for High Density IOs in Data Center Switches in 7 nm FinFET Technology. In Proceedings of the 2019 IEEE International Solid- State Circuits Conference—(ISSCC), San Francisco, CA, USA, 19–23 February 2019; pp. 118–120. [Google Scholar]
- LaCroix, M.-A.; Chong, E.; Shen, W.; Nir, E.; Musa, F.A.; Mei, H.; Mohsenpour, M.-M.; Lebedev, S.; Zamanlooy, B.; Carvalho, C.; et al. 8.4 A 116 Gb/s DSP-Based Wireline Transceiver in 7 nm CMOS Achieving 6pJ/b at 45 dB Loss in PAM-4/Duo-PAM-4 and 52 dB in PAM-2. In Proceedings of the 2021 IEEE International Solid- State Circuits Conference (ISSCC), San Francisco, CA, USA, 13–22 February 2021; Volume 64, pp. 132–134. [Google Scholar]
- Krupnik, Y.; Perelman, Y.; Levin, I.; Sanhedrai, Y.; Eitan, R.; Khairi, A.; Shifman, Y.; Landau, Y.; Virobnik, U.; Dolev, N.; et al. 112-Gb/s PAM4 ADC-Based SERDES Receiver with Resonant AFE for Long-Reach Channels. IEEE J. Solid State Circuits 2020, 55, 1077–1085. [Google Scholar] [CrossRef]
- Kim, J.; Kundu, S.; Balankutty, A.; Beach, M.; Kim, B.C.; Kim, S.; Liu, Y.; Murthy, S.K.; Wali, P.; Yu, K.; et al. 8.1 A 224 Gb/s DAC-Based PAM-4 Transmitter with 8-Tap FFE in 10 nm CMOS. In Proceedings of the 2021 IEEE International Solid-State Circuits Conference (ISSCC), San Francisco, CA, USA, 13–22 February 2021; Volume 64, pp. 126–128. [Google Scholar]
- Segal, Y.; Laufer, A.; Khairi, A.; Krupnik, Y.; Cusmai, M.; Levin, I.; Gordon, A.; Sabag, Y.; Rahinski, V.; Ori, G.; et al. A 1.41pJ/b 224 Gb/s PAM-4 SerDes Receiver with 31 dB Loss Compensation. In Proceedings of the 2022 IEEE International Solid- State Circuits Conference (ISSCC), San Francisco, CA, USA, 20–26 February 2022; Volume 65, pp. 114–116. [Google Scholar]
- Daneshgar, S.; Li, H.; Kim, T.; Balamurugan, G. A 128 Gb/s, 11.2 mW Single-Ended PAM4 Linear TIA with 2.7 μArms Input Noise in 22 nm FinFET CMOS. IEEE J. Solid State Circuits 2022, 57, 1397–1408. [Google Scholar] [CrossRef]
- Lee, J.; Chiang, P.-C.; Peng, P.-J.; Chen, L.-Y.; Weng, C.-C. Design of 56 Gb/s NRZ and PAM4 SerDes Transceivers in CMOS Technologies. IEEE J. Solid State Circuits 2015, 50, 2061–2073. [Google Scholar] [CrossRef]
- Raghavan, B.; Cui, D.; Singh, U.; Maarefi, H.; Pi, D.; Vasani, A.; Huang, Z.C.; Çatlı, B.; Momtaz, A.; Cao, J. A Sub-2 W 39.8–44.6 Gb/s Transmitter and Receiver Chipset With SFI-5.2 Interface in 40 nm CMOS. IEEE J. Solid State Circuits 2013, 48, 3219–3228. [Google Scholar] [CrossRef]
- Wang, L.; Fu, Y.; LaCroix, M.; Chong, E.; Carusone, A.C. A 64 Gb/s PAM-4 transceiver utilizing an adaptive threshold ADC in 16 nm FinFET. In Proceedings of the 2018 IEEE International Solid-State Circuits Conference—(ISSCC), San Francisco, CA, USA, 11–15 February 2018; pp. 110–112. [Google Scholar]
- Razavi, B. The Bridged T-Coil [A Circuit for All Seasons]. IEEE Solid State Circuits Mag. 2015, 7, 9–13. [Google Scholar] [CrossRef]
- Razavi, B. The Design of Broadband I/O Circuits [The Analog Mind]. IEEE Solid State Circuits Mag. 2021, 13, 6–15. [Google Scholar] [CrossRef]
- Frans, Y.; McLeod, S.; Hedayati, H.; Elzeftawi, M.; Namkoong, J.; Lin, W.; Im, J.; Upadhyaya, P.; Chang, K. A 40-to-64 Gb/s NRZ Transmitter with Supply-Regulated Front-End in 16 nm FinFET. IEEE J. Solid State Circuits 2016, 51, 3167–31776. [Google Scholar] [CrossRef]
- Kossel, M.A.; Khatri, V.; Braendli, M.; Francese, P.A.; Morf, T.; Yonar, S.A.; Prathapan, M.; Lukes, E.J.; Richetta, R.A.; Cox, C. 8.3 An 8b DAC-Based SST TX Using Metal Gate Resistors with 1.4pJ/b Efficiency at 112 Gb/s PAM-4 and 8-Tap FFE in 7 nm CMOS. In Proceedings of the 2021 IEEE International Solid-State Circuits Conference (ISSCC), San Francisco, CA, USA, 13–22 February 2021; Volume 64, pp. 130–132. [Google Scholar]
- Chen, M.-S.; Yang, C.-K.K. A 50–64 Gb/s Serializing Transmitter with a 4-Tap, LC-Ladder-Filter-Based FFE in 65 nm CMOS Technology. IEEE J. Solid State Circuits 2015, 50, 1903–1916. [Google Scholar] [CrossRef]
- Common Electrical I/O (CEI)-112G. Available online: https://www.oiforum.com/technical-work/hot-topics/common-electrical-interface-cei-112g-2/ (accessed on 24 February 2023).
- Lee, H. Wideband characterization of a typical bonding wire for microwave and millimeter-wave integrated circuits. IEEE Trans. Microw. Theory Tech. 1995, 43, 63–68. [Google Scholar]
- Ito, C.; Banerjee, K.; Dutton, R. Analysis and design of distributed ESD protection circuits for high-speed mixed-signal and RF ICs. IEEE Trans. Electron Devices 2002, 49, 1444–1454. [Google Scholar] [CrossRef]
- Sewter, J.; Carusone, A. A CMOS finite impulse response filter with a crossover traveling wave topology for equalization up to 30 Gb/s. IEEE J. Solid State Circuits 2006, 41, 909–917. [Google Scholar] [CrossRef]
- Sewter, J.; Carusone, A.C. A 3-Tap FIR Filter With Cascaded Distributed Tap Amplifiers for Equalization Up to 40 Gb/s in 0.18-μm CMOS. IEEE J. Solid State Circuits 2006, 41, 1919–1929. [Google Scholar] [CrossRef]
- Williams, A.B.; Taylor, F.J. Electronic Filter Design Handbook; McGraw-Hill Education: New York, NY, USA, 2006. [Google Scholar]
- Mohan, S.; Hershenson, M.; Boyd, S.; Lee, T. Bandwidth extension in CMOS with optimized on-chip inductors. IEEE J. Solid State Circuits 2002, 35, 346–355. [Google Scholar] [CrossRef]
- Shekhar, S.; Walling, J.; Allstot, D. Bandwidth Extension Techniques for CMOS Amplifiers. IEEE J. Solid State Circuits 2006, 41, 2424–2439. [Google Scholar] [CrossRef]
- Chen, Y.; Mak, P.-I.; Yu, H.; Boon, C.C.; Martins, R.P. An Area-Efficient and Tunable Bandwidth- Extension Technique for a Wideband CMOS Amplifier Handling 50+ Gb/s Signaling. IEEE Trans. Microw. Theory And Tech. 2017, 65, 4960–4975. [Google Scholar] [CrossRef]
- Kim, J.; Kim, J.-K.; Lee, B.-J.; Jeong, D.-K. Design Optimization of On-Chip Inductive Peaking Structures for 0.13-μm CMOS 40-Gb/s Transmitter Circuits. IEEE Trans. Circuits Syst. I: Regular Pap. 2009, 56, 2544–2555. [Google Scholar]
- Walling, J.S.; Shekhar, S.; Allstot, D.J. Wideband CMOS Amplifier Design: Time-Domain Considerations. IEEE Trans. Circuits And Syst. Regul. Pap. 2008, 55, 1781–1793. [Google Scholar] [CrossRef]
- Bae, W.; Nikolić, B.; Jeong, D.-K. Use of Phase Delay Analysis for Evaluating Wideband Circuits: An Alternative to Group Delay Analysis. IEEE Trans. Very Large Scale Integr. Syst. 2017, 25, 3543–3547. [Google Scholar] [CrossRef]
- Mohan, S.S.; del Mar Hershenson, M.; Boyd, S.P.; Lee, T.H. Simple accurate expressions for planar spiral inductances. IEEE J. Solid State Circuits 1999, 34, 1419–1424. [Google Scholar] [CrossRef]
- Vandenbosch, G.A.; Vasylchenko, A. A practical guide to 3D electromagnetic software tools. In Microstrip Antennas; IntechOpen: London, UK, 2011. [Google Scholar]
- Yue, C.; Wong, S. Physical modeling of spiral inductors on silicon. IEEE Trans. Electron Devices 2000, 47, 560–568. [Google Scholar] [CrossRef]
- Yue, C.; Wong, S. On-chip spiral inductors with patterned ground shields for Si-based RF ICs. IEEE J. Solid State Circuits 1998, 33, 743–752. [Google Scholar] [CrossRef]
- Tsuchiya, A.; Onodera, H. Effect of Dummy fills on characteristics of passive devices in CMOS millimeter-wave circuits. In Proceedings of the 2009 IEEE 8th International Conference on ASIC, Changsha, China, 20–23 October 2009; pp. 296–299. [Google Scholar]























| Chebyshev I | 72 fF | 216 pH | 128 fF | 239 pH | 128 fF | 216 pH | 72 fF |
| Artificial t-line | 100 fF | 250 pH | 100 fF | 250 pH | 100 fF | 250 pH | 100 fF |
| Bessel | 46 fF | 141 pH | 261 fF | 313 pH | 78 fF | 113 pH | 15 fF |
| Butterworth | 47 fF | 331 pH | 191 fF | 531 pH | 191 fF | 331 pH | 47 fF |
| Chebyshev I (0.01 dB ripple) | 84 fF | 369 pH | 186 fF | 433 pH | 186 fF | 369 pH | 84 fF |
| Chebyshev I (0.1 dB ripple) | 125 fF | 377 pH | 223 fF | 417 pH | 223 fF | 377 pH | 125 fF |
| Chebyshev I (0.1 dB Ripple) | |||||||
|---|---|---|---|---|---|---|---|
| 15 GHz | 46 fF | 141 pH | 261 fF | 313 pH | 78 fF | 113 pH | 15 fF |
| 20 GHz | 47 fF | 331 pH | 191 fF | 531 pH | 191 fF | 331 pH | 47 fF |
| 25 GHz | 84 fF | 369 pH | 186 fF | 433 pH | 186 fF | 369 pH | 84 fF |
| 30 GHz | 125 fF | 377 pH | 223 fF | 417 pH | 223 fF | 377 pH | 125 fF |
| 150 pH | 50 fF | 50 |
| 175 pH | 80 fF | 48 |
| 200 pH | 60 fF | 46 |
| 225 pH | 70 fF | 49 |
| 250 pH | 80 fF | 47 |
| This Work | [9] | [14] | [16] | [6] | |
|---|---|---|---|---|---|
| Technology | 28 nm | 40 nm | 16 nm | 65 nm | 10 nm |
| Data Rate [Gb/s] | 112 | 56 | 40–64 | 50–64 | 224 |
| Signaling | PAM4 | NRZ/PAM4 | NRZ | NRZ | PAM4 |
| Matching Network | LC- | Inductive Peaking | T-coil | LC- | LC- |
| Number of inductors | 2 + 1 1 | 1 | 1 2 | 4 | 4 |
| Area [mm] | 0.128 | - | - | - | - |
| Bonding Wire Consideration | Yes | No | No | No | No |
Disclaimer/Publisher’s Note: The statements, opinions and data contained in all publications are solely those of the individual author(s) and contributor(s) and not of MDPI and/or the editor(s). MDPI and/or the editor(s) disclaim responsibility for any injury to people or property resulting from any ideas, methods, instructions or products referred to in the content. |
© 2023 by the authors. Licensee MDPI, Basel, Switzerland. This article is an open access article distributed under the terms and conditions of the Creative Commons Attribution (CC BY) license (https://creativecommons.org/licenses/by/4.0/).
Share and Cite
Han, G.; Zheng, X.; Xu, H.; Wang, Z.; Wen, Z.; He, Y.; Chen, B.; Liu, X. A Robust LC-π Matching Network for 112 Gb/s PAM4 Receiver in 28 nm CMOS. Electronics 2023, 12, 2790. https://doi.org/10.3390/electronics12132790
Han G, Zheng X, Xu H, Wang Z, Wen Z, He Y, Chen B, Liu X. A Robust LC-π Matching Network for 112 Gb/s PAM4 Receiver in 28 nm CMOS. Electronics. 2023; 12(13):2790. https://doi.org/10.3390/electronics12132790
Chicago/Turabian StyleHan, Gengshi, Xuqiang Zheng, Hua Xu, Zedong Wang, Zhanhao Wen, Yu He, Bao Chen, and Xinyu Liu. 2023. "A Robust LC-π Matching Network for 112 Gb/s PAM4 Receiver in 28 nm CMOS" Electronics 12, no. 13: 2790. https://doi.org/10.3390/electronics12132790
APA StyleHan, G., Zheng, X., Xu, H., Wang, Z., Wen, Z., He, Y., Chen, B., & Liu, X. (2023). A Robust LC-π Matching Network for 112 Gb/s PAM4 Receiver in 28 nm CMOS. Electronics, 12(13), 2790. https://doi.org/10.3390/electronics12132790

