Integrated 0.35-µm CMOS Control Circuits for High-Performance Voltage Mode DC–DC Boost Converter
Abstract
1. Introduction
2. Control Circuits
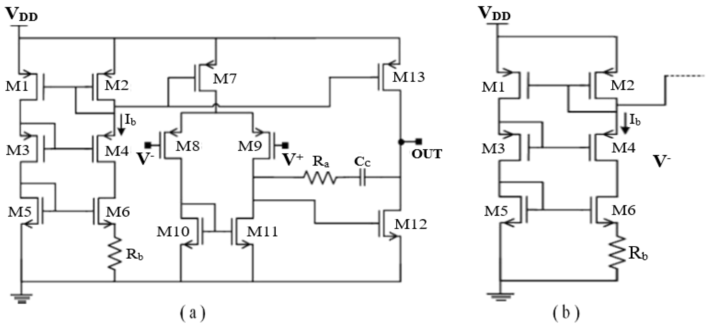
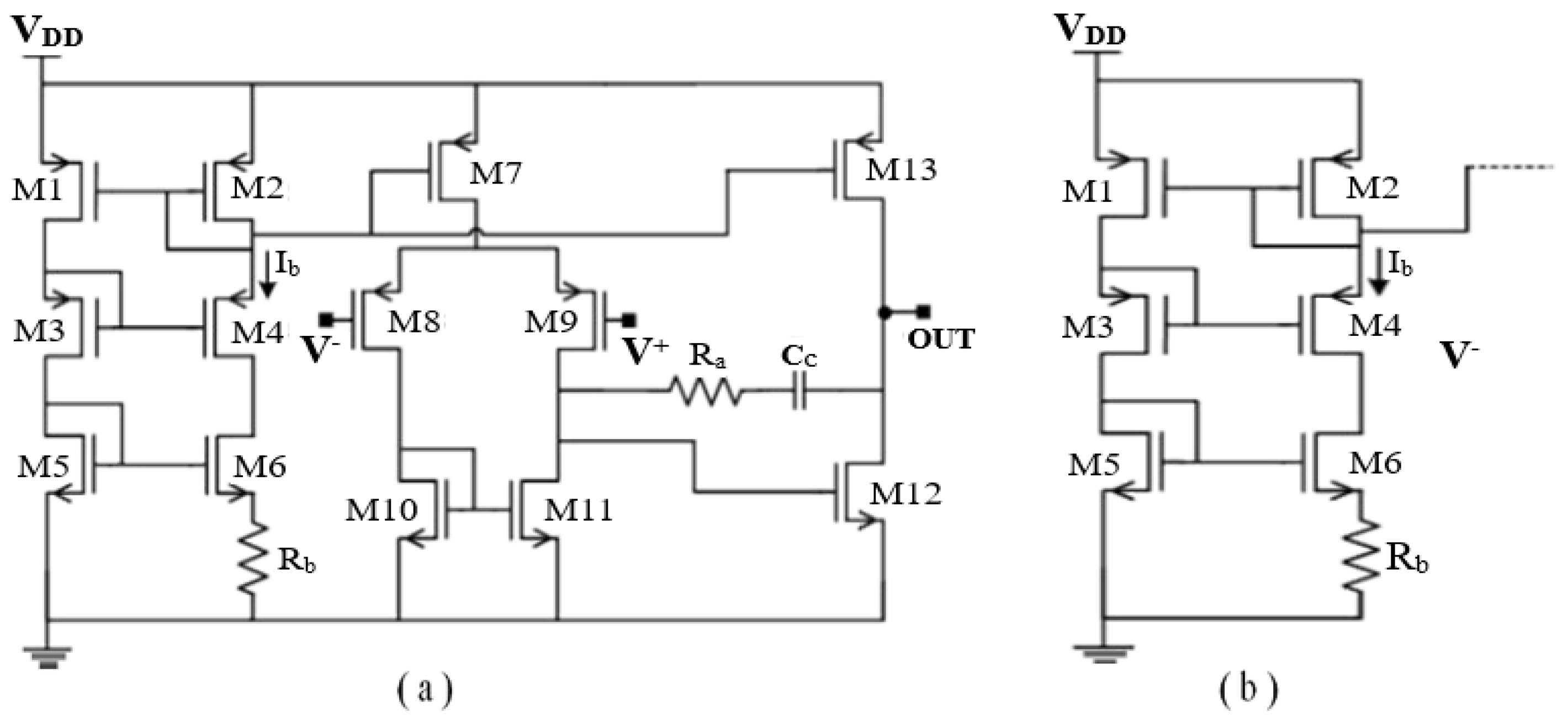
2.1. Operational Transconductance Amplifier (OTA) Circuit
2.2. Comparator Circuit
2.3. Oscillator Circuit
2.4. Gate Driver Circuit
3. Results
3.1. Results of Simulation and Experiments
3.2. Designed Condition and Photo Die of the Proposed DC–DC Boost Converter
4. Conclusions
Author Contributions
Funding
Data Availability Statement
Acknowledgments
Conflicts of Interest
References
- Lai, C.W.; Jang, S.L.; Huang, C.Y.; Juang, M.H. Fully-Integrated CMOS DC-DC Boost Converter. In Proceedings of the Asia Power and Energy Engineering Conference(APEEC), Chengdu, China, 23 May 2019; pp. 84–88. [Google Scholar]
- Chang, R.H.; Chen, W.C.; Siao, C.H.; Wu, H.W. Low-complexity SIMO buck-boost DC-DC converter for gigascale systems. In Proceedings of the 2016 IEEE International Symposium on Circuits and Systems (ISCAS), Montreal, QC, Canada, 22–25 May 2016; pp. 614–617. [Google Scholar]
- Jiang, Y.; Law, M.K.; Mak, P.I.; Martins, R.P. A 0.22-to-2.4V-input fine-grained fully integrated rational buck-boost SC DC-DC converter using algorithmic voltage-feed-in (AVFI) topology achieving 84.1% peak efficiency at 13.2mW/mm2. In Proceedings of the 2018 IEEE International Solid State Circuits Conference(ISSCC), San Francisco, CA, USA, 11–15 February 2018; pp. 422–424. [Google Scholar]
- Choi, M.H.; Jeong, D.K. Design of Soft-Switching Hybrid DC-DC Converter with 2-Phase Switched Capacitor and 0.8nH Inductor for Standard CMOS Process. Electronics 2020, 9, 372. [Google Scholar] [CrossRef]
- Gutierrez, F. Fully-Integrated Converter for Low-Cost and Low-Size Power Supply in Internet-of-Things Applications. Electronics 2017, 6, 38. [Google Scholar] [CrossRef]
- Song, S.M.; Kim, M.S.; Park, S.Y. A Low-Power, Fully Integrated SC DC–DC Step-Up Converter with Phase-Reduced Soft-Charging Technique for Fully Implantable Neural Interfaces. Electronics 2022, 11, 3659. [Google Scholar] [CrossRef]
- Hong, S.W.; Park, S.H.; Kong, T.H.; Cho, G.H. Inverting Buck-Boost DC-DC Converter for Mobile AMOLED Display Using Real-Time Self-Tuned Minimum Power-Loss Tracking (MPLT) Scheme with Lossless Soft-Switching for Discontinuous Conduction Mode. IEEE J. Solid-State Circuits 2015, 50, 2380–2393. [Google Scholar] [CrossRef]
- Josh, W.; Ramesh, H. A high-efficiency DC-DC converter using 2 nH integrated inductors. IEEE J. Solid-State Circuits 2008, 43, 844–854. [Google Scholar]
- Lee, C.S.; Kim, S.S.; Yu, J.H. Load and frequency dependent CMOS dual-mode DC-DC converter. Microelectron. J. 2019, 92, 104610. [Google Scholar] [CrossRef]
- Patella, B.J.; Prodić, A.; Zirger, A.; Maksimović, D. High- frequency digital PWM controller IC for DC-DC converters. IEEE Trans. J. Power Electron. 2003, 18, 438–446. [Google Scholar] [CrossRef]
- Roh, J. High-performance error amplifier for fast transient DC-DC converters. IEEE Trans. Circuits Syst. II 2005, 52, 591–595. [Google Scholar]
- Gendensuren, M.; Park, J.W.; Lee, C.S.; Kim, N.S. Low Power Integrated 0.35um CMOS Voltage-Mode DC-DC Boost Converter. In Proceedings of the 4th International Conference on Power Engineering, Energy and Electrical Drives, Istanbul, Turkey, 13–17 May 2013; pp. 502–505. [Google Scholar]
- Leung, C.Y.; Mok Philip, K.T.; Leung, K.N. A 1-V integrated current-mode boost in standard 3.3/5-V CMOS technologies. IEEE J. Solid-State Circuits 2005, 40, 2265–2274. [Google Scholar] [CrossRef]
- Lee, C.S.; Kim, N.S.; Gendensuren, M.; Choi, J.H.; Choi, J.H. Integrated on-chip 0.35 µm BiCMOS current-mode DC-DC buck converter. Int. J. Electron. 2012, 99, 1623–1634. [Google Scholar] [CrossRef]
- Tao, X.; Xu, J. Integrated current–sensing circuit with offset-current cancellation for boost converters. In Proceedings of the 2008 International Conference on Communications, Circuits and Systems IEEE, ICCCAS, Xiamen, China, 25–27 May 2008; pp. 1328–1331. [Google Scholar]
- Lee, C.S.; Ko, H.H.; Kim, N.S. Current-mode DC–DC boost converter with high-performance control circuit. Analog. Integr. Circuits Signal Process. 2014, 80, 105–112. [Google Scholar] [CrossRef]
- Reverter, F.; Gasulla, M. Optimal Inductor Current in Boost DC/DC Converters Operating in Burst Mode under Light-Load Conditions. IEEE Trans. Power Electron. 2016, 31, 15–20. [Google Scholar] [CrossRef]
- Forghani-zadeh, H.P.; Rincon-Mora, G.A. An accurate, continuous, and lossless self-learning CMOS current sensing scheme for inductor-based DC-DC converters. IEEE J. Solid-State Circuits 2007, 42, 665–679. [Google Scholar] [CrossRef]










| Type | Boost Converter |
|---|---|
| Process | 0.35 μm CMOS process |
| Input voltage (VIN) | 3.3 V |
| Output voltage (VOUT) | 5–7 V |
| Load current (IL) | 15–200 mA |
| Switching frequency (fs) | 5.5 MHz |
| Ripple voltage | 10–100 mV |
| Efficiency | ≅75% (I mA) |
| Die area size | 0.5 mm2 |
Disclaimer/Publisher’s Note: The statements, opinions and data contained in all publications are solely those of the individual author(s) and contributor(s) and not of MDPI and/or the editor(s). MDPI and/or the editor(s) disclaim responsibility for any injury to people or property resulting from any ideas, methods, instructions or products referred to in the content. |
© 2022 by the authors. Licensee MDPI, Basel, Switzerland. This article is an open access article distributed under the terms and conditions of the Creative Commons Attribution (CC BY) license (https://creativecommons.org/licenses/by/4.0/).
Share and Cite
Lee, C.-S.; Gendensuren, M.; Dansran, B.; Ahn, B.-C.; Choi, S.-G. Integrated 0.35-µm CMOS Control Circuits for High-Performance Voltage Mode DC–DC Boost Converter. Electronics 2023, 12, 133. https://doi.org/10.3390/electronics12010133
Lee C-S, Gendensuren M, Dansran B, Ahn B-C, Choi S-G. Integrated 0.35-µm CMOS Control Circuits for High-Performance Voltage Mode DC–DC Boost Converter. Electronics. 2023; 12(1):133. https://doi.org/10.3390/electronics12010133
Chicago/Turabian StyleLee, Chan-Soo, Munkhsuld Gendensuren, Bayarsaikan Dansran, Bierng-Chearl Ahn, and Seong-Gon Choi. 2023. "Integrated 0.35-µm CMOS Control Circuits for High-Performance Voltage Mode DC–DC Boost Converter" Electronics 12, no. 1: 133. https://doi.org/10.3390/electronics12010133
APA StyleLee, C.-S., Gendensuren, M., Dansran, B., Ahn, B.-C., & Choi, S.-G. (2023). Integrated 0.35-µm CMOS Control Circuits for High-Performance Voltage Mode DC–DC Boost Converter. Electronics, 12(1), 133. https://doi.org/10.3390/electronics12010133

