Analysis and Design of a High-Frequency Isolated Dual-Transformer DC-DC Resonant Converter
Abstract
:1. Introduction
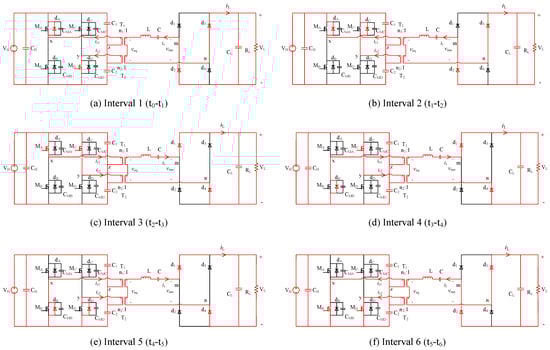
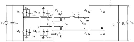
2. Topology Details and Operation of the DTRC
3. Steady-State Analysis and the ZVS Regions of the DTRC
3.1. Steady-State Analysis
3.2. ZVS Region
4. Design Procedures
4.1. Selection of k
4.2. Design Example
5. Simulation and Experimental Results
5.1. Simulation Results
5.2. Experiment Results
6. Conclusions
Author Contributions
Funding
Conflicts of Interest
References
- Wu, J.; Li, X.; Zhou, S.; Hu, S.; Chen, H. Constant-current, constant-voltage operation of a dual-bridge resonant converter: Modulation, design and experimental results. Appl. Sci. 2021, 11, 12143. [Google Scholar] [CrossRef]
- Gunawardena, P.; Nayanasiri, D.; Hou, N.; Li, Y. A Soft-Switched Current-Fed Dual-Input Isolated DC-DC Converter Topology. IEEE Trans. Ind. Electron. 2022, 1–12. [Google Scholar] [CrossRef]
- Hong, T.; Geng, Z.; Qi, K.; Zhao, X.; Ambrosio, J.; Gu, D. A wide range unidirectional isolated DC-DC converter for fuel cell electric vehicles. IEEE Trans. Ind. Electron. 2020, 68, 5932–5943. [Google Scholar] [CrossRef]
- Hu, S.; Zhang, Y.F.; Li, X. A dual-asymmetric PWM control strategy for full bridge DC-DC converters. In Proceedings of the 2017 12th IEEE Conference on Industrial Electronics and Applications (ICIEA), Siem Reap, Cambodia, 18–20 June 2017; pp. 31–36. [Google Scholar]
- Hu, S.; Li, X. An unbalanced PWM control strategy for the full-bridge series resonant converter. In Proceedings of the 2019 14th IEEE Conference on Industrial Electronics and Applications (ICIEA), Xi’an, China, 19–21 June 2019; pp. 2249–2253. [Google Scholar]
- Bu, Q.; Wen, H.; Shi, H.; Zhu, Y. A Comparative Review of High-Frequency Transient DC Bias Current Mitigation Strategies in Dual-Active-Bridge DC-DC Converters Under Phase-Shift Modulations. IEEE Trans. Ind. Appl. 2021, 58, 2166–2182. [Google Scholar] [CrossRef]
- Hu, S.; Li, X.; Zheng, Q.F. A dual-bridge DC–DC resonant converter using extended PWM and phase-shift control. IEEE Trans. Ind. Appl. 2021, 57, 4009–4020. [Google Scholar] [CrossRef]
- Rodriguez-Rodriguez, J.R.; Salgado-Herrera, N.M.; Torres-Jimenez, J.; Gonzalez-Cabrera, N.; Granados-Lieberman, D.; Valtierra-Rodriguez, M. Small-signal Model for Dual-active-bridge Converter Considering Total Elimination of Reactive Current. J. Mod. Power Syst. Clean Energy 2020, 9, 450–458. [Google Scholar] [CrossRef]
- Shi, H.; Wen, H.; Hu, Y.; Jiang, L. Reactive power minimization in bidirectional DC–DC converters using a unified-phasor-based particle swarm optimization. IEEE Trans. Power Electron. 2018, 33, 10990–11006. [Google Scholar] [CrossRef]
- Guo, Z. Modulation scheme of dual active bridge converter for seamless transitions in multiworking modes compromising ZVS and conduction loss. IEEE Trans. Ind. Electron. 2019, 67, 7399–7409. [Google Scholar] [CrossRef]
- Carvalho, E.L.; Felipe, C.A.; Bellinaso, L.V.; de Oliveira Stein, C.M.; Cardoso, R.; Michels, L. Asymmetrical-PWM DAB converter with extended ZVS/ZCS range and reduced circulating current for ESS applications. IEEE Trans. Power Electron. 2021, 36, 12990–13001. [Google Scholar] [CrossRef]
- Zhao, B.; Song, Q.; Liu, W.; Liu, G.; Zhao, Y. Universal high-frequency-link characterization and practical fundamental-optimal strategy for dual-active-bridge DC-DC converter under PWM plus phase-shift control. IEEE Trans. Power Electron. 2015, 30, 6488–6494. [Google Scholar] [CrossRef]
- Choi, W.; Rho, K.M.; Cho, B.H. Fundamental duty modulation of dual-active-bridge converter for wide-range operation. IEEE Trans. Power Electron. 2015, 31, 4048–4064. [Google Scholar] [CrossRef]
- Mou, D.; Yuan, L.; Li, J.; Hou, N.; Li, J.; Li, Y.; Zhao, Z. Modeling and Analysis of Hybrid Dual Active Bridge Converter to Optimize Efficiency over Whole Operating Range. IEEE J. Emerg. Sel. Top. Power Electron. 2022. [Google Scholar] [CrossRef]
- Xu, J.; Yang, J.; Xu, G.; Jiang, T.; Su, M.; Sun, Y.; Wang, H.; Zheng, M. PWM modulation and control strategy for LLC-DCX converter to achieve bidirectional power flow in facing with resonant parameters variation. IEEE Access 2019, 7, 54693–54704. [Google Scholar] [CrossRef]
- Zhang, J.; Liu, J.; Yang, J.; Zhao, N.; Wang, Y.; Zheng, T.Q. An LLC-LC type bidirectional control strategy for an LLC resonant converter in power electronic traction transformer. IEEE Trans. Ind. Electron. 2018, 65, 8595–8604. [Google Scholar] [CrossRef]
- Shi, L.; Liu, B.; Duan, S. Burst-mode and phase-shift hybrid control method of LLC converters for wide output range applications. IEEE Trans. Ind. Electron. 2019, 67, 1013–1023. [Google Scholar] [CrossRef]
- Salem, M.; Ramachandaramurthy, V.K.; Jusoh, A.; Padmanaban, S.; Kamarol, M.; Teh, J.; Ishak, D. Three-phase series resonant DC-DC boost converter with double LLC resonant tanks and variable frequency control. IEEE Access 2020, 8, 22386–22399. [Google Scholar] [CrossRef]
- Wei, Y.; Luo, Q.; Mantooth, A. Hybrid control strategy for LLC converter with reduced switching frequency range and circulating current for hold-up time operation. IEEE Trans. Power Electron. 2021, 36, 8600–8606. [Google Scholar] [CrossRef]
- Shi, Z.; Tang, Y.; Guo, Y.; Li, X.; Sun, H. Optimal Design Method of LLC Half-bridge Resonant Converter Considering Backflow Power Analysis. IEEE Trans. Ind. Electron. 2021, 69, 3599–3608. [Google Scholar] [CrossRef]
- Lin, J.Y.; Yueh, H.Y.; Lin, Y.F.; Liu, P.H. Variable-Frequency and Phase-Shift with Synchronous Rectification Advance On-Time Hybrid Control of LLC Resonant Converter for Electric Vehicles Charger. IEEE J. Emerg. Sel. Top. Ind. Electron. 2022. [Google Scholar] [CrossRef]
- Yeon, C.O.; Kim, J.W.; Park, M.H.; Lee, I.O.; Moon, G.W. Improving the light-load regulation capability of LLC series resonant converter using impedance analysis. IEEE Trans. Power Electron. 2016, 32, 7056–7067. [Google Scholar] [CrossRef]
- Wei, Y.; Luo, Q.; Du, X.; Altin, N.; Nasiri, A.; Alonso, J.M. A dual half-bridge LLC resonant converter with magnetic control for battery charger application. IEEE Trans. Power Electron. 2019, 35, 2196–2207. [Google Scholar] [CrossRef]
- Khan, S.; Sha, D.; Jia, X.; Wang, S. Resonant LLC DC–DC converter employing fixed switching frequency based on dual-transformer with wide input-voltage range. IEEE Trans. Power Electron. 2020, 36, 607–616. [Google Scholar] [CrossRef]
- Wu, H.; Chen, L.; Xing, Y.; Xiao, X.; Xu, P. Two-transformer-based full-bridge soft-switching DC–DC converter with improved characteristics. IET Power Electron. 2015, 8, 2537–2545. [Google Scholar] [CrossRef]
- Wu, H.; Sun, K.; Liu, T.; Xing, Y. Isolated Buck-Boost converters with AC-TLR and dual-transformer structure for wide output voltage range applications. IET Power Electron. 2019, 12, 184–194. [Google Scholar] [CrossRef]
- Ning, G.; Chen, W.; Shu, L.; Qu, X. A hybrid ZVZCS dual-transformer-based full-bridge converter operating in DCM for MVDC grids. IEEE Trans. Power Electron. 2016, 32, 5162–5170. [Google Scholar] [CrossRef]
- Xu, G.; Sha, D.; Xu, Y.; Liao, X. Dual-transformer-based DAB converter with wide ZVS range for wide voltage conversion gain application. IEEE Trans. Ind. Electron. 2017, 65, 3306–3316. [Google Scholar] [CrossRef]
















| Switches | ZVS Conditions |
|---|---|
| , | |
| , |
| Parameter | Value |
|---|---|
| Input voltage () | 150 V |
| Output voltage () | 80 V |
| Rated power () | 200 W |
| Switching frequency () | 100 kHz |
| Turns ratio of the transformer (:1) | 30:32 |
| Turns ratio of the transformer (:1) | 15:32 |
| Resonant inductor () | 71.3 H |
| Resonant capacitor () | 69.63 nF |
| Primary-side switches (∼) | C3M0025065D (650 V/97 A) |
| Secondary-side diodes (∼) | MBR40250G (250 V/40 A) |
| Topology | Hybrid Dual Active Bridge Converter [14] | Three-Phase Two-Tanks LLC Converter [18] | Dual-Transformer LLC Converter [24] | Proposed Dual-Transformer Resonant Converter |
|---|---|---|---|---|
| Voltage gain | 0.25∼0.5 | 1∼2 | 1∼2 | 0.5∼1 |
| Control variables | 4 | 2 | 2 | 2 |
| Number of MOSFETs | 6 | 6 | 4 | 4 |
| Number of diodes | 0 | 4 | 4 | 4 |
| Transformers | 1 | 2 | 2 | 2 |
| Modulation | MPS | PFM | MPS | SPS |
| Resonant components | 0 | 4 | 2 | 2 |
| Soft switching | ZVS | ZVS | ZVS and ZCS | ZVS and ZCS |
| Cost | Medium | High | High | Low |
Disclaimer/Publisher’s Note: The statements, opinions and data contained in all publications are solely those of the individual author(s) and contributor(s) and not of MDPI and/or the editor(s). MDPI and/or the editor(s) disclaim responsibility for any injury to people or property resulting from any ideas, methods, instructions or products referred to in the content. |
© 2022 by the authors. Licensee MDPI, Basel, Switzerland. This article is an open access article distributed under the terms and conditions of the Creative Commons Attribution (CC BY) license (https://creativecommons.org/licenses/by/4.0/).
Share and Cite
Li, Y.; Wang, R.; Zhong, L.; Mao, L.; Sun, C.; Li, X.; Hu, S. Analysis and Design of a High-Frequency Isolated Dual-Transformer DC-DC Resonant Converter. Electronics 2023, 12, 103. https://doi.org/10.3390/electronics12010103
Li Y, Wang R, Zhong L, Mao L, Sun C, Li X, Hu S. Analysis and Design of a High-Frequency Isolated Dual-Transformer DC-DC Resonant Converter. Electronics. 2023; 12(1):103. https://doi.org/10.3390/electronics12010103
Chicago/Turabian StyleLi, Yinan, Rui Wang, Liping Zhong, Limin Mao, Chuan Sun, Xiaodong Li, and Song Hu. 2023. "Analysis and Design of a High-Frequency Isolated Dual-Transformer DC-DC Resonant Converter" Electronics 12, no. 1: 103. https://doi.org/10.3390/electronics12010103
APA StyleLi, Y., Wang, R., Zhong, L., Mao, L., Sun, C., Li, X., & Hu, S. (2023). Analysis and Design of a High-Frequency Isolated Dual-Transformer DC-DC Resonant Converter. Electronics, 12(1), 103. https://doi.org/10.3390/electronics12010103

