Model Prediction and Pulse Optimal Modulation of Electrically Excited Synchronous Motor at Low Switching Frequency
Abstract
:1. Introduction
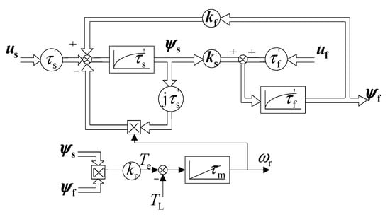
2. Complex Matrix Model of EESM
3. Predictive Optimized PWM Pulse Mode
3.1. Specific Harmonic Elimination Method
3.2. Optimized PWM Pulse Mode
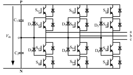
3.3. Relization Design
4. Performance Analysis
4.1. Simulation Analysis
4.2. Experimental Verification
5. Conclusions
Author Contributions
Funding
Data Availability Statement
Conflicts of Interest
References
- Zhou, Y.Z.; Hu, Y.W. A novel direct torque control for electrically excited synchronous motor drives with high power factor and low ripples in flux and torque. In Proceedings of the IEEE Power Electronics Specialists Conference, Rhodes, Greece, 15–19 June 2008. [Google Scholar] [CrossRef]
 - Pontt, J.A.; Rodrigues, J.R.; Liendo, A.; Newman, P. Network-friendly low-switching-frequency multipulse high-power three-level PWM rectifier. IEEE Trans. Ind. Electron. 2009, 56, 1254–1262. [Google Scholar] [CrossRef]
 - Zhang, F.; Jia, G.; Zhao, Y.; Yang, Z.; Cao, W.; Kirtley, J.L. Simulation and experimental analysis of a brushless electrically excited synchronous machine with a hybrid rotor. IEEE Trans. Magn. 2015, 51, 8115007. [Google Scholar] [CrossRef] [Green Version]
 - Jeong, I.; Gu, B.-G.; Kim, J.; Nam, K.; Kim, Y. Inductance estimation of electrically excited synchronous motor via polynomial appoximations by least square method. IEEE Trans. Ind. Appl. 2015, 51, 1526–1537. [Google Scholar] [CrossRef]
 - Han, Y.; Wu, X.; He, G.; Hu, Y.; Ni, K. Inductance estimation of electrically excited synchronous motor via polynomial appoximations by least square method. IEEE Trans. Power Electron. 2020, 35, 11053–11063. [Google Scholar] [CrossRef]
 - Tan, K.; Ge, Q.; Yin, Z.; Liu, C.; Li, Y. The optimal control strategy for rectifier side of low switching frequency back-to-back converter. In Proceedings of the 25th Annual IEEE Applied Power Electronics Conference and Exposition (APEC), Palm Springs, CA, USA, 21–25 February 2010. [Google Scholar] [CrossRef]
 - Holtz, J.; Oikonomou, N. Optimal control of a dual three-level inverter system for medium-voltage drives. IEEE Trans. Ind. Appl. 2010, 46, 1034–1041. [Google Scholar] [CrossRef]
 - Holtz, J.; Oikonomou, N. Fast dynamic control of medium voltage drives operating at very low switching frequency—An overview. IEEE Trans. Ind. Electron. 2008, 55, 1005–1013. [Google Scholar] [CrossRef]
 - Gnanasambandam, K.; Edpuganti, A.; Rathore, A.K.; Srinivasan, D.; Cecati, C.; Buccela, C. Optimal low switching frequency pulsewidth modulation of current-fed three-level converter for solar power integration. IEEE Trans. Ind. Electron. 2016, 63, 6877–6886. [Google Scholar] [CrossRef]
 - Wang, Y.; Wang, W.; Wang, C.; Wu, X. Coupling analysis on current control at low switching frequency for the three-phase PWM converter based on RGA and a novel output feedback decoupling method. IEEE Trans. Ind. Appl. 2016, 63, 6685–6694. [Google Scholar] [CrossRef]
 - Sasongko, F.; Akagi, H. Low-switching-frequency operation of a modular multilevel DSCC converter with phase-shifted rotating-carrier PWM. IEEE Trans. Power Electron. 2016, 32, 5058–5069. [Google Scholar] [CrossRef]
 - Tian, H.; Li, Y.W.; Zhao, Q. Multirate harmonic compensation control for low switching frequency converters: Scheme, modeling, and analysis. IEEE Trans. Power Electron. 2019, 35, 4143–4156. [Google Scholar] [CrossRef]
 - Dieckerhoff, S.; Bernet, S.; Krug, D. Power loss-oriented evaluation of high voltage IGBTs and multilevel converters in transformerless traction applications. IEEE Trans. Power Electron. 2005, 20, 1328–1336. [Google Scholar] [CrossRef]
 - Bose, B.K. Power electronics and motor drives—Technology advances, trends and applications. In Proceedings of the IEEE International Conference on Industrial Technology (ICIT), Hong Kong, China, 14–17 December 2005. [Google Scholar] [CrossRef]
 - Holtz, J.; Oikonomou, N. Estimation of the fundamental current in low-switching-frequency high dynamic medium-voltage drives. IEEE Trans. Ind. Appl. 2008, 44, 1597–1605. [Google Scholar] [CrossRef]
 - Franklin, G.F.; Powell, J.D.; Naeini, A.E. Feedback Control of Dynamic Systems, 8th ed.; Pearson Prentice Hall: New York, NY, USA, 2018; pp. 43–55. [Google Scholar]
 - Zhao, H.; Wang, S.; Moeini, A. Critical parameter design for a caascaded H-bridge with selective harmonic elimination/compensation based on harmonic envelope analysis for single-phase systems. IEEE Trans. Ind. Electron. 2019, 64, 2914–2925. [Google Scholar] [CrossRef]
 - Wu, M.; Xue, C.; Li, Y.W.; Yang, K. A generalized selective harmonic elimination PWM formulation with common-mode voltage reduction ability for multilevel converters. IEEE Trans. Power Electron. 2021, 36, 10753–10765. [Google Scholar] [CrossRef]
 - Ahmad, S.; Iqbal, A.; Ali, M.; Rahman, K.; Ahmed, A.S. A fast convergent homotopy perturbation method for solving selective harmonics elimination PWM problem in multi level inverter. IEEE Trans. Power Electron. 2021, 9, 113040–113051. [Google Scholar] [CrossRef]
 - Jiang, Y.; Li, X.; Qin, C.; Xing, X.; Chen, Z. Improved particle swarm optimization based selective harmonic elimination and neutral point balance control for three-level inverter in low-voltage ride-through operation. IEEE Trans. Ind. Inform. 2022, 18, 642–652. [Google Scholar] [CrossRef]
 - Çelik, D.; Meral, M.E. A coordinated virtual impedance control scheme for three phase four leg inverters of electric vehicle to grid (V2G). Energy 2022, 246, 123354. [Google Scholar] [CrossRef]
 - Moeini, A.; Zhao, H.; Wang, S. A current-reference-based selective harmonic current mitigation PWM technique to improve the performance of cascaded H-bridge multilevel active rectifiers. IEEE Trans. Ind. Electron. 2018, 65, 727–737. [Google Scholar] [CrossRef]
 - Moeini, A.; Wang, S. A DC link sensor-less voltage balancing technique for cascaded H-bridge multilevel converters with asymmetric selective harmonic current mitigation PWM. IEEE Trans. Power Electron. 2019, 33, 7571–7581. [Google Scholar] [CrossRef]
 - Sharifzadeh, M.; Vahedi, H.; Portillo, R.; Franquelo, L.G.; Al-Haddad, K. Selective harmonic mitigation based self-elimination of triplen harmonics for single-phase five-level inverters. IEEE Trans. Power Electron. 2019, 34, 86–96. [Google Scholar] [CrossRef]
 - Moeini, A.; Wang, S.; Zhang, B.; Yang, L. A hybrid phase shift-pulsewidth modulation and asymmetric selective harmonic current mitigation-pulsewidth modulation technique to reduce harmonics and inductance of single-phase grid-tied cascaded multilevel converters. IEEE Trans. Ind. Electron. 2020, 67, 10388–18398. [Google Scholar] [CrossRef]
 - Schettino, G.; Nevoloso, C.; Miceli, R.; Di Tommaso, A.O.; Viola, F. Impact evaluation of innovative selective harmonic mitigation algorithm for cascaded H-bridge inverter on IPMSM drive application. IEEE Open J. Ind. Appl. 2021, 2, 347–365. [Google Scholar] [CrossRef]
 - Tripathi, A.; Narayanan, G. Investigations on optimal pulse width modulation to minimize total harmonic distortion in the line current. IEEE Trans. Ind. Appl. 2017, 53, 212–221. [Google Scholar] [CrossRef]
 - Lago, J.; Heldwein, M.L. Generalized synchronous optimal pulse width modulation for multilevel inverters. IEEE Trans. Power Electron. 2017, 32, 6297–6307. [Google Scholar] [CrossRef]
 - Zhou, F.; Xu, Q.; Luo, A.; He, Z.; Li, Y.; Xie, N.; Wang, Y. Carrier dynamic overlapping switching frequency optimal pulse width modulation method for modular multilevel converters. J. Mod. Power Syst. Clean Energy 2018, 6, 1306–1318. [Google Scholar] [CrossRef] [Green Version]
 - Birda, A.; Reuss, J.; Hackl, C.M. Synchronous optimal pulsewidth modulation for synchronous machines with highly operating point dependent magnetic anisotropy. IEEE Trans. Ind. Electron. 2020, 68, 3760–3769. [Google Scholar] [CrossRef]
 - Sun, J.; Qiu, L.; Liu, X.; Zhang, J.; Ma, J.; Fang, Y. Optimal simultaneous PWM control for three-phase dual-active-bridge converters to minimize current stress in the whole load range. IEEE J. Emerg. Sel. Top. Power Electron. 2021, 9, 5822–5837. [Google Scholar] [CrossRef]
 - Holtz, J.; Oikonomou, N. Closed-loop control of medium-voltage drives operated with synchronous optimal pulsewidth modulation. IEEE Trans. Ind. Appl. 2008, 44, 115–123. [Google Scholar] [CrossRef]
 - Nemec, M.; Drobnic, K.; Nedeljkovic, D.; Ambrozic, V. Direct current control of a synchronous machine in field coordinates. IEEE Trans. Ind. Electron. 2009, 56, 4052–4061. [Google Scholar] [CrossRef]
 - Alnajjar, M.; Gerling, D. Model predictive control of six-phase variable frequency electrically excited starter generator for more electric aircraft. In Proceedings of the IEEE 11th International Conference on Power Electronics and Drive Systems, Sydney, Australia, 9–12 June 2015. [Google Scholar] [CrossRef]
 

















| Parameters | Value | Parameters | Value | 
|---|---|---|---|
| Rated power | 50 kW | d-axis reaction reactance (pu.) | 2.38 | 
| Rated voltage | 380 V | q-axis reaction reactance (pu.) | 1.22 | 
| Rated frequency | 50 Hz | d-axis damping reactance | Undamped | 
| Rated speed | 1500 rpm | q-axis damping reactance | Undamped | 
| Rated power factor | 0.9 | d-axis transient reactance (pu.) | 0.225 | 
| Rated stator current | 84.41 A | q-axis transient reactance (pu.) | 1.267 | 
| Rated exciting current | 6.721 A | d-axis sub-transient reactance (pu.) | 0.198 | 
| Stator resistance (20°) | 0.059 Ω | q-axis sub-transient reactance (pu.) | 0.596 | 
Publisher’s Note: MDPI stays neutral with regard to jurisdictional claims in published maps and institutional affiliations.  | 
© 2022 by the authors. Licensee MDPI, Basel, Switzerland. This article is an open access article distributed under the terms and conditions of the Creative Commons Attribution (CC BY) license (https://creativecommons.org/licenses/by/4.0/).
Share and Cite
Li, K.; Yuan, Q.; Nai, W. Model Prediction and Pulse Optimal Modulation of Electrically Excited Synchronous Motor at Low Switching Frequency. Electronics 2022, 11, 1173. https://doi.org/10.3390/electronics11081173
Li K, Yuan Q, Nai W. Model Prediction and Pulse Optimal Modulation of Electrically Excited Synchronous Motor at Low Switching Frequency. Electronics. 2022; 11(8):1173. https://doi.org/10.3390/electronics11081173
Chicago/Turabian StyleLi, Kai, Qingqing Yuan, and Wei Nai. 2022. "Model Prediction and Pulse Optimal Modulation of Electrically Excited Synchronous Motor at Low Switching Frequency" Electronics 11, no. 8: 1173. https://doi.org/10.3390/electronics11081173
APA StyleLi, K., Yuan, Q., & Nai, W. (2022). Model Prediction and Pulse Optimal Modulation of Electrically Excited Synchronous Motor at Low Switching Frequency. Electronics, 11(8), 1173. https://doi.org/10.3390/electronics11081173
        
                                                
