Abstract
The convenience and usability of portable consumer electronics that require a motor, such as vacuum cleaners and hair dryers, will be greatly improved if both ac and dc two-input power sources can be used. The dc input power is mostly composed of a dc battery, and single-phase voltage is used as ac input power. A converter system capable of converting ac and dc voltage with control technology is required to supply the voltage for motor driving to apply both ac and dc input to the product. Because a limited number of batteries are used to decrease the weight and size of portable products, a system such as a dc converter is necessary to supply the voltage required to operate the motor and to keep the voltage fluctuation according to the usage time constant. When ac power is used in the product, a voltage drop system that can step down the ac voltage to supply voltage to the dc link is necessary to supply the voltage required to operate the motor to the dc-link. In addition, it is important to reduce the size of the system through ultra-high-speed motor operation by increasing the rotation speed because portable consumer electronics that include a motor drive should be light and portable. This paper proposed a system that can supply a stable dc-link voltage required for ultra-high-speed motor control by applying a phase control method to the ac input side and a dc boost converter to the dc input side. Furthermore, the 1-shunt sensorless method was applied to the inverter for ultra-high-speed motor design and ultra-high-speed motor control system that contributes to product miniaturization and material cost reduction, experimental verification. The ultra-high-speed motor driving evaluation under ac and dc input power conditions and the conversion to dc power input when ac power interrupt occurs were performed to more stably verify the system according to the input power change.
1. Introduction
Due to the recent development of the battery industry, portable products that are convenient to carry by applying dc batteries are increasing in the consumer electronics field, and the needs of users are also increasing. Most portable-type consumer electronics use a dc battery as a power source, so unless the dc battery is charged with a certain amount of power, it cannot be used immediately. To improve these drawbacks and increase user convenience, a system that can use both ac and dc battery power sources for products regardless of the type of power source is required [1,2,3]. The consumer electronics can use a two-input power source; wired products can be used with ac input power, and when using dc battery power, it can be used as a wireless portable product, which greatly improves the convenience. To use ac power and dc battery power for portable consumer electronics, a converter technology that changes the two-input power source into a power source applicable to the product is required. In addition, in the case of portable products that require motor driving, such as hair dryers or vacuum cleaners, since the motor and battery greatly affect the size and weight of the product, technical measures to minimize the motor size and battery weight are required [4,5,6,7].
This paper proposes a control and efficient operation plan with a system that can drive a product by applying both ac power and dc battery power sources. In the case of dc battery power, it is necessary to configure a voltage that can be used through a series-parallel combination of batteries [8,9]. The dc battery of the 18,650 model, which is currently used in many applications, has a difficulty in that the voltage of one cell is 4 V to 4.2 V based on a full charge, so it cannot be configured with a large battery capacity to be applied to portable products. For this reason, to apply it to a portable product that uses a dc battery to drive a motor, it is necessary to configure the voltage required to drive the motor through a boost-type dc converter. In the case of ac input power, since the commercial grid voltage is different for each country or region, a system that rectifies and converts ac into dc is required depending on the type of power source [10,11]. It is necessary to secure the voltage required to drive the three-phase motor through an input voltage step-down system that can convert ac input power to the motor driving and system-allowable voltage level. To minimize size and weight, the motor needs to be designed as an ultra-high-speed motor by increasing the rpm as high as possible, and since both ac input power and dc battery power must be used, an appropriate level of back electromotive force design is required. An inverter for ultra-high-speed motor driving is hardware designed by applying a 1-shunt circuit to a three-phase inverter [12,13,14,15]. The inverter control is used to design and verify motor start-up [16,17], the sensorless algorithm [18,19,20,21,22,23,24] that can estimate motor rotor position and speed control based on ultra-high-speed motor operation [25,26,27,28,29]. The proposed system adds dc boost and ac phase control without major changes to the bridge diode rectifier, dc link, and inverter for motor control, which are generally applied motor drive system components so that minimal changes to the existing system are possible.
This paper is organized as follows. Section 2 describes the proposed system, and Section 3 introduces the two-input power source control method. Section 4 explains the design of ultra-high-speed motors and the sensorless algorithm. Section 5 presents the experimental verification of this study, and Section 6 is the conclusion.
2. System Description
Figure 1 shows the configuration diagram of a control system that can drive an ultra-high-speed three-phase motor with ac power and dc battery power.
Figure 1.
Proposed ultra-high-speed sensorless drive system with two-input power source.
In the case of ac input power, the voltage is converted through the phase angle control of the TRIAC circuit, and ac to dc is rectified through the full-bridge diode, and ac is converted to dc through the dc-link capacitor. In the case of dc battery input power, the boosted voltage is supplied to the dc link through the dc boost converter, and the ultra-high-speed motor is driven through the three-phase inverter as in the case of ac input power. The ultra-high-speed motor has the advantage of miniaturizing the motor size through high-speed rotation, but the miniaturized motor lacks space for mounting a sensor to know the rotor position information. To reduce the overall system size and material cost without installing a rotor position information sensor, the three-phase inverter uses a 1-shunt sensorless control method. Considering the portable product, the dc battery system was configured with a voltage of about 12 V with a series combination of three 18650 models with a maximum voltage of 4.2 V.
Figure 2 shows the proposed overall circuit concept diagram, and the part indicated by the red dotted line is the circuit with ac phase control and dc boost circuit added to control both ac input power and dc input power. Most new systems require complex topology or many parts of the existing circuit to be implemented, but the system circuit proposed in this paper has a great advantage in that it can be configured without much change in the existing system if a circuit marked with a red dotted line is additionally configured. The size and weight of portable products are very important; due to the circuit added to operate the portable product with a two-input power source, the size and weight of the product should not be greatly increased. The phase control using TRIAC, and dc boost circuit has a very simple circuit structure, so the size and weight increase in the product can be minimized. In addition, in this paper, the size of the motor was minimized by applying an ultra-high-speed motor with a higher rotational speed and the number of sensors was minimized through a 1-shunt sensorless circuit, with the control contributing to the reduction in product size and cost.
Figure 2.
Circuit diagram for the ultra-high-speed sensorless drive system.
Table 1 shows the models or values with the parameters of the main element of the circuit shown in Figure 2. The power switch applied to the three-phase inverter and dc boost are MOSFET devices capable of high-speed switching in consideration of the ultra-high-speed motor application and inductor L size and capacity. C2 is the dc-link capacitor, and C1 was configured to increase the stability of dc input. The dc boost converter switching frequency is 300 kHz and the inductor value is 4.7 uH.
Table 1.
Parameter with value of hardware device.
Table 2 is an introduction to the dc battery 18650 applied to the system. Three batteries were connected in series to form a maximum voltage of about 12.6 V. This can be configured by connecting batteries in series or parallel to achieve the voltage required to drive the motor, but for portable product applications, a large number of battery combinations can cause problems due to the increased weight and size of the system, so it is best to combine with dc boost of the system configuration. The specifications of the used battery have a nominal voltage of 3.65 V, a discharge voltage of about 2.5 V, and a capacity of 2100 mAh.
Table 2.
DC battery information.
3. Control for Two-Input Power Source
Section 3 introduces the two-input power source, ac input power and dc battery power, to change the voltage level required to drive the ultra-high-speed motor, the overall control method of the two-input power source, and the control method in the interrupt situation.
3.1. Phase Control
Figure 3 is a diagram of a circuit and converted voltage waveform to convert ac input power into the dc-link voltage of a certain level required for ultra-high-speed motor control.
Figure 3.
This is a figure of AC power source phase control for driving a high-speed motor (a) AC phase control circuit; (b) concept of phase control waveform.
The converted voltage level is the voltage required to control the motor, and it should be a voltage in consideration of the rated voltage of the power module and the main circuit device driving the motor. As shown in Figure 3, to configure the bridge diode that converts ac to dc as efficiently as possible, the TRIAC is applied to the ac input side to convert ac voltage to a desired dc voltage level with a simple structure without a major system change. The operation method of phase control is to adjust the control of the TRIAC to change the ac voltage as shown in the waveform in Figure 3b and to obtain the dc voltage necessary for ultra-high-speed motor control through the full-bridge diode rectifier circuit.
Equation (1) is an expression representing the voltage applied to the load of the dc-link when the TRIAC adjusts α.
Equation (2) represents the current rms value at this time, V represents the dc-link voltage, and R represents the load resistance.
Equation (3) is an expression representing the amount of active power, and it is possible to calculate an appropriate control value according to the capacity of the proposed system and set the angle for step-down based on this.
3.2. DC Boost
Figure 4 is a diagram showing the circuit contents for dc boost among all circuits. As shown in the figure, the boost converter is a commonly applied topology type and boosts the dc battery power to the voltage level required to drive the motor. The input voltage Vi and output voltage are measured in real time through a voltage sensor, and they are controlled by supplying switching to the converter controller.
Figure 4.
Concept diagram of DC boost converter circuit.
In Figure 4, the average value VL of the inductor voltage vL is as in Equation (4), and D is the duty ratio of the switch S. For the switching cycle, D is the on section for S and 1 − D is the off section.
Equation (5) is a relation between the duty ratio D and the input voltage and output average voltage VO. By changing the duty ratio D from 0 to 1 from the voltage relational expression, it is possible to control the voltage higher than the input voltage.
The load resistance is R and the average output power is PO, the average value of the output current is IO without considering the converter efficiency. PO can be expressed as Equation (6) from Equation (5).
3.3. Control Scheme for Two-Input Power Source
The previous portable product with motor driving operates by only the power source of the dc battery; the product cannot be used not charged or with problems with the power, and there is no need to additionally consider the type and state of the input power. The circuit configuration and control proposed in this paper make it possible to drive the motor of a portable product using both ac and dc power, so a great advantage is that the product can be used at any time by changing the ac power regardless of the charging state. To solve this problem, an additional control method is required. Section 3.3.1 is a control method that determines whether the input power is ac or dc and operates with the input power and a method to increase efficiency by operating with ac power when ac and dc power are input at the same time as necessary. Section 3.3.2 introduces the control method for continuously operating the product without stopping the motor drive through ac to dc and dc to ac power conversion when the input power is changed or interrupted.
3.3.1. AC Power and DC Battery Motor Driving Method
Figure 5 shows the flowchart of the entire system that drives the motor when ac or dc input voltage is applied to the system. We have proposed a system that drives the system with ac power when ac and dc are simultaneously input and drives the motor with dc battery voltage when ac power is not applied and dc battery voltage is applied at an appropriate level. The ac and dc power are measured in real time through the input voltage sensor, and when ac input is used, the voltage level required for driving the motor is maintained in dc link through ac phase control, and when dc input is used, system drivable voltage level of the battery is determined and controlled based on the nominal voltage of the battery.
Figure 5.
Flowchart showing the motor drive chart for AC and DC power input.
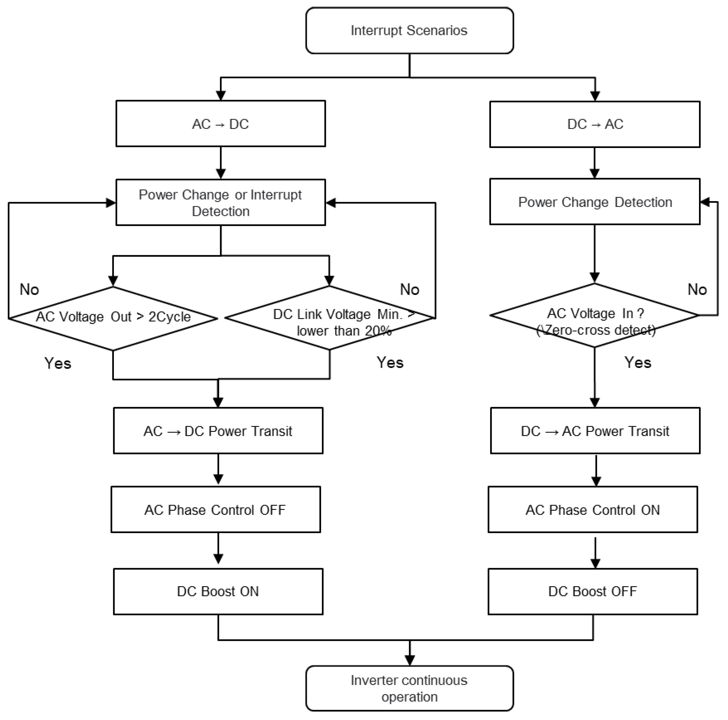
3.3.2. Input Power Change Method (Interrupt Scenarios)
Figure 6 shows a control algorithm chart that converts ac power to dc battery power while maintaining motor operation in the event of an interrupt such as a voltage drop or power failure while driving the motor when ac power is applied. Control using ac power is stopped and replaced with dc power for stable motor continuous operation if ac power is not applied for more than two cycles, or the dc-link voltage is reduced to 20% or less of the minimum reference voltage when any one condition is met. When changing dc power to ac power, the power is changed after checking the zero crossing of the input ac power.
Figure 6.
Flowchart showing the voltage interrupt scenarios.
4. Control Scheme for Ultra-High-Speed Sensorless
4.1. Motor Design
As shown in Figure 7 and Table 3, the motor used in this paper is a PMSM motor with a Δ connection of two poles and three slots, and the selection process is as follows. In general, as the three-phase SVPWM control-type motor has a higher switching frequency within one electrical cycle of the input current, the waveform of the current is stabilized and THD (total harmonic distortion) is reduced, so the loss is reduced. For this reason, considering the ultra-high-speed rotation and the switching frequency of the control device, two poles were selected for optimal control. Considering that the stator is a small motor, a three-slot model with a wide effective slot area was selected. The motor core was selected as a silicon steel plate with relatively low loss at high rotational speed, and the rotor shaft was designed based on a commonly produced Ø 3 mm shaft. The motor shape is similar to a ducted fan motor, and it is a structure that can efficiently miniaturize the motor by cooling the motor while securing a flow path. The maximum rotation speed of the motor is 50,000 rpm and the load is driven by a fan.
Figure 7.
Ultra-high-speed fan motor shape.
Table 3.
Motor parameter with value.
4.2. Proposed Control Scheme
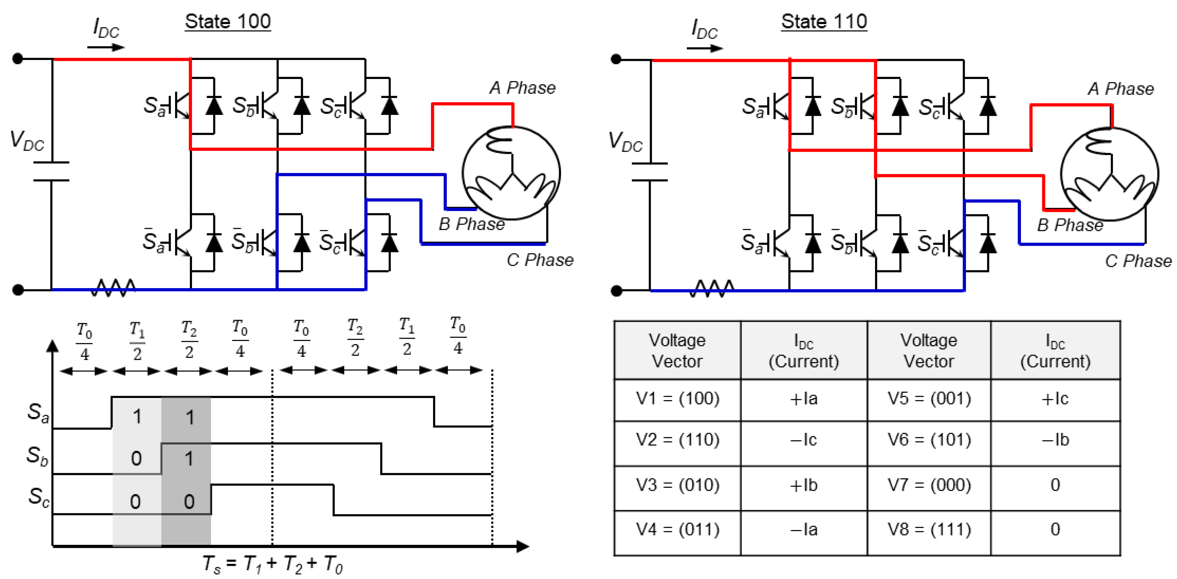
Figure 8 shows the relationship between the dc-link current and the three-phase current output from the inverter during one PWM cycle. One-shunt current sensing means to find out the value of the two-phase current from the dc-link current () by using the information about the voltage vector given every PWM cycle.
Figure 8.
Pulse width modulation relation of between dc-link current and three phases current.
It shows how to find the phase current with the V1 and V2 voltage vectors. When the effective vector V1 is applied to each switch of the three-phase inverter, the current is +ia, and when the V2 vector is applied, the current will coincide with the −ic phase current. In this way, the A phase, B phase, and C phase three-phase current values determine the effective vector based on the sector determined by the electric angular position of the motor rotor and convert the dc-link current into the phase current value. The converted current value is applied to the controller using the HW circuit, and the applied current value and the information value of the corresponding phase current are found and applied to the inverter control.
Equations (7)–(9) are the formulas for converting to after obtaining the information of each phase current based on the current sensing information received from the one-shunt current sensor, and Equations (10) and (11) are the three-phase ones. This is an expression to convert to stationary reference frame
In ideal conditions, the reference of the actual rotor coordinate axis and the estimated rotor coordinate axis coincide, but in actuality, an error occurs between the actual rotor coordinate axis and the estimated rotor coordinate axis due to the current sampling delay. In particular, in the high-speed region, the effect of error generation is large. To solve this problem, we compensate the sensed current with the sampling delay component to move the estimated rotor coordinate axis to match the reference of the actual rotor coordinate axis, and Equations (12) and (13) are the equations for that compensate for the delay component in the stationary reference frame.
Equation (14) is an expression representing the flux observer for final magnetic flux observation. is the estimated magnetic flux of the axis, and is the motor phase resistance, while is the time constant.
Equation (16) is defined and transformed into Equation (15) derived from Equation (14); it can be expressed as Equation (17). In this case, is the actual motor rotor position, is the inductance of the dq axis, is the motor phase resistance, and is the magnetic flux of the permanent magnet.
Using the trigonometric formula, the error between the current rotor position of the motor and the estimated rotor position can be calculated as in Equations (18)–(20). If it is assumed that the error between the current position of the motor and the estimated position is very small, approximated as in Equation (21). The compensation is mutually canceled and has no effect on the sensorless control operation. The rotor position estimates are represented by .
As shown in Equations (22) and (23), the stationary reference frame is converted into , which is a rotating reference frame compensated for , and input as a measurement value of the current control to perform the current control operation.
Figure 9 is a schematic diagram of the entire inverter control algorithm including the stationary reference frame, current phase compensation, sensorless algorithm, and current control expressed in the above equation. The control block diagram of the sensorless vector control converts the sensed current three-phase into a stationary reference frame, the estimates of rotor positions using a sensorless, and performs current control by rotating the reference frame. In the block diagram for sampling compensation, delay compensation for sampling delay is added to the current converted to the stationary reference frame and controlled.
Figure 9.
Controller block diagram of 1-shunt sensorless 3-phase inverter.
5. Experimental Results
Figure 10a,b show the HW PCB, which is composed of two layers. Phase control, dc boost, and dc link are configured on the front part of the first floor of HW, and the lower part of the second floor consists of a one-shunt sensorless-based three-phase inverter and a controller. Figure 11 and Table 4 shows the entire experimental set with test condition, and it consists of a dc battery, the HW PCB introduced above, and a motor with a fan load. In the case of ac power, 220 V/60 Hz was used through the power supply, and in the case of dc power, three dc batteries were configured in series, and the experiment was at about the dc 12 V level.
Figure 10.
The test configuration used in our study: (a) HW PCB front side; (b) HW PCB back side.
Figure 11.
Configuration of the experiment setup.
Table 4.
Test condition parameters.
Figure 12 shows the waveform of ac input power 220 V controlled by phase control to drive the motor using the ac power. The voltage information is received using the ac input voltage sensor and the phase of the ac voltage is estimated using the calculation count. Phase control is controlled through the gate signal in the voltage phase section to be controlled. In addition, due to the characteristics of the TRIAC device, the gate signal is turned on at the time of phase control, and the gate signal is turned off after a certain period of time to turn off at the zero cross of the ac voltage. In the method, a stable voltage is supplied to the dc link in a step-down form to drive the ultra-high-speed motor.
Figure 12.
The waveforms of AC voltage and AC phase control voltage.
Figure 13 shows the waveform of driving the ultra-high-speed motor by applying ac power and dc battery power based on the operation algorithm described in Figure 5 above. Waveforms (a) and (b) show the contents of applying ac power, making dc-link voltage with phase control, and driving the motor at 40,000 rpm and 50,000 rpm. In the lower part of the waveform, the frequency of the actual motor output current is measured. Considering the two-pole motor, multiply the frequency by the number 60 to obtain the actual rotating motor speed. Waveforms (c) and (d) show the contents of applying a dc battery voltage, boosting the voltage through dc boost, and driving the motor at 40,000 rpm and 50,000 rpm rotation speeds using the boosted voltage. At this time, the ac power was off and the dc battery voltage of about 11.8 V was boosted to about 20 V, and the motor was driven through a three-phase inverter. As shown in the experimental results, most previous portable consumer electronics with motor drive operate only dc battery power, but the proposed technology is applied regardless of the power source products that can be used at any time even in case of discharge or power problem. In addition, if the proposed technology is applied to corded consumer electronics that use only ac power, it can be used as a portable product, greatly improving convenience.
Figure 13.
The waveforms of using AC power and DC power motor drive operation: (a) 40,000 rpm motor drive using AC power; (b) 50,000 rpm motor drive using AC power; (c) 40,000 rpm motor drive using DC battery; (d) 50,000 rpm motor drive using DC battery.
Figure 14 is an experimental waveform showing a stable motor driven by changing to dc battery power when an interrupt occurs and ac power is off while driving at 40,000 rpm with ac power. As shown in Figure 9, when the ac power is turned off for more than two cycles or lower than the dc-link voltage reference by more than 20% through the ac voltage sensor information, it is judged as an interrupt and is changed to dc battery power to drive the motor. As shown in the waveform, when 40,000 rpm operation is maintained with ac power and the ac power is turned off, it is confirmed that the system can be maintained stably without stopping the ultra-high-speed motor operation by changing to the dc battery voltage within about two cycles of the ac power frequency. Additionally, in Figure 14b, the motor is driven at 40,000 rpm with dc power, then changed to ac power. When zero-crossing information is received from the input voltage sensor, phase control turned on and dc boost turned off are performed at the same time to change from dc to ac. In the experimental results, even if you change the two-input power sources to, for example, grid interrupt or battery discharge, the product can be used continuously without the inconvenience of not stopping. The proposed ultra-high-speed motor and the number of sensors is minimized to one-shunt sensorless control, and phase control with dc boost of the simple circuit contributes to the reduction in the size and cost of portable products.
Figure 14.
The waveforms of power changing: (a) AC → DC power changing condition; (b) DC → AC power changing condition.
6. Conclusions
This paper proposed a system that drives an ultra-high-speed motor of 50,000 rpm using ac power and dc power (dc battery). With the application of the proposed system, driving an ultra-high-speed motor was confirmed to be stable in both wired and portable environments. In this paper, an ac phase control and voltage boosting dc boost circuit with a TRIAC device applied to a general circuit that can drive a three-phase motor with an existing ac power source are applied to minimize circuit changes while allowing both ac and dc power to be used. In addition, the three-phase inverter applied the one-shunt sensorless method to drive the ultra-high-speed motor to verify the system that can contribute to the minimization of circuit and material costs. The proposed system takes advantage of the multi-input advantage that can be driven by applying both ac power and dc power and can be operated stably without stopping the inverter and motor by quickly changing to dc power when an interrupt occurs while driving with ac power. In future research, the quality of the product increases, necessary to study the bi-directional converter that charges the battery in a step-down manner in case of ac and step-up in the case of a dc BMS (battery management system).
Author Contributions
Conceptualization, D.-G.L. and R.-Y.K.; Data curation, D.-G.L.; Formal analysis, D.-G.L.; Investigation, D.-G.L. and R.-Y.K.; Methodology, D.-G.L.; Project administration, R.-Y.K.; Software, D.-G.L.; Supervision, R.-Y.K.; Validation, D.-G.L.; Writing—original draft, D.-G.L.; Writing—review & editing, D.-G.L. and R.-Y.K. All authors have read and agreed to the published version of the manuscript.
Funding
This research received no external funding.
Conflicts of Interest
The authors declare no conflict of interest.
References
- Ahmad, F.; Haider, A.A.; Naveed, H.; Mustafa, A.; Ahmad, I. Multiple Input Multiple Output DC to DC Converter. In Proceedings of the 5th International Multi-Topic ICT Conference (IMTIC 2018), Jamshoro, Pakistan, 25–27 April 2018. [Google Scholar]
- Sulaiman, S.; Nair, J.R. Multi-Input Transformer Coupled DC-DC Converter For Rural Electrification Using Renewable Energy Sources. In Proceedings of the IEEE National Conference, Chennai, India, 10–12 October 2014. [Google Scholar]
- Zhang, N.; Sutanto, D.; Muttaqi, K.M. A buck-boost converter based multi-input DC-DC/AC converter. In Proceedings of the IEEE International Conference on Power System Technology (POWERCON), Wollongong, Australia, 28 September–1 October 2016. [Google Scholar]
- Wang, X.; Zhou, S.; Wu, L.; Zhao, M.; Hu, C. Iron Loss and Thermal Analysis of High Speed PM motor Using Soft Magnetic Composite Material. In Proceedings of the 22nd International Conference on Electrical Machines and Systems (ICEMS), Harbin, China, 11–14 August 2019. [Google Scholar]
- Luise, F.; Tessarolo, A.; Pieri, S.; Raffin, P.; Chiara, M.D.; Agnolet, F.; Scalabrin, M. Design and technology solutions for high-efficiency high-speed motors. In Proceedings of the International Conference on Electrical Machines, Marseille, France, 2–5 September 2012. [Google Scholar]
- Burnand, G.; Perriard, Y. Very-High-Speed Miniaturized Permanent Magnet Motors: Design and Optimization. In Proceedings of the Energy Conversion Congress and Exposition (ECCE), Baltimore, MD, USA, 29 September–3 October 2019; pp. 5258–5264. [Google Scholar]
- Chen, J.; Guo, Y.; Zhu, J. Development of a High-Speed Permanent-Magnet Brushless DC Motor for Driving Embroidery Machines. IEEE Trans. Magn. 2007, 43, 4004–4009. [Google Scholar] [CrossRef] [Green Version]
- Parnklang, J.; Seabgsai, T.; Yongyutwichai, K.; Wongprasert, Y. 18650 Battery Real Time Output Resistance Test. In Proceedings of the 5th International Conference on Control and Robotics Engineering (ICCRE), Beijing, China, 24–26 April 2020. [Google Scholar]
- Soto, A.; Berrueta, A.; Sanchis, P.; Ursúa, A. Analysis of the main battery characterization techniques and experimental comparison of commercial 18650 Li-ion cells. In Proceedings of the IEEE Industrial and Commercial Power Systems Europe (EEEIC / I&CPS Europe), Genova, Italy, 10–14 June 2019. [Google Scholar]
- Lin, C.W.; Tzou, Y.Y. Digital voltage control of boost CRM PFC AC/DC converters with TRIAC Phase Control dimmer. In Proceedings of the IEEE International Conference on Power System Technology (POWERCON), Auckland, New Zealand, 23–26 October 2012. [Google Scholar]
- Lü, Z.; Sun, F. Consistent speed control under 220/120Vac power supply. In Proceedings of the International Conference on Electrical and Control Engineering, Yichang, China, 16–18 September 2011. [Google Scholar]
- Jiang, D.; Wang, F. Current ripple prediction for three phase PWM converter. IEEE Trans. Ind. Appl. 2014, 50, 531–538. [Google Scholar] [CrossRef]
- Blasko, V.; Kaura, V.; Niewiadomski, W. Sampling of discontinuous voltage and current signals in electrical drives: A system approach. IEEE Trans. Ind. Appl. 1998, 34, 1123–1130. [Google Scholar] [CrossRef]
- Gu, Y.; Ni, F.; Yang, D.; Liu, H. Switching-State Phase Shift Method for Three-Phase-Current Reconstruction with a Single DC-Link Current Sensor. IEEE Trans. Ind. Electron. 2011, 58, 5186–5194. [Google Scholar]
- Shin, H.J.; Ha, J.I. Phase Current Reconstructions from DC-Link Currents in Three-Phase Three-Level PWM Inverters. IEEE Trans. Power Electron. 2014, 29, 582–593. [Google Scholar] [CrossRef]
- Blaabjerg, F.; Pedersen, J.K.; Jaeger, U.; Thoegersen, P. Single current sensor technique in the DC link of three-phase PWM-VS inverters: A review and a novel solution. IEEE Trans. Ind. Appl. 1997, 33, 1241–1253. [Google Scholar] [CrossRef]
- Fatu, M.; Teodorescu, R.; Boldea, I.; Andreescu, G.D.; Blaabjerg, F. I-F starting method with smooth transition to EMF based motion-sensorless vector control of PM synchronous motor/generator. In Proceedings of the IEEE Power Electronics Specialists Conference, Rhodes, Greece, 15–19 June 2008. [Google Scholar]
- Iepure, L.I.; Boldea, I.; Blaabjerg, F. Hybrid I-f Starting and Observer-Based Sensorless Control of Single-Phase BLDC-PM Motor Drives. IEEE Trans. Ind. Electron. 2012, 59, 3436–3444. [Google Scholar] [CrossRef]
- Morimoto, S.; Kawamoto, K.; Sanada, M.; Takeda, Y. Sensorless control strategy for salientpole PMSM based on extended EMF in rotating reference frame. IEEE Trans. Ind. Appl. 2002, 38, 1054–1061. [Google Scholar] [CrossRef]
- Ichikawa, S.; Tomita, M.; Doki, S.; Okuma, S. Sensorless control of permanent-magnet synchronous motors using online parameter identification based on system identification theory. IEEE Trans. Ind. Electron. 2006, 53, 363–372. [Google Scholar] [CrossRef]
- Taniguchi, S.; Mochiduki, S.; Yamakwa, T.; Wakao, S.; Kondo, K.; Yoneyama, T. Starting procedure of rotational sensorless PMSM in the rotating condition. IEEE Trans. Ind. Appl. 2009, 45, 194–2020. [Google Scholar] [CrossRef]
- Curpertino, F.; Pellegrino, G.; Giangrande, P.; Salvatore, L. Sensorless position control of permanent-magnet motors with pulsating current injection and comparison of motor end effects. IEEE Trans. Ind. Appl. 2011, 47, 1371–1379. [Google Scholar] [CrossRef] [Green Version]
- Zhou, Y.; Long, S. Sensorless direct torque control for electrically excited synchronous motor based on injecting high-frequency ripple current into rotor winding. IEEE Trans. Energy Convers. 2015, 30, 246–253. [Google Scholar] [CrossRef]
- Boldea, I.; Paicu, M.C.; Andreescu, G.D. Active Flux Concept for Motion-Sensorless Unified AC Drives. IEEE Trans. Power Electron. 2008, 23, 2612–2618. [Google Scholar] [CrossRef]
- Holtz, J.; Quan, J. Sensorless vector control of induction motors at very low speed using a nonlinear inverter model and parameter identification. IEEE Trans. Ind. Appl. 2002, 38, 1087–1095. [Google Scholar] [CrossRef]
- Consoli, A.; Scarcella, G.; Testa, A. Industry application of zero-speed sensorless control techniques for PM synchronous motors. IEEE Trans. Ind. Appl. 2001, 37, 513–521. [Google Scholar] [CrossRef]
- Briz, F.; Degner, M.W.; Garcia, P.; Lorenz, R.D. Comparison of saliency-based sensorless control techniques for AC machines. IEEE Trans. Ind. Appl. 2004, 40, 1107–1115. [Google Scholar] [CrossRef]
- Ogasawara, S.; Akagi, H. Implementation and position control performance of a position-sensorless IPM motor drive system based on magnetic saliency. IEEE Trans. Ind. Appl. 1998, 34, 806–812. [Google Scholar] [CrossRef] [Green Version]
- Chen, Z.; Tomita, M.; Doki, S.; Okuma, S. An extended electromotive force model for sensorless control of interior permanent-magnet synchronous motors. IEEE Trans. Ind. Electron. 2003, 50, 288–295. [Google Scholar] [CrossRef]
Publisher’s Note: MDPI stays neutral with regard to jurisdictional claims in published maps and institutional affiliations. |
© 2022 by the authors. Licensee MDPI, Basel, Switzerland. This article is an open access article distributed under the terms and conditions of the Creative Commons Attribution (CC BY) license (https://creativecommons.org/licenses/by/4.0/).













