Performance Investigation of Power Inverter Components Submersed in Subcooled Liquid Nitrogen for Electric Aircraft
Abstract
:1. Introduction
2. Power Inverter Technologies for Electric Aircraft
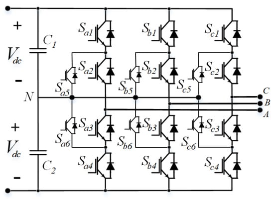
2.1. Inverter Topologies
2.2. Power Capability
2.3. Electromagnetic Interference
3. Power Switches Characterization at a Cryogenic Temperature
4. Capacitors’ Performance at a Cryogenic Temperature
4.1. Electrolytic Capacitor Case Study
4.2. Metalized Film Capacitor Case Study
4.3. Ceramic Capacitor Case Study
5. Conclusions
Author Contributions
Funding
Institutional Review Board Statement
Informed Consent Statement
Data Availability Statement
Conflicts of Interest
References
- Citroni, R.; di Paolo, F.; Livreri, P. A Novel Energy Harvester for Powering Small UAVs: Performance Analysis, Model Validation and Flight Results. Sensors 2019, 19, 1771. [Google Scholar] [CrossRef] [Green Version]
- Citroni, R.; Leggieri, A.; Passi, D.; di Paolo, F.; di Carlo, A. Nano Energy Harvesting with Plasmonic Nano-Antennas: A review of MID-IR Rectenna and Application. AEM 2017, 6, 1–13. [Google Scholar] [CrossRef] [Green Version]
- Sarlioglu, B.; Morris, T.C. More Electric Aircraft: Review, Challenges, and Opportunities for Commercial Transport Aircraft. IEEE Trans. Transp. Electrif. 2015, 1, 54–64. [Google Scholar] [CrossRef]
- Jha, A.R. Cryogenic Technology and Applications; Butterworth-Heinemann: Oxford, UK, 2006; pp. 1–23. ISBN 9780750678872. [Google Scholar] [CrossRef]
- Zhang, Z.; Timms, C.; Tang, J.; Chen, R.; Sangid, J.; Wang, F.; Tolbert, L.M.; Blalock, B.J.; Costinett, D.J. Characterization of high-voltage high-speed switching power semiconductors for high frequency cryogenically-cooled application. In Proceedings of the 2017 IEEE Applied Power Electronics Conference and Exposition (APEC), Tampa, FL, USA, 26–30 March 2017; pp. 1964–1969. [Google Scholar] [CrossRef]
- Gui, H.; Chen, R.; Niu, J.; Zhang, Z.; Tolbert, L.M.; Wang, F.F.; Blalock, B.J.; Costinett, D.; Choi, B.B. Review of Power Electronics Components at Cryogenic Temperatures. IEEE Trans. Power Electron. 2020, 35, 5144–5156. [Google Scholar] [CrossRef] [PubMed]
- Rajashekara, K.; Akin, B. A Review of Cryogenic Power Electronics—Status and Applications. In Proceedings of the International Electric Machines & Drives Conference, Chicago, IL, USA, 12–15 May 2013; Volume 2013, pp. 899–904. [Google Scholar] [CrossRef]
- Haldar, P.; Ye, H.; Efstathiadis, H.; Raynolds, J.; Hennessy, M.; Mueller, O.; Mueller, E. Improving Performance of Cryogenic Power Electronics. IEEE Trans. Appl. Supercond. 2005, 15, 2370–2375. [Google Scholar] [CrossRef]
- Rajashekara, K.; Akin, B. Cryogenic Power Conversion Systems: The Next Step in the Evolution of Power Electronics Technology. IEEE Electrif. Mag. 2013, 1, 64–73. [Google Scholar] [CrossRef]
- Dogmus, E.; Kabouche, R.; Lepilliet, S.; Linge, A.; Zegaoui, M.; Ben-Ammar, H.; Chauvat, M.-P.; Ruterana, P.; Gamarra, P.; Lacam, C.; et al. InAlGaN/GaN HEMTs at Cryogenic Temperatures. Electronics 2016, 5, 31. [Google Scholar] [CrossRef] [Green Version]
- Singh, R.; Baliga, B.J. Cryogenic Operation of Silicon Power Devices; Kluwer Academic Publishers: Norwell, MA, USA, 1998. [Google Scholar]
- Gira, G.; Ferraro, E.; Borgarino, M. On the VCO/Frequency Divider Interface in Cryogenic CMOS PLL for Quantum Computing Applications. Electronics 2021, 10, 2404. [Google Scholar] [CrossRef]
- Wang, F.; Chen, R.; Gui, H.; Niu, J.; Tolbert, L.; Costinett, D.; Blalock, B.; Liu, S.; Hull, J.; Williams, J.; et al. MW-Class Cryogenically-Cooled Inverter for Electric-Aircraft Applications. In Proceedings of the AIAA/IEEE Electric Aircraft Technologies Symposium (EATS), Indianapolis, IN, USA, 22–24 August 2019; Volume 2019, pp. 1–9. [Google Scholar] [CrossRef]
- Hou, H.; Yang, J.; Liu, G.; Liu, J.; Abbas, M.; Hussain, S.; Shao, H.; Qiao, G.; Ghfar, A.; Ouladsmane, M.; et al. Designing Optically & Utilization of Thermopile Chip with Resonant Cavity Absorber Structure as IR Absorber. Coatings 2021, 11, 302. [Google Scholar] [CrossRef]
- Feng, Y.J.; Zeng, L.; Chen, Y.; Liu, X.D.; Li, T.; Xie, Q.; Chen, X.Y. Hardware Design and Test of a Cryogenic Boost Chopper under 77 K. In Proceedings of the 2018 in IEEE International Conference on Applied Superconductivity and Electromagnetic Devices (ASEMD), Tianjin, China, 15–18 April 2018; pp. 1–2. [Google Scholar] [CrossRef]
- Filipenko, M.; Biser, S.; Boll, M.; Corduan, M.; Noe, M.; Rostek, P. Comparative Analysis and Optimization of Technical and Weight Parameters of Turbo-electric Propulsion Systems. Aerospace 2020, 7, 107. [Google Scholar] [CrossRef]
- Mueller, O.M.; Herd, K.G. Ultra-High Efficiency Power Conversion Using Cryogenic MOSFETs and HT-Superconductors. In Proceedings of the IEEE Power Electronics Specialist Conference, PESC, Seattle, WA, USA, 20–24 June 1993; pp. 772–778. [Google Scholar] [CrossRef]
- Boll, M.; Corduan, M.; Biser, S.; Filipenko, M.; Pham, Q.H.; Schlachter, S.; Rostek, P.; Noe, M. A Holistic System Approach for Short Range Passenger Aircraft with Cryogenic Propulsion System. Supercond. Sci. Technol. 2020, 33, 14. [Google Scholar] [CrossRef]
- Gui, H.; Zhang, Z.; Chen, R.; Ren, R.; Niu, J.; Li, H.; Dong, Z.; Timms, C.; Wang, F.; Tolbert, L.M.; et al. Development of High-Power High Switching Frequency Cryogenically Cooled Inverter for Aircraft Applications. IEEE Trans. Power Electron. 2020, 35, 5670–5682. [Google Scholar] [CrossRef]
- Barth, C.; Colmenares, J.; Foulkes, T.; Coulson, K.; Sotelo, J.; Modeer, T.; Miljkovic, N.; Pilawa-Podgurski, R.C. Experimental Evaluation of a 1 kW, Single-Phase, 3-Level Gallium Nitride Inverter in Extreme Cold Environment. In Proceedings of the IEEE Applied Power Electronics Conference and Exposition (APEC), Tampa, FL, USA, 26–30 March 2017; Volume 2017, pp. 717–723. [Google Scholar] [CrossRef]
- Barth, C.B.; Foulkes, T.; Azofeifa, O.; Colmenares, J.; Coulson, K.; Miljkovic, N.; Pilawa-Podgurski, R.C.N. Design, Operation, and Loss Characterization of a 1-kW GaN-Based Three-Level Converter at Cryogenic Temperatures. IEEE Trans. Power Electron. 2020, 35, 12040–12052. [Google Scholar] [CrossRef]
- Corduan, M.; Boll, M.; Bause, R.; Oomen, M.P.; Filipenko, M.; Noe, M. Topology Comparison of Superconducting AC Machines for Hybrid Electric Aircraft. IEEE Trans. Appl. Supercond. 2020, 30, 1–10. [Google Scholar] [CrossRef] [Green Version]
- Hassan, M.S.; Abdelhakim, A.; Shoyama, M.; Imaoka, J.; Dousoky, G.M. Parallel Operation of Split-Source Inverters for PV Systems: Analysis and Modulation for Circulating Current and EMI Noise Reduction. IEEE Trans. Power Electron. 2021, 36, 9547–9564. [Google Scholar] [CrossRef]
- Radio Technical Commission for Aeronautics (RTCA). Environmental Conditions and Test Procedures for Airborne Equipment; D.O.-160G; Radio Technical Commission for Aeronautics (RTCA): Washington, DC, USA, 2010. [Google Scholar]
- Lee, T.; Kim, H.; Lee, N.; Chin, T.; Bu, H.; Cho, Y. Performance Evaluation of GaN FET-Based Matrix Converters with dv/dt Filters for Variable Frequency Drive Applications. J. Power Electron. 2020, 20, 844–853. [Google Scholar] [CrossRef]
- Wilson, P.R. Advanced Aircraft Power Electronics Systems—The Impact of Simulation, Standards and Wide Band-Gap Devices. CES Trans. Electr. Mach. Syst. 2017, 1, 72–82. [Google Scholar] [CrossRef]
- Raciti, A.; Rizzo, S.A.; Salerno, N.; Susinni, G.; Buccella, C.; Cecati, C.; Tinari, M. State of the Art and Emerging Solid-State Power Devices in the Perspective of More Electric Aircraft. In Proceedings of the AEIT International Annual Conference, Bari, Italy, 3–5 October 2018; Volume 2018, pp. 1–6. [Google Scholar] [CrossRef]
- Gonzalez, M.C.; Kohlman, L.W.; Trunek, A.J. Cryogenic Parametric Characterization of Gallium Nitride Switches; National Aeronautics and Space Administration, Glenn Research Center: Cleveland, OH, USA, 2018.
- Croft, A.J.; Fickett, F.R. Cryogenic Laboratory Equipment; American Institute of Physics: College Park, MD, USA, 1971; Volume 24, pp. 55–56. [Google Scholar] [CrossRef] [Green Version]














| Description | Supplier | Catalog No. | Remarks |
|---|---|---|---|
| Si SJ-MOS, 600 V, 21 A | Infineon | IPW60R105CFD7 | |
| Si SJ-MOS, 900 V, 15 A | Infineon | IPW90R340C3 | |
| SiC MOS, 650 V, 70 A | Rohm | SCT3030AL-E | |
| SiC MOS, 650 V, 45 A | STMicroelectronics | SCTWA35N65G2V | |
| GaN HEMT, 650 V, 36 A | Transphorm | TP65H050WS | Cascode connection with Si MOSFET |
| Device Spec. (Vendor) | Si SJ-MOS *1 | SiC MOS | GaN HEMT *2 | |||
|---|---|---|---|---|---|---|
| 600 V, 21 A (Infineon) | 900 V, 15 A (Infineon) | 650 V, 70 A (Rohm) | 650 V, 45 A (STMicroelectronics) | 650 V, 36 A (Transphorm) | ||
| Breakdown voltage (BV) | 300 K | 634 V | 993 V | 1182 V | 771 V | >1400 V |
| 77 K | 482 V | 703 V | 1219 V | 654 V | 1374 V | |
| @ = 15 V, = 1 A | 300 K | 85 mΩ | 265 mΩ | 49 mΩ | 69 mΩ | 39 mΩ |
| 77 K | 57 mΩ | 40 mΩ | 1000 mΩ | 3190 mΩ | 17 mΩ | |
| Comments | BV falls down at 77 K; well agrees with device simulation | BV keeps above 600 V at 77 K | Dramatic increase in at 77 K | Dramatic increase in at 77 K | The breakdown mechanism is different from those of the others | |
| Frequency | 120 Hz | 1 kHz | 10 kHz | 100 kHz | ||||
|---|---|---|---|---|---|---|---|---|
| Temperature (K) | 300 | 77 | 300 | 77 | 300 | 77 | 300 | 77 |
| C (μF) | 88.17 | 0.016233 | 86.57 | 0.016171 | 82.04 | 0.016148 | 44.95 | 0.016134 |
| ESR (Ω) | OF *1 | OF | 8.956 | OF | 0.4672 | OF | 0.3453 | OF |
| Ɵ (°) | −87.83 | −89.92 | −77.96 | −89.95 | −28.02 | −89.95 | −5.93 | −89.98 |
| D *2 | 0.038 | 0.0011 | 0.2108 | 0.0001 | 1.8612 | 0.0008 | 9.599 | 0.0004 |
| Frequency | 120 Hz | 1 kHz | 10 kHz | 100 kHz | ||||
|---|---|---|---|---|---|---|---|---|
| Temperature (K) | 300 | 77 | 300 | 77 | 300 | 77 | 300 | 77 |
| C (nF) | 32.56 | 33.45 | 32.56 | 33.45 | 32.55 | 33.4 | 32.56 | 33.44 |
| ESR (Ω) | OF | OF | OF | OF | OF | OF | OF | OF |
| Ɵ (°) | −90 | −90 | −89.99 | −90 | −89.99 | −90 | −90.03 | −90.04 |
| D | 0 | 0 | 0.0001 | 0 | 0.0002 | 0 | −0.0005 | −0.02 |
| Frequency | 120 Hz | 1 kHz | 10 kHz | 100 kHz | ||||
|---|---|---|---|---|---|---|---|---|
| Temperature (K) | 300 | 77 | 300 | 77 | 300 | 77 | 300 | 77 |
| C (nF) | 1.8496 | 0.0284 | 1.8433 | 0.02736 | 1.8352 | 0.0265 | 1.828 | 0.02574 |
| ESR (Ω) | OF | OF | OF | OF | OF | OF | OF | OF |
| Ɵ (°) | −89.56 | −88.78 | −89.74 | −88.6 | −89.84 | −88.71 | −89.78 | −88.37 |
| D | 0.0071 | 0.02 | 0.045 | 0.022 | 0.028 | 0.0225 | 0.0038 | 0.029 |
Publisher’s Note: MDPI stays neutral with regard to jurisdictional claims in published maps and institutional affiliations. |
© 2022 by the authors. Licensee MDPI, Basel, Switzerland. This article is an open access article distributed under the terms and conditions of the Creative Commons Attribution (CC BY) license (https://creativecommons.org/licenses/by/4.0/).
Share and Cite
Hassan, M.S.; Asano, T.; Shoyama, M.; Dousoky, G.M. Performance Investigation of Power Inverter Components Submersed in Subcooled Liquid Nitrogen for Electric Aircraft. Electronics 2022, 11, 826. https://doi.org/10.3390/electronics11050826
Hassan MS, Asano T, Shoyama M, Dousoky GM. Performance Investigation of Power Inverter Components Submersed in Subcooled Liquid Nitrogen for Electric Aircraft. Electronics. 2022; 11(5):826. https://doi.org/10.3390/electronics11050826
Chicago/Turabian StyleHassan, M. S., Tanemasa Asano, Masahito Shoyama, and Gamal M. Dousoky. 2022. "Performance Investigation of Power Inverter Components Submersed in Subcooled Liquid Nitrogen for Electric Aircraft" Electronics 11, no. 5: 826. https://doi.org/10.3390/electronics11050826
APA StyleHassan, M. S., Asano, T., Shoyama, M., & Dousoky, G. M. (2022). Performance Investigation of Power Inverter Components Submersed in Subcooled Liquid Nitrogen for Electric Aircraft. Electronics, 11(5), 826. https://doi.org/10.3390/electronics11050826

