Sensorless Control of Seven-Phase PMSM Drives Using NSV-SVPWM with Minimum Current Distortion
Abstract
:1. Introduction
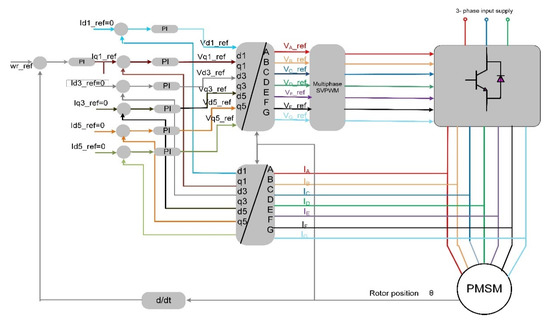
2. Sensored Speed Control of the Seven-Phase PMSM
2.1. Overview of the Seven-Phase PMSM Model
2.2. Space Vector Distribution
2.3. NSV-SVPWM
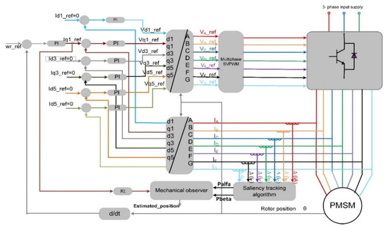
3. Algorithms to Extract the Rotor Position in Seven-Phase PMSMs without Encoders
3.1. Tracking Saliency Using the Active Vector Q1 (case = 0)
3.2. Tracking Saliency Using the Active Vectors Q2 and Q0 (case = 1)
3.3. Tracking Saliency Using the Active Vectors Q3 and Q0 (case = 2)
4. Sensorless Control
5. Current Distortion
6. Conclusions
Author Contributions
Funding
Conflicts of Interest
Appendix A
References
- Villani, M.; Tursini, M.; Fabri, G.; Castellini, L. Multi-phase fault tolerant drives for aircraft applications. In Proceedings of the Electrical Systems for Aircraft, Railway and Ship Propulsion Conference, Bologna, Italy, 19–21 December 2010; pp. 1–6. [Google Scholar]
- Song, Q.; Zhang, X.; Yu, F.; Zhang, C. Research on Space Vector PWM of Five-Phase Three-Level Inverter. In Proceedings of the International Conference on Electrical Machines and Systems, Nanjing, China, 27–29 September 2005; pp. 1418–1421. [Google Scholar]
- Grandi, G.; Serra, G.; Tani, A. Space vector modulation of a seven-phase voltage source inverter. In Proceedings of the International Symposium on Power Electronics, Electrical Drives, Automation and Motion, Taormina, Italy, 23–26 June 2006; pp. 1149–1156. [Google Scholar]
- Pradeep, J.; Devanathan, R. Comparative analysis and simulation of PWM and SVPWM inverter fed permanent magnet synchronous motor. In Proceedings of the International Conference on Emerging Trends in Electrical Engineering and Energy Management, Roorkee, India, 21–23 February 2013; pp. 299–305. [Google Scholar]
- Casadei, D.; Dujic, D.; Levi, E.; Serra, G.; Tani, A.; Zarri, L. General modulation strategy for seven-phase inverters with independent control of multiple voltage space vectors. IEEE Trans. Ind. Electron. 2008, 55, 1921–1932. [Google Scholar] [CrossRef]
- Zhang, D.; Xu, B.; Yang, H.; Zhu, P. Simulation analysis of SVPWM based on seven-phase permanent magnet synchronous motor. In Proceedings of the International Conference on Control, Automation and Information Sciences (ICCAIS), Ansan, Korea, 18–21 October 2017; pp. 251–256. [Google Scholar]
- Gong, W.; Wang, Y.; Cai, Z.; Wang, L. Finding multiple roots of nonlinear equation systems via a repulsion-based adaptive differential evolution. IEEE Trans. Syst. Man Cybern. Syst. 2020, 50, 1499–1513. [Google Scholar] [CrossRef]
- Dabour, S.M. Space vector PWM technique to reduce common mode voltage for seven-phase inverters. In Proceedings of the International Middle East Power Systems Conference, MEPCON, Al Mansoura, Egypt, 15–17 December 2015. [Google Scholar]
- Lu, M.; Zhang, D.; Xu, B.; Yang, H.; Xin, Y. Multiphase SVPWM Strategy Analysis and Implementation of Seven-Phase Permanent Magnet Synchronous Motor. Complexity 2020, 2020, 8854472. [Google Scholar] [CrossRef]
- Bhuiyan, E.A.; Akhand, M.; Das, K.; Ali, M.; Tasneem, Z.; Islam, M.; Saha, D.; Badal, F.; Ahamend, M.; Moyeen, S. A Survey on Fault Diagnosis and Fault Tolerant Methodologies for Permanent Magnet Synchronous Machines. Int. J. Autom. Comput. 2020, 17, 763–787. [Google Scholar] [CrossRef]
- Mini, Y.; Nguyen, N.K.; Semail, E. A novel Sensorless Control Strategy Based on Sliding Mode Observer for Non-Sinusoidal Seven-phase PMSM. In Proceedings of the 10th International Conference on Power Electronics, Machines and Drives (PEMD 2020), Online, 15–17 December 2020; pp. 694–699. [Google Scholar] [CrossRef]
- Fan, Y.; Deng, Z.; Wang, Z.; Li, S. Equivalent Inductance-based Flux Observer for Tri-Three-phase PMSM Sensorless Control. In Proceedings of the 2021 24th International Conference on Electrical Machines and Systems (ICEMS), Gyeongju, Korea, 31 October–3 November 2021; pp. 2537–2541. [Google Scholar] [CrossRef]
- Fan, C.; Lu, H.; Meng, Y.; Gao, D. Sensorless Fault-Tolerant Control of Dual Three-Phase Permanent Magnet Synchronous Motor. World Electr. Veh. J. 2021, 12, 183. [Google Scholar] [CrossRef]
- Bednarz, S.; Dybkowski, M. Induction Motor Windings Faults Detection Using Flux-Error Based MRAS Estimators. Diagnostyka 2019, 20, 87–96. [Google Scholar] [CrossRef]
- Korzonek, M.; Tarchała, G.; Orłowska-Kowalska, T. A review on MRAS-type speed estimators for reliable and efficient induction motor drives. ISA Trans. 2019, 93, 1–13. [Google Scholar] [CrossRef] [PubMed]
- Qin, Y.; Wang, A. Direct Torque Control of Five-phase Permanent Magnet Synchronous Motor Based on Model Prediction. In Proceedings of the 2021 International Conference on Machine Learning and Intelligent Systems Engineering (MLISE), Chongqing, China, 9–11 July 2021; pp. 126–130. [Google Scholar] [CrossRef]
- Zhang, L.; Fan, Y.; Li, C.; Nied, A.; Cheng, M. Fault-tolerant sensorless control of a five-phase FTFSCW-IPM motor based on a wide-speed strong robustness sliding mode observer. IEEE Trans. Energy Convers. 2018, 33, 87–95. [Google Scholar] [CrossRef]
- Almarhoon, A.H.; Zhu, Z.Q.; Xu, P. Improved rotor position estimation accuracy by rotating carrier signal injection utilizing zero-sequence carrier voltage for dual three-phase PMSM. IEEE Trans. Ind. Electron. 2017, 64, 4454–4462. [Google Scholar] [CrossRef]
- Liu, G.; Geng, C.; Chen, Q. Sensorless Control for Five-Phase IPMSM Drives by Injecting HF Square-Wave Voltage Signal into Third HarmonicSpace. IEEE Access 2020, 8, 69712–69721. [Google Scholar] [CrossRef]
- Saleh, K.; Sumner, M. Sensorless Speed Control of Five-Phase PMSM Drives in Case of a Single-Phase Open-Circuit Fault. Iran J. Sci. Technol. Trans. Electr. Eng. 2019, 43, 501–517. [Google Scholar] [CrossRef]
- Elbarbary, Z.M. Salem Speed sensorless control of seven phase asynchronous motor drive system using extended Kalman filter. Int. J. Electron. Lett. 2021. [Google Scholar] [CrossRef]
- Bıçak, A.; Gelen, A. Sensorless direct torque control based on seven-level torque hysteresis controller for five-phase IPMSM using a sliding-mode observer. Eng. Sci. Technol. Int. J. 2021, 24, 1134–1143. [Google Scholar] [CrossRef]
- Listwan, J.; Pienkowski, K. Comparison of DFOC of Seven-Phase Induction Motor with PI and Fuzzy-Logic speed Controller under speed sensor fault. Przegląd Elektrotechniczny 2020, 96, 9–13. [Google Scholar] [CrossRef]
- Luo, Y.-C.; Huang, W.-A. Sensorless rotor field direct orientation controlled induction motor drive with particle swarm optimization algorithm flux observer. J. Low Freq. Noise Vib. Act. Control 2019, 38, 692–705. [Google Scholar] [CrossRef]
- Mossa, M.A.; Echeikh, H.; Iqbal, A.; Duc Do, T.; Al-Sumaiti, A.S. A Novel Sensorless Control for Multiphase Induction Motor Drives Based on Singularly Perturbed Sliding Mode Observer-Experimental Validation. Appl. Sci. 2020, 10, 2776. [Google Scholar] [CrossRef] [Green Version]
- Listwan, J.; Pieńkowski, K. Comparative Analysis of Control Methods with Model Reference Adaptive System Estimators of a Seven-Phase Induction Motor with Encoder Failure. Energies 2021, 14, 1147. [Google Scholar] [CrossRef]
- Lorenz, R.D.; Van Patten, K.W. High-resolution velocity estimation for all-digital, ac servo drives. IEEE Trans. Ind. Appl. 1991, 27, 701–705. [Google Scholar] [CrossRef]
- Hua, Y.; Sumner, M.; Asher, G.; Gao, Q.; Saleh, K. Improved sensorless control of a permanent magnet machine using fundamental pulse width modulation excitation. IET Electr. Power Appl. 2011, 5, 359–370. [Google Scholar] [CrossRef] [Green Version]




















| Vector Group Name | L1 | L2 | L3 | L4 | L5 | L6 | L7 |
|---|---|---|---|---|---|---|---|
| amplitude | 0.127 × VDC | 0.159 × VDC | 0.229 × VDC | 0.286 × VDC | 0.356 × VDC | 0.515 × VDC | 0.642 × VDC |
| Sector No. | Q0 | Q1 | Q2 | Q3 | Q4 | Q5 | Q6 | Q7 |
|---|---|---|---|---|---|---|---|---|
| 1 | V0 (0000000) | V1 (1000000) | V3 (1100000) | V67 (1100001) | V71 (1110001) | V 103 (1110011) | V111 (1111011) | V127 (1111111) |
| 2 | V0 (0000000) | V2 (0100000) | V3 (1100000) | V7 (1110000) | V71 (1110001) | V79 (1111001) | V111 (1111011) | V127 (1111111) |
| 3 | V0 (0000000) | V2 (0100000) | V6 (0110000) | V7 (1110000) | V15 (1111000) | V79 (1111001) | V95 (1111101) | V127 (1111111) |
| 4 | V0 (0000000) | V4 (0010000) | V6 (0110000) | V14 (0111000) | V15 (1111000) | V 31 (1111100) | V95 (1111101) | V127 (1111111) |
| 5 | V0 (0000000) | V4 (0010000) | V12 (0011000) | V14 (0111000) | V30 (0111100) | V31 (1111100) | V63 (1111110) | V127 (1111111) |
| 6 | V0 (0000000) | V8 (0001000) | V12 (0011000) | V28 (0011100) | V30 (0111100) | V62 (0111110) | V63 (1111110) | V127 (1111111) |
| 7 | V0 (0000000) | V8 (0001000) | V24 (0001100) | V28 (0011100) | V60 (0011110) | V62 (0111110) | V126 (0111111) | V127 (1111111) |
| 8 | V0 (0000000) | V16 (0000100) | V24 (0001100) | V56 (0001110) | V60 (0011110) | V124 (0011111) | V126 (0111111) | V127 (1111111) |
| 9 | V0 (0000000) | V16 (0000100) | V48 (0000110) | V56 (0001110) | V120 (0001111) | V124 (0011111) | V125 (1011111) | V127 (1111111) |
| 10 | V0 (0000000) | V32 (0000010) | V48 (0000110) | V112 (0000111) | V120 (0001111) | V121 (1001111) | V125 (1011111) | V127 (1111111) |
| 11 | V0 (0000000) | V32 (0000010) | V96 (0000011) | V112 (0000111) | V113 (1000111) | V121 (1001111) | V124 (1101111) | V127 (1111111) |
| 12 | V0 (0000000) | V64 (0000001) | V96 (0000011) | V97 (1000011) | V113 (1000111) | V115 (1100111) | V124 (1101111) | V127 (1111111) |
| 13 | V0 (0000000) | V64 (0000001) | V65 (1000001) | V97 (1000011) | V99 (1100011) | V115 (1100111) | V119 (1110111) | V127 (1111111) |
| 14 | V0 (0000000) | V1 (1000000) | V65 (1000001) | V67 (1100001) | V99 (1100011) | V103 (1110011) | V119 (1110111) | V127 (1111111) |
| Sector No. | |||||||
|---|---|---|---|---|---|---|---|
| 1,14 | |||||||
| 2,3 | |||||||
| 4,5 | |||||||
| 6,7 | |||||||
| 8,9 | |||||||
| 10,11 | |||||||
| 12,13 |
| Sector No. | |||||||
|---|---|---|---|---|---|---|---|
| 1,2 | |||||||
| 3,4 | |||||||
| 5,6 | |||||||
| 7,8 | |||||||
| 9,10 | |||||||
| 11,12 | |||||||
| 13,14 |
| Sector No. | |||||||
|---|---|---|---|---|---|---|---|
| 1,14 | |||||||
| 2,3 | |||||||
| 4,5 | |||||||
| 6,7 | |||||||
| 8,9 | |||||||
| 10,11 | |||||||
| 12,13 |
Publisher’s Note: MDPI stays neutral with regard to jurisdictional claims in published maps and institutional affiliations. |
© 2022 by the authors. Licensee MDPI, Basel, Switzerland. This article is an open access article distributed under the terms and conditions of the Creative Commons Attribution (CC BY) license (https://creativecommons.org/licenses/by/4.0/).
Share and Cite
Saleh, K.; Sumner, M. Sensorless Control of Seven-Phase PMSM Drives Using NSV-SVPWM with Minimum Current Distortion. Electronics 2022, 11, 792. https://doi.org/10.3390/electronics11050792
Saleh K, Sumner M. Sensorless Control of Seven-Phase PMSM Drives Using NSV-SVPWM with Minimum Current Distortion. Electronics. 2022; 11(5):792. https://doi.org/10.3390/electronics11050792
Chicago/Turabian StyleSaleh, Kamel, and Mark Sumner. 2022. "Sensorless Control of Seven-Phase PMSM Drives Using NSV-SVPWM with Minimum Current Distortion" Electronics 11, no. 5: 792. https://doi.org/10.3390/electronics11050792
APA StyleSaleh, K., & Sumner, M. (2022). Sensorless Control of Seven-Phase PMSM Drives Using NSV-SVPWM with Minimum Current Distortion. Electronics, 11(5), 792. https://doi.org/10.3390/electronics11050792

