Design of Portable Self-Oscillating VCSEL-Pumped Cesium Atomic Magnetometer
Abstract
1. Introduction
2. The System Structure
3. The Self-Oscillating Signal Circuit
3.1. The Preamplifier (90-Degree Phase Shifter)
3.2. The Automatic Gain Control Circuit and Others
4. VCSEL Controller
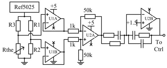
4.1. Temperature Control Circuits of VCSEL
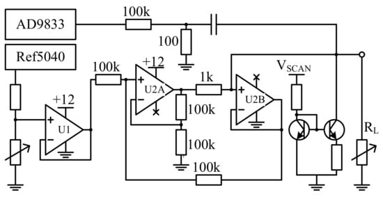
4.2. Current Control Circuits of VCSEL
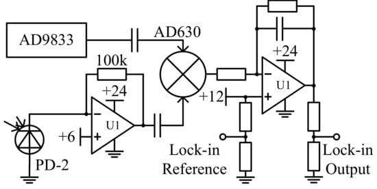
4.3. Circuits of Lock-in Amplifier
4.4. Fast Frequency Stabilization Algorithm
4.5. Evaluation of Frequency Fluctuation and Long-Term Frequency Drift
5. Temperature Controller of Atomic Cell
5.1. The Heater Structure and the Heating Scheme
5.2. Evaluation of Temperature Stability
6. Test and Evaluation
7. Conclusions
Author Contributions
Funding
Institutional Review Board Statement
Informed Consent Statement
Data Availability Statement
Acknowledgments
Conflicts of Interest
Abbreviations
| ADC | Analog-to-digital converter |
| AGC | Automatic gain control |
| CL | Collimating Lens |
| Cs | Cesium |
| DAC | Digital-to-analog converter |
| DDS | Direct digital frequency synthesis |
| I-V | Current to voltage |
| MCU | Microcontroller unit |
| OPM | Optically pumped atomic magnetometer |
| PBS | Polarizing beam splitter |
| PD | Photodiode |
| PID | Proportion-integral differential |
| RC | Resistance–capacitance |
| Si | Silicon |
| TEC | Thermo-electric cooler |
| THE | Thermistor |
| VCSEL | Vertical-cavity surface-emitting laser |
References
- Wang, W.; Yang, G.; Liang, S.; Xu, Y.; Wang, Y.; Li, S.; Zhao, W. Study on design of low power control system for atom magnetometer. Aerosp. Shanghai 2017, 34, 47–51. [Google Scholar]
- Zhang, R.; Wu, T.; Chen, J.; Peng, X.; Guo, H. Frequency Response and of Optically Pumped Magnetometer with Nonlinear Zeeman Effect. Appl. Sci. 2020, 10, 7031. [Google Scholar] [CrossRef]
- Groeger, S.; Bison, G.; Schenker, J.L.; Wynands, R.; Weis, A. A high-sensitivity laser-pumped Mx magnetometer. At. Phys. 2006, 38, 239–247. [Google Scholar] [CrossRef]
- Pollinger, A.; Lammegger, R.; Magnes, W.; Hagen, C.; Ellmeier, M.; Jernej, I.; Baumjohann, W. Coupled dark state magnetometer for the China Seismo-Electromagnetic Satellite. Meas. Sci. Technol. 2018, 29, 1361–6501. [Google Scholar] [CrossRef]
- Gerginov, V.; da Silva, F.C.; Hati, A.; Nelson, C. An Atomic Sensor for Direct Detection of Weak Microwave Signals. IEEE Trans. Magn. 2019, 67, 3485–3493. [Google Scholar] [CrossRef]
- Maslennikov, Y.V.; Slobodchikov, V.Y.; Krymov, V.A.; Sukhodrovsky, A.D.; Gulyaev, Y.V. Magnetometric systems and precise magnetic measurements for biomedical applications. Bull. Russ. Acad. Sci. Phys. 2020, 84, 1354–1358. [Google Scholar] [CrossRef]
- Taue, S.; Sugihara, Y.; Kobayashi, T.; Ichihara, S.; Ishikawa, K.; Mizutani, N. Development of a Highly Sensitive Optically Pumped Atomic Magnetometer for Biomagnetic Field Measurements: A Phantom Study. IEEE Trans. Magn. 2010, 46, 3635–3638. [Google Scholar] [CrossRef]
- Groeger, S.; Pazgalev, A.S.; Weis, A. Comparison of discharge lamp and laser pumped cesium magnetometers. Appl. Phys. B 2005, 80, 645–654. [Google Scholar] [CrossRef]
- Baranov, A.A.; Ermak, S.V.; Sagitov, E.A.; Smolin, R.V.; Semenov, V.V. Signal correlation in the tandem of a spin oscillator and microwave frequency discriminator with laser-pumped alkali atoms. Tech. Phys. Lett. 2016, 42, 186–190. [Google Scholar] [CrossRef]
- Dong, G.; Deng, J.; Lin, J.; Zhang, S.; Lin, H.; Wang, Y. Recent improvements on the pulsed optically pumped rubidium clock at SIOM. Chin. Opt. Lett. 2017, 15, 040201. [Google Scholar] [CrossRef]
- Lin, H.; Deng, J.; Lin, J.; Zhang, S.; Wang, Y. Frequency stability of a pulsed optically pumped atomic clock with narrow Ramsey linewidth. Appl. Opt. 2018, 57, 3056. [Google Scholar] [CrossRef]
- Tang, J.; Zhai, Y.; Cao, L.; Zhang, Y.; Li, L.; Zhao, B.; Liu, G. High-sensitivity operation of a single-beam atomic magnetometer for three-axis magnetic field measurement. Opt. Express 2021, 29, 15641. [Google Scholar] [CrossRef]
- Yan, Y.; Liu, G.; Lin, H.; Yin, K.; Wang, K.; Lu, J. VCSEL frequency stabilization for optically pumped magnetometer. Chin. Opt. Lett. 2021, 19, 121407. [Google Scholar] [CrossRef]
- Jin, J.; Guo, S.G. External-cavity diode laser at 1.5 mm with saturated absorption frequency stabilization. Laser Optoelectron. Prog. 2000, 37, 13–18. [Google Scholar]
- Fu, Y.; Fan, W.; Ruan, J.; Liu, Y.; Lu, Z.; Quan, W. Effects of Probe Laser Intensity on Co-Magnetometer Operated in Spin-Exchange Relaxation-Free Regime. IEEE Trans. Instrum. Meas. 2022, 71, 1–7. [Google Scholar] [CrossRef]
- Jia, Y.; Liu, Z.; Chai, Z.; Liang, X.; Wu, W. The Optimization and Stabilization of Pump Light Frequency in the Minimized Atomic Magnetometer. IEEE Trans. Instrum. Meas. 2021, 70, 1–9. [Google Scholar] [CrossRef]
- Tengfei, M.; Yuelong, W.; Zhonghua, J. Frequency stabilized diode laser based on cesium molecular saturated absorption spectroscopy. Chin. J. Lasers 2010, 37, 1182–1185. [Google Scholar] [CrossRef]
- Zhou, Y.; Zeng, L.; Xu, Z.; Li, L.; Qiu, X.; Xu, X. Measurement of the number density of alkali atoms in gyroscope cells. Navig. Position. Timing 2020, 7, 145–150. [Google Scholar]
- Long, C.; Dong, H.B.; Tan, C. Constant temperature control system on inhalation chamber of self-oscillation optically pumped cesium magnetometer. Instrum. Tech. Sens. 2012, 7, 29–34. [Google Scholar]
- Johnson, C.; Schwindt, P.D.; Weisend, M. Magnetoencephalography with a two-color pump-probe, fiber-coupled atomic magnetometer. Appl. Phys. Lett. 2010, 97, 243703. [Google Scholar] [CrossRef]
- Shah, V.; Romalis, M.V. Spin-exchange relaxation-free magnetometry using elliptically polarized light. Phys. Rev. A 2009, 80, 013416. [Google Scholar] [CrossRef]
- Kornack, T.W. A Test of CPT and Lorentz Symmetry Using a K-3He Co-Magnetometer. Ph.D. Thesis, Princeton University, Princeton, NJ, USA, 2005. [Google Scholar]
- IJsselsteijn, R.; Kielpinski, M.; Woetzel, S.; Scholtes, T.; Kessler, E.; Stolz, R.; Meyer, H.G. A full optically operated magnetometer array: An experimental study. Rev. Sci. Instrum. 2012, 83, 113106. [Google Scholar] [CrossRef] [PubMed]
- Wang, H.; Wu, T.; Wang, H.; Liu, Y.; Mao, X.; Peng, X.; Guo, H. All-optical self-oscillating 4 He atomic mangnetometer with optical phase shift. Opt. Express 2020, 28, 15081–15089. [Google Scholar] [CrossRef] [PubMed]
- Hao, S.; Jie, M.; Xiao-feng, L.; Jie, L.; Shou-gang, Z. Compact Frequency Stabilized Laser for Optically Pumped Cs Beam Clocks. Acta Photonica Sin. 2018, 47, 414002. [Google Scholar]
- Zhang, W.; Li, Z.; Guo, P.; Zhao, J. Design of Precise Temperature Control System for Saturated Absorption Frequency Stabilization of DFB Laser. Semicond. Optoelectron. 2020, 41, 560. [Google Scholar]
- Chen, L.; Huang, G.; Yang, G. Design of high stability constant current source circuit design for laser atomic magnetometer. Laser Infrared 2019, 49, 1007–1013. [Google Scholar]
- Shen, L.; Zhang, R.; Wu, T.; Peng, X.; Yu, S.; Chen, J.; Guo, H. Suppression of current source noise with an atomic magnetometer. Rev. Sci. Instrum. 2020, 91, 084701. [Google Scholar] [CrossRef]
- CS-3 High Sensitivity Cs Magnetometer Sensor. Available online: https://scintrexltd.com/product/cs-3-high-resolution-cesium-magnetometer-copy/ (accessed on 6 November 2022).


















| Experiment | t1 | V1 | t2 | V2 | V2 | t |
|---|---|---|---|---|---|---|
| Test 01 | 25 C | 1.327 V | 40 C | 1.084 V | 0.0003 V | 0.018 C |
| Test 02 | 25 C | 1.332 V | 50 C | 0.647 V | 0.0004 V | 0.015 C |
| Test 03 | 25 C | 1.330 V | 60 C | 0.106 V | 0.0002 V | 0.016 C |
| Standard Magnetic Field (/nT) | Tested Instrument (B/nT) |
|---|---|
| 19,739 | 20,063 |
| 40,591 | 40,511 |
| 59,747 | 59,710 |
| 80,267 | 80,268 |
| 100,190 | 98,936 |
Publisher’s Note: MDPI stays neutral with regard to jurisdictional claims in published maps and institutional affiliations. |
© 2022 by the authors. Licensee MDPI, Basel, Switzerland. This article is an open access article distributed under the terms and conditions of the Creative Commons Attribution (CC BY) license (https://creativecommons.org/licenses/by/4.0/).
Share and Cite
Jin, K.; Geng, X.; Liang, Z.; Tang, W.; Xiao, J.; Hu, H.; Huang, G.; Li, G.; Yang, G.; Liang, S. Design of Portable Self-Oscillating VCSEL-Pumped Cesium Atomic Magnetometer. Electronics 2022, 11, 3666. https://doi.org/10.3390/electronics11223666
Jin K, Geng X, Liang Z, Tang W, Xiao J, Hu H, Huang G, Li G, Yang G, Liang S. Design of Portable Self-Oscillating VCSEL-Pumped Cesium Atomic Magnetometer. Electronics. 2022; 11(22):3666. https://doi.org/10.3390/electronics11223666
Chicago/Turabian StyleJin, Kai, Xuxing Geng, Zhi Liang, Wangwang Tang, Jianfeng Xiao, Heng Hu, Guangming Huang, Gaoxiang Li, Guoqing Yang, and Shangqing Liang. 2022. "Design of Portable Self-Oscillating VCSEL-Pumped Cesium Atomic Magnetometer" Electronics 11, no. 22: 3666. https://doi.org/10.3390/electronics11223666
APA StyleJin, K., Geng, X., Liang, Z., Tang, W., Xiao, J., Hu, H., Huang, G., Li, G., Yang, G., & Liang, S. (2022). Design of Portable Self-Oscillating VCSEL-Pumped Cesium Atomic Magnetometer. Electronics, 11(22), 3666. https://doi.org/10.3390/electronics11223666

