Study on the Effect of Hydraulic Energy Storage on the Performance of Electro-Mechanical-Hydraulic Power-Coupled Electric Vehicles
Abstract
1. Background and Significance
1.1. Introduction
1.2. Contribution of This Paper
- Analysis of the structure and operating principle of the EMHCEV;
- Establishing the mathematical modeling of the hydraulic accumulator;
- Completion of the simulation of the whole vehicle and the hydraulic accumulator based on AME Sim;
- Analysis of the hydraulic energy accumulator dynamic whole-vehicle performance and hydraulic power participation behavior.
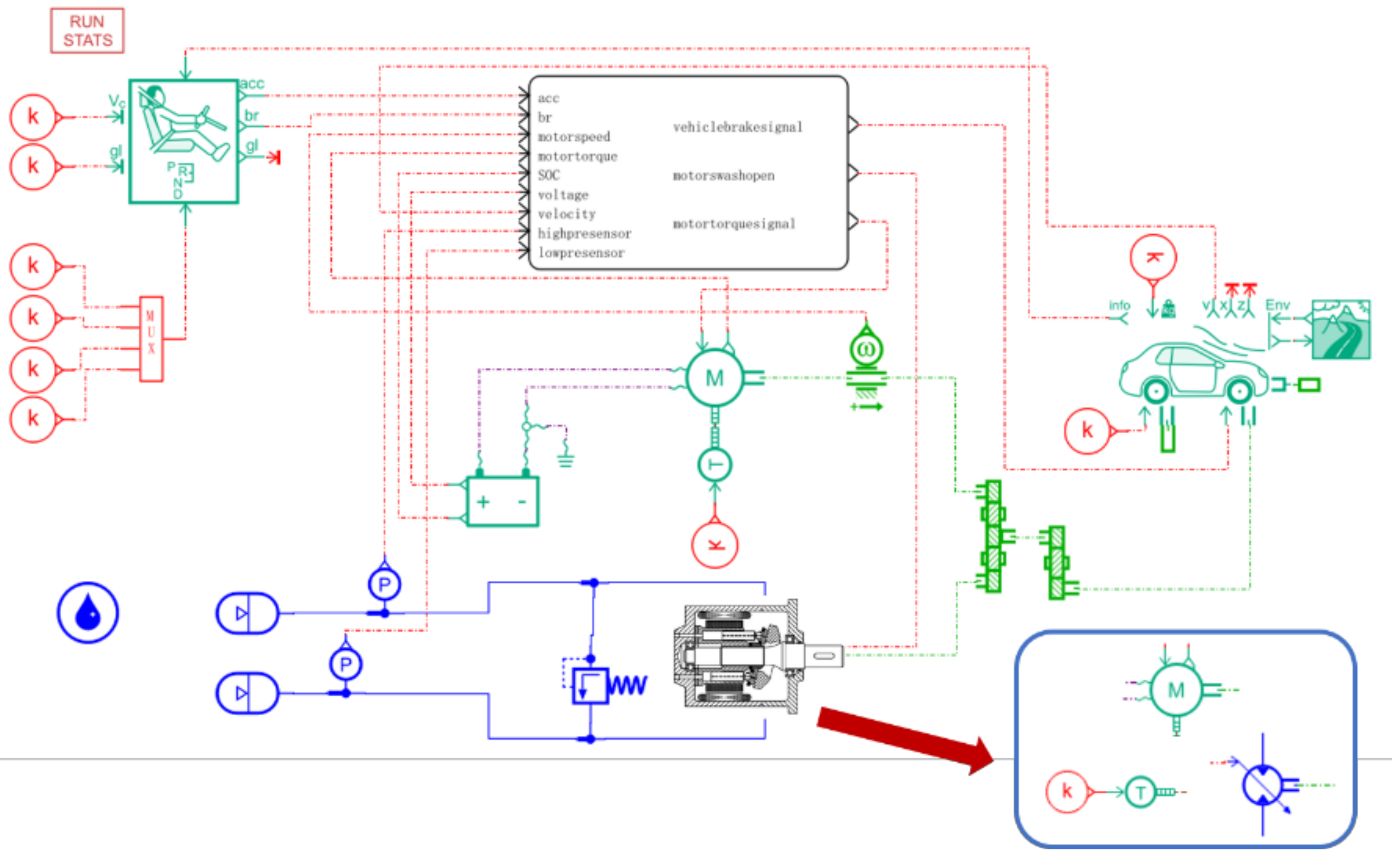
2. Structure and Working Principle of an Electro-Hydraulic Coupling Electric Vehicle
2.1. The Structure of Electro-Hydraulic Coupling Electric Vehicle
2.2. The Working Principle of Electro-Hydraulic Coupling Electric Vehicle
- Parking energy storage: hydraulic power drives the vehicle to start. When the pressure in the hydraulic accumulator is higher than the minimum working pressure of the hydraulic accumulator, then the high-pressure oil in the high-pressure accumulator flows to the low-pressure accumulator through the hydraulic pump/motor, converting the hydraulic energy stored in the hydraulic accumulator into mechanical energy.
- Vehicle acceleration: electric power and hydraulic power coupling output energy together to drive the vehicle. The mechanical energy generated when the vehicle is going downhill or braking is first converted into hydraulic energy by the electromechanical-hydraulic coupler and then recovered and stored in the high-pressure accumulator. When the energy is rich, then the electric motor will convert it into electric energy and recover and store it in the battery pack, thereby improving the efficiency of energy recovery.
- When the vehicle is running at a constant speed: The vehicle is judged according to the actual situation of the working pressure in the hydraulic accumulator. When using hydraulic energy to start the vehicle, the high-pressure fluid in the high-pressure accumulator pushes the hydraulic pump/motor to rotate, converting the hydraulic energy stored in the hydraulic accumulator into mechanical energy and driving the vehicle to start. When uniform speed is reached, the battery pack starts to provide electric energy to the electric motor, and the vehicle is driven by electric power to drive.
- When the vehicle climbs/accelerates: After the vehicle starts, the electric power drives the vehicle into acceleration mode. At this time, the electric energy is converted into mechanical energy through the electric motor, which works simultaneously with the hydraulic power. The two are superimposed in the electromechanical-hydraulic coupling for torque to drive the vehicle at a higher speed.
- When decelerating and braking: The vehicle’s electric motor is used as a generator and the vehicle coasts forward under the action of inertia force. The braking energy is converted into hydraulic energy in the electromechanical-hydraulic coupler and stored in the high-pressure accumulator. At the same time, the electric motor starts to work, converting mechanical energy into electrical energy, which is stored in the battery pack through the power converter.
3. Accumulator Selection
4. Mathematical Modeling
4.1. Hydraulic Accumulator
- Determination of the minimum working pressure P1
- 2.
- Determination of the maximum working pressure P2
- 3.
- Determination of inflation pressure P0
- 4.
- Determination of accumulator volume v0
4.2. Hydraulic Pump/Motor Matching
- Maximum power of hydraulic pump/motor
- 2.
- Maximum torque of hydraulic power
4.3. Electric Motors
- The equations for the mechanical power Pmec and power loss Plost of the motor are
- 2.
- Motor/generator efficiency
4.4. Battery
- The power required to drive the vehicle at a constant speed in purely electric mode is
- 2.
- The energy required to travel a certain distance S over an equal distance is
- 3.
- The stored energy of the battery required for electric vehicles is
- 4.
- The power cell pack energy constraint is
5. Simulation Analysis
5.1. Simulation Methodology
5.2. Determination of Energy Storage Capacity
5.3. Speed Following
5.4. Hydraulic Power Involvement
6. Conclusions
Author Contributions
Funding
Conflicts of Interest
References
- Chen, J.S. Energy efficiency comparison between hydraulic hybrid and hybrid electric vehicles. Energies 2015, 8, 4697–4723. [Google Scholar] [CrossRef]
- Hong, J.C.; Wang, Z.P.; Chen, W.; Wang, L.Y. Multi-fault synergistic diagnosis of battery systems based on the modified multi-scale entropy. Int. J. Energy Res. 2019, 43, 8350–8369. [Google Scholar] [CrossRef]
- Du, R.; Hu, X.; Xie, S.; Hu, L.; Zhang, Z.; Lin, X. Battery aging- and temperature-aware predictive energy management for hybrid electric vehicles. J. Power Sources 2020, 473, 228–568. [Google Scholar] [CrossRef]
- Bai, Y.; He, H.; Li, J.; Li, S.; Wang, Y.X.; Yang, Q. Battery anti-aging control for a plug-in hybrid electric vehicle with a hierarchical optimization energy management strategy. J. Clean. Prod. 2019, 237, 117841. [Google Scholar] [CrossRef]
- Kouchachvili, L.; Yaici, W.; Entchev, E. Hybrid battery/supercapacitor energy storage system for the electric vehicles. J. Power 2018, 374, 237–248. [Google Scholar] [CrossRef]
- Zhuk, V.; Verbovskyi, O.; Popadiuk, I. Experimental Regulating Parameters of Bladder-Type Hydraulic Accumulator. Int. J. Appl. Mech. Eng. 2022, 27, 232–243. [Google Scholar] [CrossRef]
- Hong, J.C.; Wang, Z.P.; Yao, Y.T. Fault prognosis of battery system based on accurate voltage abnormity prognosis using long shout-term memory neural networks. Appl. Energy 2019, 251, 113381. [Google Scholar] [CrossRef]
- Yang, J.; Zhang, T.; Hong, J.; Zhang, H.; Zhao, Q.; Meng, Z. Research on Driving Control Strategy and Fuzzy Logic Optimization of a Novel Mechatronics-Electro-Hydraulic Power Coupling Electric Vehicle. Energy 2021, 233, 121221. [Google Scholar] [CrossRef]
- Yang, J.; Zhang, T.; Zhang, H.; Hong, J.; Meng, Z. Research on the Starting Acceleration Characteristics of a New Mechanical–Electric–Hydraulic Power Coupling Electric Vehicle. Energies 2020, 13, 6279. [Google Scholar] [CrossRef]
- Sun, Y.; Zhang, H.; Yang, J. The Structure Principle and Dynamic Characteristics of Mechanical-Electric-Hydraulic Dynamic Coupling Drive System and Its Application in Electric Vehicle. Electronics 2022, 11, 1601. [Google Scholar] [CrossRef]
- Jin, Y. Realization of hydraulic simulation system of YT4543 machine tool power slide based on Fluid SIM software. J. Beijing Inst. Ind. Technol. 2012, 11, 13–19. [Google Scholar]
- Wan, L.R.; Gong, Y.Q.; Wang, C.L. Study on Hydraulic Circuit Simulation Based on MSC·EASY5 for the Arm of Excavator. J. Adv. Mater. Res. 2011, 1335, 291–294. [Google Scholar] [CrossRef]
- Fang, J.; Yang, G. Simulation and experimental analysis of hydraulic hammer system based on DSH plus. Mach. Tools Hydraul. 2014, 42, 25–29. [Google Scholar]
- Lei, X. Simulation Analysis of Hydraulic System Test Bed of Concrete Pump Truck Boom Based on Hypneu; Guangxi University of Science and Technology: Liuzhou, China, 2019. [Google Scholar]
- Song, C.; Kum, D.; Kim, K.S. Feasibility analysis and performance evaluation of a novel power-split flywheel hybrid vehicle. Energies 2018, 11, 1744. [Google Scholar] [CrossRef]
- Zhou, S.L.; Walker, P.; Zhang, N. Parametric design and regenerative braking control of a parallel hydraulic hybrid vehicle. Mech. Mach. Theory 2019, 146, 103714. [Google Scholar] [CrossRef]
- Zhu, F.Q.; Yang, Z.P.; Lin, F.; Xin, Y. Synthetic optimization of traction power parameters and energy storage systems in urban rail transit. Trans. China Electrotech. Soc. 2019, 3, 579–588. [Google Scholar]
- Ding, G.B.; Shi, Z.Q.; Cui, H.; Huang, Y.S. New Method of Increasing Working Volume of a Certain Type of Hydraulic Accumulator. Appl. Mech. Mater. 2014, 3558, 972–975. [Google Scholar] [CrossRef]
- Zhao, Q.; Zhang, H.; Xin, Y. Research on Control Strategy of Hydraulic Regenerative Braking of Electrohydraulic Hybrid Electric Vehicles. Math. Probl. Eng. 2021, 2021, 5391351. [Google Scholar] [CrossRef]
- Zeng, X.H.; Wu, Z.Q.; Wang, Y.; Song, D.; Li, G. Multi-mode energy management strategy for hydraulic hub-motor auxiliary system based on improved global optimization algorithm. Sci. China Technol. Sci. 2020, 63, 2082–2097. [Google Scholar] [CrossRef]
- Yu, Y.-X.; Ahn, K.K. Energy Regeneration and Reuse of Excavator Swing System with Hydraulic Accumulator. Int. J. Precis. Eng. Manuf.-Green Technol. 2019, 7, 859–873. [Google Scholar] [CrossRef]
- Raja, T.A.S.; Lakshmi, N.S.; Kumar, K.V.S.; Kumar, A.N. Parallel Battery Management System for Electric Vehicles. Int. J. Recent Technol. Eng. (IJRTE) 2020, 8, 4697–4700. [Google Scholar] [CrossRef]
- Xu, L.; He, X.; Shen, X. Improving Energy Recovery Rate of the Regenerative Braking System by Optimization of Influencing Factors. Appl. Sci. 2019, 9, 3807. [Google Scholar] [CrossRef]
- Moral, M.J.; Jaumandreu, J. Automobile demand, model cycle and age effects. Span. Econ. Rev. 2006, 9, 193–218. [Google Scholar] [CrossRef][Green Version]
- Hillesheim, T. Hydraulic Accumulator Increases Driving Comfort and Safety for Forklift Trucks. ATZheavy Duty Worldw. 2020, 13, 40–43. [Google Scholar] [CrossRef]
- Niu, G.; Shang, F.; Krishnamurthy, M.; Garcia, J.M. Evaluation and selection of accumulator size in electric-hydraulic hybrid (EH2) powertrain. In Proceedings of the 2016 IEEE Transportation Electrification Conference and Expo (ITEC), Dearborn, MI, USA, 27–29 June 2016; pp. 1–6. [Google Scholar] [CrossRef]
- Paswan, R.; Das, J.; Kumar, N.; Kumar, A.; Mishra, S.K.; Sujit, K. Simulation Study on Different Energy Efficient Hydraulic System: An Overview. Appl. Mech. Mater. 2014, 3304, 2234–2238. [Google Scholar] [CrossRef]
- Liu, Y.; Xu, Z.; Hua, L.; Zhao, X. Analysis of energy characteristic and working performance of novel controllable hydraulic accumulator with simulation and experimental methods. Energy Convers. Manag. 2020, 221, 113196. [Google Scholar] [CrossRef]
- Pfeffer, A.; Glück, T.; Kemmetmüller, W.; Kugi, A. Mathematical modelling of a hydraulic accumulator for hydraulic hybrid drives. Math. Comput. Model. Dyn. Syst. 2016, 22, 397–411. [Google Scholar] [CrossRef]
- Castellanos, L.S.M.; Noguera, A.L.G.; Velásquez, E.I.G.; Caballero, G.E.C.; Lora, E.E.S.; Cobas, V.R.M. Mathematical modeling of a system composed of parabolic trough solar collectors integrated with a hydraulic energy storage system. Energy 2020, 208, 118255. [Google Scholar] [CrossRef]
- Zhao, Q.; Duan, J.J.; Wang, C. Modeling and Simulation of Vehicle Hydraulic ABS Based on AMEsim. Adv. Mater. Res. 2012, 2075, 441–445. [Google Scholar] [CrossRef]
- Fang, G.H.; Zheng, W.S.; Zhang, L.B. Modeling and Simulation Based on AME Sim and Simulink Electric Hydraulic Power Steering System. Adv. Mater. Res. 2013, 2428, 1150–1153. [Google Scholar] [CrossRef]
- Juhala, J.; Kajaste, J.; Pietola, M. Experimental analysis of heat losses in different types of hydraulic accumulators. In Proceedings of the ASME 8th FPNI Ph.D Symposium on Fluid Power, Lappeenranta, Finland, 11 June 2014; pp. 2014–7838. [Google Scholar]










| Categories | Features |
|---|---|
| Spring Type | The spring-type accumulator converts the oil compression spring into elastic potential energy for energy storage. His structure is simple and low-cost. However, the spring has limited expansion and contraction, and the spring reacts slowly to the pressure action. This kind of accumulator is only suitable for low-pressure systems with small capacity and is mostly used as a buffer device. |
| Weighted | The weighted accumulator uses a mass block on a piston to convert pressure energy into gravitational potential energy. It has a simple structure and stable pressure but has a large installation limitation and can only be installed vertically. It uses a mass block with high inertia. This accumulator has low sensitivity. It is difficult to seal and is only used for temporary energy storage. |
| Contact | A contact-type accumulator has direct contact between oil and gas. This kind of accumulator is responsive, but the oil and gas are mixed, and the oil utilization rate is low. |
| Piston type | The piston accumulator separates the oil from the gas utilizing a piston. This ensures that the oil is not oxidized. The accumulator has a long service life, but the friction that exists between the piston and the inner wall makes it less sensitive. This type of accumulator can be used to adjust the system pressure. |
| Diaphragm type | The diaphragm-type accumulator separates the oil from the inert gas by means of a rubber diaphragm. The elasticity of rubber effectively increases the sensitivity of this type of accumulator. This type of accumulator has a limited filling pressure because of its small capacity and can be used to absorb shock pulsations. |
| Bladder type | The bladder type accumulator uses a bladder to separate the oil from the gas. The capsule is filled with an inert gas (e.g., nitrogen) and the oil is filled outside the capsule. The bladder-type accumulator achieves the discharge of oil through the compressibility of the inert gas. This kind of accumulator has the advantages of small inertia, responsiveness, and good sealing, and its overall structure has various sizes and specifications and is easy to install and maintain. This is also the most widely used accumulator. |
| Parameter (Unit) | Numerical Value |
|---|---|
| Overall vehicle mass m (kg) | 1206 |
| Rolling resistance coefficient f | 0.0135 |
| Air resistance coefficient CD | 0.32 |
| Windward area A (m2) | 2.28 |
| Rotating mass conversion factor δ | 1.05 |
| Mechanical drive efficiency η | 0.85 |
| Tire width R (mm) | 290 |
| Secondary Component Displacement Vp (mL·r−1) | 30 |
| Motor traction power Pe (KW) | 32 |
Publisher’s Note: MDPI stays neutral with regard to jurisdictional claims in published maps and institutional affiliations. |
© 2022 by the authors. Licensee MDPI, Basel, Switzerland. This article is an open access article distributed under the terms and conditions of the Creative Commons Attribution (CC BY) license (https://creativecommons.org/licenses/by/4.0/).
Share and Cite
Chen, Y.; Zhang, T.; Zhang, H.; Zhang, Z.; Jia, Q.; Chen, H.; Xu, H.; Zhang, Y. Study on the Effect of Hydraulic Energy Storage on the Performance of Electro-Mechanical-Hydraulic Power-Coupled Electric Vehicles. Electronics 2022, 11, 3344. https://doi.org/10.3390/electronics11203344
Chen Y, Zhang T, Zhang H, Zhang Z, Jia Q, Chen H, Xu H, Zhang Y. Study on the Effect of Hydraulic Energy Storage on the Performance of Electro-Mechanical-Hydraulic Power-Coupled Electric Vehicles. Electronics. 2022; 11(20):3344. https://doi.org/10.3390/electronics11203344
Chicago/Turabian StyleChen, Yihui, Tiezhu Zhang, Hongxin Zhang, Zhen Zhang, Qingxiao Jia, Hao Chen, Haigang Xu, and Yanjun Zhang. 2022. "Study on the Effect of Hydraulic Energy Storage on the Performance of Electro-Mechanical-Hydraulic Power-Coupled Electric Vehicles" Electronics 11, no. 20: 3344. https://doi.org/10.3390/electronics11203344
APA StyleChen, Y., Zhang, T., Zhang, H., Zhang, Z., Jia, Q., Chen, H., Xu, H., & Zhang, Y. (2022). Study on the Effect of Hydraulic Energy Storage on the Performance of Electro-Mechanical-Hydraulic Power-Coupled Electric Vehicles. Electronics, 11(20), 3344. https://doi.org/10.3390/electronics11203344

