Overview of Virtual Synchronous Generators: Existing Projects, Challenges, and Future Trends
Abstract
:1. Introduction
- Discuss the concept of VSG and its application in power systems and how this technology enhances the stability of the power systems.
- Highlight some projects worldwide that have adopted the VSG control algorithms.
- Highlight the contemporary technical challenges that face researchers.
- Provide future directions for this research topic for those interested in academia and industry.
2. Replication of A SG Model in VSC Control
2.1. Machine Inertia Response
2.2. Synchronverter Technology
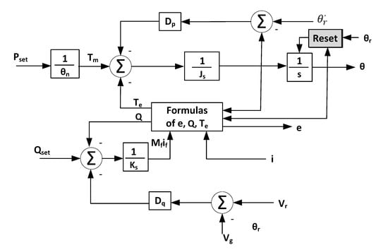
2.3. VSG Characteristics, Fundamentals and Controls
- As seen in the block diagram in Figure 3, the VSG controls the active power in accordance with a frequency deviation error to provide damping.
- The derivative of the gain, , is set to be modifiable from 0 to 15 s in the machine base (values/unit).
- The response of the speed derivative is set to around 50 ms, with the possibility of increasing the active power from the facility by 0.05 pu.
- At every control instant, the active power should increase by from the previous value before the disturbance within a certain range, whose increase is adjustable from 0% (i.e., the block is not in use) to 10% of the facility’s nominal apparent power. Furthermore, the control must reduce the power output using the same values as the increment.
- The stored energy must be available in the facility to provide the required increase or decrease . The energy storage in the facility absorbs or supplies power equivalent to 10% of the apparent nominal power for at least 2 s.
- When the voltage is below 0.85 pu, derivative gain should be deactivated (taken out of service).
- The system operator determines the setting to be used depending on the prevailing requests of the electrical system.
2.4. VSG with Diesel Generator Participation in Microgrid
2.5. VSG with Renewable Energy Generation in Microgrid
3. Review of the Existing VSG Applications
3.1. VSG Topology of VSYNC
3.2. VSG Topology of IEPE
3.3. Topology of VSG for ISE Labs
3.4. Topology of VSG Based on KHI Framework
3.5. Summary of the Discussed Topologies
4. VSG Applications
4.1. VSG Based on Frequency Control System
4.2. Reference Frame Orientation of VSG
5. Research Technical Challenges
6. Future Trends and Direction
- Using ESS for emulating inertia is effective for frequency support [84]. However, forming a hybrid ESS that combines batteries with different storage methods, such as ultracapacitors, would give more flexibility and better utilization of power and energy in cases where the support of the batteries is insufficient [83]. Studying the optimal size and type of ESS is crucial for the practical implementation of VSG [85].
- Instead of a single VSG, employing multiple VSG controls and technologies in the same system will increase the robustness of the system reaction during disturbances. One issue with this suggestion is the need to achieve an optimal operation between the VSGs. In other words, it requires more regulation to determine the amount of inertia that is needed [86].
- Enhancing the measurement methods in speed and accuracy is paramount for a reliable VSG operation. For example, in the case of frequency deviation, the response of VSG control depends on the fast measurement of the ROCOF [87]. As a result, the improvement of the VSG controls requires advanced measuring and computing techniques for controlling the power system via VSG units [15].
- Further studies need to be conducted in transmission systems where low inertia is more challenging in a large grid. In microgrid applications, we do not need much storage to solve the inertia reduction. However, the amount of energy we need is a more significant challenge in large grids. If we want grid-forming control and virtual inertia, this is a colossal coordination issue and a challenging control problem to ensure these controllers do not fight each other.
- Discovering new inertia support technologies is an open window for future grids, which could be more effective and economical than the ongoing methods. One of these technologies is the use of the electric vehicle charging station for emulating inertia. There is not much research on this aspect; however, some researchers have proposed this concept [88].
7. Conclusions
Author Contributions
Funding
Institutional Review Board Statement
Informed Consent Statement
Data Availability Statement
Conflicts of Interest
References
- Meng, L.; Savaghebi, M.; Andrade, F.; Vasquez, J.C.; Guerrero, J.M.; Graells, M. Microgrid central controller development and hierarchical control implementation in the intelligent microgrid lab of Aalborg University. In Proceedings of the 2015 IEEE Applied Power Electronics Conference and Exposition (APEC), Charlotte, NC, USA, 15–19 March 2015; pp. 2585–2592. [Google Scholar] [CrossRef]
- Liu, J.; Miura, Y.; Bevrani, H.; Ise, T. Enhanced virtual synchronous generator control for parallel inverters in microgrids. IEEE Trans. Smart Grid 2016, 8, 2268–2277. [Google Scholar] [CrossRef]
- Zhao, H.; Yang, Q.; Zeng, H. Multi-loop virtual synchronous generator control of inverter-based DGs under microgrid dynamics. IET Gener. Transm. Distrib. 2017, 11, 795–803. [Google Scholar] [CrossRef]
- Khatibi, M.; Ahmed, S.; Kang, N. Multi-Mode Operation and Control of a Z-Source Virtual Synchronous Generator in PV Systems. IEEE Access 2021, 9, 53003–53012. [Google Scholar] [CrossRef]
- Fang, J.; Tang, Y.; Li, H.; Li, X. A battery/ultracapacitor hybrid energy storage system for implementing the power management of virtual synchronous generators. IEEE Trans. Power Electron. 2017, 33, 2820–2824. [Google Scholar] [CrossRef]
- Fang, J.; Lin, P.; Li, H.; Yang, Y.; Tang, Y. An improved virtual inertia control for three-phase voltage source converters connected to a weak grid. IEEE Trans. Power Electron. 2018, 34, 8660–8670. [Google Scholar] [CrossRef]
- Zhao, L.C.; Zou, H.X.; Gao, Q.H.; Yan, G.; Liu, F.R.; Tan, T.; Wei, K.X.; Zhang, W.M. Magnetically modulated orbit for human motion energy harvesting. Appl. Phys. Lett. 2019, 115, 263902. [Google Scholar] [CrossRef]
- Zhao, L.C.; Zou, H.X.; Yan, G.; Liu, F.R.; Tan, T.; Zhang, W.M.; Peng, Z.K.; Meng, G. A water-proof magnetically coupled piezoelectric-electromagnetic hybrid wind energy harvester. Appl. Energy 2019, 239, 735–746. [Google Scholar] [CrossRef]
- Ajala, O.; Baeckeland, N.; Dhople, S.; Domínguez-García, A. Uncovering the Kuramoto Model from Full-order Models of Grid-forming Inverter-based Power Networks. In Proceedings of the 2021 60th IEEE Conference on Decision and Control (CDC), Austin, TX, USA, 14–17 December 2021; pp. 4944–4949. [Google Scholar] [CrossRef]
- Pierre, B.J.; Villegas Pico, H.N.; Elliott, R.T.; Flicker, J.; Lin, Y.; Johnson, B.B.; Eto, J.H.; Lasseter, R.H.; Ellis, A. Bulk Power System Dynamics with Varying Levels of Synchronous Generators and Grid-Forming Power Inverters. In Proceedings of the 2019 IEEE 46th Photovoltaic Specialists Conference (PVSC), Chicago, IL, USA, 16–21 June 2019; pp. 0880–0886. [Google Scholar] [CrossRef]
- Wen, T.; Zhu, D.; Zou, X.; Jiang, B.; Peng, L.; Kang, Y. Power coupling mechanism analysis and improved decoupling control for virtual synchronous generator. IEEE Trans. Power Electron. 2020, 36, 3028–3041. [Google Scholar] [CrossRef]
- Fang, J.; Li, H.; Tang, Y.; Blaabjerg, F. Distributed power system virtual inertia implemented by grid-connected power converters. IEEE Trans. Power Electron. 2017, 33, 8488–8499. [Google Scholar] [CrossRef]
- Quan, X.; Huang, A.Q.; Yu, H. A Novel Order Reduced Synchronous Power Control for Grid-Forming Inverters. IEEE Trans. Ind. Electron. 2019, 67, 10989–10995. [Google Scholar] [CrossRef]
- Dragičević, T.; Lu, X.; Vasquez, J.C.; Guerrero, J.M. DC microgrids—Part I: A review of control strategies and stabilization techniques. IEEE Trans. Power Electron. 2015, 31, 4876–4891. [Google Scholar]
- Magdy, G.; Bakeer, A.; Nour, M.; Petlenkov, E. A new virtual synchronous generator design based on the SMES system for frequency stability of low-inertia power grids. Energies 2020, 13, 5641. [Google Scholar] [CrossRef]
- Yan, X.; Mohamed, S.Y.A. Comparison of virtual synchronous generators dynamic responses. In Proceedings of the 2018 IEEE 12th International Conference on Compatibility, Power Electronics and Power Engineering (CPE-POWERENG 2018), Doha, Qatar, 10–12 April 2018; pp. 1–6. [Google Scholar] [CrossRef]
- Raisz, D.; Musa, A.; Ponci, F.; Monti, A. Linear and uniform swing dynamics. IEEE Trans. Sustain. Energy 2019, 10, 1513–1522. [Google Scholar] [CrossRef]
- Kundur, P.; Paserba, J.; Ajjarapu, V.; Andersson, G.; Bose, A.; Canizares, C.; Hatziargyriou, N.; Hill, D.; Stankovic, A.; Taylor, C.; et al. Definition and classification of power system stability IEEE/CIGRE joint task force on stability terms and definitions. IEEE Trans. Power Syst. 2004, 19, 1387–1401. [Google Scholar] [CrossRef]
- IEEE Power Engineering Society. Stability Definitions and Characterization of Dynamic Behavior in Systems with High Penetration of Power Electronic Interfaced Technologies; Report Number: PES-TR77; IEEE: Piscataway, NJ, USA, 2020; pp. 1–42. [Google Scholar]
- Mohammed, O.; Otuoze, A.; Salisu, S.; Ibrahim, O.; Rufa’i, N. Virtual synchronous generator: An overview. Niger. J. Technol. 2019, 38, 153–164. [Google Scholar] [CrossRef]
- Wang, W.; Jiang, L.; Cao, Y.; Li, Y. A parameter alternating VSG controller of VSC-MTDC systems for low frequency oscillation damping. IEEE Trans. Power Syst. 2020, 35, 4609–4621. [Google Scholar] [CrossRef]
- Mir, A.S.; Senroy, N. Self-tuning neural predictive control scheme for ultrabattery to emulate a virtual synchronous machine in autonomous power systems. IEEE Trans. Neural Netw. Learn. Syst. 2019, 31, 136–147. [Google Scholar] [CrossRef]
- Machowski, J.; Lubosny, Z.; Bialek, J.W.; Bumby, J.R. Power System Dynamics: Stability and Control; John Wiley & Sons: New York, NY, USA, 2020. [Google Scholar]
- Shi, K.; Ye, H.; Song, W.; Zhou, G. Virtual inertia control strategy in microgrid based on virtual synchronous generator technology. IEEE Access 2018, 6, 27949–27957. [Google Scholar] [CrossRef]
- Karimi, A.; Khayat, Y.; Naderi, M.; Dragičević, T.; Mirzaei, R.; Blaabjerg, F.; Bevrani, H. Inertia response improvement in AC microgrids: A fuzzy-based virtual synchronous generator control. IEEE Trans. Power Electron. 2019, 35, 4321–4331. [Google Scholar] [CrossRef]
- Liu, J.; Miura, Y.; Ise, T. Comparison of dynamic characteristics between virtual synchronous generator and droop control in inverter-based distributed generators. IEEE Trans. Power Electron. 2015, 31, 3600–3611. [Google Scholar] [CrossRef]
- Xia, Y.; He, Y.; Wang, K.; Pei, W.; Blazic, Z.; Mandic, D.P. A complex least squares enhanced smart DFT technique for power system frequency estimation. IEEE Trans. Power Deliv. 2015, 32, 1270–1278. [Google Scholar] [CrossRef]
- Zhong, Q.C.; Nguyen, P.L.; Ma, Z.; Sheng, W. Self-synchronized synchronverters: Inverters without a dedicated synchronization unit. IEEE Trans. Power Electron. 2013, 29, 617–630. [Google Scholar] [CrossRef]
- Sonawane, A.J.; Umarikar, A.C. Small-signal stability analysis of PV-based synchronverter including PV operating modes and DC-link voltage controller. IEEE Trans. Power Electron. 2021, 29, 8028–8039. [Google Scholar] [CrossRef]
- Zhong, Q.C.; Konstantopoulos, G.C.; Ren, B.; Krstic, M. Improved synchronverters with bounded frequency and voltage for smart grid integration. IEEE Trans. Smart Grid 2016, 9, 786–796. [Google Scholar] [CrossRef]
- Shintai, T.; Miura, Y.; Ise, T. Oscillation damping of a distributed generator using a virtual synchronous generator. IEEE Trans. Power Deliv. 2014, 29, 668–676. [Google Scholar] [CrossRef]
- Zhong, Q.C. Virtual Synchronous Machines: A unified interface for grid integration. IEEE Power Electron. Mag. 2016, 3, 18–27. [Google Scholar] [CrossRef]
- Nejabatkhah, F.; Li, Y.W. Overview of power management strategies of hybrid AC/DC microgrid. IEEE Trans. Power Electron. 2014, 30, 7072–7089. [Google Scholar] [CrossRef]
- Alipoor, J.; Miura, Y.; Ise, T. Power system stabilization using virtual synchronous generator with alternating moment of inertia. IEEE J. Emerg. Sel. Top. Power Electron. 2014, 3, 451–458. [Google Scholar] [CrossRef]
- Ashabani, M.; Freijedo, F.D.; Golestan, S.; Guerrero, J.M. Inducverters: PLL-less converters with auto-synchronization and emulated inertia capability. IEEE Trans. Smart Grid 2015, 7, 1660–1674. [Google Scholar] [CrossRef]
- Teodorescu, R.; Liserre, M.; Rodriguez, P. Grid Converters for Photovoltaic and Wind Power Systems; John Wiley & Sons: New York, NY, USA, 2011; Volume 29. [Google Scholar]
- Fathi, A.; Shafiee, Q.; Bevrani, H. Robust frequency control of microgrids using an extended virtual synchronous generator. IEEE Trans. Power Syst. 2018, 33, 6289–6297. [Google Scholar] [CrossRef]
- Rakhshani, E.; Rodriguez, P. Inertia emulation in AC/DC interconnected power systems using derivative technique considering frequency measurement effects. IEEE Trans. Power Syst. 2016, 32, 3338–3351. [Google Scholar] [CrossRef]
- Al-Shetwi, A.Q.; Sujod, M.Z. Grid-connected photovoltaic power plants: A review of the recent integration requirements in modern grid codes. Int. J. Energy Res. 2018, 42, 1849–1865. [Google Scholar] [CrossRef]
- Zuo, Y.; Frigo, G.; Derviškadić, A.; Paolone, M. Impact of synchrophasor estimation algorithms in ROCOF-based under-frequency load-shedding. IEEE Trans. Power Syst. 2019, 35, 1305–1316. [Google Scholar] [CrossRef]
- Aderibole, A.; Zeineldin, H.H.; El-Moursi, M.S.; Peng, J.C.H.; Al Hosani, M. Domain of stability characterization for hybrid microgrids considering different power sharing conditions. IEEE Trans. Energy Convers. 2017, 33, 312–323. [Google Scholar] [CrossRef]
- Peng, Z.; Wang, J.; Dai, Y.; Wen, Y.; Shen, Z.J.; Li, Z.; Bi, D. Improved virtual synchronous generator control strategy for seamless switching. In Proceedings of the 2018 IEEE Applied Power Electronics Conference and Exposition (APEC), San Antonio, TX, USA, 4–8 March 2018; pp. 1003–1007. [Google Scholar]
- Xing, P.; Jia, X.; Jiang, X.; Mao, Y.; Xu, C.; Liu, W. Virtual Synchronous Generator with Self-adaptive Power Regulation Ability in Microgrid. In Proceedings of the 2021 IEEE 4th International Electrical and Energy Conference (CIEEC), Wuhan, China, 28–30 May 2021; pp. 1–5. [Google Scholar]
- Zhang, Q.; Li, Y.; Ding, Z.; Xie, W.; Li, C. Self-adaptive secondary frequency regulation strategy of micro-grid with multiple virtual synchronous generators. IEEE Trans. Ind. Appl. 2020, 56, 6007–6018. [Google Scholar] [CrossRef]
- Smadi, A.A.; Lei, H.; Johnson, B.K. Distribution system harmonic mitigation using a pv system with hybrid active filter features. In Proceedings of the 2019 North American Power Symposium (NAPS), Wichita, KS, USA, 13–15 October 2019; pp. 1–6. [Google Scholar]
- Rehman, H.U.; Yan, X.; Abdelbaky, M.A.; Jan, M.U.; Iqbal, S. An advanced virtual synchronous generator control technique for frequency regulation of grid-connected PV system. Int. J. Electr. Power Energy Syst. 2021, 125, 106440. [Google Scholar] [CrossRef]
- Gadde, P.H.; Gani, M.B.; Enslin, J.H. An AC/DC hybrid campus microgrid: Modelling, control and financial analysis. In Proceedings of the 2021 IEEE 12th International Symposium on Power Electronics for Distributed Generation Systems (PEDG), Virtual. 28 June–1 July 2021; pp. 1–7. [Google Scholar]
- Xu, H.; Su, J.; Liu, N.; Shi, Y. A grid-supporting photovoltaic system implemented by a VSG with energy storage. Energies 2018, 11, 3152. [Google Scholar] [CrossRef] [Green Version]
- Guan, M.; Pan, W.; Zhang, J.; Hao, Q.; Cheng, J.; Zheng, X. Synchronous generator emulation control strategy for voltage source converter (VSC) stations. IEEE Trans. Power Syst. 2015, 30, 3093–3101. [Google Scholar] [CrossRef]
- Han, H.; Hou, X.; Yang, J.; Wu, J.; Su, M.; Guerrero, J.M. Review of power sharing control strategies for islanding operation of AC microgrids. IEEE Trans. Smart Grid 2015, 7, 200–215. [Google Scholar] [CrossRef]
- Lopes, L.A. Self-tuning virtual synchronous machine: A control strategy for energy storage systems to support dynamic frequency control. IEEE Trans. Energy Convers. 2014, 29, 833–840. [Google Scholar]
- Wang, X.; Blaabjerg, F.; Wu, W. Modeling and analysis of harmonic stability in an AC power-electronics-based power system. IEEE Trans. Power Electron. 2014, 29, 6421–6432. [Google Scholar] [CrossRef]
- Van, T.V.; Visscher, K.; Diaz, J.; Karapanos, V.; Woyte, A.; Albu, M.; Bozelie, J.; Loix, T.; Federenciuc, D. Virtual synchronous generator: An element of future grids. In Proceedings of the 2010 IEEE PES Innovative Smart Grid Technologies Conference Europe (ISGT Europe), Gothenburg, Sweden, 11–13 October 2010; pp. 1–7. [Google Scholar]
- Lu, L.; Cutululis, N.A. Virtual synchronous machine control for wind turbines: A review. J. Phys. Conf. Ser. 2019, 1356, 012028. [Google Scholar] [CrossRef]
- Karapanos, V.; de Haan, S.; Zwetsloot, K. Real time simulation of a power system with VSG hardware in the loop. In Proceedings of the IECON 2011—37th Annual Conference of the IEEE Industrial Electronics Society, Melbourne, Australia, 7–10 November 2011; pp. 3748–3754. [Google Scholar]
- Karapanos, V.; de Haan, S.; Zwetsloot, K. Testing a virtual synchronous generator in a real time simulated power system. In Proceedings of the International Conference on Power Systems Transients (IPST), Delft, The Netherlands, 14–17 June 2011. [Google Scholar]
- Hirase, Y.; Abe, K.; Sugimoto, K.; Shindo, Y. A grid-connected inverter with virtual synchronous generator model of algebraic type. Electr. Eng. Jpn. 2013, 184, 10–21. [Google Scholar] [CrossRef]
- Sakimoto, K.; Miura, Y.; Ise, T. Stabilization of a power system with a distributed generator by a virtual synchronous generator function. In Proceedings of the 8th IEEE International Conference on Power Electronics-ECCE Asia, Jeju, Korea, 30 May–3 June 2011; pp. 1498–1505. [Google Scholar]
- Van Wesenbeeck, M.; De Haan, S.; Varela, P.; Visscher, K. Grid tied converter with virtual kinetic storage. In Proceedings of the 2009 IEEE Bucharest PowerTech, Bucharest, Romania, 28 June–2 July 2009; pp. 1–7. [Google Scholar]
- Chen, Y.; Hesse, R.; Turschner, D.; Beck, H.P. Comparison of methods for implementing virtual synchronous machine on inverters. In Proceedings of the International Conference on Renewable Energies and Power Quality, Bilbao, Spain, 20–22 March 2012; Volume 1, pp. 414–424. [Google Scholar]
- Liang, X. Emerging power quality challenges due to integration of renewable energy sources. IEEE Trans. Ind. Appl. 2016, 53, 855–866. [Google Scholar] [CrossRef]
- Liu, J.; Miura, Y.; Ise, T. A novel oscillation damping method of virtual synchronous generator control without PLL using pole placement. In Proceedings of the 2018 IEEE International Power Electronics Conference (IPEC-Niigata 2018-ECCE Asia), Niigata, Japan, 20–24 May 2018; pp. 775–781. [Google Scholar]
- Al-Tameemi, M.; Liu, J.; Bevrani, H.; Ise, T. A dual VSG-based M3C control scheme for frequency regulation support of a remote ac grid via low-frequency ac transmission system. IEEE Access 2020, 8, 66085–66094. [Google Scholar] [CrossRef]
- Cheema, K.M. A comprehensive review of virtual synchronous generator. Int. J. Electr. Power Energy Syst. 2020, 120, 106006. [Google Scholar] [CrossRef]
- Liu, J.; Golpira, H.; Bevrani, H.; Ise, T. Grid Integration Evaluation of Virtual Synchronous Generators Using a Disturbance-Oriented Unified Modeling Approach. IEEE Trans. Power Syst. 2021, 36, 4660–4671. [Google Scholar] [CrossRef]
- Saeedian, M.; Eskandari, B.; Rouzbehi, K.; Taheri, S.; Pouresmaeil, E. Employing Virtual Synchronous Generator with a New Control Technique for Grid Frequency Stabilization. In Proceedings of the 2020 22nd IEEE European Conference on Power Electronics and Applications (EPE’20 ECCE Europe), Virtual. 7–11 September 2020; pp. 1–8. [Google Scholar]
- Mo, O.; D’Arco, S.; Suul, J.A. Evaluation of virtual synchronous machines with dynamic or quasi-stationary machine models. IEEE Trans. Ind. Electron. 2016, 64, 5952–5962. [Google Scholar] [CrossRef] [Green Version]
- D’Arco, S.; Suul, J.A.; Fosso, O.B. A Virtual Synchronous Machine implementation for distributed control of power converters in SmartGrids. Electr. Power Syst. Res. 2015, 122, 180–197. [Google Scholar] [CrossRef]
- Yan, X.; Zhang, X.; Zhang, B.; Ma, Y.; Wu, M. Research on distributed PV storage virtual synchronous generator system and its static frequency characteristic analysis. Appl. Sci. 2018, 8, 532. [Google Scholar] [CrossRef]
- Yazdani, A.; Iravani, R. Voltage-Sourced Converters in Power Systems; Wiley Online Library: New York, NY, USA, 2010; Volume 34. [Google Scholar]
- Hamed, H.A.; Abdou, A.F.; Acharya, S.; El Moursi, M.S.; El-Kholy, E. A novel dynamic switching table based direct power control strategy for grid connected converters. IEEE Trans. Energy Convers. 2018, 33, 1086–1097. [Google Scholar] [CrossRef]
- Wu, H.; Wang, S.; Zhao, B.; Zhu, C. Energy management and control strategy of a grid-connected PV/battery system. Int. Trans. Electr. Energy Syst. 2015, 25, 1590–1602. [Google Scholar] [CrossRef]
- Badreldien, M.M.; Johnson, B.K. Virtual Synchronous Generator Controller for Solar Photovoltaic System. In Proceedings of the 2021 IEEE Electrical Power and Energy Conference (EPEC), Toronto, ON, Canada, 22–24 October 2021; pp. 480–485. [Google Scholar]
- Gui, Y.; Wang, X.; Blaabjerg, F. Vector current control derived from direct power control for grid-connected inverters. IEEE Trans. Power Electron. 2018, 34, 9224–9235. [Google Scholar] [CrossRef]
- Poza, J.; Oyarbide, E.; Roye, D. New vector control algorithm for brushless doubly-fed machines. In Proceedings of the 2002 IEEE 28th Annual Conference of the Industrial Electronics Society (IECON 02), Sevilla, Spain, 5–8 November 2002; Volume 2, pp. 1138–1143. [Google Scholar]
- D’Arco, S.; Suul, J.A. Small-signal analysis of an isolated power system controlled by a virtual synchronous machine. In Proceedings of the 2016 IEEE International Power Electronics and Motion Control Conference (PEMC), Varna, Bulgaria, 25–28 September 2016; pp. 462–469. [Google Scholar]
- Zhang, X.; Xia, D.; Fu, Z.; Wang, G.; Xu, D. An improved feedforward control method considering PLL dynamics to improve weak grid stability of grid-connected inverters. IEEE Trans. Ind. Appl. 2018, 54, 5143–5151. [Google Scholar] [CrossRef]
- Golestan, S.; Joorabian, M.; Rastegar, H.; Roshan, A.; Guerrero, J.M. Droop based control of parallel-connected single-phase inverters in DQ rotating frame. In Proceedings of the 2009 IEEE International Conference on Industrial Technology, Churchill, VIC, Australia, 10–13 February 2009; pp. 1–6. [Google Scholar]
- Armin, M.; Roy, P.N.; Sarkar, S.K.; Das, S.K. LMI-based robust PID controller design for voltage control of islanded microgrid. Asian J. Control 2018, 20, 2014–2025. [Google Scholar] [CrossRef]
- Kim, J.Y.; Kim, H.M.; Kim, S.K.; Jeon, J.H.; Choi, H.K. Designing an energy storage system fuzzy PID controller for microgrid islanded operation. Energies 2011, 4, 1443–1460. [Google Scholar] [CrossRef]
- Rocabert, J.; Luna, A.; Blaabjerg, F.; Rodríguez, P. Control of Power Converters in AC Microgrids. IEEE Trans. Power Electron. 2012, 27, 4734–4749. [Google Scholar] [CrossRef]
- Blaabjerg, F.; Yang, Y.; Yang, D.; Wang, X. Distributed Power-Generation Systems and Protection. Proc. IEEE 2017, 105, 1311–1331. [Google Scholar] [CrossRef] [Green Version]
- Fang, J.; Tang, Y.; Li, H.; Blaabjerg, F. The Role of Power Electronics in Future Low Inertia Power Systems. In Proceedings of the 2018 IEEE International Power Electronics and Application Conference and Exposition (PEAC), Shenzhen, China, 4–7 November 2018; pp. 1–6. [Google Scholar] [CrossRef]
- Delille, G.; Francois, B.; Malarange, G. Dynamic Frequency Control Support by Energy Storage to Reduce the Impact of Wind and Solar Generation on Isolated Power System’s Inertia. IEEE Trans. Sustain. Energy 2012, 3, 931–939. [Google Scholar] [CrossRef]
- Sockeel, N.; Gafford, J.; Papari, B.; Mazzola, M. Virtual inertia emulator-based model predictive control for grid frequency regulation considering high penetration of inverter-based energy storage system. IEEE Trans. Sustain. Energy 2020, 11, 2932–2939. [Google Scholar] [CrossRef]
- Chen, M.; Zhou, D.; Blaabjerg, F. Modelling, Implementation, and Assessment of Virtual Synchronous Generator in Power Systems. J. Mod. Power Syst. Clean Energy 2020, 8, 399–411. [Google Scholar] [CrossRef]
- Frigo, G.; Derviškadić, A.; Zuo, Y.; Paolone, M. PMU-based ROCOF measurements: Uncertainty limits and metrological significance in power system applications. IEEE Trans. Instrum. Meas. 2019, 68, 3810–3822. [Google Scholar] [CrossRef]
- Suul, J.A.; D’Arco, S.; Guidi, G. Virtual Synchronous Machine-Based Control of a Single-Phase Bi-Directional Battery Charger for Providing Vehicle-to-Grid Services. IEEE Trans. Ind. Appl. 2016, 52, 3234–3244. [Google Scholar] [CrossRef] [Green Version]












| VSG Topology | Requested Signals | Control Loops | Notes | ||||||||
|---|---|---|---|---|---|---|---|---|---|---|---|
| SOC | |||||||||||
| VSYNC | * | * | * | * | Differential_equ. PLL | Employs ESS and requires gain settings | |||||
| IEPE | * | * | * | SG_model | Sensitive to transient current and suitable for islanded mode | ||||||
| ISE Lab | * | * | * | * | Swing_equation. | Easier to implement | |||||
| KHI | * | * | * | * | Phasor_current Swing_equation. PLL | Envolves multiple control loops (complicated) | |||||
Publisher’s Note: MDPI stays neutral with regard to jurisdictional claims in published maps and institutional affiliations. |
© 2022 by the authors. Licensee MDPI, Basel, Switzerland. This article is an open access article distributed under the terms and conditions of the Creative Commons Attribution (CC BY) license (https://creativecommons.org/licenses/by/4.0/).
Share and Cite
Abuagreb, M.; Allehyani, M.F.; Johnson, B.K. Overview of Virtual Synchronous Generators: Existing Projects, Challenges, and Future Trends. Electronics 2022, 11, 2843. https://doi.org/10.3390/electronics11182843
Abuagreb M, Allehyani MF, Johnson BK. Overview of Virtual Synchronous Generators: Existing Projects, Challenges, and Future Trends. Electronics. 2022; 11(18):2843. https://doi.org/10.3390/electronics11182843
Chicago/Turabian StyleAbuagreb, Mohamed, Mohammed F. Allehyani, and Brian K. Johnson. 2022. "Overview of Virtual Synchronous Generators: Existing Projects, Challenges, and Future Trends" Electronics 11, no. 18: 2843. https://doi.org/10.3390/electronics11182843
APA StyleAbuagreb, M., Allehyani, M. F., & Johnson, B. K. (2022). Overview of Virtual Synchronous Generators: Existing Projects, Challenges, and Future Trends. Electronics, 11(18), 2843. https://doi.org/10.3390/electronics11182843

