Control and Research Based on Improved LADRC in Wind Power Inverter Systems
Abstract
:1. Introduction
2. Mathematical Modelling of Wind Power Systems
2.1. Permanent Magnet Synchronous Generator Structure and Mathematical Model
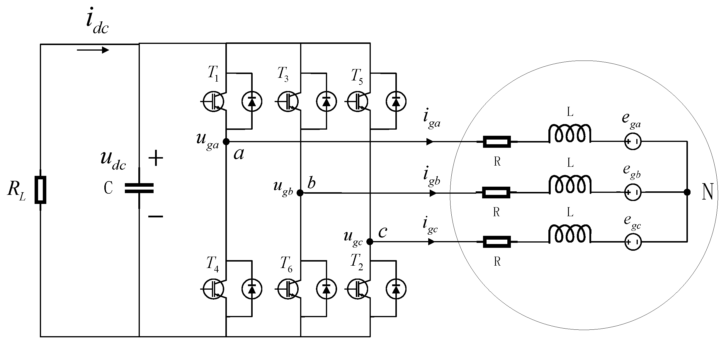
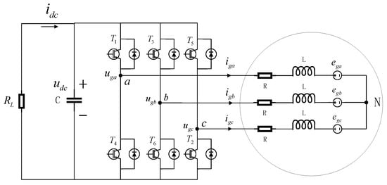
2.2. Net-Side Inverter Structure and Mathematical Model
2.3. DC Link Modelling
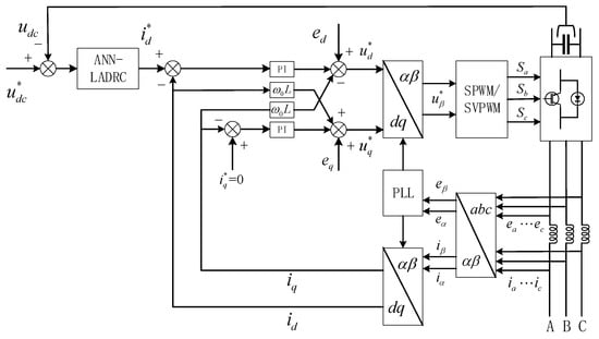
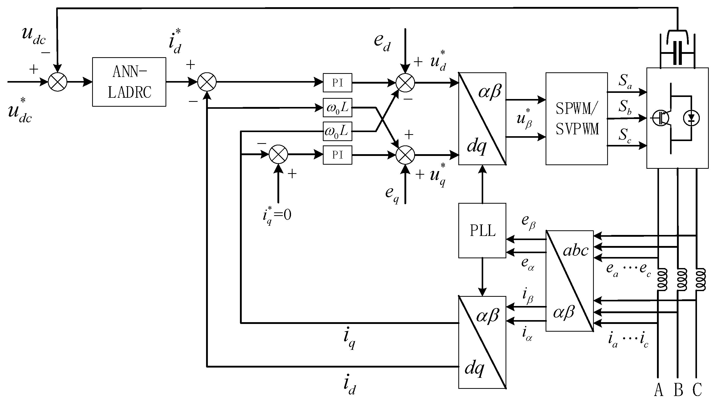
3. LADRC-Based Wind Power System Controller Design
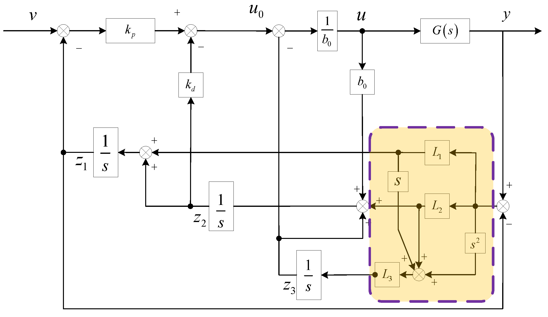
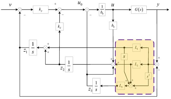
3.1. Improved LADRC Design Based on the Principle of Deviation Control
3.2. Composite Controller Design Combined with Neural Networks
4. Analysis of Simulation Results
5. Conclusions
- Based on the analysis of the wind power system model and the characteristics of the LADRC, mathematical models of the PMSG, the grid-side inverter and the DC link were derived. A model of a 20 kW permanent magnet direct-drive wind power system was built in the simulation software and different fault conditions environments were simulated to prepare for the verification of the system performance under different control strategies.
- A wind power inverter control system based on a neural network self-rejecting controller was developed by combining the LADRC controller improved by deviation control with a neural network algorithm. A conventional LADRC and a modified ANN-LADRC controller model were built and applied to the built wind power system model for testing. The simulation results show that the self-rejecting controller incorporating the neural network has a better control quality of the bus voltage due to the reduced observer workload by compensating for the partially unknown model. The controller is more adaptive and robust to uncertainties and external disturbances in permanent magnet direct-drive wind power systems. The controller algorithm is simple and the system has a stronger dynamic response performance.
Author Contributions
Funding
Institutional Review Board Statement
Informed Consent Statement
Data Availability Statement
Acknowledgments
Conflicts of Interest
References
- Qu, S.Y. Research on the key issues of wind power generation technology. China Plant Eng. 2019, 8, 196–197. (In Chinese) [Google Scholar]
- Guan, J.P.; Xu, Y.H. A Review of Research on the Application of Power Electronic Transformers in Wind Power Systems. Adv. Technol. Electr. Eng. Energy 2019, 38, 88–96. (In Chinese) [Google Scholar]
- Yin, M.; Xu, Y.; Shen, C.; Liu, J.; Dong, Z.Y.; Zou, Y. Turbine stability-constrained available wind power of variable speed wind turbines for active power control. IEEE Trans. Power Syst. 2016, 32, 2487–2488. [Google Scholar] [CrossRef]
- Yang, J.F.; Hu, Y.H. Optimal direct torque control for permanent magnet synchronous motors. Chin. J. Electr. Eng. 2011, 31, 109–115. (In Chinese) [Google Scholar]
- Yuan, L.; Guo, Q. Parameters Designed Method and Control Strategy of Three-phase LCC Grid-connected Inverter. Power Electron. 2018, 52, 101–103. (In Chinese) [Google Scholar]
- Li, C.Y.; Wang, W.C. Improvement of control strategy for network-side converters. Technol. Innov. Appl. 2018, 29, 19–20. (In Chinese) [Google Scholar]
- Han, J.Q. Self-Disturbance Control Technology: Control Technology to Estimate and Compensate for Uncertainties; Defense Industry Press: Beijing, China, 2008. (In Chinese) [Google Scholar]
- Zheng, Z.; Geng, H.; Yang, G. High Voltage Ride-through Control Strategy of Grid-connected Inverter for Renewable Energy Systems. Proc. CSEE 2015, 35, 1463–1472. (In Chinese) [Google Scholar]
- Wang, H.J.; Zhao, D.H.; Zhao, H.; Yue, Y.J. Control strategy study of grid-connected inverter in direct-driven type wind power system. Chin. J. Power Sources 2015, 39, 1289–1292. (In Chinese) [Google Scholar]
- Gao, Y.; Huo, X.; Ma, K.; Zhao, H. Modified model-compensation ADRC controller and its application in PMSM current loop. Int. J. Model. Identif. Control 2020, 35, 140–150. [Google Scholar] [CrossRef]
- Liu, C.; Luo, G.; Chen, Z.; Tu, W. Measurement delay compensated LADRC based current controller design for PMSM drives with a simple parameter tuning method. Isa Trans. 2020, 101, 482–492. [Google Scholar] [CrossRef] [PubMed]
- Yuan, C.; Zhou, X.; Ma, Y.; Gao, Z.; Zhou, Y.; Wang, C. Improved Application of Third-Order LADRC in Wind Power Inverter. Energies 2020, 13, 4412. [Google Scholar] [CrossRef]
- Nguyen, T.D.; Nguyen, T.D. Calculation of parameters for altering the ship’s course at sea using Artificial Neural Network (ANN). IOP Conf. Ser. Mater. Sci. Eng. 2020, 862, 32097. [Google Scholar] [CrossRef]
- Li, B. Research on Maximum Power Tracking Control Algorithm for Permanent Magnet Synchronous Wind Power Generation System. Master’s Thesis, South China University of Technology, Guangzhou, China, 2017. (In Chinese). [Google Scholar]
- Xie, Z.; Zhang, X.; Yang, S.Y.; Song, H.H.; Qu, T.Y. High Voltage Ride-through Control Strategy of Doubly Fed Induction Wind Generators Based on Virtual Impedance. Proc. CSEE 2012, 32, 16–23. (In Chinese) [Google Scholar]
- Yuan, X. A set of multilevel modular medium-voltage high power converters for 10-MW wind turbines. IEEE Trans. Sustain. Energy 2014, 5, 524–534. [Google Scholar] [CrossRef]
- Wang, X.; Sun, D.; Zhu, Z.Q. Resonant-based backstepping direct power control strategy for DFIG under both balanced and unbalanced grid conditions. IEEE Trans. Ind. Appl. 2017, 53, 4821–4830. [Google Scholar] [CrossRef]
- Wang, D. Research on Control Strategies for Grid-Connected Conberter System of Direct-Driben Wind Turbine. Master’s Thesis, North China Electric Power University, Beijing, China, 2016. (In Chinese). [Google Scholar]
- Li, S. Research on Conberter Control Technonlogy of Permanent Magnet Direct Drive Wind Power Generation System. Master’s Thesis, Jiangsu University, Jiangsu, China, 2020. (In Chinese). [Google Scholar]
- Sun, D.S.; Zhang, Y. J Improvement and observation accuracy analysis of linear extended state observer. J. Natl. Univ. Def. Technol. 2017, 39, 111–117. (In Chinese) [Google Scholar]
- Gao, Z.Q. On the foundation of active distuibance rejection control. Control Theory Appl. 2013, 30, 1498–1510. (In Chinese) [Google Scholar]
- Zhang, J. Application of ADRC Based on BP in Blackbody Temperature Control System. Master’s Thesis, Tianjin University of Technology, Tianjin, China, 2018. (In Chinese). [Google Scholar]
- Yang, Q.L.; Hao, X.H.; Zhang, H.P. Research on Brushless DC Motor Controller Based on Neural Network Self-Anti-Disturbance Control. Sci. Technol. Eng. 2008, 8, 6478–6481. (In Chinese) [Google Scholar]
- Feng, Y. Modeling and Simulation of direct driven permanent magnet wind power generation system based on MATLAB/simulink. Electron. Test 2020, 58–59. (In Chinese) [Google Scholar] [CrossRef]
- Liang, J.W.; Liu, X.P.; Yang, Y. Design and Simulation of a 2 kW Dirct-Driven Permanent Magnet Synchronous Wind Generator. Small Spec. Electr. Mach. 2011, 39, 13–14. (In Chinese) [Google Scholar]












| Controllers | System Initialisation | Net-Side Voltage Balance Dip 50% | Net-Side Voltage Unbalance Dip 50% | Net-Side Voltage Balance up 30% |
|---|---|---|---|---|
| Traditional LADRC | 6.3 V | 6.7 V | 4.8 V | 2.9 V |
| ANN-LADRC | 26.5 V | 0.71 V | 0.62 V | 1.5 V |
| Effectiveness enhancement | +420.6% | −89.4% | −87% | −48.3% |
| Controllers | System Initialisation | Net-Side Voltage Balance Dip 50% | Net-Side Voltage Unbalance Dip 50% | Net-Side Voltage Valance up 30% |
|---|---|---|---|---|
| Traditional LADRC | 200 ms | 150 ms | 130 ms | 115 ms |
| ANN-LADRC | 58 ms | 20 ms | 50 ms | 35 ms |
| Effectiveness enhancement | −71% | −86.7% | −61.5% | −69.6% |
Publisher’s Note: MDPI stays neutral with regard to jurisdictional claims in published maps and institutional affiliations. |
© 2022 by the authors. Licensee MDPI, Basel, Switzerland. This article is an open access article distributed under the terms and conditions of the Creative Commons Attribution (CC BY) license (https://creativecommons.org/licenses/by/4.0/).
Share and Cite
Sun, J.; Wu, T.; Ren, J.; Li, M.; Jiang, H. Control and Research Based on Improved LADRC in Wind Power Inverter Systems. Electronics 2022, 11, 2833. https://doi.org/10.3390/electronics11182833
Sun J, Wu T, Ren J, Li M, Jiang H. Control and Research Based on Improved LADRC in Wind Power Inverter Systems. Electronics. 2022; 11(18):2833. https://doi.org/10.3390/electronics11182833
Chicago/Turabian StyleSun, Jiahui, Tao Wu, Jianxin Ren, Mingshuo Li, and Huayang Jiang. 2022. "Control and Research Based on Improved LADRC in Wind Power Inverter Systems" Electronics 11, no. 18: 2833. https://doi.org/10.3390/electronics11182833
APA StyleSun, J., Wu, T., Ren, J., Li, M., & Jiang, H. (2022). Control and Research Based on Improved LADRC in Wind Power Inverter Systems. Electronics, 11(18), 2833. https://doi.org/10.3390/electronics11182833
