IoMT-Based Platform for E-Health Monitoring Based on the Blockchain
Abstract
1. Introduction
2. Blockchain Overview
2.1. Blockchain Characteristics
- Disintermediation: The first property of Blockchain is to produce the trust necessary for users to exchange without the control of a trusted third party. The Blockchain allows trust to be based solely on technology and on the possibility for everyone to control transactions and their validation at any time. Trust is distributed here and no longer requires an intermediary [8].
- Transparency: Once a document is registered on the Blockchain, it exists at the moment and cannot be modified. Anyone can download the entire Blockchain and verify its reliability at any time. This is why the Blockchain is qualified by its transparency. All users of the Blockchain can see the present and past transactions. It also makes it possible to trace transactions and amounts when it comes to money [1].
- Security: Within a blockchain, all blocks are replicated in the network nodes and not in a single server. This decentralized architecture acts as a structural defense against the risks of data theft. Blockchain technology guarantees the security of recorded information. These records are said to be immutable: once stored, they become reserved forever and cannot be easily changed [1]. In order to overcome the security challenges, various solutions related to blockchain have been proposed in literature [9,10,11,12,13,14,15]. These solutions discuss the importance of security and privacy in healthcare system and suggest the advantages and challenges of utilizing blockchain as a solution in healthcare systems. Farouk et al. [16] illustrated the need of data privacy protection in IoT-enabled healthcare system and emphasized the way blockchain technology is used to achieve privacy goals. Kumar et al. [14] discussed Permissioned Blockchain and smart contract with Deep Learning (DL) techniques to design a novel secured and efficient data sharing framework. Turjman et al. [17] discussed different ways to integrate blockchain with the healthcare system in order to address issues like security, privacy, access control integrity, and ownership. Sengupta et al. [18] reviewed the benefits of smart contracts in terms of privacy protection and the ways they can extend the capabilities of blockchain. Other studies have focused on preventing unauthorized access [19] and protecting against eavesdropping [20]. Multiple means, such as efficient authentication [21], biometric authentication [22], user verification [23], and the use of dual signatures [24] have been suggested to achieve this objective. However, relatively less attention has been paid to the prevention of external attacks, such as attacks on sensor data [25], escrow, and collusion attacks [26]. In [15], Kumar et al., a Trustworthy Privacy-Preserving Secured Framework (TP2SF) for smart cities is presented. This framework includes three modules, namely: a trustworthiness module, a two-level privacy module, and an intrusion detection module. In trustworthiness module, address-based blockchain reputation system is designed. In the two-level privacy module, a blockchain-based enhanced Proof of Work (ePoW) technique is simultaneously applied with Principal Component Analysis (PCA) to transform data into a new reduced shape to prevent inference and poisoning attacks.
- Autonomy: The blockchain system is autonomous and independent, which means that each node of the blockchain system can access, update, transfer, and store data securely [8].
2.2. Different Blockchain Types
- Public Blockchain: The public blockchain is the historical blockchain. It is a blockchain that anyone throughout the world can read and send transactions to. Such transactions are expected to be included in the register, at least when they yield to the rules of the blockchain. It is a decentralized network that works as a Peer-to-Peer network, in the sense that it makes an exchange between two actors without intermediaries thanks to a trust relationship. It is a type of Blockchain that is free to access. Anyone can make transactions and/or verify them. The most known is Bitcoin [27].
- Private Blockchain: This type of Blockchain is considered a centralized network because it is completely controlled by an organization. In a private blockchain, a regulatory authority validates the introduction of new members and grants write and read rights. This authority can be in sole control or collegially governed by the different participants. Therefore, its access and use are limited to certain actors. No one can participate without being authorized, but anyone can consult it. This type of Blockchain is mainly used by companies such as banks. For the private Blockchain we can quote MultiChain, Hyperledger Fabric [28], etc.
- Permissioned Blockchain: A Consortium Blockchain brings together several private actors who have an interest in working together. Decisions or block validations are made by the most important members, and not by the whole network as in public Blockchains. The decision makers are the only ones who can verify the validity of the blocks. Consortium blockchain is the controlled blockchain, in which the approval process is controlled by a small and select number of nodes. The right to read the blockchain can then be public, reserved for participants, or hybrid. For the consortium type blockchain we know Corda, also known as R3, Ethereum, etc. [29].
2.3. Blockchain Applications
- For asset transfer (money, securities, stocks, etc.)
- For supply chain and better traceability of goods and products
- For securing confidential data (voting, health, diplomas, etc.)
- Tracking of containers during the shipping process
- Gift and ownership
- Digital assets
- Protection of intellectual property
- Peer-to-peer lending through bitcoin or Ethereum
- Act as a bridge between IoT devices.
- Sensor that timestamp data on the blockchain: it saves them from manipulation
- Reduce the vulnerability
- Formation of marketplace to enable customers to sell their data from IoT devices
- A platform to save IoT data on a private blockchain and share it with all business partners [34].
2.4. Blockchain for E-Health
2.5. Blockchain Constraints in Embedded Systems
3. Proposed Approach
3.1. Generalized System
3.2. Proposed Minimalist System
- Raspberry PI 3 that executes the different nodes and which allows to set up the encrypted transactions. This platform was connected to the Raspberry Pi 4 via Internet (WiFi) [56]. It sends data to FPGA using RJ-45 link for encryption and then creates the different Blocs. That is why we do not to have a platform with high resources. We can consider the PI 3 as a master.
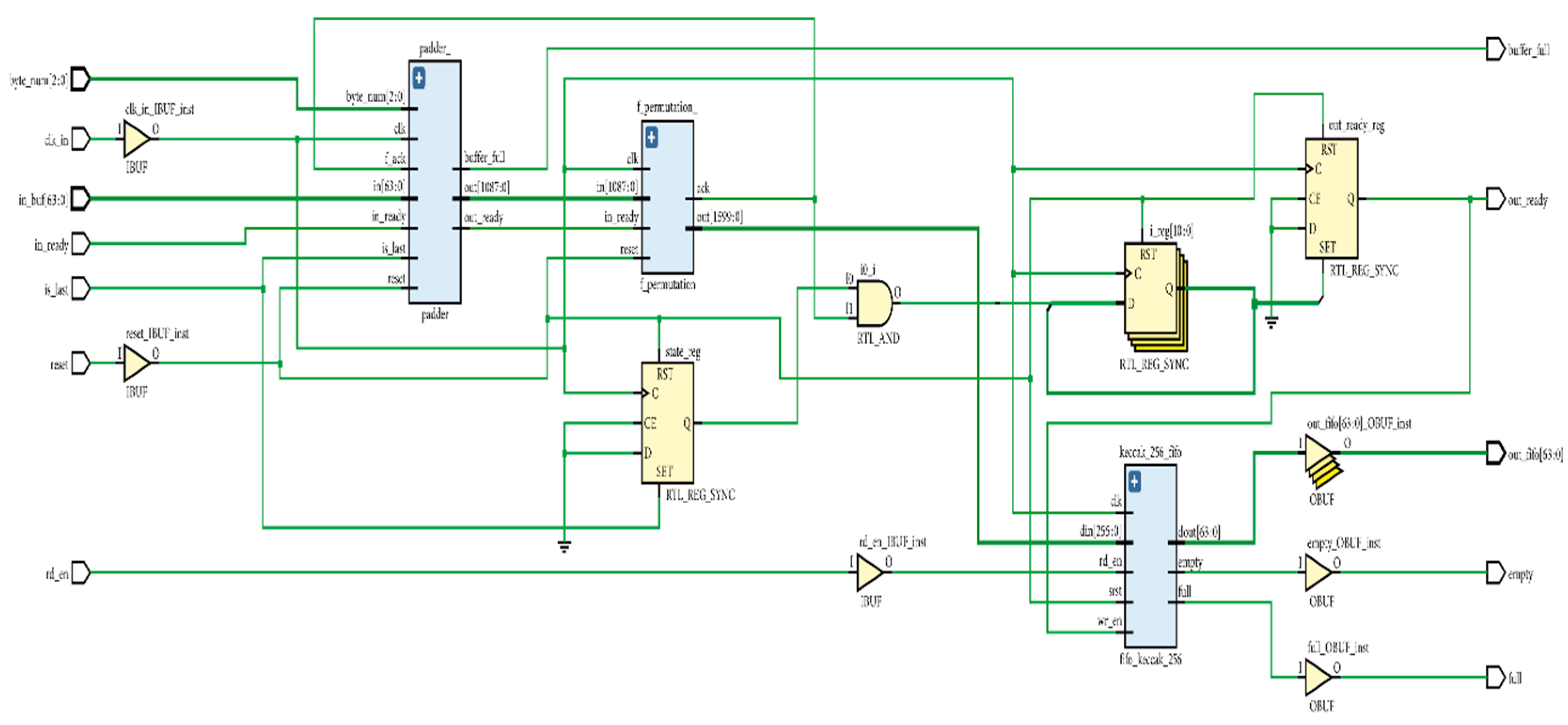
- The FPGA board that runs the complex encryption and mining Blockchain function using the Keccak algorithm [57], which is the algorithm used by the PoW. We used the Zedboard equipped with an AMD-Xilinx Zynq-7000 FPGA [58]. FPGA technology [59] is adopted here as it permits the creation of custom architecture tailored to the Keccak algorithm. For this aim, several custom and dedicated hardware accelerators (called IPs in the paper) are developed. These IPs allow mining based on the PoW.
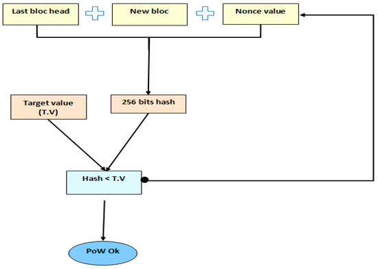
3.3. PoW Algorithm
- If the hash is less than the target value, then the result is correct. Otherwise, the result is wrong.
- In case of error, you must insert a new nonce value and restart the process.
- This algorithm, after being profiled, is implemented in HW using the VHDL language.
- The obtained IPs are then embedded on FPGA to accelerate the PoW calculation.
4. Used Platform and Obtained Results
4.1. Hardware Used Platform
4.2. Hardware Implementation of the Keccak Algorithm
4.3. Software Platform and Proposed Technologies
4.3.1. Blockchain Application
- Truffle: A world class development environment, testing framework and asset pipeline for blockchains using the Ethereum Virtual Machine (EVM).
- Ganache: Ganacheis used for setting up a personal Et4hereum Blockchain for testing the Solidity contracts [61].
- Metamask: it is a software cryptocurrency wallet used to interact with the Ethereum blockchain. It allows users to access their Ethereum wallet through a browser extension or mobile app [62].
4.3.2. SW Application
4.4. Obtained Results
4.4.1. Mobile Application
4.4.2. Blockchain Implementation
5. Discussion
6. Conclusions
Author Contributions
Funding
Conflicts of Interest
References
- Huaqun, G.; Xingjie, Y. A survey on blockchain technology and its security. Blockchain Res. Appl. 2022, 3, 100067, ISSN 2096-7209. [Google Scholar] [CrossRef]
- Cretarola, A.; Figà-Talamanca, G.; Grunspan, C. Blockchain and cryptocurrencies: Economic and financial research. Decis. Econ. Financ. 2021, 44, 781–787. [Google Scholar] [CrossRef]
- Jabbar, S.; Lloyd, H.; Hammoudeh, M.; Adebisi, B.; Raza, U. Blockchain-enabled supply chain: Analysis, challenges, and future directions. Multimed. Syst. 2021, 27, 787–806. [Google Scholar] [CrossRef]
- Jafar, U.; Aziz, M.J.A.; Shukur, Z. Blockchain for Electronic Voting System—Review and Open Research Challenges. Sensors 2021, 21, 5874. [Google Scholar] [CrossRef] [PubMed]
- Ralston, S.J. Postdigital Prospects for Blockchain-Disrupted Higher Education: Beyond the Theater, Memes and Marketing Hype. PostdigitSciEduc 2020, 2, 280–288. [Google Scholar] [CrossRef][Green Version]
- Frikha, T.; Chaari, A.; Chaabane, F.; Cheikhrouhou, O.; Zaguia, A. Healthcare and Fitness Data Management Using the IoT-Based Blockchain Platform. J. Healthc. Eng. 2021, 2021, 9978863. [Google Scholar] [CrossRef] [PubMed]
- Allouche, M.; Frikha, T.; Mitrea, M.; Memmi, G.; Chaabane, F. Lightweight Blockchain Processing. Case Study: Scanned Document Tracking on Tezos Blockchain. Appl. Sci. 2021, 11, 7169. [Google Scholar] [CrossRef]
- Bhutta, M.N.M.; Khwaja, A.; Nadeem, A.; Ahmed, H.F.; Khan, M.K.; Hanif, M.A.; Song, H.; Alshamari, M.; Cao, Y. A Survey on Blockchain Technology: Evolution, Architecture and Security. IEEE Access 2021, 9, 61048–61073. [Google Scholar] [CrossRef]
- Zhang, L.; Zou, Y.; Wang, W.; Jin, Z.; Su, Y.; Chen, H. Resource allocation and trust computing for blockchain-enabled edge computing system. Comput. Secur. 2021, 105, 102249. [Google Scholar] [CrossRef]
- Liu, D.; Zhang, Y.; Wang, W.; Dev, K.; Khowaja, S.A. Flexible data integrity checking with original data recovery in iot-enabled maritime transportation systems. IEEE Trans. Intell. Transp. Syst. 2021, Early Access, 1–12. [Google Scholar] [CrossRef]
- Kumar, P.; Kumar, R.; Gupta, G.P.; Tripathi, R.; Srivastava, G. P2TIF: A Blockchain and Deep Learning Framework for Privacy-Preserved Threat Intelligence in Industrial IoT. IEEE Trans. Ind. Inform. 2022, 18, 6358–6367. [Google Scholar] [CrossRef]
- Kumar, P.; Gupta, G.P.; Tripathi, R. An ensemble learning and fog-cloud architecture-driven cyber-attack detection framework for IoMT networks. Comput. Commun. 2021, 166, 110–124, ISSN 0140-3664. [Google Scholar] [CrossRef]
- Kumar, P.; Kumar, R.; Gupta, G.P.; Tripathi, R. BDEdge: Blockchain and Deep-Learning for Secure Edge-Envisioned Green CAVs. IEEE Trans. Green Commun. Netw. 2022. Early Access. [Google Scholar] [CrossRef]
- Kumar, R.; Kumar, P.; Tripathi, R.; Gupta, G.P.; Islam, A.K.M.N.; Shorfuzzaman, M. Permissioned Blockchain and Deep-Learning for Secure and Efficient Data Sharing in Industrial Healthcare Systems. IEEE Trans. Ind. Informatics 2022. Early Access. [Google Scholar] [CrossRef]
- Kumar, P.; Gupta, G.P.; Tripathi, R. TP2SF: A Trustworthy Privacy-Preserving Secured Framework for sustainable smart cities by leveraging blockchain and machine learning. J. Syst. Archit. 2021, 115, 101954. [Google Scholar] [CrossRef]
- Farouk, A.; Alahmadi, A.; Ghose, S.; Mashatan, A. Blockchain platform for industrial healthcare: Vision and future opportunities. Comput. Commun. 2020, 154, 223–235. [Google Scholar] [CrossRef]
- Al-Turjman, F.; Nawaz, M.H.; Ulusar, U.D. Intelligence in the internet of medical things era: A systematic review of current and future trends. Comput. Commun. 2020, 150, 644–660. [Google Scholar] [CrossRef]
- Sengupta, J.; Ruj, S.; Bit, S.D. A comprehensive survey on attacks, security issues and blockchain solutions for iot. J. Netw. Comput. Appl. 2020, 149, 102481. [Google Scholar] [CrossRef]
- Nguyen, D.C.; Pathirana, P.N.; Ding, M.; Seneviratne, A. Blockchain for secure EHRs sharing of mobile cloud based e-health systems. IEEE Access 2019, 7, 66792–66806. [Google Scholar] [CrossRef]
- Uddin, M.A.; Stranieri, A.; Gondal, I.; Balasubramanian, V. Continuous patient monitoring with a patient centric agent: A block architecture. IEEE Access 2018, 6, 32700–32726. [Google Scholar] [CrossRef]
- Nagasubramanian, G.; Sakthivel, R.K.; Patan, R.; Gandomi, A.H.; Muthuramalingam, S.; Balamurugan, B. Securing e-health records using keyless signature infrastructure blockchain technology in the cloud. Neural Comput. Applic 2020, 32, 639–647. [Google Scholar] [CrossRef]
- Dhagarra, D.; Goswami, M.; Sarma, P.R.S.; Choudhury, A. Big data and blockchain supported conceptual model for enhanced healthcare coverage: The Indian context. Bus. Process. Manag. J. 2019, 25, 1612–1632. [Google Scholar] [CrossRef]
- Hussein, A.F.; Arun Kumar, N.; Ramirez-Gonzalez, G.; Abdulhay, E.; Tavares, J.M.R.S.; Albuquerque, V.H.C. A medical record managing and securing blockchain based system supported by a Genetic Algorithm and Discrete Wavelet Transform. Cogn. Syst. Res. 2018, 52, 1–11, ISSN 1389-0417. [Google Scholar] [CrossRef]
- Li, X.; Huang, X.; Li, C.; Yu, R.; Shu, L. EdgeCare: Leveraging Edge Computing for Collaborative Data Management in Mobile Healthcare Systems. IEEE Access 2019, 7, 22011–22025. [Google Scholar] [CrossRef]
- Brogan, J.; Baskaran, I.; Ramachandran, N. Authenticating Health Activity Data Using Distributed Ledger Technologies. Comput. Struct. Biotechnol. J. 2018, 16, 257–266, ISSN 2001-0370. [Google Scholar] [CrossRef]
- Guo, R.; Shi, H.; Zhao, Q.; Zheng, D. Secure Attribute-Based Signature Scheme With Multiple Authorities for Blockchain in Electronic Health Records Systems. IEEE Access 2018, 6, 11676–11686. [Google Scholar] [CrossRef]
- Nakamoto, S. Bitcoin: A Peer-to-Peer Electronic Cash System. 2008. Available online: https://bitcoin.org/bitcoin.pdfhttps://bitcoin.org/bitcoin.pdf (accessed on 8 May 2022).
- George, J.T. Hyperledger Fabric. In Introducing Blockchain Applications; Apress: Berkeley, CA, USA, 2022. [Google Scholar] [CrossRef]
- Arslanian, H. Ethereum. In The Book of Crypto; Palgrave Macmillan: Cham, Switzerland, 2022. [Google Scholar] [CrossRef]
- Larios-Hernández, J.G. Blockchain entrepreneurship opportunity in the practices of the unbanked. Bus. Horiz. 2017, 6, 865–874. [Google Scholar] [CrossRef]
- McKinsey & Company Blockchain Technology in the Insurance Sector. Quarterly Meeting of the Federal Advisory Committee on Insurance (FACI). 11 January 2017. Retrieved 12 April 2018. Available online: https://www.treasury.gov/initiatives/fio/Documents/McKinsey_FACI_Blockchain_in_Insurance.pdf (accessed on 1 June 2022).
- Attaran, M.; Gunasekaran, A. Applications of Blockchain Technology in Business, 1st ed.; Springer Nature: Berlin, Germany, 2019. [Google Scholar] [CrossRef]
- Sandner, P. Application of Blockchain Technology in the Manufacturing Industry. Frankfurt School Blockchain Center, 18 November 2017. Available online: https://medium.com/@philippsandner/application-of-blockchain-technology-in-the-manufacturing-industryd03a8ed3ba5e (accessed on 12 April 2018).
- Tanwar, S.; Parekh, K.; Khanpara, P.; Tyagi, S.; Kumar, N.; Alazab, M. Blockchain for Industry 4.0: A Comprehensive Review. IEEE Access 2020, 8, 79764–79800. [Google Scholar] [CrossRef]
- Velasco-Castillo, E. Nineblockchain Opportunities that Telecoms Operators Should Explore. Knowledge Center. 13 June 2016. Retrieved 12 April 2019. Available online: http://www.analysysmason.com/Research/Content/Comments/nine-blockchain-opportunities-Jun2016-RDMY0/ (accessed on 1 June 2022).
- Badr, M.; Amiri, W.A.; Fouda, M.M.; Mahmoud, M.M.E.A.; Aljohani, A.J.; Alasmary, W. Smart Parking System with Privacy Preservation and Reputation Management Using Blockchain. IEEE Access 2020, 8, 150823–150843. [Google Scholar] [CrossRef]
- Prescient& Strategic Intelligence, Blockchain in Healthcare Market by Application; P&S Intelligence: New York, NY, USA, 2018.
- SimićMiloš, M.; SladicGoran, S.; Milosavljević, B. A Case Study IoT and Blockchain powered. In Proceedings of the 8th PSU-UNS International Conference on Engineering, Novi Sad, Serbia, 6–10 June 2017. [Google Scholar]
- Metcalf, D.; Milliard, S.; Gomez, S.D.; Schwartz, M. Wearables and the Internet of Things for Health: Wearable, Interconnected Devices Promise More Efficient and Comprehensive Health Care. IEEE Pulse 2016, 7, 35–39. [Google Scholar] [CrossRef]
- Falcone, S.; Zhang, J.; Cameron, A.; Abdel-Rahman, A. Blockchain Design for an Embedded System. Ledger 2019, 4. [Google Scholar] [CrossRef]
- Dammak, B.; Turki, M.; Cheikhrouhou, S.; Baklouti, M.; Mars, R.; Dhahbi, A. LoRaChainCare: An IoT Architecture Integrating Blockchain and LoRa Network for Personal Health Care Data Monitoring. Sensors 2022, 22, 1497. [Google Scholar] [CrossRef]
- Frikha, T.; Chaabane, F.; Aouinti, N.; Cheikhrouhou, O.; Ben Amor, N.; Kerrouche, A. Implementation of Blockchain Consensus Algorithm on Embedded Architecture. Secur. Commun. Netw. 2021, 2021, 9918697. [Google Scholar] [CrossRef]
- Tien Tuan Anh, D.; Ji, W.; Gang, C.; Rui, L.; Blockbench, A. Framework for Analyzing Private Blockchains. In Proceedings of the 2017 ACM International Conference on Management of Data, Chicago, IL, USA, 14–19 May 2017; pp. 1085–1100. [Google Scholar]
- Ktari, J.; Abid, M. A Low Power Design Space Exploration Methodology Based on High Level Models and Confidence Intervals. J. Low Power Electron. 2009, 5, 17–30. [Google Scholar] [CrossRef]
- Ktari, J.; Abid, M. System Level Power and Energy Modeling for Signal Processing Applications. In Proceedings of the 2007 2nd International Design and Test Workshop, Cairo, Egypt, 16–18 December 2007; pp. 218–221. [Google Scholar] [CrossRef]
- Ktari, J.; Abid, M. A Low Power Design Methodology Based on High Level Models; ESA: Paris, France, 2008; pp. 10–15. [Google Scholar]
- Ingo, W.; Vincent, G.; Ponomarev, A.; Staples, M.; Holz, R.; Tran, A.B.; Rimba, P. On availability for blockchain-based systems. In Proceedings of the 36th International Symposium on Reliable Distributed Systems (SRDS), Hong Kong, China, 26–29 September 2017. [Google Scholar]
- Acharya, U.R.; Subbhuraam, V.S.; Goutham, S.; Martis, R.; Suri, J. Automated EEG analysis of epilepsy: A review. Knowl. Based Syst. 2013, 45, 147–165. [Google Scholar] [CrossRef]
- Reyna, A.; Martín, C.; Chen, J.; Soler, E.; Díaz, M. On blockchain and its integration with IoT. Challenges and opportunities. Future Gener. Comput. Syst. 2018, 88, 173–190, ISSN 0167-739X. [Google Scholar] [CrossRef]
- Yang, X.; Liu, M.; Luo, X.; Ye, Q. Efficient Verifiably Encrypted ECDSA-Like Signatures and Their Applications. IEEE Trans. Inf. Forensics Secur. 2022, 17, 1573–1582. [Google Scholar] [CrossRef]
- Shbair, W.M.; Gavrilov, E.; State, R. HSM-based Key Management Solution for Ethereum Blockchain. In Proceedings of the 2021 IEEE International Conference on Blockchain and Cryptocurrency (ICBC), Sydney, Australia, 3–6 May 2022; pp. 1–3. [Google Scholar]
- Klassen, B.T.; Hentz, J.G.; Shill, H.A.; Driver-Dunckley, E.; Evidente, V.G.; Sabbagh, M.N.; Adler, C.H.; Caviness, J.N. Quantitative EEG as a predictive biomarker for Parkinson disease dementia. Neurology 2011, 77, 118–124. [Google Scholar] [CrossRef] [PubMed]
- Melissant, C.; Ypma, A.; Frietman, E.; Stam, C. A method for detection of Alzheimer’s disease using ICA-enhanced EEG measurements. Artif. Intell. Med. 2005, 33, 209–222. [Google Scholar] [CrossRef]
- Emotiv Insight EEG Headset. Available online: https://www.emotiv.com/product/emotiv-insight-5-channel-mobile-brainwear/ (accessed on 8 August 2021).
- Frikha, T.; Abdennour, N.; Chaabane, F.; Ghorbel, O.; Ayedi, R.; Shahin, O.R.; Cheikhrouhou, O. Source Localization of EEG Brainwaves Activities via Mother Wavelets Families for SWT Decomposition. J. Healthc. Eng. 2021, 2021, 9938646. [Google Scholar] [CrossRef]
- Ktari, J.; Frikha, T.; Hamdi, M.; Elmannai, H.; Hmam, H. Lightweight AI Framework for Industry 4.0 Case Study: Water Meter Recognition. Big Data Cogn. Comput. 2022, 6, 72. [Google Scholar] [CrossRef]
- Ktari, J.; Frikha, T.; Yousfi, M.A.; Belghith, M.K.; Sanei, N. Embedded Keccak implementation on FPGA. In Proceedings of the 2022 IEEE International Conference on Design & Test of Integrated Micro & Nano-Systems (DTS), Cairo, Egypt, 6–9 June 2022; pp. 1–5. [Google Scholar] [CrossRef]
- Available online: https://docs.xilinx.com/v/u/en-US/ug585-Zynq-7000-TRM (accessed on 1 June 2022).
- Frikha, T.; Ben Amor, N.; Diguet, J.P. A novel Xilinx-based architecture for 3D-graphics. Multimed. Tools Appl. 2019, 78, 14947–14970. [Google Scholar] [CrossRef]
- Malakhov, I.; Marin, A.; Rossi, S.; Smuseva, D. On the Use of Proof-of-Work in Permissioned Blockchains: Security and Fairness. IEEE Access 2022, 10, 1305–1316. [Google Scholar] [CrossRef]
- Available online: https://trufflesuite.com/ (accessed on 10 October 2021).
- Available online: https://metamask.io/ (accessed on 10 October 2021).













| SW | HW | |
|---|---|---|
| Execution time (ms) | 21 | 2.78 |
| Power consumption (W) | ≈0 | 1.7 |
Publisher’s Note: MDPI stays neutral with regard to jurisdictional claims in published maps and institutional affiliations. |
© 2022 by the authors. Licensee MDPI, Basel, Switzerland. This article is an open access article distributed under the terms and conditions of the Creative Commons Attribution (CC BY) license (https://creativecommons.org/licenses/by/4.0/).
Share and Cite
Ktari, J.; Frikha, T.; Ben Amor, N.; Louraidh, L.; Elmannai, H.; Hamdi, M. IoMT-Based Platform for E-Health Monitoring Based on the Blockchain. Electronics 2022, 11, 2314. https://doi.org/10.3390/electronics11152314
Ktari J, Frikha T, Ben Amor N, Louraidh L, Elmannai H, Hamdi M. IoMT-Based Platform for E-Health Monitoring Based on the Blockchain. Electronics. 2022; 11(15):2314. https://doi.org/10.3390/electronics11152314
Chicago/Turabian StyleKtari, Jalel, Tarek Frikha, Nader Ben Amor, Leila Louraidh, Hela Elmannai, and Monia Hamdi. 2022. "IoMT-Based Platform for E-Health Monitoring Based on the Blockchain" Electronics 11, no. 15: 2314. https://doi.org/10.3390/electronics11152314
APA StyleKtari, J., Frikha, T., Ben Amor, N., Louraidh, L., Elmannai, H., & Hamdi, M. (2022). IoMT-Based Platform for E-Health Monitoring Based on the Blockchain. Electronics, 11(15), 2314. https://doi.org/10.3390/electronics11152314

