Simulation of Authentication in Information-Processing Electronic Devices Based on Poisson Pulse Sequence Generators
Abstract
1. Introduction
- Optimization of the parameters of the PPSG’s structural elements in order to obtain the specified parameters of the output pulse sequence. Definition of the limits of control code values, specification of the range of values of the average frequency of the output pulse sequence, which corresponds to Poisson’s law of distribution.
- The bit template simulator was proposed based on the Poisson pulse sequence generator. Bit sequences with given characteristics were the result of the simulator.
- The simulation experiment was carried out to test the required properties of bit templates.
2. Materials and Methods
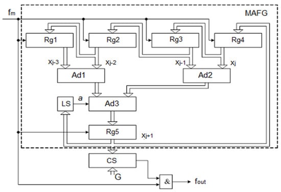
2.1. Structural Scheme PPSG and the Principle of Its Operation
2.2. Output Signal Parameters and Internal Parameters of the Generator and Their Relationship
- average value of frequency ;
- value range of ;
- step of frequency changing −;
- the repetition period of the pulse sequence;
- compliance of the pulse sequence with the Poisson distribution law.
- the number of decades of the MAFG structural elements;
- initial settings of the registers Rg1–Rg5;
- number of members of Equation (2) involved in the implementation of the logic scheme LS.
- the repetition period of pseudo-random numbers in the output of the MAFG register (Rg5 output);
- statistical characteristics of the number sequence of the MAFG output.
2.3. Estimation Method for Statistical Characteristics of the Output Signal
- we fixed nominal (theoretical) average value of numbers , regardless of the control code value G;
- the value was variable, depended on the value G, and was determined by the equation
2.4. Defining the Limits of the Range of the Control Code Values
3. Results
3.1. Investigation of the PPSG Based on MAFG When
3.1.1. Determining the Repetition Period of the MAFG
3.1.2. Determination of Statistical Characteristics and the Range of Values of the Control Code
- SS_n—value ;
- SS_n_pot—the average value of the last five (current) values —;
- Level—number of values greater than .
3.2. Dependence of the Average Value of the Output Signal Frequency on the Control Code
3.3. Investigation of the PPSG Based on MAFG When
3.3.1. Determining the MAFG Repetition Period
3.3.2. Determination of Statistical Characteristics and the Range of Values of the Control Code
3.4. Dependence of the OUTPUT Signal Frequency Average Value on the Control Code
3.5. Comparing PPSG Characteristics Based on MAFG for and
3.6. Using the PPSG Based on the MAFG When
4. Discussion
4.1. Structural Scheme of the Simulator for the Authentication Bit Templates and the Principle of Its Operation
4.2. Results of the Simulation Experiment
5. Conclusions
Author Contributions
Funding
Institutional Review Board Statement
Informed Consent Statement
Data Availability Statement
Conflicts of Interest
References
- Qureshi, M.; Munir, A. PUF-IPA: A PUF-based Identity Preserving Protocol for Internet of Things Authentication. In Proceedings of the 2020 IEEE 17th Annual Consumer Communications & Networking Conference (CCNC), Las Vegas, NV, USA, 10–13 January 2020. [Google Scholar] [CrossRef]
- Scholz, A.; Zimmermann, L.; Sikora, A.; Tahoori, M.B.; Aghassi-Hagmann, J. Embedded Analog Physical Unclonable Function System to Extract Reliable and Unique Security Keys. Appl. Sci. 2020, 10, 759. [Google Scholar] [CrossRef]
- Hasse, J.; Gloe, T.; Beck, M. Forensic identification of GSM mobile phones. In Proceedings of the first ACM Workshop on Information Hiding and Multimedia Security, Montpellier, France, 17–19 June 2013. [Google Scholar] [CrossRef]
- Svoboda, J.; Schanfein, M. Transducer Signal Noise Analysis for Sensor. In Proceedings of the 53rd Annual INMM Meeting, Idaho Falls, ID, USA, 15–19 July 2012. [Google Scholar]
- Chouchang, Y.; Alanson, P. Sample EM–ID: Tag–less Identification of Electrical Devices via Electromagnetic Emissions. In Proceedings of the 2016 IEEE International Conference on RFID (RFID), Orlando, FL, USA, 3–5 May 2016. [Google Scholar] [CrossRef]
- Wang, X.; Zhang, Y.; Zhang, H. Identification and authentication for wireless transmission security based on RF-DNA fingerprint. J. Wirel. Com. Netw. 2019, 230. [Google Scholar] [CrossRef]
- Nyemkova, E. Authentication of Personal Computers with Unstable Internal Noise. Int. J. Comput. 2020, 19, 569–574. [Google Scholar] [CrossRef]
- Sikora, A.; Nyemkova, E.; Lakh, Y. Accuracy Improvements of Identification and Authentication of Devices by EM-Measurements. In Proceedings of the 2020 IEEE 5th International Symposium on Smart and Wireless Systems within the Conferences on Intelligent Data Acquisition and Advanced Computing Systems (IDAACS-SWS), Dortmund, Germany, 17–18 September 2020. [Google Scholar] [CrossRef]
- Kuźmiński, Ł. Using the Poisson Distribution to Estimate the Risk of Hydrological Danger. Studia Ekon. Uniw. Ekon. W Katowicach 2014, 206, 7–19. (In Polish) [Google Scholar]
- Deon, A.; Menyaev, Y. Poisson Twister Generator by Cumulative Frequency Technology. Algorithms 2019, 12, 114. [Google Scholar] [CrossRef]
- Kim, D.; Kim, J.; Cho, Y.S. A Poisson Cluster Stochastic Rainfall Generator that Accounts for the Interannual Variability of Rainfall Statistics: Validation at Various Geographic Locations across the United States. J. Appl. Math. 2014, 560390. [Google Scholar] [CrossRef]
- Bentley, M.; Stephenson, A.; Toscas, P.; Zhu, Z. A Multivariate Model to Quantify and Mitigate Cybersecurity Risk. Risks 2020, 8, 61. [Google Scholar] [CrossRef]
- Leslie, N.O.; Harang, R.E.; Knachel, L.P.; Kott, A. Statistical Models for the Number of Successful Cyber Intrusions. J. Def. Modeling Simul. 2018, 15, 49–63. [Google Scholar] [CrossRef]
- Veiga, A.; Spinelli, E. A Pulse Generator with Poisson-Exponential Distribution for Emulation of Radioactive Decay Events. In Proceedings of the IEEE 7th Latin American Symposium on Circuits & Systems (LASCAS), Florianopolis, Brazil, 28 February–2 March 2016. [Google Scholar] [CrossRef]
- Arkani, M.; Khalafi, H.; Vosoughi, N. A Flexible Multichannel Digital Random Pulse Generator Based on FPGA. World J. Nucl. Sci. Technol. 2013, 3, 109–116. [Google Scholar] [CrossRef][Green Version]
- Maksymovych, V.; Mandrona, M.; Harasymchuk, O. Dosimetric Detector Hardware Simulation Model Based on Modified Additive Fibonacci Generator. In Advances in Intelligent Systems and Computing; Hu, Z., Petoukhov, S., Dychka, I., He, M., Eds.; Springer: Cham, Switzerland, 2020; Volume 938, pp. 162–171. [Google Scholar]
- Maksymovych, V.N.; Harasymchuk, O.I.; Mandrona, M.N. Designing Generators of Poisson Pulse Sequences Based on the Additive Fibonacci Generators. J. Autom. Inf. Sci. 2017, 49, 1–13. [Google Scholar] [CrossRef]
- Maksymovych, V.; Harasymchuk, O.; Opirskyy, I. The Designing and Research of Generators of Poisson Pulse Sequences on Base of Fibonacci Modified Additive Generator. In Advances in Intelligent Systems and Computing; Hu, Z., Petoukhov, S., Dychka, I., He, M., Eds.; Springer: Cham, Switzerland, 2018; Volume 754, pp. 43–53. [Google Scholar]
- Pomme, S.; Keightley, J.; Fitzgerald, R. Uncertainty of Nuclear Counting. Metrologia 2015, 53. [Google Scholar] [CrossRef]
- Takami, K.; Shin-ichi, N.; Shigeru, Y. A Generation of Random-Time Pulses Having a Poisson Distribution. Keisoku Jido Seigyo Gakkai Ronbunshu 1981, 17, 409–414. [Google Scholar]
- Linares-Barranco, A.; Cascado, D.; Jimenez, G.; Civit, A.; Oster, M.; Linares-Barranco, B. Poisson AER Generator: Inter-Spike-Intervals Analysis. In Proceedings of the 2006 IEEE International Symposium on Circuits and Systems, Kos, Greece, 21–24 May 2006. [Google Scholar] [CrossRef]
- Maksymovych, V.; Shabatura, M.; Harasymchuk, O.; Karpinski, M.; Jancarczyk, D.; Sawicki, P. Development of Additive Fibonacci Generators with Improved Characteristics for Cybersecurity Needs. Appl. Sci. 2022, 12, 1519. [Google Scholar] [CrossRef]
- Mandrona, M.M.; Maksymovych, V.M.; Harasymchuk, O.I.; Kostiv, Y.M. Generator of Pseudorandom Bit Sequence with Increased Cryptographic Immunity. Metall. Min. Ind. 2014, 5, 25–29. [Google Scholar]
- Maksymovych, V.; Harasymchuk, O.; Karpinski, M.; Shabatura, M.; Jancarczyk, D.; Kajstura, K. A New Approach to the Development of Additive Fibonacci Generators Based on Prime Numbers. Electronics 2021, 10, 2912. [Google Scholar] [CrossRef]
- Mandrona, M.N.; Maksymovych, V.N. Comparative Analysis of Pseudorandom Bit Sequence Generators. J. Autom. Inf. Sci. 2017, 49, 78–86. [Google Scholar] [CrossRef]
- Maksymovych, V.M.; Mandrona, M.M.; Garasimchuk, O.I.; Kostiv, Y.M. A Study of the Characteristics of the Fibonacci Modified Additive Generator with a Delay. J. Autom. Inf. Sci. 2016, 48, 76–82. [Google Scholar] [CrossRef]
- Maksymovych, V.N.; Mandrona, M.N.; Kostiv, Y.M.; Harasymchuk, O.I. Investigating the Statistical Characteristics of Poisson Pulse Sequences Generators Constructed in Different Ways. J. Autom. Inf. Sci. 2017, 49, 11–19. [Google Scholar] [CrossRef]
- Blanco, A.; Orúe, A.B.; López, A.; Martín, A. On-the-Fly Testing an Implementation of Arrow Lightweight PRNG Using a LabVIEW Framework. In Advances in Intelligent Systems and Computing; Kacprzyk, J., Ed.; Springer: Cham, Switzerland, 2019; Volume 951, pp. 175–184. [Google Scholar]
- Jakobsson, K.S. Theory, Methods and Tools for Statistical Testing of Pseudo and Quantum Random Number Generators. Master’s Thesis, Linköpings Universitet, Linköping, Sweden, 2014; p. 143. [Google Scholar]
- Faster Randomness Testing with the NIST Statistical Test Suite. Available online: https://crocs.fi.muni.cz/_media/public/crocs/sys_space_2014.pdf (accessed on 20 December 2021).
- Gorbenko, I.D.; Gorbenko, Y.I. Applied Cryptology: Theory Practice Application; Fort Publishing House: Kharkiv, Ukraine, 2012; p. 880. [Google Scholar]
- Holland, R.; St. John, R. Chi square variants: The lehman distribution. In Statistical Electromagnetics Book; CRC Press: Boca Raton, FL, USA, 1999; p. 48. [Google Scholar] [CrossRef]
- Almeida, F.M.L., Jr.; Barbi, M.; do Vale, M.A.B. A Proposal for a Different Chi-Square Function for Poisson Distributions. Nucl. Instrum. Methods Phys. Res. Sect. A Accel. Spectrometers Detect. Assoc. Equip. 2000, 449, 383–395. [Google Scholar] [CrossRef]
- Horoneskul, M. Tables of Functions and Critical Distribution Points. Sections: Probability Theory. Mathematical Statistics, Mathematical Methods in Psychology. 2009. (in Ukrainian). Available online: http://repositsc.nuczu.edu.ua/bitstream/123456789/1530/1/Tablici.pdf (accessed on 20 December 2021).
- NIST SP 800-22. A Statistical Test Suite for Random and Pseudorandom Number Generators for Cryptographic Applications. Available online: http://csrc.nist.gov/publications/nistpubs/800-22-rev1a/SP800-22rev1a.pdf (accessed on 20 December 2021).
- Kwon, H.; Yoon, H.; Park, K.-W. Acoustic-decoy: Detection of adversarial examples through audio modification on speech recognition system. Neurocomputing 2020, 417, 357–370. [Google Scholar] [CrossRef]
- Kwon, H.; Kim, Y.; Yoon, H.; Choi, D. Selective Audio Adversarial Example in Evasion Attack on Speech Recognition System. IEEE Trans. Inf. Forensics Secur. 2019, 15, 526–538. [Google Scholar] [CrossRef]













| a | Tn |
|---|---|
| 18,599 | |
| 18,599 | |
| 103,404,839 | |
| 4,348,679 | |
| 20,121,479 | |
| a | Tn |
|---|---|
| 9,255,555 | |
| 4,649,999 | |
| Kd | fm [Hz] | G | fout [Hz] | Δfout [Hz] |
|---|---|---|---|---|
| 1 | 1,000,000 | 1 | 1000 | 1000 |
| 2 | 2000 | |||
| … | … | |||
| 100 | 10,000 | |||
| 10 | 100,000 | 1 | 100 | 100 |
| 2 | 200 | |||
| … | … | |||
| 100 | 10,000 | |||
| 100 | 10,000 | 1 | 10 | 10 |
| 2 | 20 | |||
| … | … | |||
| 100 | 1000 | |||
| 1000 | 1000 | 1 | 1 | 1 |
| 2 | 2 | |||
| … | … | |||
| 100 | 100 | |||
| 10,000 | 100 | 1 | 0.1 | 0.1 |
| 2 | 0.2 | |||
| … | … | |||
| 100 | 10 | |||
| 100,000 | 10 | 1 | 0.01 | 0.01 |
| 2 | 0.02 | |||
| … | … | |||
| 100 | 1 | |||
| 1,000,000 | 1 | 1 | 0.001 | 0.1 |
| 2 | 0.002 | |||
| … | … | |||
| 100 | 0.1 |
| Average Value | Standard Deviation | Minimum Value | Maximum Value |
|---|---|---|---|
| 184 | 10 | 165 | 205 |
| Distribution | Average Value | Standard Deviation | Minimum Value | Maximum Value |
|---|---|---|---|---|
| Intradistances | 23 | 6 | 12 | 39 |
| Interdistances | 205 | 5 | 189 | 215 |
| Method | Reliability | Number of Devices | Measuring Time, s |
|---|---|---|---|
| Internal electric noises | 98.6 | 175 | 2 |
| Simulator based on a PPSG | 100 | 1,000,000 | - |
Publisher’s Note: MDPI stays neutral with regard to jurisdictional claims in published maps and institutional affiliations. |
© 2022 by the authors. Licensee MDPI, Basel, Switzerland. This article is an open access article distributed under the terms and conditions of the Creative Commons Attribution (CC BY) license (https://creativecommons.org/licenses/by/4.0/).
Share and Cite
Maksymovych, V.; Nyemkova, E.; Justice, C.; Shabatura, M.; Harasymchuk, O.; Lakh, Y.; Rusynko, M. Simulation of Authentication in Information-Processing Electronic Devices Based on Poisson Pulse Sequence Generators. Electronics 2022, 11, 2039. https://doi.org/10.3390/electronics11132039
Maksymovych V, Nyemkova E, Justice C, Shabatura M, Harasymchuk O, Lakh Y, Rusynko M. Simulation of Authentication in Information-Processing Electronic Devices Based on Poisson Pulse Sequence Generators. Electronics. 2022; 11(13):2039. https://doi.org/10.3390/electronics11132039
Chicago/Turabian StyleMaksymovych, Volodymyr, Elena Nyemkova, Connie Justice, Mariia Shabatura, Oleh Harasymchuk, Yuriy Lakh, and Morika Rusynko. 2022. "Simulation of Authentication in Information-Processing Electronic Devices Based on Poisson Pulse Sequence Generators" Electronics 11, no. 13: 2039. https://doi.org/10.3390/electronics11132039
APA StyleMaksymovych, V., Nyemkova, E., Justice, C., Shabatura, M., Harasymchuk, O., Lakh, Y., & Rusynko, M. (2022). Simulation of Authentication in Information-Processing Electronic Devices Based on Poisson Pulse Sequence Generators. Electronics, 11(13), 2039. https://doi.org/10.3390/electronics11132039

