Next Article in Journal
Miniaturization and Electromagnetic Reliability of Wearable Textile Antennas
Next Article in Special Issue
Structural Decomposition in FSM Design: Roots, Evolution, Current State—A Review
Previous Article in Journal
Failure Rate and Economic Cost Analysis of Clamped-Single Submodule with DC Short Current Protection for High Voltage Direct Current System
Previous Article in Special Issue
Experimental Study on Splitter Plate for Improving the Dielectric Recovery Strength of Low-Voltage Circuit Breaker
 
 
Font Type:
Arial Georgia Verdana
Font Size:
Aa Aa Aa
Line Spacing:
Column Width:
Background:
Article

Design Trade-Offs in Common-Mode Feedback Implementations for Highly Linear Three-Stage Operational Transconductance Amplifiers

by
Joseph Riad
1,*,
Sergio Soto-Aguilar
1,
Johan J. Estrada-López
2,*,
Oscar Moreira-Tamayo
1 and
Edgar Sánchez-Sinencio
1
1
Electrical and Computer Engineering Department, Texas A&M University, College Station, TX 77843, USA
2
Faculty of Mathematics, Autonomous University of Yucatán, Mérida 97110, Yucatán, Mexico
*
Authors to whom correspondence should be addressed.
Electronics 2021, 10(9), 991; https://doi.org/10.3390/electronics10090991
Submission received: 15 March 2021 / Revised: 7 April 2021 / Accepted: 19 April 2021 / Published: 21 April 2021

Abstract

Fully differential amplifiers require the use of common-mode feedback (CMFB) circuits to properly set the amplifier’s operating point. Due to scaling trends in CMOS technology, modern amplifiers increasingly rely on cascading more than two stages to achieve sufficient gain. With multiple gain stages, different topologies for implementing CMFB are possible, whether using a single CMFB loop or multiple ones. However, the impact on performance of each CMFB approach has seldom been studied in the literature. The aim of this work is to guide the choice of the CMFB implementation topology evaluating performance in terms of stability, linearity, noise and common-mode rejection. We present a detailed theoretical analysis, comparing the relative performance of two CMFB configurations for 3-stage OTA topologies in an implementation-agnostic manner. Our analysis is then corroborated through a case study with full simulation results comparing the two topologies at the transistor level and confirming the theoretical intuition. An active-RC filter is used as an example of a high-linearity OTA application, highlighting a 6 dB improvement in P 1 dB in the multi-loop implementation with respect to the single-loop case.

1. Introduction

The Operational Transconductance Amplifier (OTA) is a fundamental building block in analog circuit design. It is designed to provide large voltage gain and to drive only capacitive loads, so it is characterized by a large output impedance [1]. The circuit symbol of the OTA is shown in Figure 1. In many applications (such as active filters), the OTA has a negative feedback configuration applied to it, which improves the circuit’s bandwidth and linearity, reduces noise and sensitivity to process variations [1]. However, those benefits rely on the OTA having high gain. The higher the OTA’s gain, the better the accuracy and the rejection of unwanted noise.
As supply voltages continue to scale down in newer process technologies, achieving a high gain with a simple two-stage OTA becomes more difficult and using the traditional cascode configuration severely limits signal excursion. One solution to this problem is to use multiple gain stages in cascade [2,3]. Moreover, high-precision applications necessitate the use of a fully-differential multi-stage OTA for the rejection of even-order harmonic distortion and common-mode noise, which provide the added benefit of improving dynamic range.
While differential signaling leads to improved linearity, it adds complexity to the circuit by requiring the use of a common-mode feedback (CMFB) loop to set the amplifier’s DC operating point and reject common-mode disturbances. The design of CMFB loops, therefore, forms an integral part of many applications and a careful approach is needed to ensure they remain stable while being fast enough to reject common-mode disturbances that lie within the OTA’s operational bandwidth [1,4].
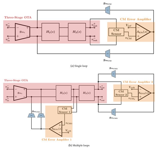
An extra complication to the CMFB design problem in multi-stage OTAs is that there are many different topological approaches to the implementation. For the three-stage amplifier case, there are at least two different approaches as shown in Figure 1.
As shown in Figure 1a, one possible solution is to have a single CMFB loop sensing the output common-mode voltage and feeding back a common-mode current into the output of the first stage. In the CMFB loop, a common-mode (CM) sensor is used to sense the common-mode component of two voltages and then a CM error amplifier amplifies the difference between this common-mode component and the reference voltage that we desire to set the CM component to. Thus, the CM negative feedback loop sets the common-mode component of the voltages sensed by the CM sensor to the reference voltage input to the CM error amplifier.
Another solution, shown in Figure 1b, is to use two CMFB loops, one to set the output common-mode voltage by feeding back current into the output nodes and one to set the output common-mode voltage of the H 2 ( s ) stage and feeds back common-mode current into the output of the first stage.
In the multi-stage amplifier literature, the topic of fully-differential OTA design is rarely broached, in particular when it comes to the design trade-offs of different CMFB approaches. If the intermediate gain stage is implemented in a fully-differential fashion, several options for the CMFB loop implementation are available, such as using a single loop that does not include all three stages [5] or using one loop per stage [6]. Such options are not available for high-linearity applications since in those cases, a pseudo-differential intermediate stage is used to improve signal swing and reduce distortion. The authors of [7] implemented a two-loop switched-capacitor solution but do not go into details concerning the trade-offs involved in the design of those CMFB loops. Some authors have even achieved the impressive feat of designing four-stage fully differential amplifiers with a single CMFB loop [4,8], but their approaches rely on the common-mode error amplifier pole being at a much higher frequency than the differential loop bandwidth, which may not be feasible in low-power amplifiers or high-frequency applications. Additionally, neither work considers the impact of the CMFB loop design on amplifier linearity.
There is therefore a real need to approach these trade-offs in a systematic manner that offers intuition to designers on the relative merits of different CMFB topologies. This is the aim of this work.
At first glance, it seems that using multiple loops unnecessarily increases complexity and power consumption, leading to the conclusion that the single-loop option is the better solution. However, in this work we propose to investigate whether this original intuition is justified. The performance of the two solutions will be qualitatively compared using different metrics of performance. Among our findings, it is shown that using a single loop can be challenging in terms of ensuring its stability and may end up being a worse option in terms of linearity, area and power consumption.
Our analysis, both theoretical and with transistor-level simulations, proves the counter-intuitive result that using multiple loops is actually better for performance, especially in terms of linearity—arguably the most important metric that leads to the adoption of fully-differential circuits in the first place.
This paper is organized as follows—in Section 2, an extensive theoretical analysis of the two solutions is developed, based on the aspects of stability, linearity, noise performance and common-mode rejection (CMR). In Section 3, a case study that implements both solutions at the transistor level is simulated to confirm the results of the analysis. Particular care is taken to ensure that both implementations consume the same amount of power and share the same circuit architecture (except the CMFB loops) to ensure a fair comparison. Also, an active-RC biquad low-pass filter is implemented, highlighting the linearity design trade-off in a common application of multi-stage amplifiers. Section 4 provides a summary discussion of the merits of each implementation. Finally, some conclusions are given.

2. Theoretical Comparison

In this section, the different performance aspects of the two designs are compared theoretically, with transistor-level simulation results confirming the analysis in the next section.

2.1. Stability

Since there are many different approaches to compensating the differential-mode loop of a three-stage amplifier, it is important to evaluate the stability of the different CMFB approaches in a manner that is agnostic to the underlying compensation scheme. For this reason, we make use of the rate of closure (ROC) concept [9] to make qualitative arguments about stability. In the transistor-level case study, the more traditional metrics of phase margin (PM) and settling time are used.
For a negative feedback loop composed of two factors H ( s ) = X ( s ) Y ( s ) , the ROC can be obtained by plotting the magnitudes of X ( s ) and 1 / Y ( s ) on the same set of axes. The point of intersection of the two plots will be the unity-gain frequency of the loop and the ROC is the absolute value of the difference between the slopes of the two curves at that point (measured in dB/decade). The PM can then be approximated by
PM 180 ° 4.5 × ROC .
The only limitation on the use of the ROC approach is that ROC correlates to PM only for minimum-phase systems, which means that any amplifiers whose transfer functions contain right-half plane (RHP) zeros cannot be studied using this approach. However, given their negative effects on stability, RHP zeros are usually avoided in the majority of amplifiers [3,10,11].
It should be noted that, although ROC curves are most commonly used to express negative feedback loops in terms of the feedforward factor A ( s ) and the feedback factor β , the same principle applies for any factorization of the loop gain and the forthcoming discussion, in fact, relies on a different factorization—the CM loop gain is expressed as the product of the differential-mode gain and an algebraic factor that does not correspond to physical circuit blocks.

2.1.1. Single Loop

Figure 2 shows the CM equivalent small-signal circuit model for the single-loop case. In the figure, it is assumed that the transfer function of the CM voltage sensor is absorbed into A EA ( s ) . It is further assumed that Z 1 includes the loading effect of the compensation network used inside the inner amplifier’s stages, for which the transfer function is given by H ( s ) = H 2 ( s ) H 3 ( s ) .
As a bare minimum, the transfer function A EA ( s ) has one pole and may be modeled by
A EA ( s ) = A EA ( 0 ) 1 + s / ω CM ,
and this leads to the following formula for the loop gain of the CMFB loop:
L CM ( s ) = g m CM Z 1 · H ( s ) · A EA ( s ) = A DM ( s ) · A EA ( s ) · g m CM g m 1 ,
where A DM ( s ) = g m 1 Z 1 H ( s ) denotes the differential-mode gain, a third-order transfer function since the differential path has 3 stages. Since A EA ( s ) contains at least one pole, the CMFB loop gain will be at least of the fourth order.
To study the ROC, we plot the magnitudes of A DM ( j ω ) and A EA ( s ) · g m CM g m 1 1 on the same curve and their point of intersection represents the crossover frequency. This is depicted in Figure 3.
As seen in the figure, the worst-case ROC is 80 dB/decade, indicating a negative PM. The PM can be improved by slowing down the CM error amplifier as demonstrated by the dashed curve. This second case exhibits an ROC of 40 dB/decade which indicates a zero PM (marginal stability). The phase margin can be improved to about 45° by aiming for a ROC of 20 dB/decade, but the plot of Figure 3 indicates that achieving this ROC requires slowing down the CM loop considerably, which can only be achieved in an efficient manner by using compensation.
The suggested compensation scheme for this case is shown in Figure 4—adding a compensation capacitor C C M with a buffer. This results in the CM amplifier’s pole ( ω CM ) being defined primarily by the compensation capacitor instead of a much smaller parasitic element. The buffer is added to isolate the differential mode loop and prevent the compensation capacitor from loading it. Note that selecting the output of H 2 for compensation, takes advantage of the Miller effect to allow the use of a smaller physical capacitor compared to using the input of H 2 .
In this case, the CM loop gain is given by
L CM ( s ) = g m CM Z 1 · H ( s ) · A EA ( s ) ,
where
A EA ( s ) = A EA ( 0 ) 1 + s / ω CM ,
showing the reduction in the CMFB error amplifier bandwidth due to the loading by the compensation capacitor. We can thus write
L CM ( s ) g m CM g m 1 · A DM ( s ) · A EA ( s ) .
As noted above, an ROC of about 20 dB/decade can be achieved by reducing the bandwidth of the CMFB error amplifier. To quantify this reduction in bandwidth, we find the critical point at which the ROC changes from 40 dB/decade to 20 dB/decade. This is illustrated in Figure 5 where ω p d denotes the dominant pole of the differential-mode loop.
From Figure 5, the following relationship holds
20 log A DM ( 0 ) · A EA ( 0 ) · g m CM g m 1 = 20 log ω p d ω CM ω CM = ω p d · g m 1 A DM ( 0 ) · A EA ( 0 ) · g m CM ,
which means that the bandwidth of the CMFB loop has to be considerably lower than that of the differential loop as expected. Indeed, considering a differential loop DC gain of 80 dB, we can see that the bandwidth of the common-mode loop may have to be up to 4 orders of magnitudes lower than that of the differential loop. This implies that the CMFB loop may fail to reject CM disturbances that lie within the bandwidth of interest (differential loop bandwidth).

2.1.2. Multiple Loops

In the case of multiple loops, Figure 6 shows the CM equivalent circuit.
First, we note that the loops do not interact with each other, and therefore their stability margins can be studied independently. It is straightforward to show that the loop gains are given by
L CM 1 ( s ) = H 2 ( s ) · A EA 1 ( s ) · g m CM 1 Z 1 L CM 2 ( s ) = g m CM 2 Z 3 · A EA 2 ( s ) ,
with the error amplifier gains modeled by
A EA i s = A EA i 0 1 + s / ω CM i , i = 1 , 2 .
Starting with the simpler self-loop at the output ( L CM 2 ), note that the poles are given by g o 3 C L + C Miller and ω CM 2 where g o 3 represents the output conductance of the third stage, C L represents the load capacitance and C Miller represents the total loading effect of any part of the Miller compensation network (used to compensate the differential-mode loop of the core three-stage amplifier) that is connected to the output. If, by proper design, ω CM 2 is set at a high enough frequency, the self-loop is compensated by the load capacitance and does not need additional compensation.
Turning our attention to L CM 1 , we first start by noting that
H 2 ( s ) = H ( s ) · N ( s ) D ( s ) · 1 H 3 ( 0 ) ,
where N ( s ) and D ( s ) are frequency-dependent factors needed to replace the poles and zeros of H ( s ) with those of H 2 ( s ) . We can therefore express L CM 1 ( s ) as follows:
L CM 1 ( s ) = g m CM 1 g m 1 · A DM ( s ) · A EA 1 ( s ) · N ( s ) D ( s ) · 1 H 3 ( 0 ) .
This means that, if the roots of N ( s ) and D ( s ) are positioned judiciously and H 3 ( 0 ) is large, an ROC that results in sufficient PM can be obtained without compensation.
As a concrete example, assume that the differential-mode amplifier is compensated using single-Miller-capacitor compensation (SMC) [12] with a nulling resistor to cancel the effect of the RHP zero as shown in Figure 7 (this figure is the half-circuit equivalent of the differential-mode loop). In the figure,
Z i ( s ) = 1 g o i + s C i ,
where g o i and C i represent the output conductance and output capacitance of stage i respectively, with C 3 being the load capacitance C L .
The transfer function of the inner amplifier is therefore given by
H ( s ) g m 2 g m 3 g o 2 g o 3 · 1 + s C M R M + s 2 C M C 2 g m 2 g m 3 1 + s C M + C L g o 3 + s 2 C M + C L C 2 g o 2 g o 3 + s 3 C L C M C 2 R M g o 2 g o 3
and
H 2 ( s ) = g m 2 g o 2 · 1 1 + s C 2 g o 2 ,
so that
H 2 ( s ) = H ( s ) · g o 3 g m 3 1 / H 3 ( 0 ) · 1 + s ω z 1 1 + s ω z 2 1 + s ω p 1 1 + s ω p 2 N ( s ) / D ( s ) ,
where
ω z 1 g o 3 C M + C L ω z 2 1 R M C M C L C M + C L ω p 1 1 R M C M ω p 2 g m 2 g m 3 R M C 2 .
This allows us to sketch the ROC curves as shown in Figure 8 with ω p d denoting the dominant pole of the differential-mode gain and L CM 1 denoting the factor A DM L CM 1 so that L CM 1 = A DM / L CM 1 . It can be seen that the ROC is 20 dB/decade, leading to a good PM.
In conclusion, the single-loop solution requires buffered Miller capacitor compensation for the CMFB loop to ensure its stability without affecting the dynamics of the differential-mode loop. On the other hand, the multi-loop solution can achieve stability for both loops without requiring additional compensation capacitors. This result aligns well with intuition because both loops in the multi-loop topology have lower order than the loop in the single-loop topology and may therefore be stabilized simply by proper design, without requiring bulky compensation capacitors.

2.2. Linearity

This section investigates the impact the CMFB loop generated harmonics can have in the overall spectral purity of the differential signals. The following assumptions are made to define the scope of the study:
  • The common-mode error amplifier non-linearity converts the second harmonic of the differential-mode voltage it senses into a common-mode so that its response is given by
    v c m E A = A C M v sens , cm + β C M v sens , d 2 ,
    where v sens , cm is the common-mode component of the voltage sensed by the common-mode error amplifier and v sens , d is the differential component of the same voltage.
  • The common-mode amplifier will only respond to the components given in (17). In other words, other harmonic components generated by intermediate stages are negligible in the way they affect the common mode error amplifier.
In addition, the following conventions will be followed:
  • We will assume that the input voltage produces differential- and common-mode signals at the output of the first stage given by v 1 d m and v 1 c m , respectively.
  • The non-linearity of the intermediate transconductance stages is modeled by:
    i = g m v + β g v 2 + γ g v 3 ,
    where v is the transcondutor’s input voltage and i its output current. β g and γ g represent, respectively, the second- and third-order transconductance gain coefficients. Higher-order non-linear terms are neglected.
The main mechanism by which the CMFB sensor non-linearity affects the linearity of the differential output signal can be described as follows [13]:
  • The non-linearity of the CM error amplifier creates the second harmonic of the differential voltage it senses v sens , d which appears as a common-mode disturbance.
  • The non-linearity of the intermediate stages can mix this second harmonic with the fundamental and create a third-order (and hence differential-mode) distortion.
Note that the non-linearity contribution of the CMFB loop can be reduced to nearly zero if a resistive common-mode sensor is used. In this case, both CMFB loop implementations will yield similar linearity performance. However, this approach often requires the use of large resistors to avoid loading the main gain stages. The large resistors introduce noise, consume a substantial area and render the CMFB loop more difficult to stabilize because they introduce a low-frequency pole at the input of the error amplifier, making this approach impractical for many applications.

2.2.1. Single Loop

For this section, we solve the model of Figure 2 for the the differential output voltage in terms of the other quantities under the assumptions and conventions stated above. The buffered Miller capacitor compensation path is neglected in order to keep the analysis simple, since it is not expected to significantly impact linearity.
The output differential voltage can be expressed as
v od = g m 2 g m 3 Z 2 Z 3 v 1 d + v 1 d 3 HD 3 + f v 1 d , v 1 c m ,
where
1 HD 3 2 Z 1 Z 2 2 Z 3 2 β C M g m 2 g m 3 g m C M Z 2 β 3 g m 2 2 + β 2 g m 3 + γ 3 Z 2 2 g m 2 2 4 g m 3 + β 2 β 3 Z 2 2 g m 3 + γ 2 4 g m 2
and HD 3 denotes third-order harmonic distortion. We can see that the first two terms in (20) are due to the non-linearity of the CMFB error amplifier converted into a differential-mode distortion by the non-linearity in the intermediate stages.

2.2.2. Multiple Loops

Using the same assumptions as before, we get the following expression for HD 3 of the multi-loop solution:
1 HD 3 = 2 Z 1 Z 2 2 β C M 1 g m 2 g m C M 1 Z 2 β 3 g m 2 2 g m 3 + β 2 + γ 3 Z 2 2 g m 2 2 4 g m 3 + β 2 β 3 Z 2 2 g m 3 + γ 2 4 g m 2 .
Now, we consider only the non-linear terms of (20) and (21) contributed by the CM error amplifier non-linearity ( β CM ) and denote the resulting distortion factors by δ . We get
δ single = 2 A v 2 A v 3 2 Z 1 Z 2 β C M g m C M β 2 + A v 2 β 3 g m 2 g m 3 δ multiple = 2 A v 2 Z 1 Z 2 β C M 1 g m C M 1 β 2 + A v 2 β 3 g m 2 g m 3 δ multiple δ single = 1 A v 3 2 · g m C M 1 g m C M .
This ratio is much less than unity, which means that an amplifier using a single CMFB loop will have more distortion than the one that uses multiple loops. Intuitively, this is because in the single-loop case, the distortion products from the second stage are amplified by the third stage inside the loop.

2.3. Noise

For noise analysis, we are interested in the contribution of the CMFB loops to differential-mode noise. As a result, we do not consider the noise from the CM error amplifier as it will appear as CM noise in the differential-mode loop and be rejected by the following stages assuming good matching. It should also be noted that, when deriving the expression for the input-referred differential-mode noise, noise shaping by the CM loop must not be considered since it will only affect common-mode noise.

2.3.1. Single Loop

The only noise sources we need to consider in this case are g m CM and the buffers used in the compensation of the CMFB loop. Note that there will be two such buffers with uncorrelated noise contributions, which will not therefore appear as CM noise. The noise current from g m CM is simply referred to the input by dividing it by g m 1 2 . The input-referred noise of the buffer ( v buff 2 ¯ ) is referred to the input by dividing it by the first and second stage gains and we have the single-ended input-referred noise voltage given by
v n in , se 2 ¯ = 4 k T γ g m CM g m 1 2 + v buff 2 ¯ g m 1 Z 1 ( 0 ) H 2 ( 0 ) 2 ,
where γ is the excess channel noise factor. Since the gain of the first two stages is large, we can write
v n in , se 2 ¯ 4 k T γ g m CM g m 1 2 .
The differential noise voltage is simply twice the single-ended noise voltage [14]:
v n in , diff 2 ¯ 8 k T γ g m CM g m 1 2 .

2.3.2. Multiple Loops

By similar reasoning to the single-loop case, we will consider the g m CM 1 , 2 transconductors as the only noise sources. The noise from g m CM 1 is handled similarly to the single-loop case. Meanwhile, the single-ended output noise voltage contribution of g m CM 2 is given by
v n out , se , CM 2 2 ¯ = i n CM 2 2 ¯ · Z 3 2 ,
so that the input-referred noise due to it alone is given by
v n in , se , CM 2 2 ¯ = i n CM 2 2 ¯ · Z 3 2 A DM 2 ( 0 ) .
The input-referred differential noise voltage in this case will be given by
v n in , diff 2 ¯ = 8 k T γ g m 1 2 · g m CM 1 + g m CM 2 Z 3 2 Z 1 2 H 2 ( 0 )
and again, we may neglect the second component to find
v n in , diff 2 ¯ 8 k T γ g m CM 1 g m 1 2 .
The above analysis shows that, for equal power budgets, the two solutions exhibit nearly identical noise performance. Indeed, as will be shown in the transistor-level implementation, g m 1 and g m CM 1 have the same bias current going through them (current re-use) meaning that with the same device sizes and bias currents, the approximate input-referred noise voltage expressions for the two solutions are identical.

2.4. Common-Mode Disturbance Rejection

A very important metric for the performance of CMFB loops is their ability to reject (attenuate) CM disturbances. This section will examine the CM rejection performance of each solution in response to 2 types of CM disturbance:
  • A CM current injected at the output nodes.
  • A CM voltage imposed on the input nodes.

2.4.1. Single Loop

In the single-loop case, Figure 9 shows the two types of disturbances added to the model with G m ( s ) denoting H 2 ( s ) H 3 ( s ) Z 3 and A EA is the gain of the error amplifier after CMFB loop compensation.
In this case, we can prove that
v o , CM i CM = Z 3 1 + A EA ( s ) H ( s ) g m CM Z 1 v o , CM v i , CM = g m 1 Z 1 H ( s ) 1 + g m CM A EA ( s ) Z 1 H ( s ) g m 1 g m CM A EA ( s ) .
The above expressions show that CM disturbances at the output get rejected with the full loop gain but since this loop gain is compensated, it will have a very low bandwidth. So output common-mode disturbance rejection is possible only over a very narrow bandwidth compared to the bandwidth of the differential-mode loop. On the other hand, a CM input voltage disturbance will be rejected with only modest gain and very low bandwidth.

2.4.2. Multiple Loops

In this case, the disturbance model is shown in Figure 10 where G m 2 ( s ) and G m 3 ( s ) denote, respectively H 2 ( s ) / Z 2 and H 3 ( s ) / Z 3 .
In this case, we have
v o , CM i CM = Z 3 1 + A EA 2 ( s ) g m CM 2 v o CM v i , CM = g m 1 Z 1 H 2 ( s ) H 3 ( s ) 1 + g m CM 1 A EA 1 ( s ) H 2 ( s ) Z 1 1 + g m CM 2 Z 3 A EA 2 ( s ) g m 1 G m 3 ( s ) g m CM 1 g m CM 2 A EA 1 ( s ) A EA 2 ( s ) .
We immediately see that the output disturbance gets rejected with a lower gain than in the single-loop case but over a much wider bandwidth. In the case of an input voltage disturbance, the disturbance gets rejected with a higher-gain than the single-loop case over a comparable bandwidth. This assumes that the bandwidth of the second CM loop is high enough that the rejection bandwidth will be fixed by loop 1. We therefore conclude that the single-loop case is better at rejecting output CM disturbances at low-frequency while the multi-loop case is better at rejecting input CM disturbances.

3. Design Case Study

In this section, transistor-level simulation results (using Spectre ®) for a 3-stage OTA design will be used to corroborate the theoretical discussions of the previous section. First, some performance specifications are established, then a specific topology is selected and designed for both CMFB implementations. One of the main goals of the approach taken here is to design both solutions with equal gain and similar power consumption. It is important for both designs to have these similar metrics so that a fair comparison can be made between the two solutions.
All the design and simulation results reported here reference a TSMC 180 nm CMOS process with a power supply of 1.8 V.

3.1. Performance Specifications

The design of the OTA will target a unity-gain frequency (UGF) of 200 MHz, where the desired application in this case is an active-RC filter with a 20 MHz corner frequency, commonly used in multiple receiver standards [15]. The capacitive load is assumed to be 1 pF.
As stated in [16,17,18,19], the design of 3-stage OTAs is best approached in the time domain. With the target application in mind, we note that a 20 MHz signal has a period of 50 ns. As a good rule of thumb, therefore, we will specify that the OTA’s settling time should not exceed 5 ns (i.e., 10% of the signal’s period).

3.2. Topology Choice and System-Level Design

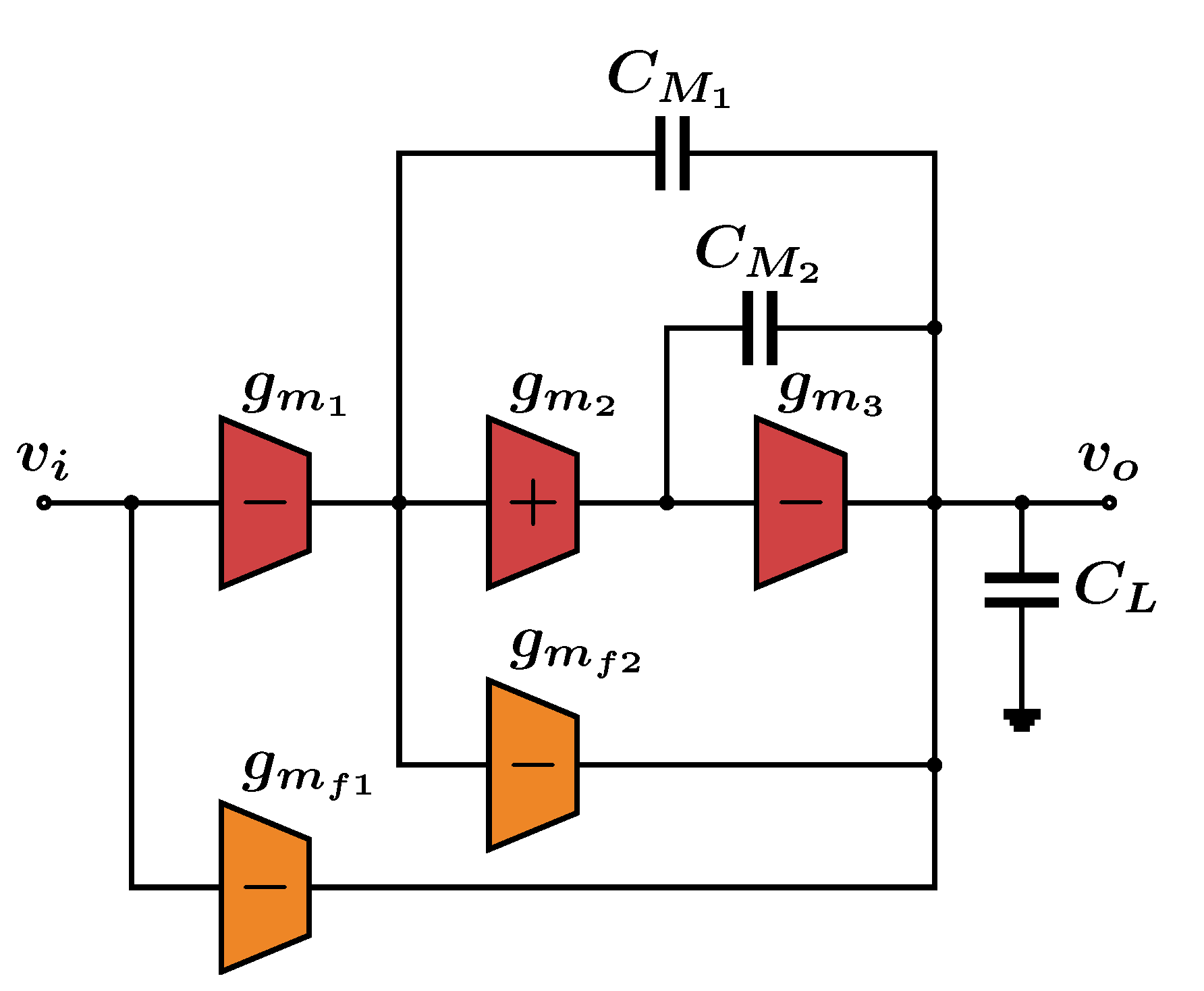
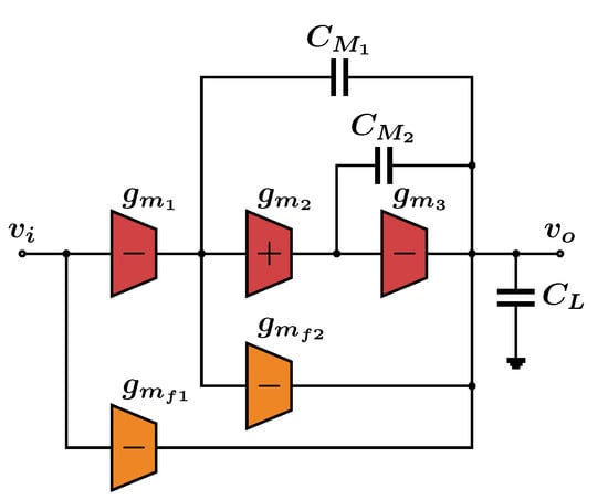
Since the chosen capacitive load is not large, choosing a topology with a compensated inner amplifier will result in a more power-efficient design. In this case, the nested G m -C topology [20] is chosen. Figure 11 shows the half-circuit equivalent small-signal model of this topology.
We denote the output conductance and parasitic capacitance of stage i by g o i and C i , respectively. Assuming g m f 1 = g m 1 and g m f 2 = g m 2 , the transfer function of the nested G m - C OTA is given by [20]:
H ( s ) = g m 1 g m 2 g m 3 g o 1 g o 2 g o 3 + s g m 2 g m 3 C M 1 + s 2 g m 3 C M 1 C M 2 + s 3 C L C M 1 C M 2 .
so that the non-dominant pole pair is defined by its natural frequency ω 0 and quality factor Q given by   
ω 0 2 = g m 2 g m 3 C M 2 C L Q = g m 2 C M 2 ω 0 = g m 2 g m 3 · C L C M 2 .
Defining ω 0 ¯ = ω 0 GBW , we can generate a contour plot for the normalized settling time in the ω 0 ¯ Q space via numerical simulations. The result is shown in Figure 12. Note that the settling time definition used here is the time it takes for the amplifier’s output to reach, and stay, within 1% of its final steady-state value.
Assuming proper pole-zero cancellation and pole placement, the amplifier’s response can be approximated as a one-pole system with U G F G B W . Since the intended UGF is 200 MHz, we need a normalized settling time of
T s ¯ = T s × UGF = 5   ns × 2 π × 200   MHz = 2 π .
Using Figure 12 as reference, we thus choose ω 0 ¯ = 2.3 and Q = 1 2 as highlighted in the figure. From the expression for Q we have   
g m 2 C M 2 ω 0 ¯ × GBW = 1 2 g m 2 C M 2 = 2.04 Grad s .
Using this value and the equation for ω 0 , we get g m 3 = 4 mS. Assuming C M 1 = 0.2 pF and C M 2 = 0.1 pF, we get g m 1 = 251 μS and g m 2 = 204 μS, thus completing the design process.
To verify the accuracy of this system design, a macromodel was built with ideal voltage-controlled current sources and simulation results required g m 2 to be adjusted to obtain the required UGF and settling time. The final value chosen was 300 μS. Other parameters of the design remained as chosen above. Figure 13 shows the Bode plot of the gain of the simulated macromodel while Figure 14 shows its unit step response under unity-gain feedback. It can be seen that the target specifications were met by this choice of system parameter values.

3.3. Transistor-Level Amplifier

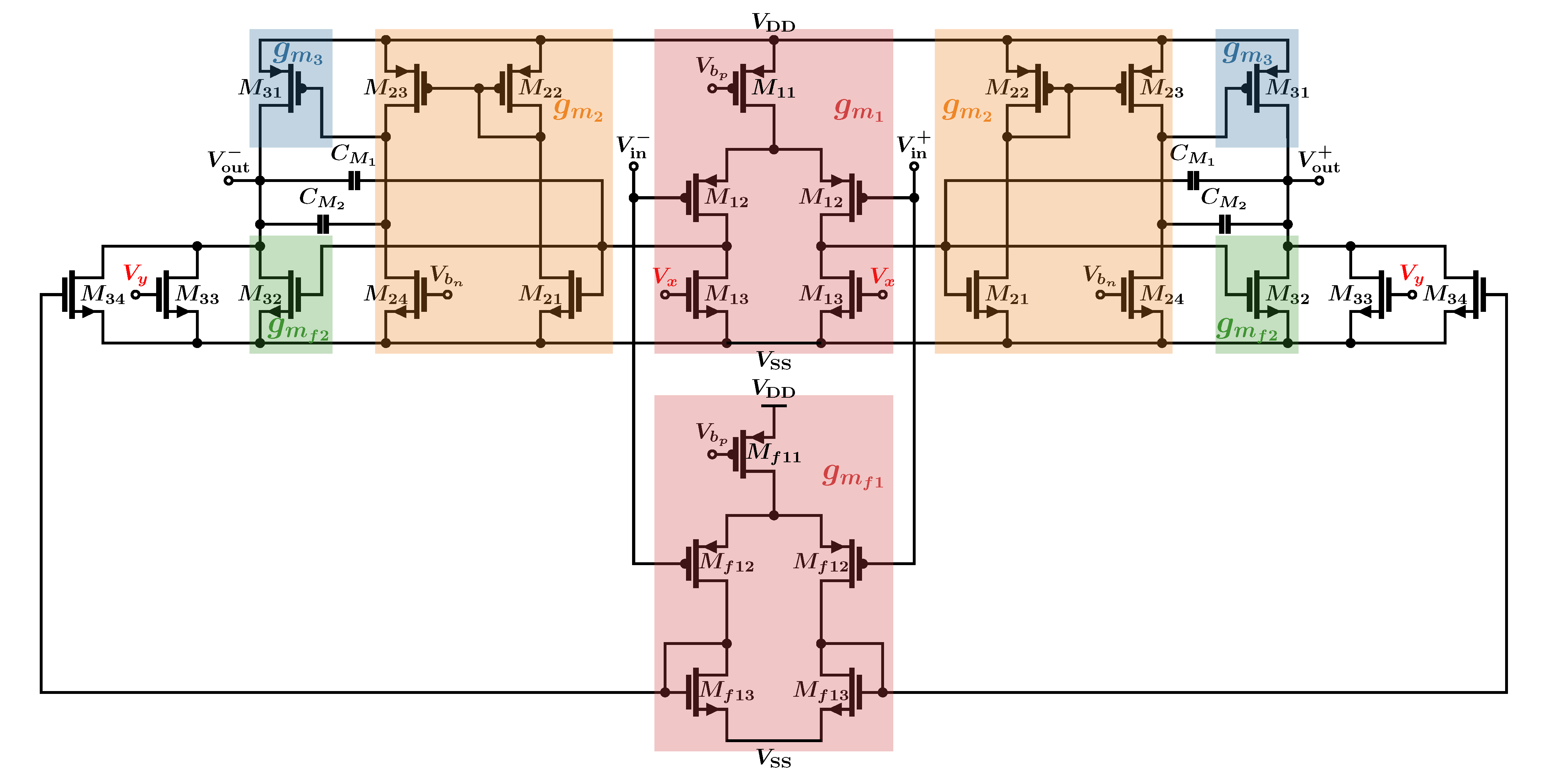
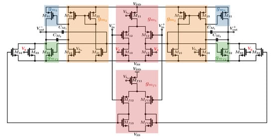
Figure 15 shows the transistor implementation of the fully-differential nested G m -C OTA with the transistors belonging to different sub-blocks highlighted. It should be noted that V x is set by the CMFB loop in both solutions while V y is set by static bias in the single-loop solution and by the second CMFB loop in the multi-loop solution. Both V x and V y are highlighted in red in the figure.
As can be seen in Figure 15, devices M 12 implement g m 1 while devices M 13 implement g m CM 1 exploiting current re-use to limit power consumption and, as noted above, leading the ratio g m CM 1 / g m 1 to be the same in both solutions. Devices M 22 and M 23 form a current mirror that converts the polarity of g m 2 to positive as required to make the feedback through the Miller capacitor C M 1 negative. Devices M 33 supply extra current to the two output branches to ensure that g m 3 has the required value.
The design of the amplifier core was approached as follows:
  • Devices M 12 were sized to provide the required g m 1 with a V DSAT of 200 mV.
  • Devices M 13 were sized to sink the current of M 12 with a V DSAT of 150 mV.
  • The g mf 1 stage was sized in an identical fashion to the g m 1 stage to ensure g mf 1 g m 1 .
  • Devices M 21 were sized to have the same current density as M 13 with the ratio of their sizing being g m 2 / g m 13 devices M 24 were matched to M 21 .
  • Devices M 22 and M 23 were sized equally to provide current mirroring with a V DSAT of 200 mV.
  • Devices M 31 were sized to have the same current density as M 22 and M 23 with the ratio of their sizing being g m 3 / g m 23 .
  • Devices M 32 were initially matched to M 21 to ensure g mf 2 g m 2 but ended up being made larger to create a left-half-plane (LHP) zero and improve the phase margin in the presence of an additional parasitic pole (due to resistive feedback when the core amplifier is connected as a unity-gain inverting amplifier).
  • Devices M 34 were matched to devices M f 13 .
  • Devices M 33 were matched to M 21 in current density. They were sized to provide a current equal to the current required by M 31 minus the currents supplied by M 32 and M 34 .
Table 1 shows the final device sizes in the core amplifier in accordance with the above design procedure. Table 2 shows the capacitor values used with C CM denoting the capacitor used to compensate the CMFB loop in the single-loop solution.

3.4. Design of Auxiliary Amplifiers

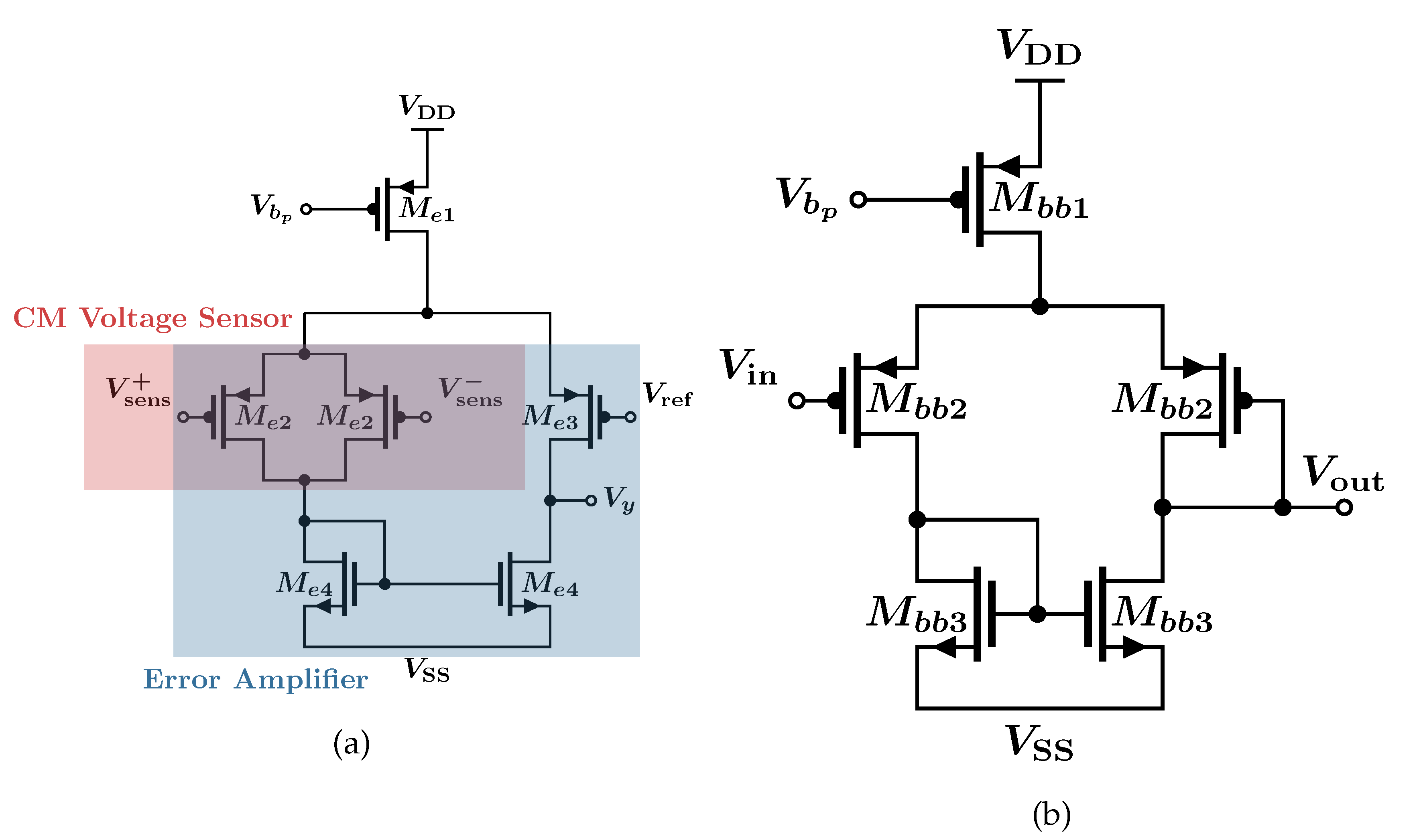
There are three different types of auxiliary amplifiers used in the design:
  • A low-gain CM error amplifier.
  • A high-gain CM error amplifier (used to provide a high enough gain in the second loop of the multi-loop solution to ensure good CM output voltage accuracy)
  • An amplifier configured in unity-gain feedback to act as a buffer for the compensation of the CMFB loop in the single-loop solution.
Figure 16 shows the error amplifiers used in the single-loop solution and the first loop of the multi-loop solution while Figure 17 shows the high-gain amplifier used in the second loop of the multi-loop solution as well as the unity-gain buffer used to compensate the CMFB loop of the single-loop solution. The basic underlying structure of all 4 amplifiers is the same but their wiring is different. It should be noted that CM error amplifiers deliberately use the differential-difference-amplifier-based CM voltage sensing (instead of using resistors to sense the CM voltage) because this makes the CM sensor more non-linear [21] and therefore emphasizes the effect of its non-linearity on the linearity of the amplifier.
The approach used to design these amplifiers was as follows:
  • Start by assigning a portion of the current budget to the error amplifier with respect to the g m CM devices. For the case of the single-loop solution, the current through devices M e 2 M e 4 was the same as the current in M 13 , for loop 1 of the multi-loop solution, the same devices were made to carry only half of the current of M 13 while in loop 2 they were made to carry 1 32 of the current of M 33 so that the power consumption of the two solutions remains the same.
  • Size the input devices M e 2 M e 3 with the appropriate V DSAT . A value of 150 mV was sufficient for the single-loop case and loop 2 of the multi-loop case because the reference voltage is set at mid-supply. In the case of loop 1 of the multi-loop case, it was necessary to reduce the V DSAT to 100 mV because the reference voltage driving these devices ( V ref 1 ) is higher than mid-supply (∼1.1 V). Each of the M e 2 devices is half the size of the corresponding M e 3 device.
  • Finally, devices M e 4 are matched in current density to the g m CM device they will be connected to and sized in accordance with the ratio of currents chosen in the first step.
  • The buffer devices are sized identically to the single-loop error amplifier devices but connected differently as shown in Figure 17.
Table 3 shows the final sizes of the devices used in the auxiliary amplifiers in the single-loop solution while Table 4 shows those of the multi-loop solution.

3.5. Auxiliary Amplifier Responses

To make sure the auxiliary amplifiers work as expected, their transfer functions were simulated separately and are shown in Figure 18. In all cases, the single-pole approximation seems warranted except in the single-loop case where the amplifier has a RHP zero due to the drain-to-gate device capacitance of devices M e 2 in Figure 16a. This does not affect the stability of the CMFB loop significantly and using a compensation capacitor to stabilize the CMFB loop is still possible.

3.6. Reference Voltage Generation

To generate the internal reference V ref 1 shown in Figure 16b, recall that the M 31 devices were matched in current density to the M 23 devices, so a good voltage level to set the gates of M 31 is the (common-mode) voltage at the gates of M 23 . In order to generate this CM voltage, a replica reference generator circuit (shown in Figure 19) was used. In the figure, the M 21 devices have the same size as the M 21 devices with the gate of each device connected to one of the two M 21 devices. The M 22 device, therefore, has twice the size of the two M 22 devices in the core amplifier.

3.7. DC Simulation Results

Table 5 shows the DC simulation results for both solutions along with the specified values in the initial design. It is seen that both solutions have very similar power budgets and have achieved the specified values of all the transconductances (with the exception of g m f 2 ) as discussed above.

3.8. Differential Loop Response

For this test, the differential loop gain was simulated using two different methods—with the amplifier in open loop (using ac analysis) and with the OTA configured as a unity-gain inverting amplifier with 10 kΩ feedback resistors (using stability analysis). In addition, the settling time performance is tested by injecting a 100 mV p p differential step superimposed on top of the input common mode voltage to the OTA set in unity-gain inverting amplifier configuration.
Figure 20 shows the transfer function of the differential-mode loop of the single-loop solution. Along with measuring the loop gain in two ways as explained above, the macromodel used for system design was fed with the parameter values obtained from the DC simulation and the loop’s transfer function was plotted. It can be seen that the macromodel is fairly accurate and sufficient for initial design. The discrepancy between the macromodel results and the simulation results at high frequencies is due to parasitic capacitance and other second-order effects not accounted for in the macromodel. In addition, the closed-loop simulation takes into account the parasitic pole due to the interaction of the feedback resistors with the amplifier’s input capacitance, which accounts for the discrepancy between the two simulation methods.
Figure 21 shows the single-ended and differential output voltage in response to the input step pulse for the single-loop solution. This confirms the stability of the loop assessed from the frequency-domain results.
Figure 22 and Figure 23 show the corresponding results for the multi-loop solution with similar conclusions. Note that the single-ended output response exhibits some CM ringing because the CMFB loop has lower phase margin than its single-loop counterpart as will be discussed in the next section.
Table 6 summarizes the simulation results for both cases. It can be seen that the settling time specification was not met due to the parasitic pole not being accounted for in the macromodel.

3.9. CMFB Loop Responses

The frequency- and time-domain responses for the CMFB loops were tested for both solutions in an inverting amplifier configuration. The time-domain response was tested by injecting 100 μA CM current step at the output nodes of the amplifier and measuring the CM output voltage.
Figure 24 shows the frequency-domain results for the single-loop case while Figure 25 shows the results for the multi-loop case.
The transient responses (in both cases) for the loop settling after a CM current disturbance injected at the output are shown in Figure 26. It should be noted that, due to the poorer PM of loop 2, the multi-loop case takes a slightly longer time to settle. In addition, because of its lower DC gain, there is a 2 mV static error in the CM output voltage when the CM disturbance is injected compared to normal conditions.
Table 7 summarizes the results for all CMFB loops. It can be seen that the CMFB loop in the single-loop case is more stable than loop 2 in the multi-loop case. If more stability is needed in the multi-loop case, compensation capacitors can be added at the expense of area and power (since the capacitors will have to be buffered as well). The results, however, demonstrate that it is possible to design the multi-loop implementation for stability without requiring the use of compensation capacitors, thereby saving on area (and power, by avoiding the use of power-hungry voltage buffers).

3.10. Linearity

To assess the linearity of the amplifiers, a differential sinusoidal signal with 10 kHz frequency was applied at the input (superimposed on the input CM level) with the amplifier set in unity-gain feedback. The amplitude of the input signal was swept and the HD 3 of the output differential voltage was obtained. The results are shown in Figure 27. The results clearly confirm the theoretical analysis where the linearity of the multi-loop solution is seen to be superior to the single-loop one. Given the fact that both amplifiers have identical differential-mode loops (particularly, identical overdrive voltages for the input stages), it stands to reason that the origin of the difference in performance lies in the CMFB implementation.

3.11. Noise

To analyze noise performance, each OTA was put in inverting unity-gain feedback configuration, the noise analysis was used to obtain the spectrum of the input-referred noise. Figure 28 shows the noise spectra for both cases. The simulation results are in agreement with analysis since the two spectra are virtually identical as illustrated by the bottom curve of Figure 28 showing the difference between the single-loop spectrum and the multi-loop spectrum.

3.12. CM Disturbance Rejection

To simulate the CM disturbance rejection, an AC input CM voltage disturbance is injected to the amplifiers in a unity-gain inverting configuration, measuring the spectrum of the output CM voltage. The result is shown in Figure 29 and confirms the theoretical results.

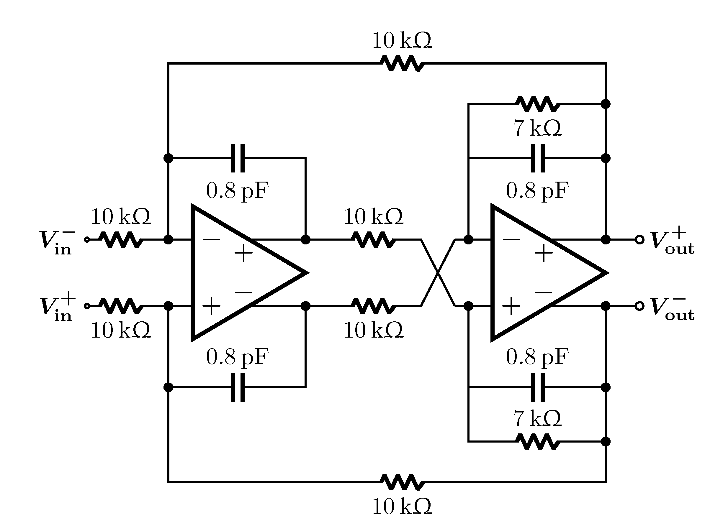
3.13. Filter Implementation

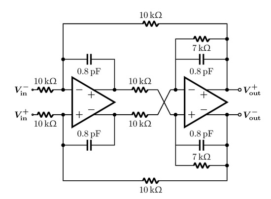
To demonstrate the impact of the CMFB loop implementation in a practical setting, each of the OTAs was used to implement an active-RC biquad implementing the second-order Butterworth low-pass function with a cut-off frequency of 20 MHz. Figure 30 shows the final design of the biquad filter. The OTAs used in the biquad are both using the same CMFB topology (i.e., 2 single-loop CMFB OTAs or 2 multi-loop CMFB OTAs).
The biquad filter was simulated twice—once with the single-CMFB-loop OTA and once with the multi-CMFB-loop OTA used for its implementation. Figure 31 shows the transfer function of the transistor-level biquad circuit in both cases (both OTA implementation cases exhibit the same biquad transfer function) compared to the ideal transfer function. It is noted that the transistor-level implementations succeed in implementing the required transfer function at low-to-moderate frequencies and the discrepancies present in high frequencies are due to parasitics and second order effects.
As can be seen in Figure 27, the linearity improvement due to the use of multiple CMFB loops only becomes apparent at large input amplitudes (i.e., in the strong non-linearity regime). As such, the 1 -dB compression point is used as a metric to emphasize the difference in the filter’s linearity performance in the region of strong non-linearity. Compression can be a significantly damaging effect on receiver chains (a common application of filters), either as a result of the type of modulation employed or due to the presence of large in-bandwidth blockers appearing from interference or transmitter leakage [22]. Figure 32 shows the compression point curves for both implementations.
The curves were obtained by stimulating the input with the two-tone test frequencies of 4.5 MHz and 4.6 MHz [15]. The input amplitude was swept and the output amplitude at the fundamental tone was observed (4.5 MHz). This method was used because the multi-loop biquad implementation did not exhibit compression when the input was a single tone. Likely due to the drop in gain inside the loop at the higher frequency harmonics. From the curves, it can be seen that the input-referred 1 -dB compression point ( P 1 dB ) for the single-loop biquad is 2.34 dBm while that for the multi-loop biquad is 9.08 dBm. This demonstrates that the relative linearity merits of the multi-loop implementation still hold when the OTA is used in a relevant high-linearity application. Table 8 shows a comparison of the filter design with the state of the art. Although the results from this work are simulation-only, the values of P 1 dB give additional context to understand the significant performance advantage to be gained by choosing the proper CMFB implementation, while remaining competitive in regards to power per pole.

4. Discussion

Table 9 summarizes the relative merits of the two CMFB implementations. Even though the initial intuition of a designer may be to use a single CMFB loop when implementing a fully differential 3-stage OTA, it turns out the single-loop solution is not necessarily less expensive or complex than the multi-loop one, because it necessitates the use of compensation capacitors and buffers for the CMFB loop to guarantee stability. While there is no significant difference between the two approaches regarding noise performance, the multi-loop implementation has a clear advantage in terms of input CM disturbance rejection and linearity. Thus, the multi-loop solution should be the preferred implementation for CMFB when the amplifier is intended for a high-linearity or high-frequency application. However, the higher rejection gain to output CM disturbances (albeit at a reduced bandwidth) may be a more critical specification in some applications, particularly if the design is not intended for high-frequency operation, which relaxes the stability constraints in the single-loop implementation. Furthermore, there may be other parameters to consider when deciding the type of CMFB implementation, such as power supply rejection, which depends heavily on the specific transistor implementation, and therefore is beyond the scope of this work’s topology agnostic analysis.

5. Conclusions

This paper explores two possible CMFB implementations for fully differential three-stage OTAs—using a single loop or two independent loops. The merits of each approach are evaluated in terms of their impact on stability, linearity, noise and CMR. We demonstrate the advantages of the multi-loop solution when targeting high-linearity or high-frequency applications and the single-loop superior output CM rejection.
The preceding conclusions are supported through a topology agnostic theoretical analysis and are verified through simulation of a design case example (Nested G m -C OTA in TSCM 180 nm process). A 2nd order Butterworth Low-Pass Filter was also simulated using both approaches to provide an application example and to demonstrate how the design choice of the CMFB implementation can impact system-level performance, showing that using a multi-loop CMFB can improve the 1-dB compression point of the filter by more than 6 dBs compared to a single loop implementation, without any changes in the differential path.

Author Contributions

Conceptualization, J.R.; formal analysis, J.R. and S.S.-A; investigation, J.R. and J.J.E.-L.; writing—original draft preparation, J.R.; writing—review and editing, S.S.-A., J.J.E.-L. and O.M.-T.; supervision, O.M.-T. and E.S.-S.; funding acquisition, E.S.-S. All authors have read and agreed to the published version of trhe manuscript.

Funding

This work was funded in part by Texas Instruments and in part by the National Science Foundation under Grant No. ECCS-2000851.

Conflicts of Interest

The authors declare no conflict of interest.

Abbreviations

The following abbreviations are used in this manuscript:
CMCommon-Mode
CMRCommon-Mode Rejection
CMFBCommon-Mode Feedback
GBWGain-Bandwidth Product
GMGain Margin
LHPLeft-Half Plane
OTAOperational Transconductance Amplifier
PMPhase Margin
RHPRight-Half Plane
ROCRate of Closure
SMCSingle-Miller Capacitor
UGFUnity-Gain Frequency

References

  1. Carusone, T.C.; Johns, D.A.; Martin, K. Analog Integrated Circuit Design; John Wiley & Sons: Hoboken, NJ, USA, 2011. [Google Scholar]
  2. Palumbo, G.; Pennisi, S. Design Methodology and Advances in Nested-Miller Compensation. IEEE Trans. Circuits Syst. Fundam. Theory Appl. 2002, 49, 893–903. [Google Scholar] [CrossRef]
  3. Cheng, Q.; Li, W.; Tang, X.; Guo, J. Design and Analysis of Three-Stage Amplifier for Driving pF-To-nF Capacitive Load Based on Local Q-Factor Control and Cascode Miller Compensation Techniques. Electronics 2019, 8, 572. [Google Scholar] [CrossRef]
  4. Xu, G.; Embabi, S.H.K. A systematic approach in constructing fully differential amplifiers. IEEE Trans. Circuits Syst. II Analog. Digit. Signal Process. 2000, 47, 1547–1550. [Google Scholar] [CrossRef]
  5. Saxena, V.; Baker, R.J. Indirect Compensation Techniques for Three-Stage Fully-Differential Op-Amps. In Proceedings of the 2010 53rd IEEE International Midwest Symposium on Circuits and Systems; IEEE: New York, NY, USA, 2010; pp. 588–591. [Google Scholar] [CrossRef]
  6. Saxena, V.; Balagopal, S.; Baker, R.J. Systematic Design of Three-Stage Op-Amps using Split-Length Compensation. In Proceedings of the 2011 IEEE 54th International Midwest Symposium on Circuits and Systems (MWSCAS), Seoul, Korea, 7–10 August 2011; IEEE: New York, NY, USA, 2011; pp. 1–4. [Google Scholar] [CrossRef]
  7. Golabi, S.; Yavari, M. Design of CMOS three-stage amplifiers for fast-settling switched-capacitor circuits. Analog. Integr. Circuits Signal Process. 2014, 80, 195–208. [Google Scholar] [CrossRef]
  8. Pernici, S.; Nicollini, G.; Castello, R. A CMOS low-distortion fully differential power amplifier with double nested Miller compensation. IEEE J. Solid-State Circuits 1993, 28, 758–763. [Google Scholar] [CrossRef]
  9. Wait, J.; Huelsman, L.; Korn, G. Introduction to Operational Amplifier Theory and Applications; McGraw-Hill: New York, NY, USA, 1975. [Google Scholar]
  10. Yan, Z.; Mak, P.I.; Law, M.; Martins, R. A 0.016-mm2 144-W Three-Stage Amplifier Capable of Driving 1-To-15 nF Capacitive Load With > 0.95-MHz GBW. IEEE J. Solid-State Circuits 2013, 48, 527–540. [Google Scholar] [CrossRef]
  11. Grasso, A.D.; Marano, D.; Palumbo, G.; Pennisi, S. High-Performance Three-Stage Single-Miller CMOS OTA With No Upper Limit of CL. IEEE Trans. Circuits Syst. II Express Briefs 2018, 65, 1529–1533. [Google Scholar] [CrossRef]
  12. Fan, X.; Mishra, C.; Sanchez-Sinencio, E. Single Miller Capacitor Frequency Compensation Technique for Low-Power Multistage Amplifiers. IEEE J. Solid-State Circuits 2005, 40, 584–592. [Google Scholar]
  13. Mohieldin, A.N. High Performance Continuous-Time Filters for Information Transfer Systems. Ph.D. Thesis, Texas A&M University, College Station, TX, USA, 2003. [Google Scholar]
  14. Behzad, R. Design of Analog CMOS Integrated Circuits, 3rd ed.; McGraw-Hill: New York, NY, USA, 2001. [Google Scholar]
  15. Amir-Aslanzadeh, H.; Pankratz, E.; Sanchez-Sinencio, E. A 1-V +31 dBm IIP3, Reconfigurable, Continuously Tunable, Power-Adjustable Active-RC LPF. IEEE J. Solid-State Circuits 2009, 44, 495–508. [Google Scholar] [CrossRef]
  16. Pugliese, A.; Amoroso, F.; Cappuccino, G.; Cocorullo, G. Settling Time Optimization for Three-Stage CMOS Amplifier Topologies. IEEE Trans. Circuits Syst. I Regul. Pap. 2009, 56, 2569–2582. [Google Scholar] [CrossRef]
  17. Seth, S.; Murmann, B. Settling Time and Noise Optimization of a Three-Stage Operational Transconductance Amplifier. IEEE Trans. Circuits Syst. I Regul. Pap. 2013, 60, 1168–1174. [Google Scholar] [CrossRef]
  18. Riad, J.; Estrada-López, J.J.; Sánchez-Sinencio, E. Classification and Design Space Exploration of Low-Power Three-Stage Operational Transconductance Amplifier Architectures for Wide Load Ranges. Electronics 2019, 8, 1268. [Google Scholar] [CrossRef]
  19. Giustolisi, G.; Palumbo, G. Efficient Design Strategy for Optimizing the Settling Time in Three-Stage Amplifiers Including Small- and Large-Signal Behavior. Electronics 2021, 10, 612. [Google Scholar] [CrossRef]
  20. You, F.; Embabi, S.H.K.; Sanchez-Sinencio, E. Multistage Amplifier Topologies With Nested Gm-C Compensation. IEEE J. Solid-State Circuits 1997, 32, 2000–2011. [Google Scholar] [CrossRef]
  21. Duque-Carrillo, J.F. Control of the Common-Mode Component in CMOS Continuous-Time Fully Differential Signal Processing. Analog. Integr. Circuits Signal Process. 1993, 4, 131–140. [Google Scholar] [CrossRef]
  22. Razavi, B. RF Microelectronics, 2nd ed.; Pearson Education: London, UK, 2011. [Google Scholar]
  23. Lim, J.; Kim, J. A 20-kHz 16-MHz Programmable-Bandwidth 4th Order Active Filter Using Gain-Boosted Opamp With Negative Resistance in 65-nm CMOS. IEEE Trans. Circuits Syst. II Express Briefs 2019, 66, 182–186. [Google Scholar] [CrossRef]
  24. Xu, Y.; Venkatachala, P.K.; Leuenberger, S.; Moon, U.K. A 7.5mW 35–70MHz 4th-order semi-passive charge-sharing band-pass filter with programmable bandwidth and 72 dB stop-band rejection in 65 nm CMOS. In Proceedings of the 2016 IEEE Radio Frequency Integrated Circuits Symposium (RFIC), San Francisco, CA, USA, 22–24 May 2016; IEEE: New York, NY, USA, 2016; pp. 162–165. [Google Scholar] [CrossRef]
  25. Lavalle-Aviles, F.; Sánchez-Sinencio, E. A 0.6-V Power-Efficient Active-RC Analog Low-Pass Filter With Cutoff Frequency Selection. IEEE Trans. Very Large Scale Integr. (Vlsi) Syst. 2020, 28, 1757–1769. [Google Scholar] [CrossRef]
  26. Park, C.; Tavares, Y.A.; Lee, J.; Wo, J.; Lee, M. 5th-Order Continuous-Time Low-Pass Filter Achieving 56 MHz Bandwidth 30.5 dBm IIP3 with a Novel Low-Distortion Amplifier. IEEE Trans. Circuits Syst. II Express Briefs 2020. [Google Scholar] [CrossRef]
Figure 1. Possible common-mode feedback (CMFB) implementations for a 3-stage amplifier. The blocks labeled H2(s) and H3(s) together constitute the inner amplifier, including its compensation network.
Figure 1. Possible common-mode feedback (CMFB) implementations for a 3-stage amplifier. The blocks labeled H2(s) and H3(s) together constitute the inner amplifier, including its compensation network.
Electronics 10 00991 g001
Figure 2. Small-signal model of the common-mode (CM) equivalent circuit for the single-loop design.
Figure 2. Small-signal model of the common-mode (CM) equivalent circuit for the single-loop design.
Electronics 10 00991 g002
Figure 3. Rate of closure (ROC) curves for the single-loop design.
Figure 3. Rate of closure (ROC) curves for the single-loop design.
Electronics 10 00991 g003
Figure 4. Small-signal model of the CM equivalent circuit for the compensated single-loop design.
Figure 4. Small-signal model of the CM equivalent circuit for the compensated single-loop design.
Electronics 10 00991 g004
Figure 5. ROC curves for the compensated single-loop design.
Figure 5. ROC curves for the compensated single-loop design.
Electronics 10 00991 g005
Figure 6. Small-signal model of the CM equivalent circuit for the multi-loop design.
Figure 6. Small-signal model of the CM equivalent circuit for the multi-loop design.
Electronics 10 00991 g006
Figure 7. Example of the compensation strategy of the differential-mode loop.
Figure 7. Example of the compensation strategy of the differential-mode loop.
Electronics 10 00991 g007
Figure 8. ROC curves for the first single-Miller-capacitor compensation (CMFB) loop with the SMC compensation example.
Figure 8. ROC curves for the first single-Miller-capacitor compensation (CMFB) loop with the SMC compensation example.
Electronics 10 00991 g008
Figure 9. CM equivalent small-signal model for CM disturbance rejection in the single-loop solution.
Figure 9. CM equivalent small-signal model for CM disturbance rejection in the single-loop solution.
Electronics 10 00991 g009
Figure 10. CM equivalent small-signal model for CM disturbance rejection in the multi-loop solution.
Figure 10. CM equivalent small-signal model for CM disturbance rejection in the multi-loop solution.
Electronics 10 00991 g010
Figure 11. Half-circuit equivalent small-signal model for the nested G m - C topology.
Figure 11. Half-circuit equivalent small-signal model for the nested G m - C topology.
Electronics 10 00991 g011
Figure 12. Contour plots of the normalized settling time ( T S · Gain-Bandwidth Product (GBW) to the right) as a function of non-dominant pole parameters ( ω 0 and Q), final design point highlighted.
Figure 12. Contour plots of the normalized settling time ( T S · Gain-Bandwidth Product (GBW) to the right) as a function of non-dominant pole parameters ( ω 0 and Q), final design point highlighted.
Electronics 10 00991 g012
Figure 13. Transfer function of the macromodel of the designed Operational Transconductance Amplifier (OTA).
Figure 13. Transfer function of the macromodel of the designed Operational Transconductance Amplifier (OTA).
Electronics 10 00991 g013
Figure 14. Step response of the macromodel of the designed OTA.
Figure 14. Step response of the macromodel of the designed OTA.
Electronics 10 00991 g014
Figure 15. Schematic of the fully differential nested G m - C OTA.
Figure 15. Schematic of the fully differential nested G m - C OTA.
Electronics 10 00991 g015
Figure 16. Low-gain auxiliary amplifiers: (a) Error amplifier for the CMFB loop of the single-loop solution (b) Error amplifier for the CMFB loop 1 of the multi-loop solution.
Figure 16. Low-gain auxiliary amplifiers: (a) Error amplifier for the CMFB loop of the single-loop solution (b) Error amplifier for the CMFB loop 1 of the multi-loop solution.
Electronics 10 00991 g016
Figure 17. High-gain auxiliary amplifiers: (a) Error amplifier for CMFB loop 2 of the multi-loop solution (b) Amplifier in unity-gain feedback acting as a buffer for the compensation of the CMFB loop in the single-loop solution.
Figure 17. High-gain auxiliary amplifiers: (a) Error amplifier for CMFB loop 2 of the multi-loop solution (b) Amplifier in unity-gain feedback acting as a buffer for the compensation of the CMFB loop in the single-loop solution.
Electronics 10 00991 g017
Figure 18. Transfer function of the CMFB error amplifiers used in the different CMFB loops, (a) magnitude and (c) phase for the single-loop case and (b) magnitude and (d) phase for the multi-loop case.
Figure 18. Transfer function of the CMFB error amplifiers used in the different CMFB loops, (a) magnitude and (c) phase for the single-loop case and (b) magnitude and (d) phase for the multi-loop case.
Electronics 10 00991 g018
Figure 19. Replica reference generator for the CM error amplifier of Figure 16b.
Figure 19. Replica reference generator for the CM error amplifier of Figure 16b.
Electronics 10 00991 g019
Figure 20. Transfer function of the differential loop in the single-loop solution (a) magnitude and (b) phase.
Figure 20. Transfer function of the differential loop in the single-loop solution (a) magnitude and (b) phase.
Electronics 10 00991 g020
Figure 21. Differential-mode step response of the single-loop solution: (a) single-ended output voltages and (b) differential output voltage.
Figure 21. Differential-mode step response of the single-loop solution: (a) single-ended output voltages and (b) differential output voltage.
Electronics 10 00991 g021
Figure 22. Transfer function of the differential loop in the multi-loop solution (a) magnitude and (b) phase.
Figure 22. Transfer function of the differential loop in the multi-loop solution (a) magnitude and (b) phase.
Electronics 10 00991 g022
Figure 23. Differential-mode step response of the multi-loop solution: (a) single-ended output voltages and (b) differential output voltage.
Figure 23. Differential-mode step response of the multi-loop solution: (a) single-ended output voltages and (b) differential output voltage.
Electronics 10 00991 g023
Figure 24. Transfer function of the CMFB loop in the single-loop case (a) magnitude and (b) phase.
Figure 24. Transfer function of the CMFB loop in the single-loop case (a) magnitude and (b) phase.
Electronics 10 00991 g024
Figure 25. Transfer functions of the CMFB loops in the multi-loop case: (a) magnitude and (b) phase.
Figure 25. Transfer functions of the CMFB loops in the multi-loop case: (a) magnitude and (b) phase.
Electronics 10 00991 g025
Figure 26. CM step response (a) Single-loop and (b) Multi-loop.
Figure 26. CM step response (a) Single-loop and (b) Multi-loop.
Electronics 10 00991 g026
Figure 27. Comparison of the linearity of the CMFB solutions.
Figure 27. Comparison of the linearity of the CMFB solutions.
Electronics 10 00991 g027
Figure 28. Input-referred noise for both cases: (a) input-referred noise and (b) difference between the input-referred noise in the single-loop case and that in the multi-loop case.
Figure 28. Input-referred noise for both cases: (a) input-referred noise and (b) difference between the input-referred noise in the single-loop case and that in the multi-loop case.
Electronics 10 00991 g028
Figure 29. Input common-mode disturbance rejection.
Figure 29. Input common-mode disturbance rejection.
Electronics 10 00991 g029
Figure 30. Active-RC biquad implementing the Butterworth low-pass function with 20 MHz cut-off frequency.
Figure 30. Active-RC biquad implementing the Butterworth low-pass function with 20 MHz cut-off frequency.
Electronics 10 00991 g030
Figure 31. Biquad response. Transistor-level data is the same for both OTA implementations: (a) magnitude and (b) phase.
Figure 31. Biquad response. Transistor-level data is the same for both OTA implementations: (a) magnitude and (b) phase.
Electronics 10 00991 g031
Figure 32. 1-dB compression point curves for both biquad implementations.
Figure 32. 1-dB compression point curves for both biquad implementations.
Electronics 10 00991 g032
Table 1. Device sizes for the schematic in Figure 15.
Table 1. Device sizes for the schematic in Figure 15.
DeviceL (μm)W (μm)N (Number of Fingers)M (Device Multipliers)
M110.360.5549
Mf110.360.5549
M120.360.7124
Mf120.360.7124
M130.360.2824
Mf130.360.2824
M210.360.2824
M220.360.6724
M230.360.6724
M240.360.2824
M310.360.67264
M320.360.28228
M330.360.28232
M340.360.2824
Table 2. Capacitor values for the schematic in Figure 15. C CM denotes the capacitor used to compensate the Common-Mode Feedback (CMFB) loop in the single-loop solution.
Table 2. Capacitor values for the schematic in Figure 15. C CM denotes the capacitor used to compensate the Common-Mode Feedback (CMFB) loop in the single-loop solution.
CapacitorValue (pF)
CM10.2
CM20.1
CCM1
Table 3. Device sizes for the auxiliary amplifiers in the single-loop solution (Figure 16a and Figure 17b).
Table 3. Device sizes for the auxiliary amplifiers in the single-loop solution (Figure 16a and Figure 17b).
DeviceL (μm)W (μm)NM
Me10.360.5549
Me20.180.3922
Me30.180.3924
Me40.360.2824
Mbb10.360.5549
Mbb20.180.3924
Mbb30.360.2824
Table 4. Device sizes for the auxiliary amplifiers in the multi-loop solution (Figure 16b and Figure 17a).
Table 4. Device sizes for the auxiliary amplifiers in the multi-loop solution (Figure 16b and Figure 17a).
DeviceL (μm)W (μm)NM
Me1 (Loop 1)0.360.5544
Me2 (Loop 1)0.180.2724
Me3 (Loop 1)0.180.2728
Me4 (Loop 1)0.360.2822
Me1 (Loop 2)0.360.5544
Me2 (Loop 2)0.180.3421
Me3 (Loop 2)0.180.3422
Me4 (Loop 2)0.360.2822
Table 5. DC simulation results for the two solutions along with the target values specified in the initial design.
Table 5. DC simulation results for the two solutions along with the target values specified in the initial design.
ParameterTargetSingle-LoopMulti-Loop
gm1 (μS)251253.1253.1
gm2 (μS)300320.1321
gm3 (μS)44.253.89
gmf1 (μS)251253.2253.2
gmf2 (μS)0.32.212.21
Vo,CM (V)0.90.9010.899
I_supply (mA)-1.811.59
Table 6. Differential-mode results for both solutions.
Table 6. Differential-mode results for both solutions.
ParameterSingle-LoopMulti-Loop
DC gain (dB)88.8888.91
UGF (MHz)167.01165.75
PM (°)51.2750.79
GM (dB)33.9234.06
t s + (ns)9.9010.06
t s (ns)10.4210.57
Table 7. Common-mode results for both solutions.
Table 7. Common-mode results for both solutions.
ParameterSingle-LoopMulti-Loop (Loop 1)Multi-Loop (Loop 2)
DC gain (dB)88.9129.2348.62
UGF (MHz)42.2167.6591.02
PM (°)60.3760.5730.34
GM (dB)22.11
Table 8. Comparison of filter metrics with state of the art.
Table 8. Comparison of filter metrics with state of the art.
Metric[23] [24][25][26]This Work
Single-loopMulti-loop
Technology (nm)6565130180180
Order-Type4th BPF4th LPF4th LPF5th LPF2nd LPF
TopologySwitched Gm-CActive-RCActive-RCActive-RCActive-RC
Filter’s f 0 (MHz)3516205620
In-band IIP3 (dBm)9.122.12130.532.9
P 1 dB (dBm)−2.486.9682.349.08
Power per pole (mW)1.874.751.392.943.262.86
Table 9. Qualitative comparison of the performance of the two CMFB implementations.
Table 9. Qualitative comparison of the performance of the two CMFB implementations.
MetricSingle-LoopMulti-Loop
StabilityCompensation neededOptional compensation
LinearityPoorGood
NoiseFairFair
Input CM disturbance rejectionPoorGood
Output CM disturbance rejectionFairPoor
Publisher’s Note: MDPI stays neutral with regard to jurisdictional claims in published maps and institutional affiliations.

Share and Cite

MDPI and ACS Style

Riad, J.; Soto-Aguilar, S.; Estrada-López, J.J.; Moreira-Tamayo, O.; Sánchez-Sinencio, E. Design Trade-Offs in Common-Mode Feedback Implementations for Highly Linear Three-Stage Operational Transconductance Amplifiers. Electronics 2021, 10, 991. https://doi.org/10.3390/electronics10090991

AMA Style

Riad J, Soto-Aguilar S, Estrada-López JJ, Moreira-Tamayo O, Sánchez-Sinencio E. Design Trade-Offs in Common-Mode Feedback Implementations for Highly Linear Three-Stage Operational Transconductance Amplifiers. Electronics. 2021; 10(9):991. https://doi.org/10.3390/electronics10090991

Chicago/Turabian Style

Riad, Joseph, Sergio Soto-Aguilar, Johan J. Estrada-López, Oscar Moreira-Tamayo, and Edgar Sánchez-Sinencio. 2021. "Design Trade-Offs in Common-Mode Feedback Implementations for Highly Linear Three-Stage Operational Transconductance Amplifiers" Electronics 10, no. 9: 991. https://doi.org/10.3390/electronics10090991

APA Style

Riad, J., Soto-Aguilar, S., Estrada-López, J. J., Moreira-Tamayo, O., & Sánchez-Sinencio, E. (2021). Design Trade-Offs in Common-Mode Feedback Implementations for Highly Linear Three-Stage Operational Transconductance Amplifiers. Electronics, 10(9), 991. https://doi.org/10.3390/electronics10090991

Note that from the first issue of 2016, this journal uses article numbers instead of page numbers. See further details here.

Article Metrics

Back to TopTop