Energy Harvesting Strategies for Wireless Sensor Networks and Mobile Devices: A Review
Abstract
1. Introduction
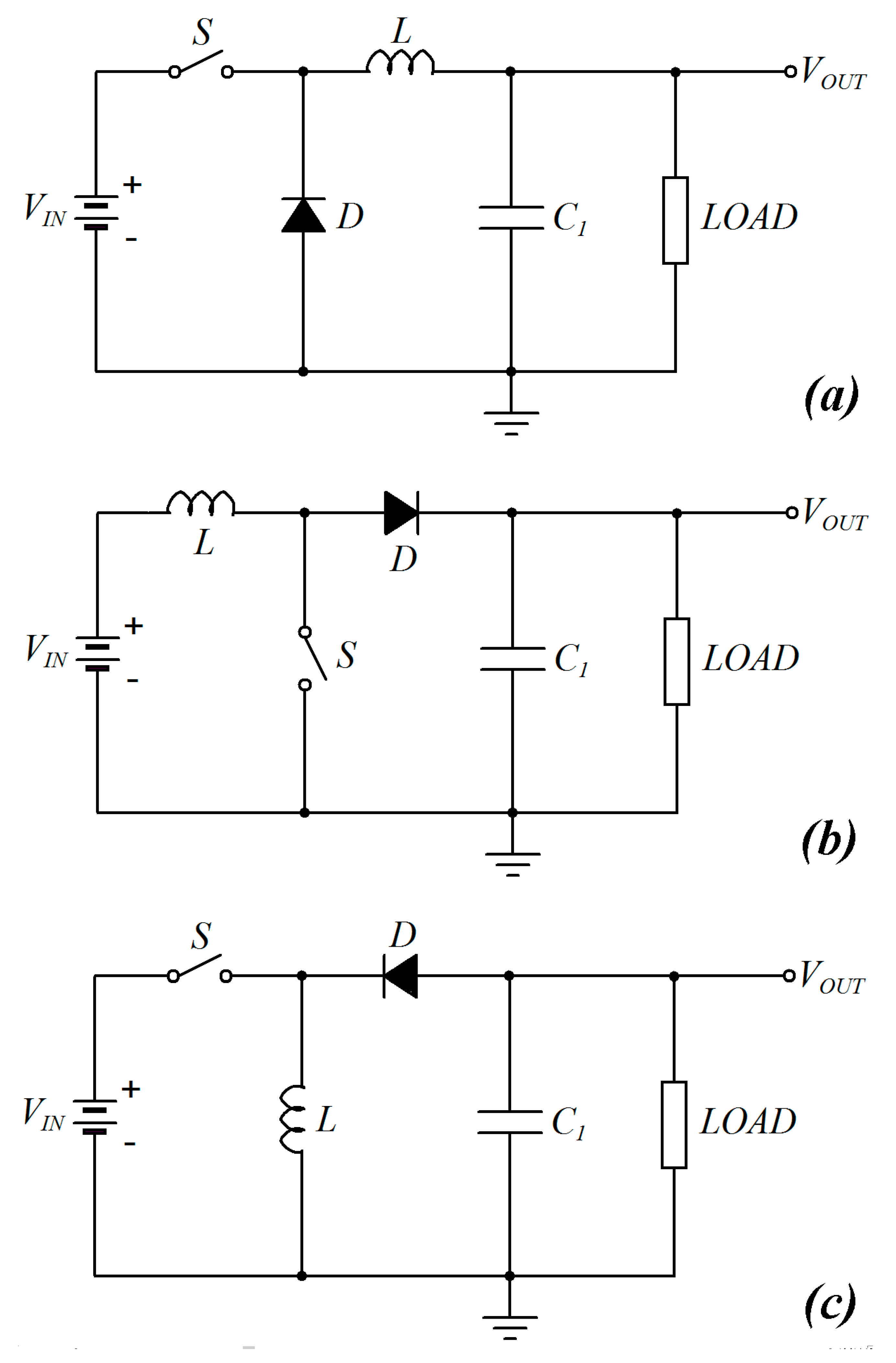
2. Power Management Techniques
3. Energy Harvesting Sources and Applications to Mobile Systems
3.1. Photovoltaic Energy
3.2. Photovoltaic Energy Applications
3.3. Electromagnetic Transducers
3.4. Electromagnetic Transducers Applications
3.5. Electrostatic Transducers
3.6. Electrostatic Transducers Applications
3.7. Piezoelectric Transducers
3.8. Piezoelectric Transducers Applications
3.9. Thermal Energy
3.10. Thermal Energy Applications
3.11. RFID Tags
3.12. RFID Applications
3.13. Environmental Radiofrequency Sources
3.14. Environmental Radiofrequency Sources Applications
3.15. Biofuel Energy
3.16. Biofuel Energy Applications
3.17. Energy Harvesting from Multiple Energy Sources
4. Recent Advances and Challenges
5. Conclusions
Funding
Conflicts of Interest
References
- Schurgers, C.; Srivastava, M.B. Energy efficient routing in wireless sensor networks. In Proceedings of the 2001 MILCOM Proceedings Communications for Network-Centric Operations: Creating the Information Force (Cat. No.01CH37277), McLean, VA, USA, 28–31 October 2001; Volume 1, pp. 357–361. [Google Scholar]
- Wang, J.; Gao, Y.; Liu, W.; Sangaiah, A.K.; Kim, H.J. Energy efficient routing algorithm with mobile sink support for wireless sensor networks. Sensors 2019, 19, 1494. [Google Scholar] [CrossRef]
- Chamam, A.; Pierre, S. On the planning of wireless sensor networks: Energy-efficient clustering under the joint routing and coverage constraint. IEEE Trans. Mob. Comput. 2009, 8, 1077–1086. [Google Scholar] [CrossRef]
- Grossi, M.; Di Lecce, G.; Toschi, T.G.; Riccò, B. A novel electrochemical method for olive oil acidity determination. Microelectron. J. 2014, 45, 1701–1707. [Google Scholar] [CrossRef]
- Grossi, M.; Di Lecce, G.; Arru, M.; Toschi, T.G.; Riccò, B. An opto-electronic system for in-situ determination of peroxide value and total phenol content in olive oil. J. Food Eng. 2015, 146, 1–7. [Google Scholar] [CrossRef]
- Grossi, M.; Palagano, R.; Bendini, A.; Riccò, B.; Servili, M.; García-González, D.L.; Toschi, T.G. Design and in-house validation of a portable system for the determination of free acidity in virgin olive oil. Food Control 2019, 104, 208–216. [Google Scholar] [CrossRef]
- Wojnowski, W.; Majchrzak, T.; Dymerski, T.; Gębicki, J.; Namieśnik, J. Portable electronic nose based on electrochemical sensors for food quality assessment. Sensors 2017, 17, 2715. [Google Scholar] [CrossRef] [PubMed]
- Aykas, D.P.; Rodrigues Borba, K.; Rodriguez-Saona, L.E. Non-Destructive Quality Assessment of Tomato Paste by Using Portable Mid-Infrared Spectroscopy and Multivariate Analysis. Foods 2020, 9, 1300. [Google Scholar] [CrossRef]
- Grossi, M.; Valli, E.; Glicerina, V.T.; Rocculi, P.; Toschi, T.G.; Riccò, B. Practical determination of solid fat content in fats and oils by single-wavelength near-infrared analysis. IEEE Trans. Instrum. Meas. 2020, 69, 585–592. [Google Scholar] [CrossRef]
- Grossi, M.; Lanzoni, M.; Lazzarini, R.; Riccò, B. Automatic ice-cream characterization by impedance measurements for optimal machine setting. Measurement 2012, 45, 1747–1754. [Google Scholar] [CrossRef]
- Grossi, M.; Lazzarini, R.; Lanzoni, M.; Riccò, B. A novel technique to control ice cream freezing by electrical characteristics analysis. J. Food Eng. 2011, 106, 347–354. [Google Scholar] [CrossRef]
- Velasco, A.; Ferrero, R.; Gandino, F.; Montrucchio, B.; Rebaudengo, M. A mobile and low-cost system for environmental monitoring: A case study. Sensors 2016, 16, 710. [Google Scholar] [CrossRef]
- Jimenez-Jorquera, C.; Orozco, J.; Baldi, A. ISFET based microsensors for environmental monitoring. Sensors 2010, 10, 61–83. [Google Scholar] [CrossRef]
- Barile, G.; Leoni, A.; Pantoli, L.; Stornelli, V. Real-time autonomous system for structural and environmental monitoring of dynamic events. Electronics 2018, 7, 420. [Google Scholar] [CrossRef]
- Hall, J.; Loo, S.M.; Stephenson, D.; Butler, R.; Pook, M.; Kiepert, J.; Terrell, N. A portable wireless particulate sensor system for continuous real-time environmental monitoring. In Proceedings of the 42nd International Conference on Environmental Systems, San Diego, CA, USA, 15–19 July 2012; p. 3441. [Google Scholar]
- Tsow, F.; Forzani, E.; Rai, A.; Wang, R.; Tsui, R.; Mastroianni, S.; Tao, N.J. A wearable and wireless sensor system for real-time monitoring of toxic environmental volatile organic compounds. IEEE Sens. J. 2009, 9, 1734–1740. [Google Scholar] [CrossRef]
- Grossi, M.; Parolin, C.; Vitali, B.; Riccò, B. A portable sensor system for bacterial concentration monitoring in metalworking fluids. J. Sens. Sens. Syst. 2018, 7, 349–357. [Google Scholar] [CrossRef]
- Grossi, M.; Parolin, C.; Vitali, B.; Riccò, B. Measurement of bacterial concentration using a portable sensor system with a combined electrical-optical approach. IEEE Sens. J. 2019, 19, 10693–10700. [Google Scholar] [CrossRef]
- Grossi, M.; Parolin, C.; Vitali, B.; Riccò, B. Computer Vision Approach for the Determination of Microbial Concentration and Growth Kinetics Using a Low Cost Sensor System. Sensors 2019, 19, 5367. [Google Scholar] [CrossRef] [PubMed]
- Phaneuf, C.R.; Mangadu, B.; Piccini, M.E.; Singh, A.K.; Koh, C.Y. Rapid, portable, multiplexed detection of bacterial pathogens directly from clinical sample matrices. Biosensors 2016, 6, 49. [Google Scholar] [CrossRef]
- Arellano-Pérez, J.H.; Negrón, O.R.; Escobar-Jiménez, R.F.; Gómez-Aguilar, J.F.; Uruchurtu-Chavarín, J. Development of a portable device for measuring the corrosion rates of metals based on electrochemical noise signals. Measurement 2018, 122, 73–81. [Google Scholar] [CrossRef]
- Yin Yee Chin, P.; Cheok, Q.; Glowacz, A.; Caesarendra, W. A Review of In-Vivo and In-Vitro Real-Time Corrosion Monitoring Systems of Biodegradable Metal Implants. Appl. Sci. 2020, 10, 3141. [Google Scholar] [CrossRef]
- Grassini, S.; Corbellini, S.; Parvis, M.; Angelini, E.; Zucchi, F. A simple Arduino-based EIS system for in situ corrosion monitoring of metallic works of art. Measurement 2018, 114, 508–514. [Google Scholar] [CrossRef]
- Grossi, M.; Riccò, B. A portable electronic system for in-situ measurements of oil concentration in MetalWorking fluids. Sens. Actuators A Phys. 2016, 243, 7–14. [Google Scholar] [CrossRef]
- Grossi, M.; Riccò, B. An automatic titration system for oil concentration measurement in metalworking fluids. Measurement 2017, 97, 8–14. [Google Scholar] [CrossRef]
- Aponte-Luis, J.; Gómez-Galán, J.A.; Gómez-Bravo, F.; Sánchez-Raya, M.; Alcina-Espigado, J.; Teixido-Rovira, P.M. An efficient wireless sensor network for industrial monitoring and control. Sensors 2018, 18, 182. [Google Scholar] [CrossRef] [PubMed]
- Grossi, M.; Parolin, C.; Vitali, B.; Riccò, B. Electrical Impedance Spectroscopy (EIS) characterization of saline solutions with a low-cost portable measurement system. Eng. Sci. Technol. Int. J. 2019, 22, 102–108. [Google Scholar] [CrossRef]
- De Araujo, W.R.; Cardoso, T.M.; da Rocha, R.G.; Santana, M.H.; Munoz, R.A.; Richter, E.M.; Coltro, W.K. Portable analytical platforms for forensic chemistry: A review. Anal. Chim. Acta 2018, 1034, 1–21. [Google Scholar] [CrossRef]
- Grossi, M. A sensor-centric survey on the development of smartphone measurement and sensing systems. Measurement 2019, 135, 572–592. [Google Scholar] [CrossRef]
- Rateni, G.; Dario, P.; Cavallo, F. Smartphone-based food diagnostic technologies: A review. Sensors 2017, 17, 1453. [Google Scholar] [CrossRef]
- Kanchi, S.; Sabela, M.I.; Mdluli, P.S.; Bisetty, K. Smartphone based bioanalytical and diagnosis applications: A review. Biosens. Bioelectron. 2018, 102, 136–149. [Google Scholar] [CrossRef]
- Abd Aziz, A.; Sekercioglu, Y.A.; Fitzpatrick, P.; Ivanovich, M. A survey on distributed topology control techniques for extending the lifetime of battery powered wireless sensor networks. IEEE Commun. Surv. Tutor. 2012, 15, 121–144. [Google Scholar] [CrossRef]
- Sichitiu, M.L.; Dutta, R. Benefits of multiple battery levels for the lifetime of large wireless sensor networks. In Proceedings of the International Conference on Research in Networking; Springer: Berlin/Heidelberg, Germany, 2005; pp. 1440–1444. [Google Scholar]
- Galkin, P. Model of Reducing the Power Consumption for Node of Wireless Sensor Network in Embedded Control Systems. In Proceedings of the 2018 International Scientific-Practical Conference Problems of Infocommunications, Science and Technology (PIC S&T), Kharkiv, Ukraine, 9–12 October 2018; pp. 252–256. [Google Scholar]
- Bakker, A.; Huijsing, J.H. Micropower CMOS temperature sensor with digital output. IEEE J. Solid-State Circuits 1996, 31, 933–937. [Google Scholar] [CrossRef]
- Chen, W.P.; Zhao, Z.G.; Liu, X.W.; Zhang, Z.X.; Suo, C.G. A capacitive humidity sensor based on multi-wall carbon nanotubes (MWCNTs). Sensors 2009, 9, 7431–7444. [Google Scholar] [CrossRef]
- Iwaki, T.; Covington, J.A.; Udrea, F.; Ali, S.Z.; Guha, P.K.; Gardner, J.W. Design and simulation of resistive SOI CMOS micro-heaters for high temperature gas sensors. J. Phys. Conf. Ser. 2005, 15, 27–32. [Google Scholar] [CrossRef]
- Adam, G.K.; Kontaxis, P.A.; Doulos, L.T.; Madias, E.N.D.; Bouroussis, C.A.; Topalis, F.V. Embedded microcontroller with a CCD camera as a digital lighting control system. Electronics 2019, 8, 33. [Google Scholar] [CrossRef]
- Raghunathan, V.; Schurgers, C.; Park, S.; Srivastava, M.B. Energy-aware wireless microsensor networks. IEEE Signal Process. Mag. 2002, 3, 40–50. [Google Scholar] [CrossRef]
- Szewczyk, R.; Levis, P.; Turon, M.; Nachman, L.; Buonadonna, P.; Handziski, V. Microcontroller power management. TinyOS Enhanc. Propos. 2007, 112–119. Available online: https://www.researchgate.net/profile/Martin-Turon/publication/228605711_Microcontroller_Power_Management/links/00b495249e0bbbe320000000/Microcontroller-Power-Management.pdf (accessed on 14 January 2021).
- Aragonés, R.; Álvarez, P.; Oliver, J.; Ferrer, C. Comparison of readout circuitry techniques for data acquisition in raw sensor systems. In Proceedings of the IECON 2010—36th Annual Conference on IEEE Industrial Electronics Society, Glendale, AZ, USA, 7–10 November 2010; pp. 1252–1257. [Google Scholar]
- Lee, J.S.; Su, Y.W.; Shen, C.C. A comparative study of wireless protocols: Bluetooth, UWB, ZigBee, and Wi-Fi. In Proceedings of the IECON 2007—33rd Annual Conference of the IEEE Industrial Electronics Society, Taipei, Taiwan, 5–8 November 2007; pp. 46–51. [Google Scholar]
- Noreen, U.; Bounceur, A.; Clavier, L. A study of LoRa low power and wide area network technology. In Proceedings of the 2017 International Conference on Advanced Technologies for Signal and Image Processing (ATSIP), Fez, Morocco, 22–24 May 2017; pp. 1–6. [Google Scholar]
- Prauzek, M.; Konecny, J.; Borova, M.; Janosova, K.; Hlavica, J.; Musilek, P. Energy harvesting sources, storage devices and system topologies for environmental wireless sensor networks: A review. Sensors 2018, 18, 2446. [Google Scholar] [CrossRef]
- Zahid Kausar, A.S.M.; Wasif Reza, A.; Uddin Saleh, M.; Ramiah, H. Energizing wireless sensor networks by energy harvesting systems: Scopes, challenges and approaches. Renew. Sustain. Energy Rev. 2014, 38, 973–989. [Google Scholar] [CrossRef]
- Wan, Z.G.; Tan, Y.K.; Yuen, C. Review on energy harvesting and energy management for sustainable wireless sensor networks. In Proceedings of the 2011 IEEE 13th International Conference on Communication Technology, Jinan, China, 25–28 September 2011; pp. 362–367. [Google Scholar]
- Shaikh, F.K.; Zeadally, S. Energy harvesting in wireless sensor networks: A comprehensive review. Renew. Sustain. Energy Rev. 2016, 55, 1041–1054. [Google Scholar] [CrossRef]
- Yuan, F.; Zhang, Q.T.; Jin, S.; Zhu, H. Optimal harvest-use-store strategy for energy harvesting wireless systems. IEEE Trans. Wirel. Commun. 2014, 14, 698–710. [Google Scholar] [CrossRef]
- Umeda, T.; Yoshida, H.; Sekine, S.; Fujita, Y.; Suzuki, T.; Otaka, S. A 950-MHz rectifier circuit for sensor network tags with 10-m distance. IEEE J. Solid State Circuits 2006, 41, 35–41. [Google Scholar] [CrossRef]
- DC/DC Voltage Converter. Available online: http://en.wikipedia.org/wiki/DC-to-DC_converter (accessed on 21 January 2021).
- Ballo, A.; Grasso, A.D.; Palumbo, G. A review of charge pump topologies for the power management of IoT nodes. Electronics 2019, 8, 480. [Google Scholar] [CrossRef]
- Switched Capacitor Voltage Converter. Available online: http://en.wikipedia.org/wiki/Voltage_doubler (accessed on 12 January 2021).
- Sudevalayam, S.; Kulkarni, P. Energy harvesting sensor nodes: Survey and implications. IEEE Commun. Surv. Tutor. 2011, 13, 443–461. [Google Scholar] [CrossRef]
- Jiang, X.; Polastre, J.; Culler, D. Perpetual environmentally powered sensor networks. In Proceedings of the IPSN 2005, Fourth International Symposium on Information Processing in Sensor Networks, Boise, ID, USA, 15 April 2005; pp. 463–468. [Google Scholar]
- Yi, J.; Su, F.; Lam, Y.H.; Ki, W.H.; Tsui, C.Y. An energy-adaptive MPPT power management unit for micro-power vibration energy harvesting. In Proceedings of the 2008 IEEE International Symposium on Circuits and Systems, Seattle, WA, USA, 18–21 May 2008; pp. 2570–2573. [Google Scholar]
- Chew, Z.J.; Zhu, M. Microwatt power consumption maximum power point tracking circuit using an analogue differentiator for piezoelectric energy harvesting. J. Phys. Conf. Ser. 2015, 660, 012022. [Google Scholar] [CrossRef]
- Martins, G.C.; Serdijn, W.A. An RF energy harvester with MPPT operating across a wide range of available input power. In Proceedings of the 2018 IEEE International Symposium on Circuits and Systems (ISCAS), Florence, Italy, 27–30 May 2018; pp. 1–5. [Google Scholar]
- Raghunathan, V.; Chou, P.H. Design and power management of energy harvesting embedded systems. In Proceedings of the ISLPED’06 2006 International Symposium on Low Power Electronics and Design, Tegernsee, Germany, 4–6 October 2006; pp. 369–374. [Google Scholar]
- Rawat, R.; Chandel, S.S. Hill climbing techniques for tracking maximum power point in solar photovoltaic systems—A review. Int. J. Sustain. Dev. Green Econ. 2013, 2, 90–95. [Google Scholar]
- Ankaiah, B.; Nageswararao, J. Enhancement of solar photovoltaic cell by using short-circuit current MPPT method. Int. J. Eng. Sci. Invent. 2013, 2, 45–50. [Google Scholar]
- Baimel, D.; Tapuchi, S.; Levron, Y.; Belikov, J. Improved fractional open circuit voltage MPPT methods for PV systems. Electronics 2019, 8, 321. [Google Scholar] [CrossRef]
- Simjee, F.; Chou, P.H. Everlast: Long-life, supercapacitor-operated wireless sensor node. In Proceedings of the ISLPED’06 Proceedings of the 2006 International Symposium on Low Power Electronics and Design, Tegernsee, Germany, 4–6 October 2006; pp. 197–202. [Google Scholar]
- Park, C.; Chou, P.H. Ambimax: Autonomous energy harvesting platform for multi-supply wireless sensor nodes. IEEE Commun. Soc. Sens. ad hoc Commun. Netw. 2006, 1, 168–177. [Google Scholar]
- Brunelli, D.; Benini, L.; Moser, C.; Thiele, L. An efficient solar energy harvester for wireless sensor nodes. In Proceedings of the 2008 Design, Automation and Test in Europe, Munich, Germany, 10–14 March 2008; pp. 104–109. [Google Scholar]
- De Rossi, F.; Pontecorvo, T.; Brown, T.M. Characterization of photovoltaic devices for indoor light harvesting and customization of flexible dye solar cells to deliver superior efficiency under artificial lighting. Appl. Energy 2015, 156, 413–422. [Google Scholar] [CrossRef]
- Mughal, M.A.; Ma, Q.; Xiao, C. Photovoltaic cell parameter estimation using hybrid particle swarm optimization and simulated annealing. Energies 2017, 10, 1213. [Google Scholar] [CrossRef]
- Casio A700 Wristwatch. Available online: http://www.casio-europe.com/euro/products/watches/vintage/a700weg-9aef/ (accessed on 14 January 2021).
- Logitech K750 Keyboard. Available online: https://www.logitech.com/assets/46513/5/wireless-solar-keyboard-k750.pdf (accessed on 14 January 2021).
- Raghunathan, V.; Kansal, A.; Hsu, J.; Friedman, J.; Srivastava, M. Design considerations for solar energy harvesting wireless embedded systems. In Proceedings of the IPSN 2005, Fourth International Symposium on Information Processing in Sensor Networks, Boise, ID, USA, 15 April 2005; pp. 457–462. [Google Scholar]
- Musiani, D.; Lin, K.; Rosing, T.S. Active sensing platform for wireless structural health monitoring. In Proceedings of the 6th International Conference on Information Processing in Sensor Networks, Cambridge, MA, USA, 25–27 April 2007; pp. 390–399. [Google Scholar]
- Zhang, P.; Sadler, C.M.; Lyon, S.A.; Martonosi, M. Hardware design experiences in ZebraNet. In Proceedings of the 2nd International Conference on Embedded Networked Sensor Systems, Baltimore, MD, USA, November 2004; pp. 227–238. [Google Scholar]
- Sorber, J.; Balasubramanian, A.; Corner, M.D.; Ennen, J.R.; Qualls, C. Tula: Balancing energy for sensing and communication in a perpetual mobile system. IEEE Trans. Mob. Comput. 2012, 12, 804–816. [Google Scholar] [CrossRef]
- Loreti, P.; Catini, A.; De Luca, M.; Bracciale, L.; Gentile, G.; Di Natale, C. The design of an energy harvesting wireless sensor node for tracking pink iguanas. Sensors 2019, 19, 985. [Google Scholar] [CrossRef]
- Taneja, J.; Jeong, J.; Culler, D. Design, modeling, and capacity planning for micro-solar power sensor networks. In Proceedings of the 2008 International Conference on Information Processing in Sensor Networks (ipsn 2008), St. Louis, MO, USA, 22–24 April 2008; pp. 407–418. [Google Scholar]
- Minami, M.; Morito, T.; Morikawa, H.; Aoyama, T. Solar biscuit: A battery-less wireless sensor network system for environmental monitoring applications. In Proceedings of the 2nd International Workshop on Networked Sensing Systems; Association for Computing Machinery: New York, NY, USA, 2005. [Google Scholar]
- Stanley-Marbell, P.; Marculescu, D. An 0.9 × 1.2″, low power, energy-harvesting system with custom multi-channel communication interface. In Proceedings of the 2007 Design, Automation & Test in Europe Conference & Exhibition, Nice, France, 16–20 April 2007; pp. 1–6. [Google Scholar]
- Brunelli, D.; Moser, C.; Thiele, L.; Benini, L. Design of a solar-harvesting circuit for batteryless embedded systems. IEEE Trans. Circuits Syst. I Regul. Pap. 2009, 56, 2519–2528. [Google Scholar] [CrossRef]
- Wang, W.; Wang, N.; Jafer, E.; Hayes, M.; O’Flynn, B.; O’Mathuna, C. Autonomous wireless sensor network based building energy and environment monitoring system design. In Proceedings of the 2010 the 2nd Conference on Environmental Science and Information Application Technology, Wuhan, China, 17–18 July 2010; Volume 3, pp. 367–372. [Google Scholar]
- Yu, H.; Yue, Q. Indoor light energy harvesting system for energy-aware wireless sensor node. Energy Procedia 2012, 16, 1027–1032. [Google Scholar] [CrossRef]
- Mabon, M.; Gautier, M.; Vrigneau, B.; Le Gentil, M.; Berder, O. The Smaller the Better: Designing Solar Energy Harvesting Sensor Nodes for Long-Range Monitoring. Wirel. Commun. Mob. Comput. 2019. [Google Scholar] [CrossRef]
- Mathews, I.; Kantareddy, S.N.R.; Sun, S.; Layurova, M.; Thapa, J.; Correa-Baena, J.P.; Peters, I.M. Self-Powered Sensors Enabled by Wide-Bandgap Perovskite Indoor Photovoltaic Cells. Adv. Funct. Mater. 2019, 29, 1904072. [Google Scholar] [CrossRef]
- Batista, D.; Oliveira, L.B.; Paulino, N.; Carvalho, C.; Oliveira, J.P.; Farinhas, J.; Dos Santos, P.M. Combined Organic Photovoltaic Cells and Ultra Low Power CMOS Circuit for Indoor Light Energy Harvesting. Sensors 2019, 19, 1803. [Google Scholar] [CrossRef]
- Moon, E.; Lee, I.; Blaauw, D.; Phillips, J.D. High-efficiency photovoltaic modules on a chip for millimeter-scale energy harvesting. Prog. Photovolt. Res. Appl. 2019, 27, 540–546. [Google Scholar] [CrossRef]
- Saha, C.R.; O’donnell, T.; Wang, N.; McCloskey, P. Electromagnetic generator for harvesting energy from human motion. Sens. Actuators A Phys. 2008, 147, 248–253. [Google Scholar] [CrossRef]
- Rome, L.C.; Flynn, L.; Goldman, E.M.; Yoo, T.D. Generating electricity while walking with loads. Science 2005, 309, 1725–1728. [Google Scholar] [CrossRef] [PubMed]
- Litwhiler, D.H.; Gavigan, T.H. A door motion energy harvesting system for powering an electronic door lock. Int. J. Mod. Eng. 2014, 15, 5–10. [Google Scholar]
- Li, Z.; Zuo, L.; Luhrs, G.; Lin, L.; Qin, Y.X. Electromagnetic energy-harvesting shock absorbers: Design, modeling, and road tests. IEEE Trans. Veh. Technol. 2012, 62, 1065–1074. [Google Scholar] [CrossRef]
- Trapanese, M. Optimization of a sea wave energy harvesting electromagnetic device. IEEE Trans. Magn. 2008, 44, 4365–4368. [Google Scholar] [CrossRef]
- Cassidy, I.L.; Scruggs, J.T.; Behrens, S.; Gavin, H.P. Design and experimental characterization of an electromagnetic transducer for large-scale vibratory energy harvesting applications. J. Intell. Mater. Syst. Struct. 2011, 22, 2009–2024. [Google Scholar] [CrossRef]
- Halim, M.A.; Cho, H.; Park, J.Y. Design and experiment of a human-limb driven, frequency up-converted electromagnetic energy harvester. Energy Convers. Manag. 2015, 106, 393–404. [Google Scholar] [CrossRef]
- Halim, M.A.; Rantz, R.; Zhang, Q.; Gu, L.; Yang, K.; Roundy, S. Electromagnetic energy harvesting from swing-arm motion using rotational eccentric mass structure. In Proceedings of the 2017 19th International Conference on Solid-State Sensors, Actuators and Microsystems (TRANSDUCERS), Kaohsiung, Taiwan, 18–22 June 2017; pp. 1863–1866. [Google Scholar]
- Zorlu, Ö.; Topal, E.T.; Külah, H. A vibration-based electromagnetic energy harvester using mechanical frequency up-conversion method. IEEE Sens. J. 2010, 11, 481–488. [Google Scholar] [CrossRef]
- Kymissis, J.; Kendall, C.; Paradiso, J.; Gershenfeld, N. Parasitic power harvesting in shoes. In Proceedings of the Digest of Papers, Second IEEE International Symposium on Wearable Computers (Cat. No. 98EX215), Pittsburgh, PA, USA, 19–20 October 1998; pp. 132–139. [Google Scholar]
- Yu, J. Ambient Energy Harvesting—An Electrostatic Approach. Ph.D. Thesis, University of Hawaiʻi at Mānoa, Honolulu, HI, USA, 2018. [Google Scholar]
- Tashiro, R.; Kabei, N.; Katayama, K.; Tsuboi, E.; Tsuchiya, K. Development of an electrostatic generator for a cardiac pacemaker that harnesses the ventricular wall motion. J. Artif. Organs 2002, 5, 0239–0245. [Google Scholar] [CrossRef]
- Deterre, M.; Risquez, S.; Bouthaud, B.; Dal Molin, R.; Woytasik, M.; Lefeuvre, E. Multilayer out-of-plane overlap electrostatic energy harvesting structure actuated by blood pressure for powering intra-cardiac implants. J. Phys. Conf. Ser. 2013, 476, 012039. [Google Scholar] [CrossRef]
- Ahmed, S.; Kakkar, V. An electret-based angular electrostatic energy harvester for battery-less cardiac and neural implants. IEEE Access 2017, 5, 19631–19643. [Google Scholar] [CrossRef]
- Naito, Y.; Uenishi, K. Electrostatic MEMS vibration energy harvesters inside of tire treads. Sensors 2019, 19, 890. [Google Scholar] [CrossRef]
- Torres, E.O.; Rincón-Mora, G.A. Electrostatic energy-harvesting and battery-charging CMOS system prototype. IEEE Trans. Circuits Syst. I Regul. Papers 2008, 56, 1938–1948. [Google Scholar] [CrossRef]
- Perez, M.; Boisseau, S.; Reboud, J.L. Design and performance of a small-scale wind turbine exploiting an electret-based electrostatic conversion. J. Phys. Conf. Ser. 2015, 646, 1–4. [Google Scholar] [CrossRef]
- Zhang, Y.; Wang, T.; Luo, A.; Hu, Y.; Li, X.; Wang, F. Micro electrostatic energy harvester with both broad bandwidth and high normalized power density. Appl. Energy 2018, 212, 362–371. [Google Scholar] [CrossRef]
- Koga, H.; Mitsuya, H.; Honma, H.; Fujita, H.; Toshiyoshi, H.; Hashiguchi, G. Development of a cantilever-type electrostatic energy harvester and its charging characteristics on a highway viaduct. Micromachines 2017, 8, 293. [Google Scholar] [CrossRef] [PubMed]
- Covaci, C.; Gontean, A. Piezoelectric energy harvesting solutions: A review. Sensors 2020, 20, 3512. [Google Scholar] [CrossRef]
- Paradiso, J.A.; Feldmeier, M. A compact, wireless, self-powered pushbutton controller. In International Conference on Ubiquitous Computing; Springer: Berlin/Heidelberg, Germany, 2001; pp. 299–304. [Google Scholar]
- Shenck, N.S.; Paradiso, J.A. Energy scavenging with shoe-mounted piezoelectrics. IEEE Micro 2001, 21, 30–42. [Google Scholar] [CrossRef]
- Zhao, J.; You, Z. A shoe-embedded piezoelectric energy harvester for wearable sensors. Sensors 2014, 14, 12497–12510. [Google Scholar] [CrossRef] [PubMed]
- Rocha, J.G.; Goncalves, L.M.; Rocha, P.F.; Silva, M.P.; Lanceros-Mendez, S. Energy harvesting from piezoelectric materials fully integrated in footwear. IEEE Trans. Ind. Electron. 2009, 57, 813–819. [Google Scholar] [CrossRef]
- Oh, S.J.; Han, H.J.; Han, S.B.; Lee, J.Y.; Chun, W.G. Development of a tree-shaped wind power system using piezoelectric materials. Int. J. Energy Res. 2010, 34, 431–437. [Google Scholar] [CrossRef]
- Granstrom, J.; Feenstra, J.; Sodano, H.A.; Farinholt, K. Energy harvesting from a backpack instrumented with piezoelectric shoulder straps. Smart Mater. Struct. 2007, 16, 1810. [Google Scholar] [CrossRef]
- Lee, J.; Choi, B. Development of a piezoelectric energy harvesting system for implementing wireless sensors on the tires. Energy Convers. Manag. 2014, 78, 32–38. [Google Scholar] [CrossRef]
- Pisharody, H.G. An optimal design for piezoelectric energy harvesting system. In Proceedings of the ISGT2011-India, Kollam, Kerala, India, 1–3 December 2011; pp. 244–247. [Google Scholar]
- Viola, F. Comparison among different rainfall energy harvesting structures. Appl. Sci. 2018, 8, 955. [Google Scholar] [CrossRef]
- Doria, A.; Marconi, E.; Moro, F. Energy Harvesting from Bicycle Vibrations by Means of Tuned Piezoelectric Generators. Electronics 2020, 9, 1377. [Google Scholar] [CrossRef]
- Gayner, C.; Kar, K.K. Recent advances in thermoelectric materials. Prog. Mater. Sci. 2016, 83, 330–382. [Google Scholar] [CrossRef]
- Petsagkourakis, I.; Tybrandt, K.; Crispin, X.; Ohkubo, I.; Satoh, N.; Mori, T. Thermoelectric materials and applications for energy harvesting power generation. Sci. Technol. Adv. Mater. 2018, 19, 836–862. [Google Scholar] [CrossRef]
- Culebras, M.; Gomez, C.M.; Cantanero, A. Review on polymers for thermoelectric applications. Materials 2014, 7, 6701–6732. [Google Scholar] [CrossRef]
- Dubey, N.; Leclerc, M. Conducting polymers: Efficient thermoelectric materials. J. Polym. Sci. Part B Polym. Phys. 2011, 49, 467–475. [Google Scholar] [CrossRef]
- Jin, H.; Li, J.; Iocozzia, J.; Zeng, X.; Wei, P.C.; Yang, C.; Li, N.; Liu, Z.; He, J.H.; Zhu, T.; et al. Hybrid organic-inorganic thermoelectric materials and devices. Angew. Chem. Int. Ed. 2019, 58, 15206–15226. [Google Scholar] [CrossRef]
- Snyder, G.J.; Toberer, E.S. Complex thermoelectric materials. Nat. Mater. 2008, 7, 105–114. [Google Scholar] [CrossRef]
- Xia, C.; Zhang, D.; Pedrycz, W.; Fan, K.; Guo, Y. Human Body Heat Based Thermoelectric Harvester with Ultra-Low Input Power Management System for Wireless Sensors Powering. Energies 2019, 12, 3942. [Google Scholar] [CrossRef]
- Lu, X.; Yang, S.H. Thermal energy harvesting for WSNs. In Proceedings of the 2010 IEEE International Conference on Systems, Man and Cybernetics, Istanbul, Turkey, 10–13 October 2010; pp. 3045–3052. [Google Scholar]
- Nesarajah, M.; Frey, G. Optimized design of thermoelectric energy harvesting systems for waste heat recovery from exhaust pipes. Appl. Sci. 2017, 7, 634. [Google Scholar] [CrossRef]
- Samson, D.; Kluge, M.; Becker, T.; Schmid, U. Wireless sensor node powered by aircraft specific thermoelectric energy harvesting. Sens. Actuators A Phys. 2011, 172, 240–244. [Google Scholar] [CrossRef]
- Dias, P.C.; Cadavid, D.; Ortega, S.; Ruiz, A.; França, M.B.M.; Morais, F.J.; Cabot, A. Autonomous soil moisture sensor based on nanostructured thermosensitive resistors powered by an integrated thermoelectric generator. Sens. Actuators A Phys. 2016, 239, 1–7. [Google Scholar] [CrossRef]
- Yun, M.; Ustun, E.; Nadeau, P.; Chandrakasan, A. Thermal energy harvesting for self-powered smart home sensors. In Proceedings of the 2016 IEEE MIT Undergraduate Research Technology Conference (URTC), Cambridge, MA, USA, 4–6 November 2016; pp. 1–4. [Google Scholar]
- Ahn, D.; Choi, K. Performance evaluation of thermoelectric energy harvesting system on operating rolling stock. Micromachines 2018, 9, 359. [Google Scholar] [CrossRef] [PubMed]
- Mongia, R.; Abdelmoneum, M. Prospective for thermal energy harvesting in mobile computing systems. In Proceedings of the 2010 International Conference on Energy Aware Computing, Cairo, Egypt, 16–18 December 2010; pp. 1–4. [Google Scholar]
- Shi, Y.; Wang, Y.; Deng, Y.; Gao, H.; Lin, Z.; Zhu, W.; Ye, H. A novel self-powered wireless temperature sensor based on thermoelectric generators. Energy Convers. Manag. 2014, 80, 110–116. [Google Scholar] [CrossRef]
- Kishi, M.; Nemoto, H.; Hamao, T.; Yamamoto, M.; Sudou, S.; Mandai, M.; Yamamoto, S. Micro thermoelectric modules and their application to wristwatches as an energy source. In Proceedings of the Eighteenth International Conference on Thermoelectrics. Proceedings, ICT’99 (Cat. No.99TH8407), Baltimore, MD, USA, 29 August–2 September 1999; pp. 301–307. [Google Scholar]
- Kim, M.K.; Kim, M.S.; Lee, S.; Kim, C.; Kim, Y.J. Wearable thermoelectric generator for harvesting human body heat energy. Smart Mater. Struct. 2014, 23, 105002. [Google Scholar] [CrossRef]
- Carmo, J.P.; Gonçalves, L.M.; Correia, J.H. Thermoelectric microconverter for energy harvesting systems. IEEE Trans. Ind. Electron 2009, 57, 861–867. [Google Scholar] [CrossRef]
- Wang, Z.; Leonov, V.; Fiorini, P.; Van Hoof, C. Realization of a wearable miniaturized thermoelectric generator for human body applications. Sens. Actuators A Phys. 2009, 156, 95–102. [Google Scholar] [CrossRef]
- Hoang, D.C.; Tan, Y.K.; Chng, H.B.; Panda, S.K. Thermal energy harvesting from human warmth for wireless body area network in medical healthcare system. In Proceedings of the 2009 International Conference on Power Electronics and Drive Systems (PEDS), Taipei, Taiwan, 2–5 November 2009; pp. 1277–1282. [Google Scholar]
- Proto, A.; Bibbo, D.; Cerny, M.; Vala, D.; Kasik, V.; Peter, L.; Penhaker, M. Thermal energy harvesting on the bodily surfaces of arms and legs through a wearable thermo-electric generator. Sensors 2018, 18, 1927. [Google Scholar] [CrossRef] [PubMed]
- Luo, C.; Gil, I.; Fernandez-Garcia, R. Wearable textile UHF-RFID sensors: A systematic review. Materials 2020, 13, 3292. [Google Scholar] [CrossRef] [PubMed]
- Want, R. An introduction to RFID technology. Pervasive Comput. 2006, 1, 25–33. [Google Scholar] [CrossRef]
- Du, H. NFC technology: Today and tomorrow. Int. J. Future Comput. Commun. 2013, 2, 351–354. [Google Scholar] [CrossRef]
- Leavitt, N. Are mobile payments ready to cash in yet? Computer 2012, 45, 15–18. [Google Scholar] [CrossRef]
- Chen, Y.Y.; Tsai, M.L.; Chang, F.J. The design of secure mobile coupon mechanism with the implementation for NFC smartphones. Comput. Electr. Eng. 2017, 59, 204–217. [Google Scholar] [CrossRef]
- Pesonen, J.; Horster, E. Near field communication technology in tourism. Tour. Manag. Perspect. 2012, 4, 11–18. [Google Scholar] [CrossRef]
- Marindra, A.M.J.; Tian, G.Y. Chipless RFID sensor tag for metal crack detection and characterization. IEEE Trans. Microw. Theory Tech. 2018, 66, 2452–2462. [Google Scholar] [CrossRef]
- Vena, A.; Perret, E.; Kaddour, D.; Baron, T. Toward a reliable chipless RFID humidity sensor tag based on silicon nanowires. IEEE Trans. Microw. Theory Tech. 2016, 64, 2977–2985. [Google Scholar] [CrossRef]
- Genovesi, S.; Costa, F.; Borgese, M.; Dicandia, F.A.; Manara, G. Chipless radio frequency identification (RFID) sensor for angular rotation monitoring. Technologies 2018, 6, 61. [Google Scholar] [CrossRef]
- Liu, Y.; Deng, F.; He, Y.; Li, B.; Liang, Z.; Zhou, S. Novel concrete temperature monitoring method based on an embedded passive RFID sensor tag. Sensors 2017, 17, 1463. [Google Scholar] [CrossRef] [PubMed]
- Rivadeneyra, A.; Albrecht, A.; Lugli, P.; Becherer, M.; Salmerón, J.F. UHF Printed Sensor for Force Detection. In Proceedings of the Fifth International Conference on Advances in Sensors, Actuators, Metering and Sensing, Valencia, Spain, 21–25 November 2020. [Google Scholar]
- Hillier, A.J.; Makarovaite, V.; Gourlay, C.W.; Holder, S.J.; Batchelor, J.C. A Passive UHF RFID Dielectric Sensor for Aqueous Electrolytes. IEEE Sens. J. 2019, 19, 5389–5395. [Google Scholar] [CrossRef]
- Saggin, B.; Belaizi, Y.; Vena, A.; Sorli, B.; Guillard, V.; Dedieu, I. A Flexible Biopolymer based UHF RFID-Sensor for food quality monitoring. In Proceedings of the 2019 IEEE International Conference on RFID Technology and Applications (RFID-TA), Pisa, Italy, 25–27 September 2019; pp. 484–487. [Google Scholar]
- Cho, N.; Song, S.J.; Kim, S.; Kim, S.; Yoo, H.J. A 5.1-µW uhf rfid tag chip integrated with sensors for wireless environmental monitoring. In Proceedings of the 31st European Solid-State Circuits Conference, 2005. ESSCIRC 2005, Grenoble, France, 12–16 September 2005; pp. 279–282. [Google Scholar]
- Dondi, D.; Scorcioni, S.; Bertacchini, A.; Larcher, L.; Pavan, P. An autonomous wireless sensor network device powered by a RF energy harvesting system. In Proceedings of the IECON 2012—38th Annual Conference on IEEE Industrial Electronics Society, Montreal, QC, Canada, 25–28 October 2012; pp. 2557–2562. [Google Scholar]
- Boada, M.; Lazaro, A.; Villarino, R.; Girbau, D. Battery-less NFC sensor for pH monitoring. IEEE Access 2019, 7, 33226–33239. [Google Scholar] [CrossRef]
- Carvajal, M.A.; Escobedo, P.; Jimenez-Melguizo, M.; Martinez-Garcia, M.S.; Martinez-Marti, F.; Martinez-Olmos, A.; Palma, A.J. A compact dosimetric system for MOSFETs based on passive NFC tag and smartphone. Sensors Actuators A Phys. 2017, 267, 82–89. [Google Scholar] [CrossRef]
- Xu, G.; Zhang, Q.; Lu, Y.; Liu, L.; Ji, D.; Li, S.; Liu, Q. Passive and wireless near field communication tag sensors for biochemical sensing with smartphone. Sens. Actuators B Chem. 2017, 246, 748–755. [Google Scholar] [CrossRef]
- Luo, Y.; Pu, L.; Wang, G.; Zhao, Y. RF energy harvesting wireless communications: RF environment, device hardware and practical issues. Sensors 2019, 19, 3010. [Google Scholar] [CrossRef] [PubMed]
- Bito, J.; Hester, J.G.; Tentzeris, M.M. Ambient RF energy harvesting from a two-way talk radio for flexible wearable wireless sensor devices utilizing inkjet printing technologies. IEEE Trans. Microw. Theory Tech. 2015, 63, 4533–4543. [Google Scholar] [CrossRef]
- Parks, A.N.; Sample, A.P.; Zhao, Y.; Smith, J.R. A wireless sensing platform utilizing ambient RF energy. In Proceedings of the 2013 IEEE Topical Conference on Biomedical Wireless Technologies, Networks, and Sensing Systems, Austin, TX, USA, 20–23 January 2013; pp. 154–156. [Google Scholar]
- Nintanavongsa, P.; Muncuk, U.; Lewis, D.R.; Chowdhury, K.R. Design optimization and implementation for RF energy harvesting circuits. IEEE J. Emerg. Sel. Top. Circuits Syst. 2012, 2, 24–33. [Google Scholar] [CrossRef]
- Nishimoto, H.; Kawahara, Y.; Asami, T. Prototype implementation of ambient RF energy harvesting wireless sensor networks. In Proceedings of the SENSORS, 2010 IEEE, Waikoloa, HI, USA, 1–4 November 2010; pp. 1282–1287. [Google Scholar]
- Kim, Y.J.; Bhamra, H.S.; Joseph, J.; Irazoqui, P.P. An ultra-low-power RF energy-harvesting transceiver for multiple-node sensor application. IEEE Trans. Circuits Syst. II Express Briefs 2015, 62, 1028–1032. [Google Scholar] [CrossRef]
- Baranov, A.M.; Akbari, S.; Spirjakin, D.; Bragar, A.; Karelin, A. Feasibility of RF energy harvesting for wireless gas sensor nodes. Sens. Actuators A Phys. 2018, 275, 37–43. [Google Scholar] [CrossRef]
- Bouchouicha, D.; Dupont, F.; Latrach, M.; Ventura, L. Ambient RF energy harvesting. Int. Conf. Renew. Energ. Power Qual. 2010, 13, 2–6. [Google Scholar] [CrossRef]
- Piñuela, M.; Mitcheson, P.D.; Lucyszyn, S. Ambient RF energy harvesting in urban and semi-urban environments. IEEE Trans. Microw. Theory Tech. 2013, 61, 2715–2726. [Google Scholar] [CrossRef]
- Jabbar, H.; Song, Y.S.; Jeong, T.T. RF energy harvesting system and circuits for charging of mobile devices. IEEE Trans. Consum. Electron. 2010, 56, 247–253. [Google Scholar] [CrossRef]
- Katz, E. Implantable Biofuel Cells Operating In Vivo—Potential Power Sources for Bioelectronic Devices. Bioelectron. Med. 2015, 2, 1–12. [Google Scholar] [CrossRef]
- An Overview of Bio-Battery—Working Principle, Types and Applications. Available online: http://www.elprocus.com/an-overview-of-bio-battery-working-principle-types-applications/ (accessed on 4 December 2020).
- Miyake, T.; Haneda, K.; Nagai, N.; Yatagawa, Y.; Onami, H.; Yoshino, S.; Nishizawa, M. Enzymatic biofuel cells designed for direct power generation from biofluids in living organisms. Energy Environ. Sci. 2011, 4, 5008–5012. [Google Scholar] [CrossRef]
- Flexer, V.; Mano, N. From dynamic measurements of photosynthesis in a living plant to sunlight transformation into electricity. Anal. Chem. 2010, 82, 1444–1449. [Google Scholar] [CrossRef]
- MacVittie, K.; Conlon, T.; Katz, E. A wireless transmission system powered by an enzyme biofuel cell implanted in an orange. Bioelectrochemistry 2015, 106, 28–33. [Google Scholar] [CrossRef]
- Huang, S.H.; Chen, W.H.; Lin, Y.C. A Self-Powered Glucose Biosensor Operated Underwater to Monitor Physiological Status of Free-Swimming Fish. Energies 2019, 12, 1827. [Google Scholar] [CrossRef]
- Cinquin, P.; Gondran, C.; Giroud, F.; Mazabrard, S.; Pellissier, A.; Boucher, F.; Porcu, P. A glucose biofuel cell implanted in rats. PLoS ONE 2010, 5, e10476. [Google Scholar] [CrossRef] [PubMed]
- Zebda, A.; Cosnier, S.; Alcaraz, J.P.; Holzinger, M.; Le Goff, A.; Gondran, C.; Cinquin, P. Single glucose biofuel cells implanted in rats power electronic devices. Sci. Rep. 2013, 3, 1–5. [Google Scholar] [CrossRef] [PubMed]
- Szczupak, A.; Halámek, J.; Halámková, L.; Bocharova, V.; Alfonta, L.; Katz, E. Living battery–biofuel cells operating in vivo in clams. Energy Environ. Sci. 2012, 5, 8891–8895. [Google Scholar] [CrossRef]
- Schwefel, J.; Ritzmann, R.E.; Lee, I.N.; Pollack, A.; Weeman, W.; Garverick, S.; Scherson, D. Wireless communication by an autonomous self-powered cyborg insect. J. Electrochem. Soc. 2014, 161, H3113. [Google Scholar] [CrossRef]
- Shoji, K.; Akiyama, Y.; Suzuki, M.; Nakamura, N.; Ohno, H.; Morishima, K. Biofuel cell backpacked insect and its application to wireless sensing. Biosens. Bioelectron. 2016, 78, 390–395. [Google Scholar] [CrossRef] [PubMed]
- MacVittie, K.; Halámek, J.; Halámková, L.; Southcott, M.; Jemison, W.D.; Lobel, R.; Katz, E. From “cyborg” lobsters to a pacemaker powered by implantable biofuel cells. Energy Environ. Sci. 2013, 6, 81–86. [Google Scholar] [CrossRef]
- Halámková, L.; Halámek, J.; Bocharova, V.; Szczupak, A.; Alfonta, L.; Katz, E. Implanted biofuel cell operating in a living snail. J. Am. Chem. Soc. 2012, 134, 5040–5043. [Google Scholar] [CrossRef]
- Ghoreishizadeh, S.S.; Moschou, D.; McBay, D.; Gonalez-Solino, C.; Dutta, G.; Di Lorenzo, M.; Soltan, A. Towards self-powered and autonomous wearable glucose sensor. In Proceedings of the 2018 25th IEEE International Conference on Electronics, Circuits and Systems (ICECS), Bordeaux, France, 9–12 December 2018; pp. 701–704. [Google Scholar]
- Slaughter, G.; Kulkarni, T. A self-powered glucose biosensing system. Biosens. Bioelectron. 2016, 78, 45–50. [Google Scholar] [CrossRef]
- Southcott, M.; MacVittie, K.; Halámek, J.; Halámková, L.; Jemison, W.D.; Lobel, R.; Katz, E. A pacemaker powered by an implantable biofuel cell operating under conditions mimicking the human blood circulatory system–battery not included. Phys. Chem. Chem. Phys. 2013, 15, 6278–6283. [Google Scholar] [CrossRef]
- Estrada-Lopez, J.J.; Abuellil, A.; Zeng, Z.; Sanchez-Sinencio, E. Multiple input energy harvesting systems for autonomous IoT end-nodes. J. Low Power Electron. Appl. 2018, 8, 6. [Google Scholar] [CrossRef]
- Dalola, S.; Ferrari, V.; Guizzetti, M.; Marioli, D.; Sardini, E.; Serpelloni, M.; Taroni, A. Autonomous sensor system with power harvesting for telemetric temperature measurements of pipes. IEEE Trans. Instrum. Meas. 2009, 58, 1471–1478. [Google Scholar] [CrossRef]
- Magno, M.; Salvatore, G.A.; Mutter, S.; Farrukh, W.; Troester, G.; Benini, L. Autonomous smartwatch with flexible sensors for accurate and continuous mapping of skin temperature. In Proceedings of the 2016 IEEE International Symposium on Circuits and Systems (ISCAS), Montreal, QC, Canada, 22–25 May 2016; pp. 337–340. [Google Scholar]
- Porcarelli, D.; Donati, I.; Nehani, J.; Brunelli, D.; Magno, M.; Benini, L. Design and implementation of a multi sensors self sustainable wearable device. In Proceedings of the 2014 6th European Embedded Design in Education and Research Conference (EDERC), Milano, Italy, 11–12 September 2014; pp. 16–20. [Google Scholar]
- Georgiadis, A.; Collado, A.; Via, S.; Meneses, C. Flexible hybrid solar/EM energy harvester for autonomous sensors. In Proceedings of the 2011 IEEE MTT-S International Microwave Symposium, Baltimore, MD, USA, 5–10 June 2011; pp. 1–4. [Google Scholar]
- Yu, H.; Yue, Q.; Zhou, J.; Wang, W. A hybrid indoor ambient light and vibration energy harvester for wireless sensor nodes. Sensors 2014, 14, 8740–8755. [Google Scholar] [CrossRef]
- Wang, W.; Vinco, A.; Pavlov, N.; Wang, N.; Hayes, M.; O’Mathuna, C. A rotating machine acoustic emission monitoring system powered by multi-source energy harvester. In Proceedings of the 1st International Workshop on Energy Neutral Sensing Systems; Association for Computing Machinery: Rome, Italy, 2013; pp. 1–6. [Google Scholar]
- Suzuki, T.; Yoshikawa, K.; Momose, S. Integration of organic photovoltaic and thermoelectric hybrid module for energy harvesting applications. In Proceedings of the 2010 International Electron Devices Meeting, San Francisco, CA, USA, 6–8 December 2010; pp. 31–36. [Google Scholar]
- Colomer-Farrarons, J.; Miribel-Catala, P.; Saiz-Vela, A.; Samitier, J. A multiharvested self-powered system in a low-voltage low-power technology. IEEE Trans. Ind. Electron. 2010, 58, 4250–4263. [Google Scholar] [CrossRef]
- Tan, Y.K.; Panda, S.K. Energy harvesting from hybrid indoor ambient light and thermal energy sources for enhanced performance of wireless sensor nodes. IEEE Trans. Ind. Electron. 2010, 58, 4424–4435. [Google Scholar] [CrossRef]
- Zhang, Y.; Zhang, F.; Shakhsheer, Y.; Silver, J.D.; Klinefelter, A.; Nagaraju, M.; Wood, A. A Batteryless 19 µW MICS/ISM-Band Energy Harvesting Body Sensor Node SoC for ExG Applications. IEEE J. Solid-State Circuits 2012, 48, 199–213. [Google Scholar] [CrossRef]
- Saraereh, O.A.; Alsaraira, A.; Khan, I.; Choi, B.J. A hybrid energy harvesting design for on-body Internet-of-Things (IoT) networks. Sensors 2020, 20, 407. [Google Scholar] [CrossRef] [PubMed]
- Hamid, R.; Yuce, M.R. A wearable energy harvester unit using piezoelectric–electromagnetic hybrid technique. Sens. Actuators A Phys. 2017, 257, 198–207. [Google Scholar] [CrossRef]
- Chamanian, S.; Çiftci, B.; Uluşan, H.; Muhtaroğlu, A.; Külah, H. Power-Efficient Hybrid Energy Harvesting System for Harnessing Ambient Vibrations. IEEE Trans. Circuits Syst. I Regul. Papers 2019, 66, 2784–2793. [Google Scholar] [CrossRef]
- Iqbal, M.; Khan, F.U. Hybrid vibration and wind energy harvesting using combined piezoelectric and electromagnetic conversion for bridge health monitoring applications. Energy Convers. Manag. 2018, 172, 611–618. [Google Scholar] [CrossRef]
- Deng, F.; Yue, X.; Fan, X.; Guan, S.; Xu, Y.; Chen, J. Multisource energy harvesting system for a wireless sensor network node in the field environment. IEEE Internet Things J. 2018, 6, 918–927. [Google Scholar] [CrossRef]
- Mori, T.; Priya, S. Materials for energy harvesting: At the forefront of a new wave. MRS Bull. 2018, 43, 176–180. [Google Scholar] [CrossRef]
- Liu, Z.; Mao, J.; Liu, T.H.; Chen, G.; Ren, Z. Nano-microstructural control of phonon engineering for thermoelectric energy harvesting. MRS Bull. 2018, 43, 181–186. [Google Scholar] [CrossRef]
- Cho, K.H.; Priya, S. Direct and converse effect in magnetoelectric laminate composites. Appl. Phys. Lett. 2011, 98, 232904. [Google Scholar] [CrossRef]
- Zhu, J.; Zhu, M.; Shi, Q.; Wen, F.; Liu, L.; Dong, B.; Lee, C. Progress in TENG technology—A journey from energy harvesting to nanoenergy and nanosystem. EcoMat 1205, 2, e12058. [Google Scholar]
- Kansal, A.; Hsu, J.; Zahedi, S.; Srivastava, M.B. Power management in energy harvesting sensor networks. ACM Trans. Embed. Comput. Syst. (TECS) 2007, 6, 32-es. [Google Scholar] [CrossRef]
- Piorno, J.R.; Bergonzini, C.; Atienza, D.; Rosing, T.S. Prediction and management in energy harvested wireless sensor nodes. In Proceedings of the 2009 1st International Conference on Wireless Communication, Vehicular Technology, Information Theory and Aerospace & Electronic Systems Technology, Aalborg, Denmark, 17–20 May 2009; pp. 6–10. [Google Scholar]
- Moser, C.; Thiele, L.; Brunelli, D.; Benini, L. Adaptive power management in energy harvesting systems. In Proceedings of the 2007 Design, Automation & Test in Europe Conference & Exhibition, Nice, France, 16–20 April 2007; pp. 1–6. [Google Scholar]
- Lu, J.; Whitehouse, K. SunCast: Fine-grained prediction of natural sunlight levels for improved daylight harvesting. In Proceedings of the 2012 ACM/IEEE 11th International Conference on Information Processing in Sensor Networks (IPSN), Beijing, China, 16–20 April 2012; pp. 245–256. [Google Scholar]
- Cammarano, A.; Petrioli, C.; Spenza, D. Pro-Energy: A novel energy prediction model for solar and wind energy-harvesting wireless sensor networks. In Proceedings of the 2012 IEEE 9th International Conference on Mobile Ad-Hoc and Sensor Systems (MASS 2012), Las Vegas, NV, USA, 8–11 October 2012; pp. 75–83. [Google Scholar]
- Sharma, N.; Sharma, P.; Irwin, D.; Shenoy, P. Predicting solar generation from weather forecasts using machine learning. In Proceedings of the 2011 IEEE International Conference on Smart Grid Communications (SmartGridComm), Brussels, Belgium, 17–20 October 2011; pp. 528–533. [Google Scholar]
- De Araújo, G.M.; Pinto, A.R.; Kaiser, J.; Becker, L.B. Genetic machine learning approach for link quality prediction in mobile wireless sensor networks. Coop. Robot. Sens. Netw. 2014, 507, 1–18. [Google Scholar]
- De Araújo, G.M.; Kaiser, J.; Becker, L.B. An optimized Markov model to predict link quality in mobile wireless sensor networks. In Proceedings of the 2012 IEEE Symposium on Computers and Communications (ISCC), Cappadocia, Turkey, 1–4 July 2012; pp. 000307–000312. [Google Scholar]
- Ye, Y.; Azmat, F.; Adenopo, I.; Chen, Y.; Shi, R. RF energy modelling using machine learning for energy harvesting communications systems. Int. J. Commun. Syst. 2021, 34, e4688. [Google Scholar] [CrossRef]
- Xiang, X.; Liu, W.; Liu, A.; Xiong, N.N.; Zeng, Z.; Cai, Z. Adaptive duty cycle control–based opportunistic routing scheme to reduce delay in cyber physical systems. Int. J. Distrib. Sens. Netw. 2019, 15, 1550147719841870. [Google Scholar] [CrossRef]
- Magno, M.; Marinkovic, S.; Srbinovski, B.; Popovici, E.M. Wake-up radio receiver based power minimization techniques for wireless sensor networks: A review. Microelectron. J. 2014, 45, 1627–1633. [Google Scholar] [CrossRef]
- Bello, H.; Xiaoping, Z.; Nordin, R.; Xin, J. Advances and opportunities in passive wake-up radios with wireless energy harvesting for the internet of things applications. Sensors 2019, 19, 3078. [Google Scholar] [CrossRef] [PubMed]
- Liu, H.; Zhang, G.; Zheng, X.; Chen, F.; Duan, H. Emerging miniaturized energy storage devices for microsystem applications: From design to integration. Int. J. Extrem. Manuf. 2020, 2, 042001. [Google Scholar] [CrossRef]




















| Energy Source | Harvested Power |
|---|---|
| Ambient light (direct sunlight) | 100 mW/cm2 |
| Ambient light (bright sunny day) | 15 mW/cm2 |
| Ambient light (cloudy day) | 150 µW/cm2 |
| Ambient light (indoors) | 10–100 µW/cm2 |
| Vibrational (human motion) | 4 µW/cm3 |
| Vibrational (machines) | 800 µW/cm3 |
| Thermoelectric | 60 µW/cm2 |
| Ambient airflow | 1 mW/cm2 |
| Acoustic noise (100 dB) | 960 nW/cm3 |
| Ambient radio frequency | <1 µW/cm2 |
| Biochemical energy | 10–100 µW/cm2 |
| Transducer Type | Application | Generated Power | Reference |
|---|---|---|---|
| Solar modules | Casio A700 solar wristwatch | - | [67] |
| Solar modules | Logitech K750 solar keyboard | - | [68] |
| 4-4.0-100 solar panels | Berkeley/Crossbow nodes | 198 mW | [69] |
| Solar panels in 100 cm2 area | Wireless structural health monitoring | 780 J in a single day | [70] |
| 14 solar modules | Tracking the position of zebras | 0.4 W in full sun | [71] |
| Solar modules | Tracking the position of turtles | 0.1–1.7 kJ in 10 days | [72] |
| Solar modules | Tracking the position of pink iguanas | - | [73] |
| 4 V 100 mA solar panel | Studies of hydrological cycles in forest | 139 mWh in 30 min | [74] |
| 5 cm × 5 cm solar cell | Measurement of temperature and humidity | 70 mW in full sun | [75] |
| Array of PIN photodiodes | Multi sensors mobile system | 1.29 J in 5 h | [76] |
| 37 mm × 82 mm solar panel | Berkeley’s Telos mote | 40 mA 4.8 V in full sun | [54] |
| 112 cm2 photovoltaic module | Tmotesky sensor platform | 50 mW | [77] |
| a-Si solar cell (AM1815) | Tyndall sensor node | >320 µW | [78] |
| Few cm2 solar cell | Temperature and humidity sensor node | 72.74 µW | [79] |
| 7.4 cm × 5.5 cm solar panel | Outdoor sensor node | - | [80] |
| Perovskite PV cells | Wireless temperature sensor | 14.5 µW | [81] |
| Organic PV cells | Indoor sensor nodes | 0.14 mW | [82] |
| GaAs PV cells | Wireless temperature sensor | 70.8 nW at 200 lux | [83] |
| Transducer Type | Application | Generated Power | Reference |
|---|---|---|---|
| Magnetic spring generator | EM generator in a backpack | 300 µW–2.5 mW | [84] |
| Magnetic spring generator | EM generator in a backpack | 7.4 W | [85] |
| Gear motor in door axis | Power from door motion | 3.9 J for an open/close action | [86] |
| Regenerative shock absorber | Power from vibrations in a car | 19 W average power | [87] |
| Permanent magnet generator | Power from sea waves | kWs range | [88] |
| Electromechanical generator | Power from large structures vibrations | >100 W | [89] |
| EM frequency up-conversion | Power from human hand shaking | 2.15 mW | [90] |
| EM rotational transducer | Power from human hand swing | 55 µW | [91] |
| Magnet + cantilever + coil | EM generator with frequency-up conversion | 544.7 µ at 88.6 mV | [92] |
| EM rotational transducer | Rotary magnetic generator in shoe | 230 mW | [93] |
| Transducer Type | Application | Generated Power | Reference |
|---|---|---|---|
| Honeycomb-type variable capacitor | Power from ventricular wall motion | 36 µW | [95] |
| Multi-layer cylindrical capacitor | Power from blood pressure | 20 mJ per heart beat | [96] |
| Angular electrode + SiO2 electret | Power for cardiac and neural implants | 9.6 µW | [97] |
| ES transducer + SiO2/Si3N4 electret | Tire pressure monitoring system | 60 µW at 60 Km/h | [98] |
| Variable capacitor (60–250 pF) | Power from vibrations | 1.6 µW | [99] |
| ES transducer + electret + turbine | Power from wind energy | 200 µW | [100] |
| ES transducer + CYTOP electret | Power from vibrations | 4.95 µW | [101] |
| ES transducer + potassium ions electret | Power from vibrations of infrastructures | 115 µW | [102] |
| Transducer Type | Application | Generated Power | Reference |
|---|---|---|---|
| Piezo-ceramic | Piezoelectric pushbutton | 0.5 mJ 3 V single push | [104] |
| PVDF + PZT | Footsteps mechanical energy | 1.3 mW–8.4 mW | [105] |
| PVDF | Footsteps mechanical energy | 1 mW | [106] |
| β-PVDF | Footsteps mechanical energy | 0.050 J in 1 h | [107] |
| PVDF + PZT | Tree-shaped wind power system | 4 µW (PVDF) + 2.24 µW (PZT) | [108] |
| PVDF | Backpack with piezoelectric straps | 45.6 mW under 444 N load | [109] |
| Interdigitated piezo-fiber | Power from mechanical stress of car tires | 1.37 µW/mm3 | [110] |
| PZT | Piezoelectric energy harvesting mat | 10 mW at 60 N | [111] |
| Different piezo-transducers | Power from rainwater drops | - | [112] |
| PZT | Power from bicycle vibrations | 1.977 mW at 20 km/h | [113] |
| Transducer Type | Application | Generated Power | Reference |
|---|---|---|---|
| GM200-71-14-16 TEG module | Wearable wireless sensor nodes | 336.9 µW | [120] |
| 30 × 34 × 3.2 mm TEG | Control of a ZigBee based radiator valve | 150 mW at ΔT = 34 °C | [121] |
| TEG | Power from waste heat in exhaust pipes | 2 W peak | [122] |
| TEG | Wireless sensor node in aircraft | 26.5 J in 60 min flight | [123] |
| TEG integrated with sensor | Soil moisture measurement | 34.1 J in a sunny day | [124] |
| Commercial TEG | Absolute pressure measurement | 109 µW at 15 °C | [125] |
| TK-1-3-S TEG module | Axle bearing degradation monitoring | 19.3 mW | [126] |
| TEG | Power from mobile devices heath | 300–600 mW | [127] |
| Commercial TEG (TEC12706) | Self-powered wireless temperature sensor | 13–15 kW/m2 | [128] |
| Bi-Te and Sb-Te TEG | Human heat-powered wristwatch | 22.5 µW | [129] |
| Fabric-TEG composite | Wearable sensor node | 146.9 nW at ΔT = 27 °C | [130] |
| Bi2Te3 and Sb2Te3 TEG | Mobile electroencephalogram system | Few mW | [131] |
| Poly SiGe TEG | Wireless human body applications | 0.3 nW at 150 mV | [132] |
| TEG | Wireless fall events detection | 40–520 µW | [133] |
| TES1-12704 TEG module | Wearable sensor system | 5–50 µW | [134] |
| Source of Power | Application | Generated Power | Reference |
|---|---|---|---|
| RFID (UWB) | Metal crack detection and characterization | - | [141] |
| RFID (3–7.5 GHz) | Humidity measurement | - | [142] |
| RFID (5.25 Ghz + 7.35 Ghz) | Angular rotation monitoring | - | [143] |
| RFID (915 MHz) | Temperature measurement in concrete | - | [144] |
| RFID (860 MHz) | Pressure measurement | - | [145] |
| RFID (800–860 MHz) | Concentration measurement of solutions | - | [146] |
| RFID (860 MHz) | Food quality monitoring | - | [147] |
| RFID (860–960 MHz) | Environmental monitoring | >5.1 µW | [148] |
| RFID (868 MHz) | Vehicle stability control system | 50 µW at 3 m | [149] |
| NFC (13.56 MHz) | Color sensor for pH measurement | 5 mA at 3.3 V | [150] |
| NFC (13.56 MHz) | Compact dosimetry system | - | [151] |
| NFC (13.56 MHz) | Ethanol concentration measurement | - | [152] |
| Source of Power | Application | Generated Power | Reference |
|---|---|---|---|
| 464.55 MHz at 2 W | Wireless wearable device | 146.9 mW | [154] |
| DTV (539 MHz) + cellular (738 MHz) | Temperature and light sensor node | >15.8 µW | [155] |
| 915 Mhz band | Mica2 sensor mote | 37 µW | [156] |
| Digital TV UHF (500–600 MHz) | Microcontroller based sensor node | - | [157] |
| Base station (915 MHz) | Wireless telemetry system | >110 µW | [158] |
| 900 MHz band | Wireless gas sensor node | >250 µW | [159] |
| 1.8–1.9 GHz band | Wireless sensor node | 400 pW | [160] |
| DTV + GSM900 + GSM1800 + 3G | Wireless sensor node | 7.4 µW/cm3 | [161] |
| 315 MHz + 400 MHz + 915 MHz + 2.4 GHz | Charging of mobile devices | 743.63 µW | [162] |
| Transducer Type | Application | Generated Power | Reference |
|---|---|---|---|
| Needle anode and gas-diffusion chatode | Power from fructose in raw grape | 26.5 µW at 340 mV | [165] |
| Enzyme modified glassy carbon electrodes | Power from living plants | 9 µW∙cm−2 at 0.4 V | [166] |
| Enzyme modified buckypaper electrodes | Power from glucose in oranges | 670 µW | [167] |
| Pt-Ir anode and gas diffusion chatode | Power from glucose in fish | 8.6 µW/cm2 at 15 °C | [168] |
| Compacted graphite disc electrodes | Power from glucose in rats blood | 6.5 µW at 0.13 V | [169] |
| Carbon nanotube/enzyme electrodes | Power from glucose in rats blood | 38.7 µW | [170] |
| Multiwalled carbon nanotubes electrodes | Power from clams hemolymph | 10 µW | [171] |
| Enzyme modified graphite rods electrodes | Power from insects hemolymph | 0.12 µW at 100 mV | [172] |
| Enzyme modified KB electrodes | Power from cockroaches hemolymph | 333 µW at 500 mV | [173] |
| Enzyme modified electrodes | Power from lobsters hemolymph | >160 µW at 1.2 V | [174] |
| Enzyme modified buckypaper electrodes | Power from snails hemolymph | 7.45 µW | [175] |
| Enzyme modified gold plated electrodes | Power for glucose sensor patch | 14 µW | [176] |
| Enzyme modified MWCN electrodes | Power for glucose sensor | 67.86 µW/cm2 | [177] |
| Enzyme modified buckypaper electrodes | Power from glucose in human blood | >300 µW | [178] |
| Transducer Type | Application | Generated Power | Reference |
|---|---|---|---|
| TEG + 125 kHz RFID | Temperature measurement in pipes | >20 mW | [180] |
| Photovoltaic + NFC | Skin temperature measurement | 502 µW indoor, 4 mW outdoor | [181] |
| Photovoltaic + NFC | Multi sensors smart bracelet | 190 µ indoor, 24 mW outdoor | [182] |
| Photovoltaic + RF | Wireless sensor node | - | [183] |
| Photovoltaic + Piezoelectric | Wireless indoor sensor node | 85.94 µW | [184] |
| Photovoltaic + TEG + vibrations | Acoustic emissions measurement | >4.93 mW | [185] |
| Photovoltaic + TEG | Wearable sensor node for health care | 4.9∙10−4 mW/cm2 | [186] |
| Photovoltaic + piezoelectric + RF | Wireless sensor node | 6.2 mW | [187] |
| Photovoltaic + TEG | Indoor wireless sensor node | 621 µW | [188] |
| TEG + RF | Heart rate measurement | 60 µW | [189] |
| TEG + RF | Fall detection system | - | [190] |
| Piezoelectric + Electromagnetic | Wearable sensor node | 75.6 mJ in 270 s | [191] |
| Piezoelectric + Electromagnetic | Wearable sensor node | 1–100 µW | [192] |
| Piezoelectric + Electromagnetic | Bridges health monitoring sensor | 155.7 µW | [193] |
| Photovoltaic + TEG + Wind | Outdoor wireless sensor node | 7805.09 J in a day | [194] |
Publisher’s Note: MDPI stays neutral with regard to jurisdictional claims in published maps and institutional affiliations. |
© 2021 by the author. Licensee MDPI, Basel, Switzerland. This article is an open access article distributed under the terms and conditions of the Creative Commons Attribution (CC BY) license (http://creativecommons.org/licenses/by/4.0/).
Share and Cite
Grossi, M. Energy Harvesting Strategies for Wireless Sensor Networks and Mobile Devices: A Review. Electronics 2021, 10, 661. https://doi.org/10.3390/electronics10060661
Grossi M. Energy Harvesting Strategies for Wireless Sensor Networks and Mobile Devices: A Review. Electronics. 2021; 10(6):661. https://doi.org/10.3390/electronics10060661
Chicago/Turabian StyleGrossi, Marco. 2021. "Energy Harvesting Strategies for Wireless Sensor Networks and Mobile Devices: A Review" Electronics 10, no. 6: 661. https://doi.org/10.3390/electronics10060661
APA StyleGrossi, M. (2021). Energy Harvesting Strategies for Wireless Sensor Networks and Mobile Devices: A Review. Electronics, 10(6), 661. https://doi.org/10.3390/electronics10060661
