Carry-Propagation-Adder-Factored Gemmini Systolic Array for Machine Learning Acceleration
Abstract
1. Introduction
- We present a novel factored systolic array, referred to as the carry-propagate-adder (CPA)-factored systolic array.
- Using the practical systolic array baseline, we demonstrate that significant improvements in key design metrics are possible without modifying the functionality of the systolic array.
2. Related Works
2.1. Fixed ML Accelerator Designs
2.2. Flexible ML Accelerator Designs
2.3. Logic Level ML Accelerator Designs
3. Proposed Design
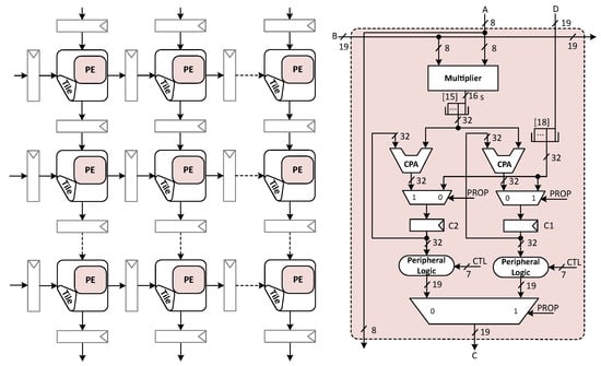
3.1. CPA-Factored Systolic Array
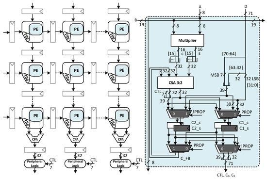
3.2. Gemmini Systolic Array Architecture
3.3. CPA-Factored Gemmini Systolic Array Architecture
3.4. Double Buffer Complexities in Systolic Arrays
4. Evaluation and Analysis
4.1. Evaluation Setup and Baseline
4.2. Comparison of Systolic Array with 32 Acc. WL
4.2.1. Processing Element
4.2.2. Systolic Arrays
4.3. Comparison of Different Acc. WL Systolic Arrays
5. Discussion
6. Conclusions
Author Contributions
Funding
Conflicts of Interest
Abbreviations
| ML | Machine Learning |
| DL | Deep Learning |
| GEMM | General Matrix Multiplication |
| CNN | Convolutional Neural Network |
| MAC | Multiplication and Accumulation |
| SAC | Split-and-Accumulate |
| PP | Partial Product |
| CPA | Carry Propagate Adder |
| CSA | Carry Save Adder |
| SA | Systolic Array |
| PE | Processing Element |
| ADP | Area Delay Product |
| PDP | Power Delay Product |
References
- Qin, E.; Samajdar, A.; Kwon, H.; Nadella, V.; Srinivasan, S.; Das, D.; Kaul, B.; Krishna, T. SIGMA: A sparse and irregular gemm accelerator with flexible interconnects for dnn training. In Proceedings of the IEEE International Symposium on High Performance Computer Architecture (HPCA), San Diego, CA, USA, 22–26 February 2020; pp. 58–70. [Google Scholar]
- Hegde, K.; Yu, J.; Agrawal, R.; Yan, M.; Pellauer, M.; Fletcher, C. UCNN: Exploiting computational reuse in deep neural networks via weight repetition. In Proceedings of the ACM/IEEE 45th Annual International Symposium on Computer Architecture (ISCA), Los Angeles, CA, USA, 1–6 June 2018; pp. 674–687. [Google Scholar]
- Silver, D.; Schrittwieser, J.; Simonyan, K.; Antonoglou, I.; Huang, A.; Guez, A.; Hubert, T.; Baker, L.; Lai, M.; Bolton, A.; et al. Mastering the game of go without human knowledge. Nature 2017, 550, 354–359. [Google Scholar] [CrossRef] [PubMed]
- Sze, V.; Chen, Y.H.; Yang, T.J.; Emer, J.S. Efficient Processing of Deep NEURAL networks; Synthesis Lectures on Computer Architecture; Morgan and Claypool Publishers: San Rafael, CA, USA, 2020; Volume 15, pp. 1–341. [Google Scholar]
- Sze, V.; Chen, Y.H.; Yang, T.J.; Emer, J.S. Efficient processing of deep neural networks: A tutorial and survey. Proc. IEEE 2017, 105, 2295–2329. [Google Scholar] [CrossRef]
- Kwon, H.; Chatarasi, P.; Pellauer, M.; Parashar, A.; Sarkar, V.; Krishna, T. Understanding reuse, performance, and hardware cost of dnn dataflow: A data-centric approach. In Proceedings of the 52nd Annual IEEE/ACM International Symposium on Microarchitecture, Columbus, OH, USA, 12–16 October 2019; pp. 754–768. [Google Scholar]
- Kung, H.T.; Leiserson, C.E. Algorithms for VLSI processor arrays/eds. In Introduction to VLSI Systems; Mead, C., Conway, L., Eds.; Addison-Wesley: Boston, MA, USA, 1979. [Google Scholar]
- Gentleman, W.M.; Kung, H.T. Matrix triangularization by systolic arrays. In Real-Time Signal Processing IV; International Society for Optics and Photonics: Bellingham, DC, USA, 1982; Volume 298, pp. 19–26. [Google Scholar]
- Jouppi, N.P.; Young, C.; Patil, N.; Patterson, D.; Agrawal, G.; Bajwa, R.; Bates, S.; Bhatia, S.; Boden, N.; Borchers, A.; et al. In-datacenter performance analysis of a tensor processing unit. In Proceedings of the 44th Annual International Symposium on Computer Architecture, Toronto, ON, Canada, 24–28 June 2017; pp. 1–12. [Google Scholar]
- NVIDIA. Nvidia Turing Gpu Architecture; NVIDIA: Santa Clara, CA, USA, 2019. [Google Scholar]
- Cyphers, S.; Bansal, A.K.; Bhiwandiwalla, A.; Bobba, J.; Brookhart, M.; Chakraborty, A.; Constable, W.; Convey, C.; Cook, L.; Kanawi, O.; et al. Intel ngraph: An intermediate representation, compiler, and executor for deep learning. arXiv 2018, arXiv:1801.08058. [Google Scholar]
- Song, J.; Cho, Y.; Park, J.S.; Jang, J.W.; Lee, S.; Song, J.H.; Lee, J.G.; Kang, I. 7.1 an 11.5 tops/w 1024-mac butterfly structure dual-core sparsity-aware neural processing unit in 8nm flagship mobile soc. In Proceedings of the IEEE International Solid-State Circuits Conference-(ISSCC), San Francisco, CA, USA, 17–21 February 2019; pp. 130–132. [Google Scholar]
- Kung, H.T.; Song, S.W. A Systolic 2-d Convolution Chip; Technical Report; Department of Science, Carnegie-Mellon University: Pittsburgh, PA, USA, March 1981. [Google Scholar]
- Kung, H.T. Why systolic architectures? IEEE Comput. 1982, 15, 37–46. [Google Scholar] [CrossRef]
- Chen, Y.H.; Krishna, T.; Emer, J.S.; Sze, V. Eyeriss: An energy-efficient reconfigurable accelerator for deep convolutional neural networks. IEEE J. Solid-State Circuits 2016, 52, 127–138. [Google Scholar] [CrossRef]
- Zhang, C.; Sun, G.; Fang, Z.; Zhou, P.; Pan, P.; Cong, J. Caffeine: Toward uniformed representation and acceleration for deep convolutional neural networks. IEEE Trans. Computer-Aided Des. Integr. Circuits Syst. 2018, 38, 2072–2085. [Google Scholar] [CrossRef]
- Genc, H.; Haj-Ali, A.; Iyer, V.; Amid, A.; Mao, H.; Wright, J.; Schmidt, C.; Zhao, J.; Ou, A.; Banister, M.; et al. Gemmini: An agile systolic array generator enabling systematic evaluations of deep-learning architectures. arXiv 2019, arXiv:1911.09925. [Google Scholar]
- Deng, L.; Li, G.; Han, S.; Shi, L.; Xie, Y. Model compression and hardware acceleration for neural networks: A comprehensive survey. Proc. IEEE 2020, 108, 485–532. [Google Scholar] [CrossRef]
- Capra, M.; Bussolino, B.; Marchisio, A.; Shafique, M.; Masera, G.; Martina, M. An updated survey of efficient hardware architectures for accelerating deep convolutional neural networks. Future Internet 2020, 12, 113. [Google Scholar] [CrossRef]
- Dave, S.; Baghdadi, R.; Nowatzki, T.; Avancha, S.; Shrivastava, A.; Li, B. Hardware acceleration of sparse and irregular tensor computations of ml models: A survey and insights. arXiv 2020, arXiv:2007.00864. [Google Scholar]
- Shawahna, A.; Sait, S.M.; El-Maleh, A. FPGA-based accelerators of deep learning networks for learning and classification: A review. IEEE Access 2018, 7, 7823–7859. [Google Scholar] [CrossRef]
- Parashar, A.; Rhu, M.; Mukkara, A.; Puglielli, A.; Venkatesan, R.; Khailany, B.; Emer, J.; Keckler, S.W.; Dally, W.J. SCNN: An accelerator for compressed-sparse convolutional neural networks. Acm SIGARCH Comput. Archit. News 2017, 45, 27–40. [Google Scholar] [CrossRef]
- Liu, Z.G.; Whatmough, P.N.; Mattina, M. Systolic tensor array: An efficient structured-sparse gemm accelerator for mobile cnn inference. IEEE Comput. Archit. Lett. 2020, 19, 34–37. [Google Scholar] [CrossRef]
- Lu, W.; Yan, G.; Li, J.; Gong, S.; Han, Y.; Li, X. Flexflow: A flexible dataflow accelerator architecture for convolutional neural networks. In Proceedings of the IEEE International Symposium on High Performance Computer Architecture (HPCA), Hilton, Austin, TX, USA, 4–8 February 2017; pp. 553–564. [Google Scholar]
- Chen, Y.H.; Yang, T.J.; Emer, J.; Sze, V. Eyeriss v2: A flexible accelerator for emerging deep neural networks on mobile devices. IEEE J. Emerg. Sel. Top. Circuits Syst. 2019, 9, 292–308. [Google Scholar] [CrossRef]
- Lym, S.; Erez, M. Flexsa: Flexible systolic array architecture for efficient pruned dnn model training. arXiv 2020, arXiv:2004.13027. [Google Scholar]
- Lu, H.; Wei, X.; Lin, N.; Yan, G.; Li, X. Tetris: Re-architecting convolutional neural network computation for machine learning accelerators. In Proceedings of the IEEE/ACM International Conference on Computer-Aided Design (ICCAD), San Diego, CA, USA, 5–8 November 2018; pp. 1–8. [Google Scholar]
- Ullah, I.; Inayat, K.; Yang, J.S.; Chung, J. Factored radix-8 systolic array for tensor processing. In Proceedings of the 57th ACM/IEEE Design Automation Conference (DAC), San Francisco, CA, USA, 20–24 July 2020; pp. 1–6. [Google Scholar]
- Ercegovac, M.D.; Lang, T. Digital Arithmetic; Morgan Kaufmann Publishers: San Francisco, CA, USA, 2004. [Google Scholar]
- Hwang, K. Computer Arithmetic Principles, Architecture, and Design; John Wiley and Sons Inc: Hoboken, NJ, USA, 1979; pp. 69–91. [Google Scholar]
- Bewick, G.W. Fast Multiplication: Algorithms and Implementation. Ph.D. Thesis, Department of Electrical Engineering, Stanford University, Stanford, CA, USA, 1994. [Google Scholar]





| Designs | Size | Area (μm2) | Delay (ns) | Power (mW) | PDP (ns·mW) | ADP (ns·μm2) |
|---|---|---|---|---|---|---|
| Gemmini [17] | 8 | 6763 | 2.01 | 1.01 | 2.02 | 13,594 |
| Proposed | 8 | 3782 | 1.67 | 1.14 | 1.90 | 6316 |
| Designs | Size | Area (mm2) | Delay (ns) | Power (W) | PDP (ns·W) | ADP (ns·mm2) |
|---|---|---|---|---|---|---|
| Gemmini [17] | 8 | 0.46 | 2.02 | 0.074 | 0.1489 | 0.94 |
| Proposed | 8 | 0.31 | 1.72 | 0.083 | 0.142 | 0.53 |
| Design | Acc. WL | Gemmini [17] | Proposed | |||||||||
| Area (μm2) | Delay (ns) | Power (mW) | PDP (ns·mW) | ADP (ns·μm2) | Area (μm2) | Delay (ns) | Power (mW) | PDP (ns·mW) | ADP (ns·μm2) | |||
| PE | 16 | 2929 | 1.96 | 0.62 | 1.21 | 5741 | 2508 | 1.67 | 0.47 | 0.79 | 4188 | |
| 32 | 6763 | 2.01 | 1.01 | 2.02 | 13,594 | 3782 | 1.67 | 1.14 | 1.90 | 6316 | ||
| 64 | 14,495 | 2.38 | 1.57 | 3.73 | 34,498 | 6270 | 1.67 | 2.10 | 3.67 | 10,471 | ||
| Design | Acc. WL | Gemmini [17] | Proposed | |||||||||
| Area (mm2) | Delay (ns) | Power (W) | PDP (ns·W) | ADP (ns·mm2) | Area (mm2) | Delay (ns) | Power (W) | PDP (ns·W) | ADP (ns·mm2) | |||
| SA | 16 | 0.22 | 1.99 | 0.047 | 0.094 | 0.43 | 0.20 | 1.68 | 0.038 | 0.063 | 0.34 | |
| 32 | 0.46 | 2.02 | 0.074 | 0.15 | 0.94 | 0.31 | 1.72 | 0.083 | 0.142 | 0.53 | ||
| 64 | 0.97 | 2.48 | 0.125 | 0.30 | 2.37 | 0.53 | 1.87 | 0.157 | 0.294 | 0.99 | ||
Publisher’s Note: MDPI stays neutral with regard to jurisdictional claims in published maps and institutional affiliations. |
Short Biography of Authors
![]() | Kashif Inayat received his B.E degree in electronics engineering from Iqra Univeristy Islamabad Campus, Pakistan in 2014, his M.S. degree in electronics and computer Engineering in 2019 from Hongik University, South Korea. He worked as a engineer at Digital System Design Lab at Iqra University Islamabad, from 2014 to 2017. He also worked as a researcher at R&D Institute Incheon National University on Samsung Electronics funded projects, South Korea. He is currently pursuing his Ph.D. in electronics engineering at Incheon National University. His current research interests include neuromorphic, computer arithmetics and information security. |
![]() | JAEYONG CHUNG received the B.S. degree in electrical engineering from Yonsei University, Seoul, South Korea, in 2006, and the M.S. and Ph.D. degrees in electrical and computer engineering from the Department of Electrical and Computer Engineering, University of Texas, Austin, in 2008 and 2011, respectively. He worked at the Strategic CAD Lab (SCL), Intel and IBM T.J. Watson Research Center, from summer 2008 and summer 2010, respectively. From 2011 to 2013, he was with the Design Compiler Team, Synopsys, Inc., Mountain View, CA. He is currently an Associate Professor with the Department of Electronic Engineering, Incheon National University, Incheon, South Korea. His current research interests include neuromorphic systems and deep learning. |
© 2021 by the authors. Licensee MDPI, Basel, Switzerland. This article is an open access article distributed under the terms and conditions of the Creative Commons Attribution (CC BY) license (http://creativecommons.org/licenses/by/4.0/).
Share and Cite
Inayat, K.; Chung, J. Carry-Propagation-Adder-Factored Gemmini Systolic Array for Machine Learning Acceleration. Electronics 2021, 10, 652. https://doi.org/10.3390/electronics10060652
Inayat K, Chung J. Carry-Propagation-Adder-Factored Gemmini Systolic Array for Machine Learning Acceleration. Electronics. 2021; 10(6):652. https://doi.org/10.3390/electronics10060652
Chicago/Turabian StyleInayat, Kashif, and Jaeyong Chung. 2021. "Carry-Propagation-Adder-Factored Gemmini Systolic Array for Machine Learning Acceleration" Electronics 10, no. 6: 652. https://doi.org/10.3390/electronics10060652
APA StyleInayat, K., & Chung, J. (2021). Carry-Propagation-Adder-Factored Gemmini Systolic Array for Machine Learning Acceleration. Electronics, 10(6), 652. https://doi.org/10.3390/electronics10060652



