Compact Double Notch Coplanar and Microstrip Bandstop Filters Using Metamaterial—Inspired Open Ring Resonators
Abstract
1. Introduction
2. Double Notch Filters Using a 3OISRR Cell in Microstrip and Coplanar Technologies
2.1. Structure
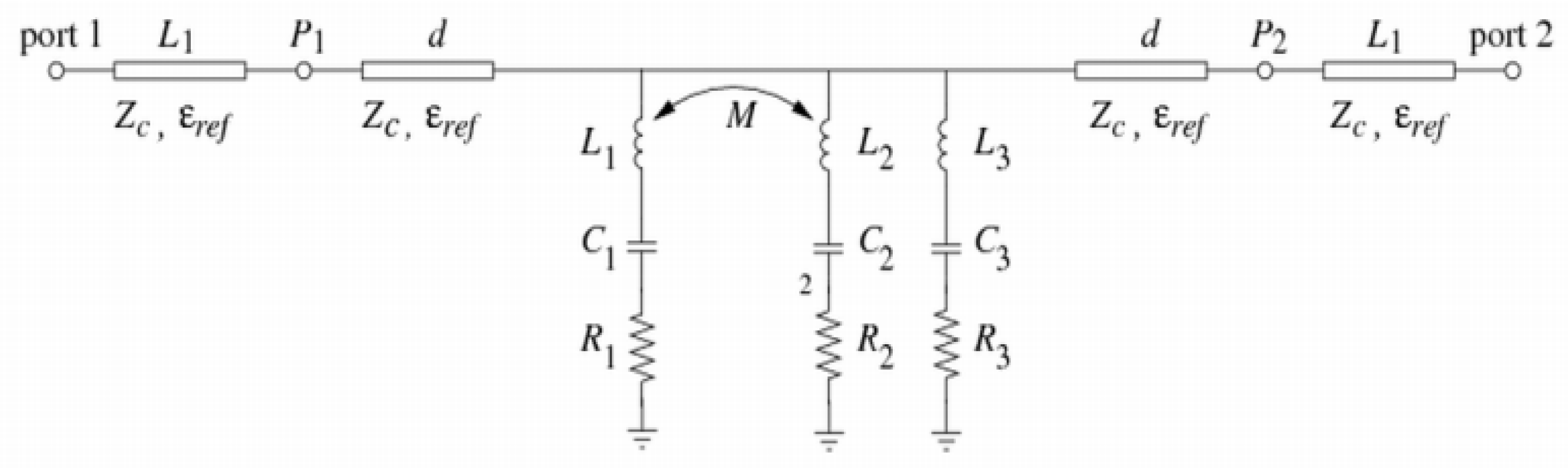
2.2. Simplified Equivalent Circuit Model
2.3. Analysis
3. Fabrication and Results
4. Conclusions
Author Contributions
Funding
Conflicts of Interest
References
- Hong, J.S.; Lancaster, M.J. Microstrip Filters for RF/Microwave Applications; John Wiley & Sons: New York, NY, USA, 2001. [Google Scholar]
- Wei, F.; Li, W.T.; Shi, X.W.; Huang, Q.L. Compact UWB bandpass filter with triple-notched bands using triple-mode stepped impedance resonator. IEEE Microw. Wirel. Compon. Lett. 2012, 22, 512–514. [Google Scholar] [CrossRef]
- Hou, Z.; Liu, C.; Zhang, B.; Song, R.; Wu, Z.; Zhang, J.; He, D. Dual-/tri-wideband bandpass filter with high selectivity and adjustable passband for 5G mid-band mobile communications. Electronics 2020, 9, 205. [Google Scholar] [CrossRef]
- Lalbakhsh, A.; Ghaderi, A.; Mohyuddin, W.; Simorankir, R.B.V.B.; Bayat-Makou, N.; Ahmad, M.S.; Lee, G.H.; Kim, K.W. A compact C-band bandpass filter with an adjustable dual-band suitable for satellite communication systems. Electronics 2020, 9, 1088. [Google Scholar] [CrossRef]
- Wei, X.B.; Wang, P.; Gao, P.; Xu, Z.Q.; Liao, J.X.; Jin, L.; Shi, Y. Compact tri-band bandpass filter using open stub loaded tri-section λ/4 stepped impedance resonator. IEEE Microw. Wirel. Compon. Lett. 2014, 24, 512–514. [Google Scholar] [CrossRef]
- Pal, M.; Chatterjee, J.; Ghatak, R. Multiband BPF with wide upper stop band using asymmetrically positioned stub loaded open loop resonators. AEU Int. J. Electron. Commun. 2014, 68, 1041–1046. [Google Scholar] [CrossRef]
- Ibrahim, A.A.; Ali, W.A.E.; Abdelghany, M.A. Design of dual-band dual-mode band-pass filter utilizing 0° feed structure and lumped capacitors for WLAN-WiMax applications. Electronics 2020, 9, 1697. [Google Scholar] [CrossRef]
- Lalbakhsh, A.; Alzadeh, S.M.; Ghaderi, A.; Golestanifar, A.; Mohamadzade, B.; Jamshidi, M.; Mandal, K.; Mohyuddin, W. A design of a dual-band bandpass filter based on modal analysis for modern communication systems. Electronics 2020, 9, 1770. [Google Scholar] [CrossRef]
- Geschke, R.H.; Jokanovic, B.; Meyer, P. Filter parameter extraction for triple-band composite split-ring resonators and filters. IEEE Trans. Microwave Theory Tech. 2011, 59, 1500–1508. [Google Scholar] [CrossRef]
- Karimi, G.; Amiriam, M.; Ranjbar, M. A new microstrip coupling system for realization of a differential dual-band bandpass filter. AEU Int. J. Electron. Commun. 2019, 99, 186–192. [Google Scholar] [CrossRef]
- Fan, M.; Song, K.; Zhu, Y.; Fan, Y. Compact bandpass-to-bandstop reconfigurable filter with wide tuning range. IEEE Microw. Wirel. Compon. Lett. 2019, 29, 198–200. [Google Scholar] [CrossRef]
- Lalbakhsh, A.; Jamshidi, M.B.; Siakamari, H.; Ghaderi, A.; Golestanifar, A.; Linhart, R.; Talla, J.; Simorangkir, R.B.V.B.; Mandal, K. A compact lowpass filter for communication systems based on transfer function analysis. AEU Int. J. Electron. Commun. 2020, 124, 153318. [Google Scholar] [CrossRef]
- Karimi, G.; Siahkamari, H.; Hamedani, F.K.; Lalbakhsh, A. Design of modified Z-shaped and T-shaped microstrip filter based on transfer function analysis. Wirel. Pers Commun. 2015, 82, 2005–2016. [Google Scholar] [CrossRef]
- Ahmadi, A.; Makki, S.V.; Lalbakhsh, A.; Majidifar, S. A novel dual-mode wideband band pass filter. Appl. Comp. Electro. Soc. J. 2014, 29, 735–742. [Google Scholar]
- Chen, H.; Jiang, D.; Chen, X. Wideband bandstop filter using hybrid/CPW-DGS with via-hole connection. Electron. Lett. 2016, 52, 1469–1470. [Google Scholar] [CrossRef]
- Chin, K.S.; Yeh, J.H.; Chao, S.H. Compact dual-band bandstop filters using stepped-impedance resonators. IEEE Microw. Wirel. Compon. Lett. 2007, 17, 849–851. [Google Scholar] [CrossRef]
- Gao, L.; Cai, S.W.; Zhang, X.Y.; Xue, Q. Dual-band bandstop filter using open and short stub-loaded resonators. In Proceedings of the International Conference on Microwave and Millimeter Wave technology (ICMMT), Shenzhen, China, 5–8 May 2012; pp. 1–3. [Google Scholar]
- Wei, F.; Wang, Z.D.; Yang, F.; Shi, X.W. Compact UWB BPF with triple-notched bands based on stub loaded resonator. Electron. Lett. 2013, 49, 124–125. [Google Scholar] [CrossRef]
- Jankovic, N.; Geschke, R.; Crnojevi´c-Bengin, V. Compact tri-band bandpass and bandstop filters based on hilbert-fork resonators. IEEE Microw. Wirel. Compon. Lett. 2013, 23, 282–284. [Google Scholar] [CrossRef]
- Fertas, K.; Ghanem, F.; Challal, M.; Ouahdi, M.; Fertas, F.; Aksas, R. Design and implementation of a novel tri-band bandstop filter based on hexagonal metamaterials split ring resonators. In Proceedings of the 2017 5th International Conference on Electrical Engineering-Boumerdes (ICEE-B), Boumerdes, Algeria, 29–31 October 2017; IEEE: Piscataway, NJ, USA, 2017. [Google Scholar]
- Zheng, X.; Jiang, T. Triple notches bandstop microstrip filter based on arhimedean spiral electromagnetic bandgap structure. Electronics 2019, 8, 964. [Google Scholar] [CrossRef]
- Wang, J.; Zhao, J.; Li, J.L. Compact UWB bandpass filter with triple notched bands using parallel U-shaped defected microstrip structure. Electron. Lett. 2014, 50, 89–91. [Google Scholar] [CrossRef]
- Martel, J.; Marqués, R.; Falcone, F.; Baena, J.D.; Medina, F.; Martin, F.; Sorolla, M. A new LC series element for compact bandpass filter design. IEEE Microw. Wireless Compon. Lett. 2004, 24, 210–212. [Google Scholar] [CrossRef]
- Vélez, A.; Aznar, F.; Durán-Sindreu, M.; Bonache, J.; Martín, F. Stop-band and band-pass filters in coplanar waveguide technology implemented by means of electrically small metamaterial-inspired open resonators. IET Microw. Antennas Propag. 2010, 4, 712–716. [Google Scholar] [CrossRef]
- Ruiz, J.D.; Hinojosa, J.; Alvarez-Melcon, A. Microstrip notch filters based on open interconnected split ring resonators (OISRRs). Appl. Phys. A 2013, 112, 263–267. [Google Scholar] [CrossRef]
- Ruiz, J.D.; Hinojosa, J. Shunt series LC circuit for compact coplanar waveguide notch filter design. IET Microw. Antennas Propag. 2014, 8, 125–129. [Google Scholar] [CrossRef]
- Hinojosa, J.; Martínez-Viviente, F.L.; Ruiz, J.D.; Alvarez-Melcon, A. Modified split-ring resonator for microstrip dual-band notch filter. In Proceedings of the European Microwave Conference (EuMC), Paris, France, 7–10 September 2015; pp. 813–816. [Google Scholar]
- Karimi, G.; Lalbakhsh, A.; Dehghani, K.; Siahkamari, H. Analysis of novel approach to design of ultra-wide stopband microstrip low-pass filter using modified U-shaped resonator. ETRI J. 2015, 37, 945–950. [Google Scholar] [CrossRef]
- Koschny, T.; Markos, P.; Smith, D.R.; Soukoulis, C.M. Resonant and anti-resonant frequency dependence of the effective parameters of metamaterials. Phys. Rev. E 2003, 68, 656021. [Google Scholar] [CrossRef]












| Parameter of Resonator 1 (for Microstrip and CPW) | Parameter of Resonator 2 (for Microstrip and CPW) | ||
|---|---|---|---|
| (nH) | 7.3 | (nH) | 4.6 |
| (pF) | 0.7 | (pF) | 0.6 |
| (GHz) | 2.15 | (GHz) | 3 |
| (GHz) | 0.025 | (GHz) | 0.15 |
| 21.5 | 2.5 | ||
| Microstrip | |||||
|---|---|---|---|---|---|
| 2 | 3.9 | 5.8 | |||
| −4.2 | −1.4 | −6.4 | |||
| 173 | 174 | 19 | |||
| 11.4 | 1.6 | 12.6 | |||
| 156.9 | 11.5 | 6.6 | |||
| 0.032 | 0.24 | 0.11 | |||
| Coplanar | |||||
|---|---|---|---|---|---|
| 2 | 3.9 | 5.1 | |||
| −0.5 | −0.8 | −3.6 | |||
| 1191 | 295 | 37 | |||
| 1.6 | 0.95 | 8.5 | |||
| 156.9 | 11.5 | 9.9 | |||
| 0.032 | 0.24 | 0.09 | |||
| Microstrip | |||||
|---|---|---|---|---|---|
| 2.11 | 3.96 | 5.8 | |||
| 0.04 | 0.3 | 0.5 | |||
| −4.4 | −1.6 | −2.3 | |||
| −8.3 | −17.2 | −14.5 | |||
| 132 | 78 | 50 | |||
| Coplanar | |||||
|---|---|---|---|---|---|
| 2.04 | 3.85 | 5.1 | |||
| 0.04 | 0.6 | 0.5 | |||
| −2.5 | −0.7 | −1.9 | |||
| −11.2 | −23.6 | −15.7 | |||
| 204 | 83 | 52 | |||
| Ref. | 2D Size | |||
|---|---|---|---|---|
| [16] Figure 5a | 1.57/3.16 | 56.7/28.2 | 46/54 | |
| [17] Figure 7 | 2.89/5 | 4.8/5 | 28/16 | |
| [17] Figure 8 | 1.16/3.5 | 50/14.3 | 29/28 | |
| [18] Figure 4 | 3.6/5.9/8 | 2.9/3.7/2.3 | 15/15/10 | |
| [19] Figure 6 | 2.36/3.48/5.19 | 3.6/2.5/2.8 | 14.4/26.3/34.63 | |
| [20] Figure 10 | 6.1/6.9/7.6 | 2.3/5.2/1.7 | 15/14/13 | |
| [21] Figure 14b | 3.5/5.2/7.4 | 15.6/7.8/8.9 | 35.6/28.2/24.9 | |
| [22] Figure 4 | 5.2/5.8/8 | 1.8/2.3/2.1 | 17/16/15 | |
| This work Figure 8a | 2.11/3.96 | 1.9/7.6 | 8.3/17.2 | |
| This work Figure 8b | 2.04/3.85 | 1.9/15.6 | 11.2/23.6 |
Publisher’s Note: MDPI stays neutral with regard to jurisdictional claims in published maps and institutional affiliations. |
© 2021 by the authors. Licensee MDPI, Basel, Switzerland. This article is an open access article distributed under the terms and conditions of the Creative Commons Attribution (CC BY) license (http://creativecommons.org/licenses/by/4.0/).
Share and Cite
Hinojosa, J.; Martínez-Viviente, F.L.; Alvarez-Melcon, A. Compact Double Notch Coplanar and Microstrip Bandstop Filters Using Metamaterial—Inspired Open Ring Resonators. Electronics 2021, 10, 330. https://doi.org/10.3390/electronics10030330
Hinojosa J, Martínez-Viviente FL, Alvarez-Melcon A. Compact Double Notch Coplanar and Microstrip Bandstop Filters Using Metamaterial—Inspired Open Ring Resonators. Electronics. 2021; 10(3):330. https://doi.org/10.3390/electronics10030330
Chicago/Turabian StyleHinojosa, Juan, Félix L. Martínez-Viviente, and Alejandro Alvarez-Melcon. 2021. "Compact Double Notch Coplanar and Microstrip Bandstop Filters Using Metamaterial—Inspired Open Ring Resonators" Electronics 10, no. 3: 330. https://doi.org/10.3390/electronics10030330
APA StyleHinojosa, J., Martínez-Viviente, F. L., & Alvarez-Melcon, A. (2021). Compact Double Notch Coplanar and Microstrip Bandstop Filters Using Metamaterial—Inspired Open Ring Resonators. Electronics, 10(3), 330. https://doi.org/10.3390/electronics10030330

