Electromagnetic Interference of Power Converter with Random Modulation on the Power Line Communication System
Abstract
:1. Introduction
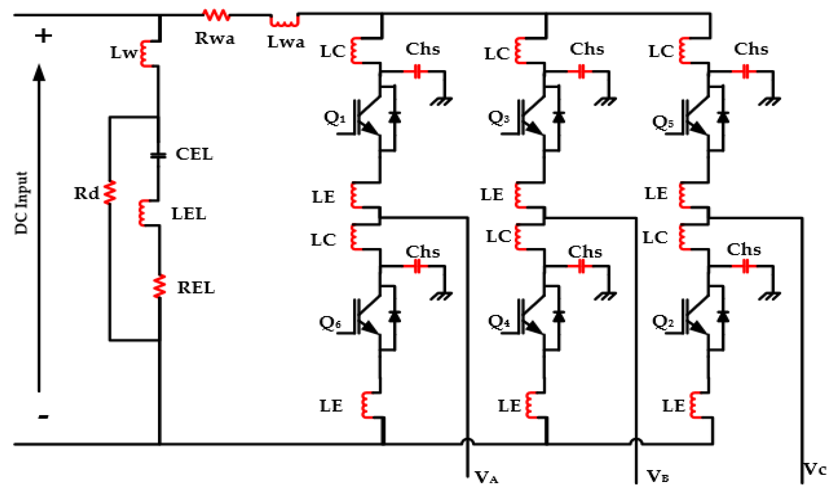
2. Description of the System under Analysis
3. Simulation Implementation
3.1. Circuit Model of the AC System
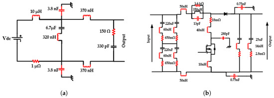
3.2. Implementation of the Communication System
- 1.
- analog-to-digital conversion (ADC) of the load voltage,
- 2.
- modulation of the digital signal,
- 3.
- coupling/decoupling, and
- 4.
- demodulation.
3.2.1. Analog-to-Digital Conversion
3.2.2. Signal Modulation
3.2.3. Coupling/Decoupling with the AC Mains
3.2.4. Signal Demodulation
3.2.5. Digital-to-Analog Conversion
4. Results and Discussion
5. Conclusions
Author Contributions
Funding
Conflicts of Interest
Appendix A
| Parameter | Value | Description |
|---|---|---|
| Lw | 10 nH | External wire inductance |
| CEL | 1500 F | Nominal capacitance |
| LEL | 30 nH | Internal series inductance |
| REL | 40 m | Internal series resistance |
| Rd | 1 k | Discharging resistance |
| Rwa | 3.9 m | Stray resistance |
| Lwa | 0.36 H | Stray inductance |
| Cs | 0.33 F | Nominal capacitor |
| Ls | 30 nH | Internal series inductance |
| Rs | 30 m | Internal series resistance |
| LC | 40 nH | Collector stray inductance |
| LE | 40 nH | Emitter stray inductance |
| Chs | 280 pF | Stray capacitor between IGBT and heatsink |
References
- Kabalci, Y. A survey on smart metering and smart grid communication. Renew. Sustain. Energy Rev. 2016, 57, 302–318. [Google Scholar] [CrossRef]
- Ancillotti, E.; Bruno, R.; Conti, M. The role of communication systems in smart grids: Architectures, technical solutions and research challenges. Comput. Commun. 2013, 36, 1665–1697. [Google Scholar] [CrossRef] [Green Version]
- Uribe-Pérez, N.; Angulo, I.; De la Vega, D.; Arzuaga, T.; Fernández, I.; Arrinda, A. Smart Grid Applications for a Practical Implementation of IP over Narrowband Power Line Communications. Energies 2017, 10, 1782. [Google Scholar] [CrossRef] [Green Version]
- Sendin, A.; Simon, J.; Urrutia, I.; Berganza, I. PLC deployment and architecture for Smart Grid applications in Iberdrola. In Proceedings of the 18th IEEE International Symposium on Power Line Communications and Its Applications, Glasgow, UK, 30 March–2 April 2014; pp. 173–178. [Google Scholar] [CrossRef]
- Ngcobo, T.; Ghayoor, F. Study the Topology Effect on a G3-PLC based AMI Network. In Proceedings of the 2019 Southern African Universities Power Engineering Conference/Robotics and Mechatronics/Pattern Recognition Association of South Africa (SAUPEC/RobMech/PRASA), Bloemfontein, South Africa, 28–30 January 2019; pp. 629–633. [Google Scholar] [CrossRef]
- de Arquer Fernández, P.; Fernández, M.Á.F.; Candás, J.L.C.; Arboleya, P.A. An IoT open source platform for photovoltaic plants supervision. Int. J. Electr. Power Energy Syst. 2021, 125, 106540. [Google Scholar] [CrossRef]
- González, I.; Calderón, A.J.; Portalo, J.M. Innovative Multi-Layered Architecture for Heterogeneous Automation and Monitoring Systems: Application Case of a Photovoltaic Smart Microgrid. Sustainability 2021, 13, 2234. [Google Scholar] [CrossRef]
- Tightiz, L.; Yang, H. A Comprehensive Review on IoT Protocols’ Features in Smart Grid Communication. Energies 2020, 13, 2762. [Google Scholar] [CrossRef]
- Ikpehai, A.; Adebisi, B.; Rabie, K.M. Broadband PLC for Clustered Advanced Metering Infrastructure (AMI) Architecture. Energies 2016, 9, 569. [Google Scholar] [CrossRef]
- Khan, M.S.; Ahmed, T.; Aziz, I.; Alam, F.B.; Bhuiya, M.S.U.; Alam, M.J.; Chakma, R.; Mahtab, S.S. PLC Based Energy-Efficient Home Automation System with Smart Task Scheduling. In Proceedings of the 2019 IEEE Sustainable Power and Energy Conference (iSPEC), Beijing, China, 21–23 November 2019; pp. 35–38. [Google Scholar] [CrossRef]
- Barmada, S.; Raugi, M.; Tucci, M.; Maryanka, Y.; Amrani, O. PLC systems for electric vehicles and Smart Grid applications. In Proceedings of the 2013 IEEE 17th International Symposium on Power Line Communications and Its Applications, Johannesburg, South Africa, 24–27 March 2013; pp. 23–28. [Google Scholar] [CrossRef]
- Grassi, F.; Pignari, S.A.; Wolf, J. Channel Characterization and EMC Assessment of a PLC System for Spacecraft DC Differential Power Buses. IEEE Trans. Electromagn. Compat. 2011, 53, 664–675. [Google Scholar] [CrossRef]
- Loschi, H.; Lezynski, P.; Smolenski, R.; Nascimento, D.; Sleszynski, W. FPGA-Based System for Electromagnetic Interference Evaluation in Random Modulated DC/DC Converters. Energies 2020, 13, 2389. [Google Scholar] [CrossRef]
- Tse, K.K.; -Chung, H.S.; Huo, S.Y.; So, H.C. Analysis and spectral characteristics of a Spread-Spectrum technique for conducted EMI suppression. IEEE Trans. Power Electron. 2000, 15, 399–410. [Google Scholar] [CrossRef] [Green Version]
- Liaw, C.M.; Lin, Y.M.; Wu, C.H.; Hwu, K.I. Analysis, Design, and Implementation of a Random Frequency PWM Inverter. IEEE Trans. Power Electron. 2000, 15, 843–854. [Google Scholar] [CrossRef]
- Chen, C.Q.X.; Qiu, Y. Carrier-Based Randomized Pulse Position Modulation of an Indirect Matrix Converter for Attenuating the Harmonic Peaks. IEEE Trans. Ind. Appl. 2013, 28, 3539–3548. [Google Scholar]
- Kabalci, E.; Kabalci, Y.; Develi, I. Modelling and analysis of a power line communication system with QPSK modem for renewable smart grids. Int. J. Electr. Power Energy Syst. 2012, 34, 19–28. [Google Scholar] [CrossRef]
- El Sayed, W.; Loschi, H.; Smolenski, R.; Lezynski, P.; Lok, C.L. Performance Evaluation of the Effect of Power Converters Modulation on Power line Communication. In Proceedings of the Sterowanie w Energoelektronice i Napędzie Elektrycznym (SENE), Łódź, Poland, 20–22 November 2019. [Google Scholar]
- Bolognani, S.; Peretti, L.; Sgarbossa, L.; Zigliotto, M. Improvements in Power Line Communication Reliability for Electric Drives by Random PWM Techniques. In Proceedings of the IECON 2006–32nd Annual Conference on IEEE Industrial Electronics, Paris, France, 6–10 November 2006; pp. 2307–2312. [Google Scholar] [CrossRef]
- Musolino, F.; Crovetti, P.S. Interference of Spread-Spectrum Modulated Disturbances on Digital Communication Channels. IEEE Access 2019, 7, 158969–158980. [Google Scholar] [CrossRef]
- Sayed, W.E.; Lezynski, P.; Smolenski, R.; Moonen, N.; Crovetti, P.; Thomas, D.W.P. The Effect of EMI Generated from Spread-Spectrum-Modulated SiC-Based Buck Converter on the G3-PLC Channel. Electronics 2021, 10, 1416. [Google Scholar] [CrossRef]
- Reuter, M.; Friedl, T.; Tenbohlen, S.; Kohler, W. Emulation of conducted emissions of an automotive inverter for filter development in HV networks. In Proceedings of the 2013 IEEE International Symposium on Electromagnetic Compatibility, Denver, CO, USA, 5–9 August 2013; pp. 236–241. [Google Scholar]
- Beshir, A.H. Design and Development of 20 kW Bidirectional dc-dc Converter Using Silicon Carbide Technology. Master’s Thesis, Department of EECS, University of Oviedo, Oviedo, Spain, 2019. Available online: https://digibuo.uniovi.es/dspace/bitstream/handle/10651/52604/TFM_AbduselamHamidBeshir.pdf;jsessionid=728F01322727C27B03F57E9FD4F3B1F7?sequence=3 (accessed on 1 December 2020).
- Grandi, G.; Casadei, D.; Reggiani, U. Common- and differential-mode HF current components in AC motors supplied by voltage source inverters. IEEE Trans. Power Electron. 2004, 19, 16–24. [Google Scholar] [CrossRef]
- Datasheet Stock No: 811-1448 RS Pro Red Tri-Rated Cable, PVC. Available online: http://static6.arrow.com/aropdfconversion/92d7c9b42b27b406d3fa7b241b5395b6a3c10155/pgurl_8111448.pdf (accessed on 1 December 2020).
- Electromagnetic Interference Between Electrical Equipment/Systems in the Frequency Range Below 150 khz, Standard CENELEC SC 205A. 2015. Available online: https://standards.iteh.ai/catalog/standards/clc/f2fe2993-4360-4bee-9cce-1cf000ebb2da/clc-tr-50627-2015 (accessed on 1 December 2020).
- Uribe-Pérez, N.; Angulo, I.; Hernández-Callejo, L.; Arzuaga, T.; De la Vega, D.; Arrinda, A. Study of Unwanted Emissions in the CENELEC-A Band Generated by Distributed Energy Resources and Their Influence over Narrow Band Power Line Communications. Energies 2016, 9, 1007. [Google Scholar] [CrossRef] [Green Version]















Publisher’s Note: MDPI stays neutral with regard to jurisdictional claims in published maps and institutional affiliations. |
© 2021 by the authors. Licensee MDPI, Basel, Switzerland. This article is an open access article distributed under the terms and conditions of the Creative Commons Attribution (CC BY) license (https://creativecommons.org/licenses/by/4.0/).
Share and Cite
Beshir, A.H.; Wan, L.; Grassi, F.; Crovetti, P.S.; Liu, X.; Wu, X.; El Sayed, W.; Spadacini, G.; Pignari, S.A. Electromagnetic Interference of Power Converter with Random Modulation on the Power Line Communication System. Electronics 2021, 10, 2979. https://doi.org/10.3390/electronics10232979
Beshir AH, Wan L, Grassi F, Crovetti PS, Liu X, Wu X, El Sayed W, Spadacini G, Pignari SA. Electromagnetic Interference of Power Converter with Random Modulation on the Power Line Communication System. Electronics. 2021; 10(23):2979. https://doi.org/10.3390/electronics10232979
Chicago/Turabian StyleBeshir, Abduselam Hamid, Lu Wan, Flavia Grassi, Paolo Stefano Crovetti, Xiaokang Liu, Xinglong Wu, Waseem El Sayed, Giordano Spadacini, and Sergio Amedeo Pignari. 2021. "Electromagnetic Interference of Power Converter with Random Modulation on the Power Line Communication System" Electronics 10, no. 23: 2979. https://doi.org/10.3390/electronics10232979
APA StyleBeshir, A. H., Wan, L., Grassi, F., Crovetti, P. S., Liu, X., Wu, X., El Sayed, W., Spadacini, G., & Pignari, S. A. (2021). Electromagnetic Interference of Power Converter with Random Modulation on the Power Line Communication System. Electronics, 10(23), 2979. https://doi.org/10.3390/electronics10232979

