Optimal Load Determination of Capacitor–Inductor Compensated Capacitive Power Transfer System with Curved-Edge Shielding Layer
Abstract
:1. Introduction
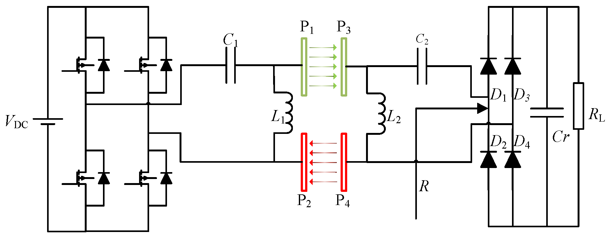
2. General Circuit Topology Analysis for CPT System
3. The Optimal Load Determination
3.1. Optimal Load for Maximum Power Transfer
3.2. Optimal Load for Maximum Transfer Efficiency
4. Layer Design of Edge Bending
4.1. A Circuit Topology Improvement
4.2. Shield Structure Optimization Design
5. Experiment Verification
6. Conclusions
Author Contributions
Funding
Conflicts of Interest
References
- Kuo, R.-C.; Riehl, P.; Satyamoorthy, A.; Plumb, W.; Tustin, P.; Lin, J. A 3D resonant wireless charger for a wearable device and a mobile phone. In Proceedings of the 2015 IEEE Wireless Power Transfer Conference (WPTC), Boulder, CO, USA, 13–15 May 2015; pp. 1–3. [Google Scholar]
- Zaman, H.U.; Islam, T.; Hasan, K.S.; Antora, R.K. Mobile phone to mobile phone wireless power transfer. In Proceedings of the 2015 International Conference on Advances in Electrical Engineering (ICAEE), Dacca, Bangladesh, 17–19 December 2015; pp. 206–209. [Google Scholar]
- Chang, C.-K.; Yang, C.-L. Inductive 3-coil wireless power transfer improved by T-type impedance matching for implanted biomedical IC. In Proceedings of the 2015 IEEE Wireless Power Transfer Conference (WPTC), Boulder, CO, USA, 13–15 May 2015; pp. 1–4. [Google Scholar]
- Ahire, D.; Gond, V.J. Wireless power transfer system for biomedical application: A review. In Proceedings of the 2017 International Conference on Trends in Electronics and Informatics (ICEI), Tirunelveli, India, 11–12 May 2017; pp. 135–140. [Google Scholar]
- Li, S.; Mi, C. Wireless Power Transfer for Electric Vehicle Applications. IEEE J. Emerg. Sel. Top. Power Electron. 2015, 3, 4–17. [Google Scholar] [CrossRef]
- Miller, J.M.; Onar, O.C.; Chinthavali, M. Primary-Side Power Flow Control of Wireless Power Transfer for Electric Vehicle Charging. IEEE J. Emerg. Sel. Top. Power Electron. 2015, 3, 147–162. [Google Scholar] [CrossRef]
- Wu, Y.; Chen, Q.; Ren, X.; Zhang, Z. Efficiency Optimization Based Parameter Design Method for the Capacitive Power Transfer System. IEEE Trans. Power Electron. 2021, 36, 8774–8785. [Google Scholar] [CrossRef]
- Yang, L.; Zhang, Y.; Li, X.; Jian, J.; Wang, Z.; Huang, J.; Ma, L.; Tong, X. Analysis and design of four-plate capacitive wireless power transfer system for undersea applications. China Electrotech. Soc. Trans. Electr. Mach. Syst. 2021, 5, 202–211. [Google Scholar] [CrossRef]
- Dai, J.; Ludois, D.C. Single Active Switch Power Electronics for Kilowatt Scale Capacitive Power Transfer. IEEE J. Emerg. Sel. Top. Power Electron. 2014, 3, 315–323. [Google Scholar] [CrossRef]
- Mohamed, A.; Lashway, C.R.; Mohammed, O. Modeling and Feasibility Analysis of Quasi-Dynamic WPT System for EV Applications. IEEE Trans. Transp. Electrif. 2017, 3, 343–353. [Google Scholar] [CrossRef]
- Funato, H.; Kobayashi, H.; Kitabayashi, T. Analysis of transfer power of capacitive power transfer system. In Proceedings of the 2013 IEEE 10th International Conference on Power Electronics and Drive Systems (PEDS), Kitakyushu, Japan, 22–25 May 2013; pp. 1015–1020. [Google Scholar]
- Mi, C. Notice of Removal High efficiency wireless power transfer for EV charging and other applications. In Proceedings of the 2017 IEEE Energy Conversion Congress and Exposition (ECCE), Cincinnati, OH, USA, 1–5 October 2017; pp. 1–184. [Google Scholar]
- Zhou, W.; Su, Y.-G.; Huang, L.; Qing, X.-D.; Hu, A.P. Wireless Power Transfer Across a Metal Barrier by Combined Capacitive and Inductive Coupling. IEEE Trans. Ind. Electron. 2019, 66, 4031–4041. [Google Scholar] [CrossRef]
- Zou, L.J.; Hu, A.P. A Contactless Single-Wire CPT (Capacitive Power Transfer) Power Supply for Driving a Variable Message Sign. In Proceedings of the 2018 IEEE PELS Workshop on Emerging Technologies: Wireless Power Transfer (Wow), Montréal, QC, Canada, 3–7 June 2018; pp. 1–5. [Google Scholar]
- Su, Y.G.; Zhao, Y.M.; Hu, A.P.; Wang, Z.H.; Tang, C.S.; Yue, S. An F-type Compensated Capacitive Power Transfer System Allowing for Sudden Change of Pick-up. IEEE J. Emerg. Sel. Top. Power Electron. 2018, 7, 1084–1093. [Google Scholar] [CrossRef]
- Fei, L.; Hua, Z.; Hofmann, H.; Mi, C. A Double-Sided LCLC-Compensated Capacitive Power Transfer System for Electric Vehicle Charging. IEEE Trans. Power Electron. 2015, 30, 6011–6014. [Google Scholar]
- Fei, L.; Hua, Z.; Hofmann, H.; Mi, C. A CLLC-compensated high power and large air-gap capacitive power transfer system for electric vehicle charging applications. In Proceedings of the 2016 IEEE Applied Power Electronics Conference and Exposition (APEC), Long Beach, CA, USA, 20–24 March 2016; pp. 1721–1725. [Google Scholar]
- Zhang, H.; Lu, F.; Hofmann, H.; Liu, W.; Mi, C.C. Six-Plate Capacitive Coupler to Reduce Electric Field Emission in Large Air-Gap Capacitive Power Transfer. IEEE Trans. Power Electron. 2018, 33, 665–675. [Google Scholar] [CrossRef]
- Ramos, I.; Afridi, K.; Estrada, J.A.; Popovic, Z. Near-field capacitive wireless power transfer array with external field cancellation. In Proceedings of the 2016 IEEE Wireless Power Transfer Conference (WPTC), Aveiro, Portugal, 5–6 May 2016; pp. 1–4. [Google Scholar]
- Regensburger, B.; Sinha, S.; Kumar, A.; Vance, J.; Popovic, Z.; Afridi, K.K. Kilowatt-scale large air-gap multi-modular capacitive wireless power transfer system for electric vehicle charging. In Proceedings of the 2018 IEEE Applied Power Electronics Conference and Exposition (APEC), San Antonio, TX, USA, 4–8 March 2018; pp. 666–671. [Google Scholar]
- Zhang, H.; Lu, F. An Improved Design Methodology of the Double-Sided LC-Compensated CPT System Considering the Inductance Detuning. IEEE Trans. Power Electron. 2019, 34, 11396–11406. [Google Scholar] [CrossRef]
- Zhang, H.; Lu, F.; Hofmann, H.; Mi, C. A loosely coupled capacitive power transfer system with LC compensation circuit topology. In Proceedings of the 2016 IEEE Energy Conversion Congress and Exposition (ECCE), Cincinnati, OH, USA, 1–5 October 2017; pp. 1–5. [Google Scholar]
- Zhang, H.; Lu, F.; Hofmann, H.; Liu, W.; Mi, C. A Four-Plate Compact Capacitive Coupler Design and LCL-Compensated Topology for Capacitive Power Transfer in Electric Vehicle Charging Application. IEEE Trans. Power Electron. 2016, 31, 8541–8551. [Google Scholar]
- Corti, F.; Reatti, A.; Wu, Y.-H.; Czarkowski, D.; Musumeci, S. Zero Voltage Switching Condition in Class-E Inverter for Capacitive Wireless Power Transfer Applications. Energies 2021, 14, 911. [Google Scholar] [CrossRef]
- Mai, R.; Luo, B.; Chen, Y.; He, Z. Double-sided CL compensation topology based component voltage stress optimisation method for capacitive power transfer charging system. IET Power Electron. 2018, 11, 1153–1160. [Google Scholar] [CrossRef]
- Ahmad, S.; Muharam, A.; Hattori, R.; Uezu, A.; Mostafa, T.M. Shielded Capacitive Power Transfer (S-CPT) without Secondary Side Inductors. Energies 2021, 14, 4590. [Google Scholar] [CrossRef]
- Fei, L.; Hua, Z.; Hofmann, H.; Mi, C.C. A Double-Sided LC-Compensation Circuit for Loosely Coupled Capacitive Power Transfer. IEEE Trans. Power Electron. 2018, 33, 1633–1643. [Google Scholar]
- Han, Y.; Perreault, D. Analysis and Design of High Efficiency Matching Networks. IEEE Trans. Power Electron. 2006, 21, 1484–1491. [Google Scholar] [CrossRef]
- Pellitteri, F.; Boscaino, V.; Di Tommaso, A.O.; Miceli, R.; Capponi, G. Experimental test on a Contactless Power Transfer system. In Proceedings of the 2014 Ninth International Conference on Ecological Vehicles and Renewable Energies (EVER), Monte-Carlo, Monaco, 25–27 March 2014; pp. 1–6. [Google Scholar]












| Parameters | Sizes |
|---|---|
| 48 mm | |
| 49 mm | |
| 48 mm | |
| 646 mm | |
| 706 mm | |
| 130 mm | |
| 25.6 mm | |
| tp | 3 mm |
| Parameters | Sizes |
|---|---|
| 220 pF | |
| 220 pF | |
| 112 uH | |
| 112 uH | |
| 16.9 pF | |
| 95.51 pF | |
| 95.51 pF |
| U/V | PIN/kW | POUT/kW | η |
|---|---|---|---|
| 395.67 | 1.5899 | 1.4547 | 0.915 |
| 467.97 | 2.2757 | 2.072 | 0.9105 |
| 570.84 | 3.392 | 3.1 | 0.9141 |
Publisher’s Note: MDPI stays neutral with regard to jurisdictional claims in published maps and institutional affiliations. |
© 2021 by the authors. Licensee MDPI, Basel, Switzerland. This article is an open access article distributed under the terms and conditions of the Creative Commons Attribution (CC BY) license (https://creativecommons.org/licenses/by/4.0/).
Share and Cite
Zhang, K.; Du, H.; Luo, B.; Mai, R.; Song, B.; Hu, A.P. Optimal Load Determination of Capacitor–Inductor Compensated Capacitive Power Transfer System with Curved-Edge Shielding Layer. Electronics 2021, 10, 2961. https://doi.org/10.3390/electronics10232961
Zhang K, Du H, Luo B, Mai R, Song B, Hu AP. Optimal Load Determination of Capacitor–Inductor Compensated Capacitive Power Transfer System with Curved-Edge Shielding Layer. Electronics. 2021; 10(23):2961. https://doi.org/10.3390/electronics10232961
Chicago/Turabian StyleZhang, Kehan, He Du, Bo Luo, Ruikun Mai, Baowei Song, and Aiguo Patrick Hu. 2021. "Optimal Load Determination of Capacitor–Inductor Compensated Capacitive Power Transfer System with Curved-Edge Shielding Layer" Electronics 10, no. 23: 2961. https://doi.org/10.3390/electronics10232961
APA StyleZhang, K., Du, H., Luo, B., Mai, R., Song, B., & Hu, A. P. (2021). Optimal Load Determination of Capacitor–Inductor Compensated Capacitive Power Transfer System with Curved-Edge Shielding Layer. Electronics, 10(23), 2961. https://doi.org/10.3390/electronics10232961

