Conversion Method of Thermionic Emission Current to Voltage for High-Voltage Sources of Electrons
Abstract
1. Introduction
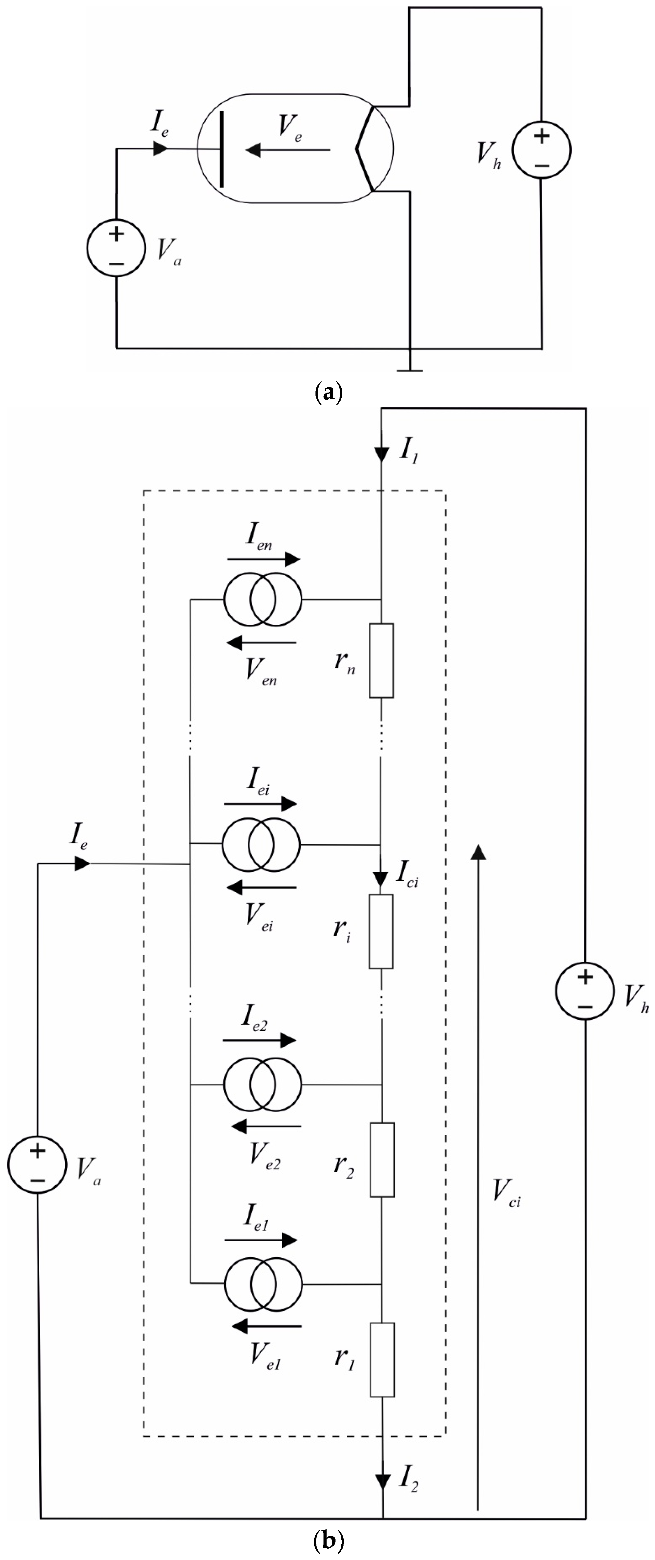
2. Modeling of the Emission Current-to-Voltage Conversion in the Cathode Power Supply Circuit
3. Experimental Results
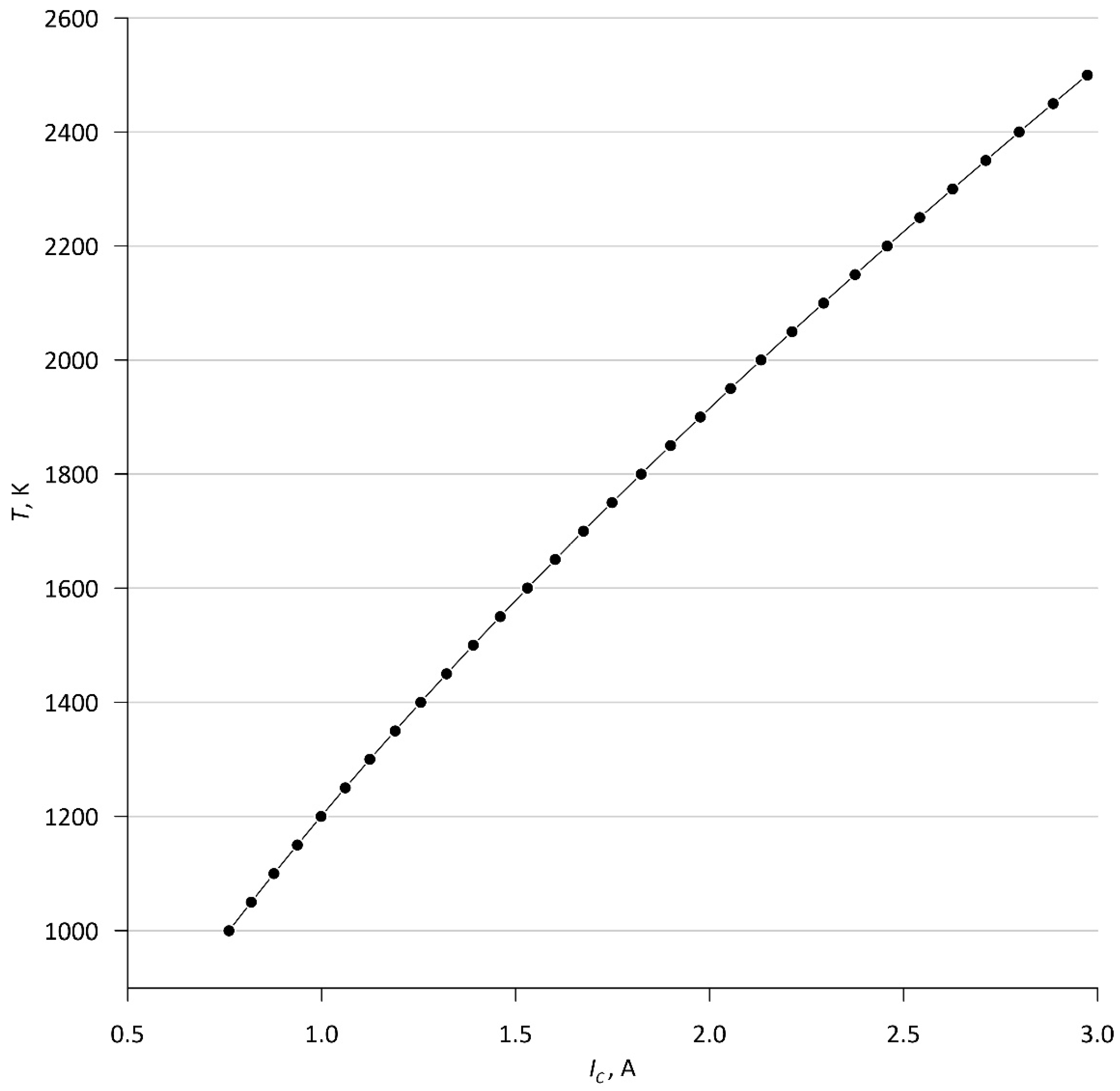
3.1. Dynamic Parameters of the Electron Source with Sensing Resistors Connected in Series in the Cathode Supply Circuit
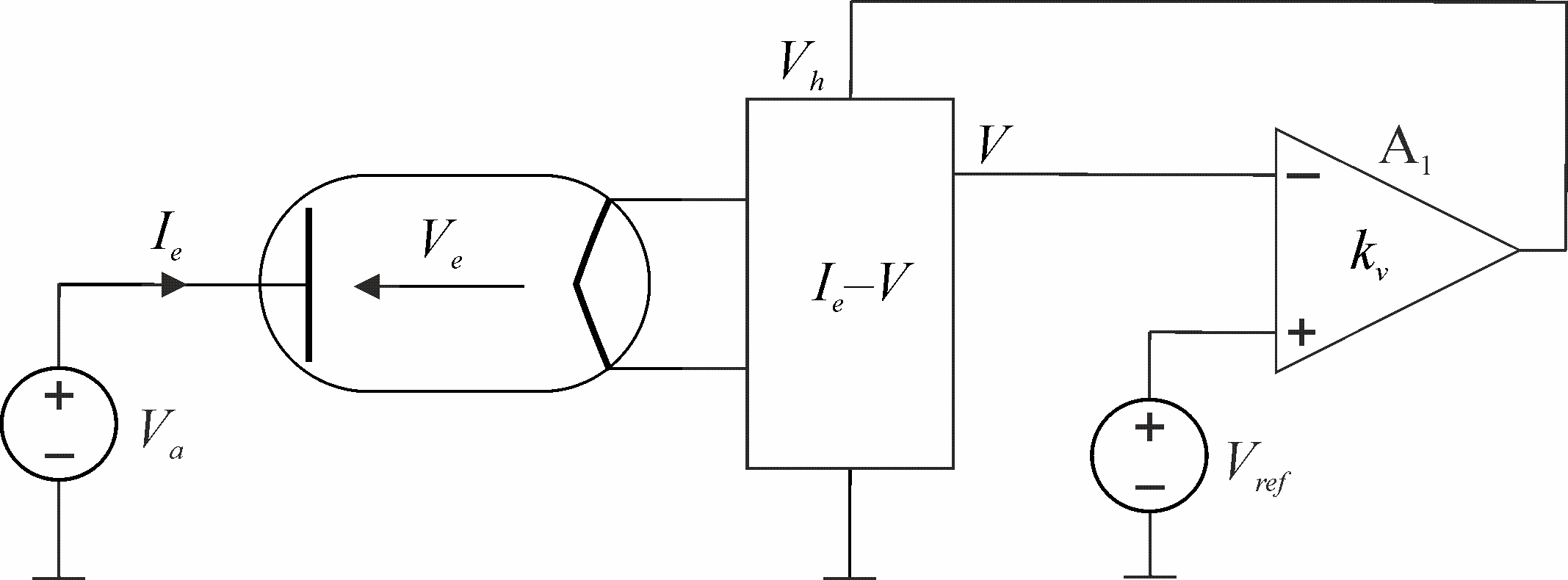
3.2. Static Characteristic of the Ie-V Converter
4. Conclusions
Author Contributions
Funding
Conflicts of Interest
Appendix A



References
- Meyer zu Heringdorf, F.-J.; Belton, A.C. Flexible microprocessor-based evaporation controller. Rev. Sci. Instrum. 2004, 75, 5288–5292. [Google Scholar] [CrossRef]
- Stevie, F.A.; Donle, C.L. Introduction to X-ray photoelectron spectroscopy. J. Vac. Sci. Technol. A 2020, 38, 063204. [Google Scholar] [CrossRef]
- Pepitone, K.; Cassany, B.; Doebert, S.; Gardelle, J.; Garolfi, L. Operation of a high-current drive beam electron gun prototype for the Compact Linear Collider. Rev. Sci. Instrum. 2020, 91, 093302. [Google Scholar] [CrossRef] [PubMed]
- Barcella, L.; Berto, E.; Carugno, G.; Galet, G.; Galeazzi, G.; Borghesani, A.F. A battery-operated, stabilized, high energy pulsed electron gun for the production of rare gas excimers. Rev. Sci. Instrum. 2011, 82, 095103. [Google Scholar] [CrossRef] [PubMed]
- Oberai, A.; Yuan, J.S. Smart E-Beam for Defect Identification & Analysis in the Nanoscale Technology Nodes: Technical Perspectives. Electronics 2017, 6, 87. [Google Scholar] [CrossRef]
- Band, A.; Strosicio, J.A. A closed loop controller for electrocarbon evaporators. Rev. Sci. Instrum. 1996, 67, 2366–2369. [Google Scholar] [CrossRef][Green Version]
- Sikora, J. Dual Application of a Biasing System to an Electron Source with a Hot Cathode. Meas. Sci. Technol. 2003, 15, N10–N14. [Google Scholar] [CrossRef]
- Flaxer, E. Programmable Smart Electron Emission Controller for Hot Filament. Rev. Sci. Instrum. 2011, 82, 025111. [Google Scholar] [CrossRef] [PubMed]
- Sikora, J.; Halas, S. A Novel Circuit for Independent Control of Electron Energy and Emission Current of a Hot Cathode Electron Source. Rapid Commun. Mass Spectrom. 2011, 25, 689–692. [Google Scholar] [CrossRef] [PubMed]
- Sikora, J.; Kania, B.; Mroczka, J. Thermionic Electron Beam Current and Accelerating Voltage Controller for Gas Ion Sources. Sensors 2021, 21, 2878. [Google Scholar] [CrossRef] [PubMed]
- Gaertner, G.; Koops, H.W.P. Vacuum electron sources and their Materials and Technologies. In Vacuum Electronics, Components and Devices; Eichmeier, J.A., Thumm, M.K., Eds.; Springer: Berlin/Heidelberg, Germany, 2008; ISBN 978-3-540-71928-1. [Google Scholar]
- Donkov, N.; Knapp, W. Control of Hot-Filament Ionization Gauge Emission Current: Mathematical Model and Model-Based Controller. Meas. Sci. Technol. 1997, 8, 798–803. [Google Scholar] [CrossRef]
- Kania, B.; Sikora, J. System Identification of a Hot Cathode Electron Source: Time Domain Approach. AIP Adv. 2018, 8, 105107. [Google Scholar] [CrossRef]
- Kania, B. A LabView-based hot cathode electron source simulator with no-boundary condition computation method. Int. J. Numer. Model. 2016, 29, 1149–1160. [Google Scholar] [CrossRef]
- Graham, R.; Knuth, D.E.; Patashnik, O. Concrete Mathematics: A Foundation for Computer Science; Addison-Wesley: Reading, MA, USA, 1994; ISBN 0-201-55802-5. [Google Scholar]
- Hałas, S.; Durakiewicz, T. Temperature distribution along a metal filament heated in vacuum by DC current. Vacuum 1998, 49, 331–336. [Google Scholar] [CrossRef]
- Ding, Z.M.; Chen, L.G.; Sun, F.R. Optimum performance analysis of combined thermionic-thermoelectric refrigerator with external heat transfer. J. Energy Inst. 2015, 88, 169–188. [Google Scholar] [CrossRef]











| φ, eV | Ie = 1 mA | Ie = 10 mA | Ie = 50 mA | Ie = 100 mA | ||||
|---|---|---|---|---|---|---|---|---|
| I1, A | I1/Ie | I1, A | I1/Ie | I1, A | I1/Ie | I1, A | I1/Ie | |
| 4.5 | 1.64 | 1637.99 | 1.93 | 195.51 | 2.26 | 45.13 | 2.42 | 24.20 |
| 4.2 | 1.44 | 1442.46 | 1.73 | 171.63 | 1.98 | 39.55 | 2.11 | 20.99 |
| 3.9 | 1.26 | 1256.39 | 1.51 | 150.69 | 1.73 | 34.51 | 1.84 | 18.40 |
| 3.6 | 1.09 | 1086.97 | 1.30 | 129.77 | 1.49 | 29.81 | 1.59 | 15.85 |
| 3.3 | 0.93 | 925.03 | 1.11 | 109.76 | 1.27 | 25.46 | 1.36 | 13.60 |
| 3.0 | 0.78 | 777.17 | 0.93 | 92.59 | 1.07 | 21.42 | 1.14 | 11.40 |
| 2.7 | 0.64 | 639.48 | 0.77 | 76.63 | 0.89 | 17.71 | 0.94 | 9.34 |
| 2.4 | 0.52 | 514.53 | 0.62 | 61.78 | 0.72 | 14.32 | 0.76 | 7.61 |
| 2.1 | 0.40 | 403.68 | 0.49 | 48.44 | 0.56 | 11.25 | 060 | 5.98 |
| 1.8 | 0.31 | 304.07 | 0.37 | 36.83 | 0.43 | 8.52 | 0.46 | 4.56 |
| 1.5 | 0.22 | 217.75 | 0.27 | 26.31 | 0.31 | 6.13 | 0.33 | 3.26 |
| 1.2 | 0.14 | 143.32 | 0.18 | 17.36 | 0.20 | 4.09 | 0.22 | 2.18 |
| 0.9 | 0.08 | 80.82 | 0.10 | 10.05 | 0.12 | 2.40 | 0.13 | 1.30 |
| Feedback Loop Based on the Cathode Converter (Present Work) | Feedback Loop Based on the Differential Amplifier [8,10] | Feedback Loop Based on the Current Mirror [7,9] | Feedback Loop Based on the Optical Link [4] | |
|---|---|---|---|---|
| Ie-V conversion implementation | Cathode circuit | Anode circuit | Anode circuit | Anode circuit |
| Feedback signal transferring from the anode to the cathode circuit | Not required | Voltage | Current | Voltage |
| Electron accelerating voltage | High | Low | Low | High |
| Electron work function of the cathode | Low | Wide range | Wide range | Wide range |
| Galvanic isolation in the feedback loop | Not required | Not required | Not required | Applied |
| Complexity | Low | Low | Low | High |
Publisher’s Note: MDPI stays neutral with regard to jurisdictional claims in published maps and institutional affiliations. |
© 2021 by the authors. Licensee MDPI, Basel, Switzerland. This article is an open access article distributed under the terms and conditions of the Creative Commons Attribution (CC BY) license (https://creativecommons.org/licenses/by/4.0/).
Share and Cite
Kuś, D.; Kurnicki, A.; Sikora, J.; Mroczka, J. Conversion Method of Thermionic Emission Current to Voltage for High-Voltage Sources of Electrons. Electronics 2021, 10, 2844. https://doi.org/10.3390/electronics10222844
Kuś D, Kurnicki A, Sikora J, Mroczka J. Conversion Method of Thermionic Emission Current to Voltage for High-Voltage Sources of Electrons. Electronics. 2021; 10(22):2844. https://doi.org/10.3390/electronics10222844
Chicago/Turabian StyleKuś, Dariusz, Adam Kurnicki, Jarosław Sikora, and Janusz Mroczka. 2021. "Conversion Method of Thermionic Emission Current to Voltage for High-Voltage Sources of Electrons" Electronics 10, no. 22: 2844. https://doi.org/10.3390/electronics10222844
APA StyleKuś, D., Kurnicki, A., Sikora, J., & Mroczka, J. (2021). Conversion Method of Thermionic Emission Current to Voltage for High-Voltage Sources of Electrons. Electronics, 10(22), 2844. https://doi.org/10.3390/electronics10222844

