Next Article in Journal
Direction-of-Arrival Estimation of Electromagnetic Wave Impinging on Spherical Antenna Array in the Presence of Mutual Coupling Using a Multiple Signal Classification Method
Next Article in Special Issue
A High-Gain CNTFET-Based LNA Developed Using a Compact Design-Oriented Device Model
Previous Article in Journal
IoT Security Challenges: Cloud and Blockchain, Postquantum Cryptography, and Evolutionary Techniques
Previous Article in Special Issue
On the VCO/Frequency Divider Interface in Cryogenic CMOS PLL for Quantum Computing Applications
 
 
Font Type:
Arial Georgia Verdana
Font Size:
Aa Aa Aa
Line Spacing:
Column Width:
Background:
Article

A 9-Bit 1-GS/s Hybrid-Domain Pseudo-Pipelined SAR ADC Based on Variable Gain VTC and Segmented TDC

1
The School of Electro-Optical Engineering, Changchun University of Science and Technology, Changchun 130022, China
2
Faculty of Information Technology, College of Microelectronics, Beijing University of Technology, Beijing 100124, China
*
Author to whom correspondence should be addressed.
Electronics 2021, 10(21), 2650; https://doi.org/10.3390/electronics10212650
Submission received: 26 September 2021 / Revised: 26 October 2021 / Accepted: 27 October 2021 / Published: 29 October 2021

Abstract

:
This paper presents a 9-bit 1 GS/s successive approximation register (SAR) analog-to-digital converter (ADC). In this hybrid architecture, the pseudo-pipeline operation is realized, which increases the sampling rate effectively. The ADC adopts two key technologies: the variable gain voltage-to-time converter (VTC), which ensures the linearity is not sacrificed; the segmented time-to-digital converter (STDC), which further improves the linearity of time domain quantization. The prototype ADC is simulated in a standard 65-nm CMOS process with an active area of 0.038 mm2. The simulated SNDR and SFDR are 44.3 and 58 dB with a sampling rate of 1 GS/s. The FoMW and FoMS are 24.7 fJ/conv-step and 150.7 dB, respectively.

1. Introduction

The higher data receiving rate in communication systems increases the demand for high-speed ADCs in recent years. SAR ADCs are popular because of the excellent power efficiency. To increase the sampling rate of SAR ADCs, time interleaving technique [1,2,3,4] is used by multiplexing several converters in parallel. As the fastest architecture, pipelined ADC is combined to further contribute to the conversion speed of time interleaving ADC [5]. However, the time interleaving multiplies power consumption and the area, the mismatch between channels magnifies dynamic errors as well. Compared with traditional SAR ADCs, time-domain quantization has better performance in terms of high-speed conversion, low-voltage design, and reduction of mismatch. In terms of high-speed conversion, the SAR ADC needs to perform charge redistribution every time it completes 1 bit of quantization. In order to ensure that the voltage is fully established, it is generally necessary to reserve a sufficient conversion time. Especially when the number of quantization bits is high, the capacitance in the Digital-to-Analog Converter (DAC) will also increase exponentially, which limits the improvement of the conversion speed. In the time domain quantization, according to the working principle of TDC, each conversion cycle can complete multi-bit quantization. Compared with the single-bit quantization method based on the comparator, the number of charge redistribution is reduced, and the sampling rate is increased, accordingly. Analog-to-digital converters (ADCs) employing time-to-digital converters (TDCs) combined with traditional voltage-domain ADCs have recently been reported [6] to show reasonable power efficiency. Time-domain quantization [7,8,9] is suitable for the high-speed SAR ADCs design, because the delay cell is faster due to the process scaling, but the operation in voltage-domain and time-domain is performed in sequence, with the improvement in speed limited. There are three critical timings in a typical SAR ADCs: the comparator decision/resolving time, the CDAC settling time, and the digital logic delay [10,11]. The comparator decision/resolving time is a function of the input voltage, but the relationship is not utilized in most ADCs.
In this work, a two-stage SAR ADC is achieved by utilizing the voltage-domain and time-domain conversion and pseudo-pipelined operation. Different from the conventional hybrid quantization method, the signal is converted in voltage- and time-domain almost simultaneously, which increases the sampling rate obviously. In Section 2 the architecture and timing are introduced. Moreover, a variable gain voltage-to-time converter (VTC) and a segmented time-to-digital converter (STDC) are proposed in Section 3 to overcome the nonlinearity of the time-domain conversion. In Section 4 the simulation results are presented. Finally, the conclusion is given in Section 5.

2. Proposed ADC Architecture

2.1. Architecture

The proposed high-speed ADC architecture, as shown in Figure 1, comprises a voltage ADC (VADC), a time ADC (TADC), and a digital logic. The converter has a total of 9-bit output. The 2-MSB quantization is completed in the voltage-domain and the 7-LSB quantization is completed in the time domain. It is expected to achieve a sampling rate of 1 GS/s.
The voltage-domain component operation as a traditional 2-bit SAR ADC is used to quantify MSBs. The input signal uses a differential form to reduce common-mode noise and the even harmonics of the output and utilizes the capacitor’s top plate to sample the input to increase the ADC conversion speed. In the time-domain component, the voltage residue is converted to a time-domain signal through the VTC, and the STDC is used to complete the LSBs quantization. The input of the comparator CMP2 is connected to the upper plate of the capacitor in the VADC to compare the magnitude of the voltage residue at both ends of the differential. The output of the VADC is connected to the VTC through a transmission gate; an AND gate and an inverter are added to the next stage. The conversion results of the two time-domain signals are combined into one as the input of the STDC. After the voltage residue is converted into the corresponding time signal TR, a 7-LSB quantization result is produced under the action of the STDC. The thermometer-to-binary converter circuit (T-B) is used to convert the output of the STDC into binary and superimpose it with the sign bit, which produces the conversion result of the TADC.

2.2. Timing

The timing diagram of the proposed ADC is illustrated in Figure 2. During the sampling phase ΦS, the input voltages are sampled into the DAC in VADC. When ΦC1 is high level, the sampling completed and the comparator CMP1 converts the MSBs. The comparator operates twice, and the quantization of the voltage-domain is completed. Before the next convert cycle, the voltage residue is generated by the CDAC and transferred to the TADC while ΦT is low; the transmission gate in the VTC is turned off. Meanwhile, ΦC2 goes high; the comparator CMP2 discriminates the polarity of the voltage residue and generates a sign bit; the conversion result TR is outputted by VTC under the control of ΦVTC. The rising edge interval of ΦVTC and TR is the inputs of the STDC. Utilizing a phase interpolation circuit, the 4-bit time signal RI [3:0] is extended by TR and the interval between adjacent RI signals is equal to one-fourth of the unit delay td of TDC. Consequently, the TADC completes the 7-bit quantization expeditiously.
Since the negative edge of the clock ΦT is slightly earlier than the positive edge of the sampling clock ΦS, the connection between VTC and VADC was disconnected before the next sampling cycle. The last conversion residue is not affected by the new input voltage. Therefore, the TADC converts the previous residue in time-domain, and the VADC samples the next voltage input signal and determines the MSBs.
The pseudo-pipeline operation is realized. The voltage-domain and the time-domain quantization are carried out almost at the same time, and the two-stage conversion process is completed in only one clock cycle, which improves the sampling rate of the ADC effectively.

3. Circuit Implementation

3.1. Capacitive DAC

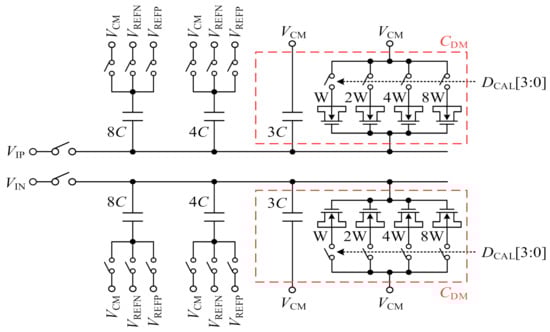
A 2-bit capacitive DAC samples input voltage and generates voltage residue. The circuit architecture of the capacitive DAC is shown in Figure 3. The load of the DAC in the conventional SAR ADC is a comparator. However, the DAC in the VADC is connected to the VTC and the comparator CMP2; an additional parasitic capacitor is generated between the top plate and the ground. The parasitic capacitor is equivalent to increasing the dummy capacitance CDM. According to the principle of charge redistribution, if there is an error in the dummy capacitor, the voltage of the top plate will change incorrectly, and the voltage residue is affected. To reduce the error, this paper divides the CDM into two parts: one is a capacitor of 3C, and its bottom plate is always connected to the common mode voltage; the other contains 4 MOS capacitors with digital adjustment, the capacitance value ratio is 1:2:4:8. The capacitance of the CDM can be adjusted by changing the 4-bit control signal DCAL[3:0] to ensure that the CDM is near 4C.

3.2. Voltage-to-Time Converter (VTC)

The VTC builds the interface between the voltage-domain and time-domain conversions. The circuit structure of the traditional voltage type VTC is shown in Figure 4a. The input voltage is directly connected to the output node through the switch. In the sampling phase, the voltage input VIP and VIN are collected into the parasitic capacitance CP. During the conversion phase, the top switch is turned off, and M1-M4 are turned on. Since the gate voltages of M1 and M2 are provided by the DC bias Vb, both ends will discharge CP with the same current IC. As shown in Figure 4b, different input voltages change the initial point of the discharge. After the voltage drops to VIL, TDC is triggered and the conversion from voltage to time is completed. The proposed structure is based on the voltage type VTC, and the operation principle is shown in Figure 5a,b. When ΦT is low, VTC collects the voltage residue, the output VP and VN of the VADC are transmitted to the nodes VRP and VRN through the source followers to pre-charge the dummy capacitor. When ΦT is high, the VTC converts the voltage residue and CMOS switch M5-M8 are turned off. Voltage VRP and VRN decrease at a constant rate of discharge current provided by M9 and M10. The relationship between time and output voltage VOP can be expressed as:
V OP = V D D K V CAL V TH 2 C P · 1 + λ V OP t
Here K = 1 2 μ n C ox W / L , assuming K VTC = K V CAL V TH 2 C P , then V OP = V D D K VTC 1 + λ V OP t , the relationship between the output time and the input voltage is expressed as:
T out =   V D D V IL K VTC 1 + λ V IL + 1 λ K VTC λ V D D + 1 λ 2 K VTC V P 0 + 1 λ
where V IL is the triggered voltage of the inverter, and V P 0 is the input voltage. A wider output range of VTC is desired to reduce the requirement for TDC. M11 and MCAL are utilized as voltage dividers to reduce the gate voltage VCAL of M9 and M10, thereby reduce the discharge current and extend the output time range. MCAL contains three parallel transistors, by switching the 3-b codes Cal [2:0], VCAL and charging current are changed. The linearity of VTC will be severely affected by PVT, e.g., V TH , μ n . It can be seen from the above formula that V TH , μ n are included in KVTC, so the influence of PVT on the conversion characteristics of VTC can be eliminated by changing VCAL.

3.3. 6-Bit TDC

Due to the secondary effect of the circuit, the output of VTC is nonlinear. As shown in Figure 6b, the slope of the conversion characteristic curve decreases as the voltage rises. In order to reduce the impact of VTC nonlinearity, the conversion from the time-domain to the digital code based on the segment delay line TDC is proposed. The main principle is to split the delay line into two parts, each part has a different delay and resolution to create a nonlinear TDC artificially. If the nonlinearity of VTC and TDC can compensate each other, the linearity of the digital output will be improved. The shaded area between the VTC and TDC characteristic curves means the nonlinear error.
With the segmented TDC, the total error area is significantly reduced. The delay line circuit of the segmented TDC is shown in Figure 6a. The delay line is divided into two parts; each part contains 8 delay units, and the delays are 14 ps and 12.5 ps, respectively. The overall delay is only 212 ps. It adopts a 4 times phase interpolation structure, the output of each delay line is connected with the input terminals of 4 D-flip-flops, and the clock terminal of D flip-flop is connected with the output of the phase interpolation circuit. Because of the differences in the delays, two-phase interpolation circuits are needed to generate different time intervals, as shown in Figure 6c. The lower 4 bits of RI are generated by the first phase interpolation circuit PI1 (the maximum time difference is 14 ps), which is connected to the clock terminal of the first half of the TDC; the upper 4 bits of RI are generated by the second phase interpolation circuit in the second half of the TDC. Using this phase interpolation technology, the resolution and conversion speed of the TDC can be improved, and the linearity of time-domain quantization is optimized.

4. Experimental Results

Figure 7 show the ADC layout in a standard 1P9M 65-nm TSMC with an active area of 0.038 mm2. The simulated total power consumption of the ADC is 3.277 mW with a 1-V supply. The power consumption breakdown is shown in Figure 8. It can be broken down as follows: the bootstraps use 9% of the power; the VADC and the VTC uses 36%; the digital circuits use 4%; and the TDC use 51%.
Figure 9 illustrates the simulated spectrum with a conversion rate of 1-GS/s and an input frequency of 163 MHz. The simulated signal-to-noise-and-distortion ratio (SNDR) is 44.3 dB. The static performance of the DNL and INL by post-layout are +1.2/−1.0 and +2.79/−2.89 LSB, respectively, as shown in Figure 10. The error is mainly caused by the nonlinearity of the TADC. The parasitic capacitance of the post-layout affects the conversion gain of the VTC and the unit delay of the TDC, resulting in time-domain quantization errors and missing codes in TDC errors. Although the segmented TDC can compensate for the conversion characteristics of the VTC to a certain extent, it is still unable to eliminate its nonlinear error.
When the sampling rate input FIN is changed from 90 MHz to 390 MHz, the post-simulated SNDR is maintained above 43.8 dB, as shown in Figure 11. The ADC attains a FoM of 24.3 fJ/conv-step at Nyquist rate. Table 1 summarizes the ADC performance and shows the comparison with the recently published GS/s ADCs.

5. Conclusions

This paper presents a 9-bit 1-GS/s, single-channel, hybrid, voltage-time, pseudo-pipelined ADC in a 65-nm CMOS technology. The new hybrid ADC combines the high accuracy of the voltage-domain quantification and the high speed of the time-domain quantification to satisfy the need for high-speed ADCs, reducing the accuracy requirements of the comparator, converting the voltage signal into a time signal, and performing low-bit quantization in the time domain. A variable gain VTC, and segmented delay line TDC based on phase interpolation technique were proposed. The matching and linear conversion between VTC and TDC are guaranteed, and the quantization of the 6-LSB of the time domain only uses 212 ps resulting in an efficient operation. Using a 1-V supply, the prototype ADC dissipates a total power of 3.277 mW and achieves the Nyquist ENOB of 7.07 bits. The Nyquist FOM is 24.3 fJ/conversion-step. This paper shows that the proposed ADC is a good candidate for the implementation of high-speed and high-resolution ADCs.

Author Contributions

Conceptualization, Z.W., S.B.; Data curation, H.Z. and Y.M.; Investigation, P.W., X.Z. and X.L.; Methodology, H.Z., Z.W.; Y.M. and X.Z.; Resources, P.W. and Z.C.; Writing—original draft, Z.W., H.Z. and Y.M.; and Writing—review and editing, Z.W., H.Z., P.W. and Z.C. All authors have read and agreed to the published version of the manuscript.

Funding

This work was supported by Beijing Natural Science Foundation Project No. 4202010, and National Natural Science Foundation of China, Key Project No.61731019.

Data Availability Statement

The data presented in this study are available on request from the corresponding author.

Conflicts of Interest

The authors declare no conflict of interest.

References

  1. Kull, L.; Luu, D.; Menolfi, C.; Braendli, M.; Francese, P.A.; Morf, T.; Kossel, M.; Cevrero, A.; Ozkaya, I.; Toifl, T. A 24-to-72GS/s 8b time-interleaved SAR ADC with 2.0-to-3.3pJ/conversion and >30dB SNDR at nyquist in 14nm CMOS FinFET. In Proceedings of the 2018 IEEE Symposium on VLSI Circuits, Honolulu, HI, USA, 18–22 June 2018; pp. 358–360. [Google Scholar] [CrossRef]
  2. Keane, J.P.; Guilar, N.J.; Stepanovic, D.; Wuppermann, B.; Wu, C.; Tsang, C.W.; Neff, R.; Nishimura, K. 16.5 An 8GS/s time-interleaved SAR ADC with unresolved decision detection achieving −58dBFS noise and 4GHz bandwidth in 28nm CMOS. In Proceedings of the 2017 IEEE International Solid-State Circuits Conference (ISSCC), San Francisco, CA, USA, 5–9 February 2017; pp. 284–285. [Google Scholar] [CrossRef]
  3. Zhu, Y.; Chan, C.-H.; Martins, R. An 11b 1GS/s Time-Interleaved ADC with Linearity Enhanced T/H. In Proceedings of the 2018 IEEE Asian Solid-State Circuits Conference (A-SSCC), Tainan, Taiwan, 5–7 November 2018; pp. 1–2. [Google Scholar] [CrossRef]
  4. Chen, Y.; Wang, J.; Hu, H.; Ye, F.; Ren, J. A Time-Interleaved SAR Assisted Pipeline ADC With a Bias-Enhanced Ring Amplifier. IEEE Trans. Circuits Syst. II Express Briefs 2017, 65, 1584–1588. [Google Scholar] [CrossRef]
  5. Chen, Y.; Ni, Z.; Cao, Y.; Ye, F.; Ren, J. A 800 MS/s, 12-Bit, Ringamp-Based SAR assisted Pipeline ADC with Gain Error Cancellation. In Proceedings of the 2018 IEEE International Symposium on Circuits and Systems (ISCAS), Florence, Italy, 27–30 May 2018; pp. 1–4. [Google Scholar] [CrossRef]
  6. Muhlestein, J.; Leuenberger, S.; Sun, H.; Xu, Y.; Moon, U.-K. A 73dB SNDR 20MS/s 1.28mW SAR-TDC using hybrid two-step quantization. In Proceedings of the 2017 IEEE Custom Integrated Circuits Conference (CICC), Austin, TX, USA, 30 April–3 May 2017; pp. 1–4. [Google Scholar] [CrossRef]
  7. Su, Z.; Wang, H.; Zhao, H.; Chen, Z.; Wang, Y.; Dai, F.F. A 280MS/s 12b SAR-Assisted Hybrid ADC with Time Domain Sub-Range Quantizer in 45nm CMOS. In Proceedings of the 2019 IEEE Custom Integrated Circuits Conference (CICC), Austin, TX, USA, 14–17 April 2019; pp. 1–4. [Google Scholar] [CrossRef]
  8. Zhang, M.; Chan, C.-H.; Zhu, Y.; Martins, R.P. 3.5 A 0.6V 13b 20MS/s Two-Step TDC-Assisted SAR ADC with PVT Tracking and Speed-Enhanced Techniques. IEEE 2019, 66–68. [Google Scholar] [CrossRef]
  9. Liu, C.-C. 27.4 A 0.35mW 12b 100MS/s SAR-assisted digital slope ADC in 28nm CMOS. In Proceedings of the 2016 IEEE International Solid-State Circuits Conference (ISSCC), San Francisco, CA, USA, 31 January–4 February 2016; pp. 462–463. [Google Scholar] [CrossRef]
  10. Ramkaj, A.T.; Strackx, M.; Steyaert, M.S.J.; Tavernier, F. A 1.25-GS/s 7-b SAR ADC With 36.4-dB SNDR at 5 GHz Using Switch-Bootstrapping, USPC DAC and Triple-Tail Comparator in 28-nm CMOS. IEEE J. Solid-State Circuits 2018, 53, 1889–1901. [Google Scholar] [CrossRef]
  11. Lyu, Y. A 4-GS/s 39.9-dB SNDR 11.7-mW Hybrid Voltage-Time Two-Step ADC With Feedforward Ring Oscilla-tor-Based TDCs. IEEE JSSC 2020, 55, 1807–1818. [Google Scholar]
Figure 1. Architecture of the proposed two-stage ADC.
Figure 1. Architecture of the proposed two-stage ADC.
Electronics 10 02650 g001
Figure 2. Timing diagram of the proposed two-stage ADC.
Figure 2. Timing diagram of the proposed two-stage ADC.
Electronics 10 02650 g002
Figure 3. Capacitive DAC.
Figure 3. Capacitive DAC.
Electronics 10 02650 g003
Figure 4. (a) VTC circuit based on variable voltage. (b)operation principle.
Figure 4. (a) VTC circuit based on variable voltage. (b)operation principle.
Electronics 10 02650 g004
Figure 5. (a) Design of the proposed VTC and (b) timing diagram.
Figure 5. (a) Design of the proposed VTC and (b) timing diagram.
Electronics 10 02650 g005
Figure 6. (a) Segment TDC. (b) Conversion characteristic of the VTC. (c) circuit of the phase interpolation.
Figure 6. (a) Segment TDC. (b) Conversion characteristic of the VTC. (c) circuit of the phase interpolation.
Electronics 10 02650 g006
Figure 7. Layout of the proposed ADC.
Figure 7. Layout of the proposed ADC.
Electronics 10 02650 g007
Figure 8. Pie chart of the ADC power distribution.
Figure 8. Pie chart of the ADC power distribution.
Electronics 10 02650 g008
Figure 9. Power spectral density of the proposed ADC.
Figure 9. Power spectral density of the proposed ADC.
Electronics 10 02650 g009
Figure 10. Post-simulated DNL and INL.
Figure 10. Post-simulated DNL and INL.
Electronics 10 02650 g010
Figure 11. Post-simulated SNDR versus input frequency.
Figure 11. Post-simulated SNDR versus input frequency.
Electronics 10 02650 g011
Table 1. Performance Summary.
Table 1. Performance Summary.
ISSCC17 [2]
Measured
A-SSCC18 [3]
Measured
ISCAS18 [5]
Simulated
This Work
Simulated
TypeTI-SARTI-pip-SARPip-SARSAR-TDC
CMOS (nm)65652865
Active Area (mm2)1.70.1280.1750.038
Supply Voltage (V)1.21.2/2.511
Power (mW)44.62216.023.277
Sampling Rate (GS/s)2.810.81
SNDR (dB)48.254.360.944.3
FoMwalden[fJ/c-s]75.843.722.524.3
Publisher’s Note: MDPI stays neutral with regard to jurisdictional claims in published maps and institutional affiliations.

Share and Cite

MDPI and ACS Style

Bai, S.; Wan, Z.; Wan, P.; Zhang, H.; Ma, Y.; Zhang, X.; Liu, X.; Chen, Z. A 9-Bit 1-GS/s Hybrid-Domain Pseudo-Pipelined SAR ADC Based on Variable Gain VTC and Segmented TDC. Electronics 2021, 10, 2650. https://doi.org/10.3390/electronics10212650

AMA Style

Bai S, Wan Z, Wan P, Zhang H, Ma Y, Zhang X, Liu X, Chen Z. A 9-Bit 1-GS/s Hybrid-Domain Pseudo-Pipelined SAR ADC Based on Variable Gain VTC and Segmented TDC. Electronics. 2021; 10(21):2650. https://doi.org/10.3390/electronics10212650

Chicago/Turabian Style

Bai, Suping, Zhi Wan, Peiyuan Wan, Hongda Zhang, Yongkuo Ma, Xiaoyu Zhang, Xu Liu, and Zhijie Chen. 2021. "A 9-Bit 1-GS/s Hybrid-Domain Pseudo-Pipelined SAR ADC Based on Variable Gain VTC and Segmented TDC" Electronics 10, no. 21: 2650. https://doi.org/10.3390/electronics10212650

APA Style

Bai, S., Wan, Z., Wan, P., Zhang, H., Ma, Y., Zhang, X., Liu, X., & Chen, Z. (2021). A 9-Bit 1-GS/s Hybrid-Domain Pseudo-Pipelined SAR ADC Based on Variable Gain VTC and Segmented TDC. Electronics, 10(21), 2650. https://doi.org/10.3390/electronics10212650

Note that from the first issue of 2016, this journal uses article numbers instead of page numbers. See further details here.

Article Metrics

Back to TopTop