A High-Speed Programmable Frequency Divider for a Ka-Band Phase Locked Loop-Type Frequency Synthesizer in 90-nm CMOS
Abstract
:1. Introduction
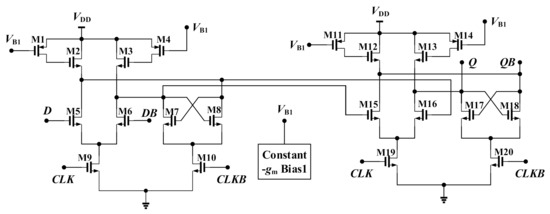
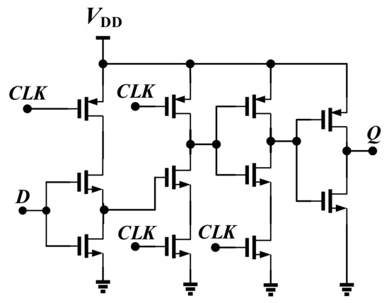
2. Circuit Design
2.1. Dual-Modulus Prescaler
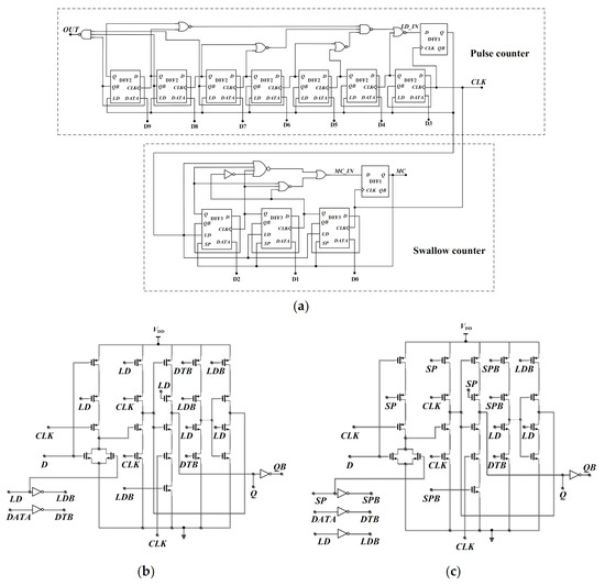
2.2. Pulse Swallow Counters
3. Experimental Results
4. Conclusions
Author Contributions
Funding
Conflicts of Interest
References
- Wang, J.; Wang, Z.; Xu, J.; Wu, Y.; Tian, M.; Lei, X.; Ma, L.; Tang, L. A multi-band CMOS PLL-based frequency synthesizer for DRM/DRM+/DAB systems. Analog Integr. Circuits Signal Process. 2014, 80, 293–304. [Google Scholar] [CrossRef]
- Huang, Z.; Luong, H.C. An 82–107.6-GHz Integer-N ADPLL Employing a DCO with Split Transformer and Dual-Path Switched-Capacitor Ladder and a Clock-Skew-Sampling Delta–Sigma TDC. IEEE J. Solid-State Circuit 2019, 54, 358–367. [Google Scholar] [CrossRef]
- Huang, S.; Liu, S.; Hu, J.; Wang, R.; Zhu, Z. A 12-GHz Wideband Fractional-N PLL with Robust VCO in 65-nm CMOS. IEEE Microw. Wirel. Compon. Lett. 2019, 29, 397–399. [Google Scholar] [CrossRef]
- Delden, M.v.; Pohl, N.; Aufinger, K.; Musch, T. A 94 GHz programmable frequency divider with inductive peaking for wideband and highly stable frequency synthesizers. In Proceedings of the 2017 12th European Microwave Integrated Circuits Conference (EuMIC), Nuremberg, Germany, 8–10 October 2017; pp. 9–12. [Google Scholar]
- Issakov, V.; Trotta, S. Low-power dual-modulus frequency divider by 4/5 up to 13-GHz in 0.13 μm CMOS. In Proceedings of the 2017 IEEE International Conference on Microwaves, Antennas, Communications and Electronic Systems (COMCAS), Tel-Aviv, Israel, 13–15 November 2017; pp. 1–4. [Google Scholar]
- Purohit, S.; Nirmal, U. A Novel 8.4 GHz, High Speed and Low Power Design of Programmable Divider in 180nm CMOS Technology. In Proceedings of the 2019 2nd International Conference on Intelligent Communication and Computational Techniques (ICCT), Jaipur, India, 28–29 September 2019; pp. 192–195. [Google Scholar]
- Wu, W.; Staszewski, R.B.; Long, J.R. A 56.4-to-63.4 GHz Multi-Rate All-Digital Fractional-N PLL for FMCW Radar Applications in 65 nm CMOS. IEEE J. Solid-State Circuit 2014, 49, 1081–1096. [Google Scholar] [CrossRef]
- Hussein, A.I.; Vasadi, S.; Paramesh, J. A 50–66-GHz Phase-Domain Digital Frequency Synthesizer with Low Phase Noise and Low Fractional Spurs. IEEE J. Solid-State Circuit 2017, 52, 3329–3347. [Google Scholar] [CrossRef]
- Abedi, R.; Kananizadeh, R.; Momeni, O.; Heydari, P. A CMOS V-Band PLL with a Harmonic Positive Feedback VCO Leveraging Operation in Triode Region for Phase-Noise Improvement. IEEE Trans. Circuits Syst. I-Regul. Pap. 2019, 66, 1818–1830. [Google Scholar] [CrossRef]
- Vaucher, C.S.; Ferencic, I.; Locher, M.; Sedvallson, S.; Voegeli, U.; Wang, Z. A family of low-power truly modular programmable dividers in standard 0.35-μm CMOS technology. IEEE J. Solid-State Circuit 2000, 35, 1039–1045. [Google Scholar] [CrossRef]
- Jin, J.; Liu, X.; Mo, T.; Zhou, J. Quantization Noise Suppression in Fractional-N PLLs Utilizing Glitch-Free Phase Switching Multi-Modulus Frequency Divider. IEEE Trans. Circuits Syst. I-Regul. Pap. 2012, 59, 926–937. [Google Scholar] [CrossRef]
- Ping-Yuan, D.; Jean-Fu, K. A 5-GHz CMOS Frequency Synthesizer with an Injection-Locked Frequency Divider and Differential Switched Capacitors. IEEE Trans. Circuits Syst. I-Regul. Pap. 2009, 56, 320–326. [Google Scholar] [CrossRef]
- Fan, X.; Tang, L.; Wang, Y.; Yu, L.; Yuan, L.; Yang, Z.; Wang, Z. A 1 V 0.18 μm fully integrated integer-N frequency synthesizer for 2.4 GHz wireless sensor network applications. Analog Integr. Circuits Signal Process. 2014, 82, 251–264. [Google Scholar] [CrossRef]
- Shin, J.; Shin, H. A 1.9–3.8 GHz ΔΣ Fractional-N PLL Frequency Synthesizer with Fast Auto-Calibration of Loop Bandwidth and VCO Frequency. IEEE J. Solid-State Circuit 2012, 47, 665–675. [Google Scholar] [CrossRef]
- Hati, M.K.; Bhattacharyya, T.K. A novel pulse swallow based frequency divider circuit for a phase-locked loops. Analog Integr. Circuits Signal Process. 2017, 92, 55–69. [Google Scholar] [CrossRef]
- Haiyong, S.; Zhiqun, L. A 5-GHz programmable frequency divider in 0.18-μm CMOS technology. J. Semicond. 2010, 31, 055004. [Google Scholar] [CrossRef]
- Zhang, C.; Wang, X.; Fang, J.; Zhang, Y.; Tang, L. A CMOS fully differential ring VCO with active inductors and I/Q outputs. Microw. Opt. Technol. Lett. 2018, 61, 937–942. [Google Scholar] [CrossRef]
- Shen, Y.; Zhang, R. Constant-gm Bias Circuit without Off-Chip Components. In Proceedings of the 13th IEEE International Conference on Solid-State and Integrated Circuit Technology (ICSICT), Hangzhou, China, 25–28 October 2016; pp. 1309–1311. [Google Scholar]
- Talebbeydokhti, N.; Hanumolu, P.K.; Kurahashi, P.; Un-Ku, M. Constant transconductance bias circuit with an on-chip resistor. In Proceedings of the 2006 IEEE International Symposium on Circuits and Systems, Kos, Greece, 21–24 May 2006; pp. 2857–2860. [Google Scholar]
- Zhiqiang, G.; Yuanxu, X.; Peng, S.; Enyi, Y.; Yongshuang, H. A programmable high-speed pulse swallow divide-by-N frequency divider for PLL frequency synthesizer. In Proceedings of the 2010 International Conference on Computer Application and System Modeling (ICCASM 2010), Taiyuan, China, 22–24 October 2010; pp. V6-315–V6-318. [Google Scholar]
- Gu, Q.J.; Gao, Z. A CMOS High Speed Multi-Modulus Divider With Retiming for Jitter Suppression. IEEE Microw. Wirel. Compon. Lett. 2013, 23, 554–556. [Google Scholar] [CrossRef]
- Ergintav, A.; Herzel, F.; Borngraeber, J.; Ng, H.J.; Kissinger, D. Low-power and low-noise programmable frequency dividers in a 130 nm SiGe BiCMOS technology. In Proceedings of the 2017 15th IEEE International New Circuits and Systems Conference (NEWCAS), Strasbourg, France, 25–28 June 2017; pp. 105–108. [Google Scholar]
- Lin, Y.; Huang, W.; Lu, C.; Wang, Y. Wide-Locking-Range Multi-Phase-Outputs Regenerative Frequency Dividers Using Even-Harmonic Mixers and CML Loop Dividers. IEEE Trans. Microw. Theory Tech. 2014, 62, 3065–3075. [Google Scholar] [CrossRef]
- Wang, Y.; Wang, Y.; Wu, Z.; Quan, Z.; Liou, J.J. A Programmable Frequency Divider with a Full Modulus Range and 50% Output Duty Cycle. IEEE Access 2020, 8, 102032–102039. [Google Scholar] [CrossRef]
- Kim, N.; Rabaey, J.M. A 3–10mW, 3.1–10.6GHz integer-N QPLL with reference spur reduction technique for UWB-based cognitive radios. In Proceedings of the 2015 IEEE Radio Frequency Integrated Circuits Symposium (RFIC), Phoenix, AZ, USA, 17–19 May 2015; pp. 67–70. [Google Scholar]












| Ref. | Tech | Supply (V) | Power Dissipation (mW) | Operation Frequency Range (GHz) | Division Ratio | Phase Noise (dBc/Hz) |
|---|---|---|---|---|---|---|
| [7] | 65 nm CMOS | 1.2 | - | 57–64 | 32 | −102.16@100 kHz −138.48@1 MHz |
| [15] | 0.13 μm CMOS | 1.2 | 13.8 | 2.1–6 | 32–127 | −100.98@1 kHz |
| [21] | 65 nm CMOS | 0.94 | 39.8 | 2–19 | 16–31 | −118.8@10 kHz |
| [22] | 0.13 μm SiGe | 2.5 | 250 | 1–10 | 32–127 | −135.51@10 kHz |
| [23] | 90 nm CMOS | 1.2 | 10.8 | 13.2–18.4 | 4 | −124@100 kHz |
| [24] | 0.18 μm CMOS | 1.8 | 3.4 | 1–2.3 | 1–256 | −140@1 MHz |
| [25] | 65 nm CMOS | 1 | 1 | 3.1–10.6 | 24–80 | −141@1 MHz |
| This work | 90 nm CMOS | 1.2 | 9.1 | 6–20 | 380–700 | −118.19@10 kHz −125@100 kHz −138.48@1 MHz |
Publisher’s Note: MDPI stays neutral with regard to jurisdictional claims in published maps and institutional affiliations. |
© 2021 by the authors. Licensee MDPI, Basel, Switzerland. This article is an open access article distributed under the terms and conditions of the Creative Commons Attribution (CC BY) license (https://creativecommons.org/licenses/by/4.0/).
Share and Cite
Tang, L.; Chen, K.; Zhang, Y.; Tang, X.; Zhang, C. A High-Speed Programmable Frequency Divider for a Ka-Band Phase Locked Loop-Type Frequency Synthesizer in 90-nm CMOS. Electronics 2021, 10, 2494. https://doi.org/10.3390/electronics10202494
Tang L, Chen K, Zhang Y, Tang X, Zhang C. A High-Speed Programmable Frequency Divider for a Ka-Band Phase Locked Loop-Type Frequency Synthesizer in 90-nm CMOS. Electronics. 2021; 10(20):2494. https://doi.org/10.3390/electronics10202494
Chicago/Turabian StyleTang, Lu, Kuidong Chen, Youming Zhang, Xusheng Tang, and Changchun Zhang. 2021. "A High-Speed Programmable Frequency Divider for a Ka-Band Phase Locked Loop-Type Frequency Synthesizer in 90-nm CMOS" Electronics 10, no. 20: 2494. https://doi.org/10.3390/electronics10202494
APA StyleTang, L., Chen, K., Zhang, Y., Tang, X., & Zhang, C. (2021). A High-Speed Programmable Frequency Divider for a Ka-Band Phase Locked Loop-Type Frequency Synthesizer in 90-nm CMOS. Electronics, 10(20), 2494. https://doi.org/10.3390/electronics10202494

