Next Article in Journal
Autonomous Operation Control of IoT Blockchain Networks
Next Article in Special Issue
Generalized Circuit Averaging Technique for Two-Switch PWM DC-DC Converters in CCM
Previous Article in Journal
Algorithmic-Level Approximate Tensorial SVM Using High-Level Synthesis on FPGA
 
 
Font Type:
Arial Georgia Verdana
Font Size:
Aa Aa Aa
Line Spacing:
Column Width:
Background:
Article

An MPPT Strategy Based on a Surface-Based Polynomial Fitting for Solar Photovoltaic Systems Using Real-Time Hardware

by
Catalina González-Castaño
1,2,†,
Leandro L. Lorente-Leyva
2,†,
Javier Muñoz
3,†,
Carlos Restrepo
3,*,† and
Diego H. Peluffo-Ordóñez
2,4,†
1
Department of Engineering Sciences, Universidad Andres Bello, Santiago 7500971, Chile
2
SDAS Research Group, Ibarra 100150, Ecuador
3
Department of Electromechanics and Energy Conversion, Universidad de Talca, Curicó 3340000, Chile
4
Modeling, Simulation and Data Analysis (MSDA) Research Program, Mohammed VI Polytechnic University, Ben Guerir 47963, Morocco
*
Author to whom correspondence should be addressed.
These authors contributed equally to this work.
Electronics 2021, 10(2), 206; https://doi.org/10.3390/electronics10020206
Submission received: 9 December 2020 / Revised: 21 December 2020 / Accepted: 23 December 2020 / Published: 17 January 2021

Abstract

:
This paper presents an optimal design of a surface-based polynomial fitting for tracking the maximum power point (MPPT) of a photovoltaic (PV) system, here named surface-based polynomial fitting (MPPT-SPF). The procedure of the proposed MPPT-SPF strategy is based on a polynomial model to characterize data from the PV module with a global fit. The advantage of using polynomials is that they provide a good fit within a predefined data range even though they can diverge greatly from that range. The MPPT-SPF strategy is integrated with a DC-DC boost converter to verify its performance and its interaction with different control loops. Therefore, the MPPT strategy is applied to the reference outer PI control loop, which in turn provides the current reference to the inner current loop based on a discrete-time sliding current control. A real-time and high-speed simulator (PLECS RT Box 1) and a digital signal controller (DSC) are used to implement the hardware-in-the-loop system to obtain the results. The proposed strategy does not have a high computational cost and can be implemented in a commercial low-cost DSC (TI 28069M). The proposed MPPT strategy is compared with a conventional perturb and observe method to prove its effectiveness under demanding tests.

1. Introduction

Photovoltaic systems have been incorporated into the island DC microgrid architecture [1] and residential microgrids [2,3,4,5] due to their good dynamics and the maximum power point tracking (MPPT) algorithms used to extract the maximum available power from photovoltaic (PV) module [6,7,8]. Numerous MPPT methods have been studied and implemented, which can be broadly categorized as direct and indirect methods [9]. The direct methods are often based on the instantaneous values of the PV output voltage or the current to generate the control signals. Some of these signals are modified, and the behavior is observed to know if they approach or move away from the MPP. Among the best-known methods are perturb and observe (P&O), extremum seeking control methods (ESCs) and the incremental conductance algorithm (INC). On the other hand, usually for indirect methods, the physical parameters of the PV system panel are used to generate the control signals and to estimate the MPP through the data with the previous values of the radiation or temperature. Among these are the open circuit voltage (OCV), short circuit current method (SCC), methods based on fuzzy logic controllers (FLCs), and artificial intelligence (AI).
Currently, most of the MPPT methods are digitally implemented because of the advances that modern microcontrollers and digital signal controllers (DSCs) provide in terms of flexibility and reusability [10]. P&O is the most popular method because of its simple structure and low computational cost with a medium tracking efficiency [11,12], although an optimizationis necessary to reduce the oscillations in the steady-state around the maximum power point [13]. The FLC uses fuzzy theory and computes the slope and the change of the slope of the power-current characteristic of the PV system to track the MPP; however, due to its complexity, it is difficult to implement using low-cost microcontrollers [14,15]. The INC compares the static and the incremental conductance to track the MPP. This method is well suited for rapid variations of atmospheric conditions [16,17]. However, it needs to compute the derivatives, meaning that it is limited in the presence of noise and singularities in the numerical operations [18].
For the sake of more accurate MPP estimation and to achieve a digital implementation using a low-cost DSC, this paper proposes an MPPT method based on a polynomial curve-fitting approach, named surface-based polynomial fitting (MPPT-SPF). Briefly, the proposed MPPT-SPF approach works as follows: from the different characteristic curves of the photovoltaic panel at different temperatures, a surface-based polynomial approach is applied to determine the polynomial coefficients that best approximate such curves. Then, the resultant approximation is used to perform the MPPT procedure.
The MPPT is validated through a DC-DC converter, which is modeled with a real-time and high-speed simulator (PLECS RT Box 1). The MPPT algorithm is implemented in C programming software using a commercial low-cost DSC (TI 28069M). The different control loops of the system are evaluated by hardware-in-the-loop (HIL) tests. In addition, the proposed MPPT algorithm is compared to a conventional perturb and observe strategy under a temperature and irradiance profile.
The remainder of this paper is structured as follows: Section 2 outlines the system modeling. Section 3 briefly outlines a benchmark method and describes the proposed MPPT approach. Section 4 presents the simulated and hardware-in-the-loop results. Finally, the concluding remarks are drawn in Section 6.

2. System Modelling

2.1. Model of Photovoltaic Module

A PV module may be modeled based on an equivalent circuit, which consists of a current source generated from radiation, in addition to a diode. Converting incident solar radiation into electrical energy through the photoelectric effect. The generation of current in the solar cell is directly proportional to the radiation that affects it, also called irradiance. To greater irradiance, the current intensity is also greater [19]. Modeling this device, necessarily requires taking weather data (irradiance and temperature) as input variables, and the output can be current, voltage, and power. Finally, the model is used to represent the current-voltage or power-voltage characteristic curve [20].

2.2. Model of Boost Converter

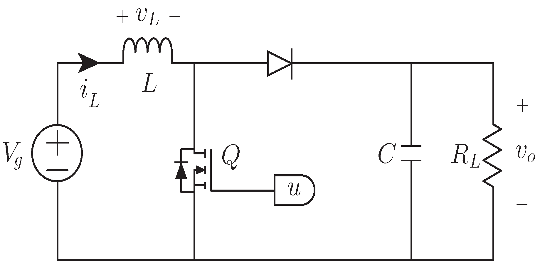
The circuit diagram of the boost converter also known as the step-up converter is shown in Figure 1. In this converter, the output voltage v o is larger than the input V g  [21]. For PV system application, the boost converter will hold the PV module maximum working point through a voltage regulator. The dc-dc boost converter is composed by an inductor L at the input, and a capacitor C at the output, with a R L as resistive load in the output. To obtain the dynamics of the boost converter, the Kirchoff’s current and voltage laws are applied to the schematic circuit shown in Figure 1. Then, the following system of differential equations is obtained:
d i L ( t ) d t = V g ( 1 u ) v o L d v o ( t ) d t = v o R L C + ( 1 u ) i L C ,
with i L being the inductor current, v o the output voltage and u the control variable 0 , 1 . The equilibrium point associated with the input for the boost converter is:
u ¯ = 1 v g ¯ v o ¯ .
To design a boost convert for continuous-current operation, it is useful to obtain the inductance value in terms of a desired current ripple:
L = V g D T Δ i L .
And the capacitance can be expressed in terms of the output voltage ripple:
C = D T R L ( Δ V o / V o ) .

2.3. Discrete-Time Sliding-Mode Current Control

This section presents the design of a discrete-time sliding mode current control (DSMCC) for the DC/DC boost converter with fixed frequency. This control is implemented for switching systems in [22,23,24]. In this strategy, the variable control u [ n ] is computed in the n-th time sample period to ensure the control surface (5) is reached in the next sampling period ( f s a m p = f s ).
s [ n ] = i L r e f [ n 1 ] i L [ n ] .
By using (1), the converter of inductor current waveform slopes are listed in Table 1. The Euler approximation leads to the following discrete-time inductor current expression, taking into account the average model of the converter’s inductor current slope d i L d t i L [ n + 1 ] i L [ n ] T is:
i L [ n + 1 ] = i L [ n ] + T ( m 1 + m 2 ) d [ n ] m 2 T .
where T is the switching or sampling period. Hence, the resulting expression of the duty cycle is:
d [ n ] = 1 ( m 1 + m 2 ) T e [ n ] + m 2 m 1 + m 2 ,
where e [ n ] = i L r e f [ n ] i L [ n ] in (7), being i L r e f [ n ] = i L [ n + 1 ] . Using the expressions for m 1 and m 2 for the output current slopes from Table 1 in (7) and with the control variable u [ n ] = d [ n ] , the control law for the boost converter is given by:
u [ n ] = L v o [ n ] T e [ n ] + 1 v g [ n ] v o [ n ] .

2.4. Discrete-Time PI Voltage Control

To regulate the output voltage of the PV module (input voltage of boost converter v g ) a double loop is implemented using a proportional-integrator voltage control external loop, where the controller transfer function can be expressed in the z domain using the forward Euler method, as follows:
G v p i ( z ) = K p v + K i v T s a m p z 1 ,
where T s a m p = 1 / f s a m p . The forward-Euler method is used to find the recurrence equation for the discrete-time integral PI control, as follows:
i L p [ n ] = K p v e v [ n ] , i L i [ n ] = K i v T s a m p e v [ n ] + i L i [ n 1 ] , i L r e f [ n ] = i L p [ n ] + i L i [ n ] ,
where
K p v = 2 π C i n f c
and
K i v = K p v T i ,
being C i n the input capacitor, the value of the crossover frequency (CF) for the voltage loop ( f c ) should be lower than the CF for the current loop. The location of the PI zero should be lower than f c ( 1 / ( 2 π T i ) < f c ).

3. Maximum Power Point Tracking (MPPT) Algorithm

The maximum power point tracking (MPPT) control ensures that a PV system works properly under different radiation and temperature values. Usually, the operation of a MPPT approach is based on the control of the switching converter to finally bring the PV module working in its maximum power point [25]. This section briefly outlines the “perturb and observe” benchmark method, as well as it introduces the proposed MPPT method.

3.1. Conventional “Perturb and Observe” Method

Due to its simplicity and low cost, the so-called “perturb and observe” (P&O) method has been widely used [11,12,13]. The core of this algorithm is to generate perturbations by either decreasing or increasing the reference voltage while observing the output power PV module. If the actual measured power P [ n ] is greater than its previous sampled value P [ n 1 ] , then the voltage is increased with the same slope. Otherwise, the voltage is decreased with a negative slope. The PV module voltage is compared with the maximum voltage to predict the MPP. Afterwards, a small step of reference voltage results in a power step of the PV module [11]. The MPPT based on P&O is here abbreviated as MPPT-P&O.

3.2. Proposed MPPT Method

This work is focused on achieving a more accurate MPP estimation through a polynomial curve-fitting approach proposal, here named surface-based polynomial fitting (MPPT-SPF). The proposed approach works as follows:
From the datasheet information, different characteristic curves of the photovoltaic panel can be obtained. In our case, voltage values ranges between 0 V and 25 V, while radiation varies from 0 W/m 2 to 1000 W/m 2 . As well, three temperatures are considered, namely: 0 ° C, 25 ° C and 50 ° C. All this information is used to test the performing of the curve fitting MPPT algorithm which is based on a polynomial approach.
The collection of current curves for different radiations and temperatures for the BP365 PV module are shown in Figure 2, current and voltage are measured and characterized on the panel for the MPP and its model for PLECS simulations is presented in [26].

3.2.1. Curve-Based Fitting

In mathematical terms, the basics of a polynomial model ( y = f ( x ) ) for any curve, can be expressed as follows:
y { ρ N } = i = 1 N + 1 C i x N + 1 i ,
where x is the input times series, y { ρ N } is the output time series, N + 1 is the order of the polynomial, and n is the degree of the polynomial, such that 1 N 9 . The order gives the number of coefficients to be fit, and the degree gives the highest power of the predictor variable.
The following describes the polynomials in terms of their degree. For example, a four-degree polynomial is given by:
y { ρ 4 } = f ( x ) = C 1 x 4 + C 2 x 3 + C 3 x 2 + C 4 x + C 5 .
Polynomials are often used when a simple empirical model is required. In this connection, a polynomial model can be used for either an interpolation or extrapolation process, or to characterize data using a global fit.
The main advantage of the polynomial fitting is that it exhibits a reasonable flexibility to handle structure-simple data. In contrast, its main drawback is that fitting can become unstable for high-degree polynomials. Additionally, polynomials of any degree can provide a good fit within a predefined data range, but can diverge greatly outside that range.
When performing a curve fitting with high-degree polynomials, the fitting procedure uses the predictor values as the basis for a matrix with very large values, and thus can entail scale affectations. To cope with this drawback, input data can pre-processed by means of a z-score normalization (i.e., centering to zero mean and scaling to unit standard deviation [27]).

3.2.2. Surface-Based Fitting

When the fitting f ( · ) involves two input time series, the output time series can be termed as z = f ( x , y ) . In such vein, for MPPT purposes, the variables are defined as follows:
  • z: maximum power estimation for PV module current and voltage measurements ( P m a x ),
  • x: current i L [ n ] ,
  • y: voltage v g [ n ] .
For polynomial surfaces, let us consider the following notation: ρ i j is the fitting type, where i is the degree of x and j is the degree of y. The maximum value for i and for j is 5 [28]. The overall degree of the polynomial is the maximum between i and j. The degree of x in each term will be less than or equal to i, likewise the degree of y in each term will be less than or equal to j. Therefore, a surface with i and j degrees is denoted as follows: z { ρ i j } = f ( x , y ) . Table 2 gathers some examples.
For example, when specifying an x degree of 2 and a y degree of 1, the model name is ρ 21 . The model terms are made up of the grades presented in Table 3.
More details about the related mathematical foundations are explained in [27].
From the ρ i j approach, a function is obtained that properly adjusts the behavior and general trend of the analyzed data. By considering both the criteria to quantify how proper the adjusting procedure is, as well as the polynomial to be tuned for representing the input data, the most accurate adjustment is sought. From this adjustment, the relationship among the degree of the polynomial, the adjustment of the curves and the values to interpolate are obtained. In mathematical terms, from the sequence of data given in the form ( x [ n ] , y [ n ] ) , a resulting polynomial of degree 2 is yielded, as follows:
f ( x , y ) = C 00 + C 10 x + C 01 y + C 20 x 2 + C 11 x y + C 02 y 2 .
From the previously developed analysis, the goodness of fit identifies how well the curve fits the data. This is done by taking into account the confidence limits of the coefficients to determine their accuracy (with 95 % confidence limits). Then, from the robust fitting of the data, the polynomial coefficients are determined, so that:
C 00 = 2.027 ( 1.646 , 2.408 ) , C 10 = 1.048 ( 1.102 , 0.9936 ) , C 01 = 15.95 ( 15.68 , 16.22 ) , C 20 = 0.06391 ( 0.06201 , 0.06581 ) , C 11 = 0.07722 ( 0.06711 , 0.08734 ) , C 02 = 0.04083 ( 0.09588 , 0.01423 ) ,
which generate the following polynomial:
f ( x , y ) = 2.027 1.048 x + 15.95 y + 0.06391 x 2 + 0.07722 x y 0.04083 y 2 .
The obtained fitting reaches a remarkable R-square of 0.95 and an Adjusted R-square of 0.9499, which denotes that both a significant trend of the data and satisfactory model fitting are obtained. In addition, the root mean square error (RMSE) of 4.679 and the sum of square error (SSE) estimation of 3.619 × 10 5 are reached.
For MPPT purposes, previous adjustment can be depicted as a MPP surface in terms of i L [ n ] and v g [ n ] , as shown in Figure 3.
The goal for the validation and implementation of the MPPT-SPF is maximizing, at any moment during its operation, the available energy of the connected solar modules. The MPPT is obtained by varying the voltage and current so that the PV system outputs the highest possible power at different weather conditions.

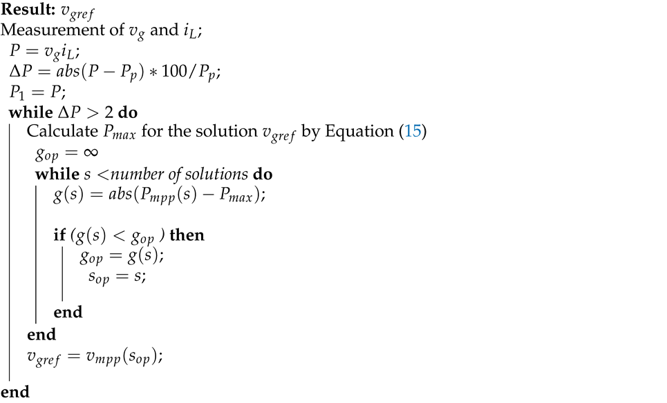
3.3. MPPT-SPF Algorithm

The MPPT-SPF algorithm is detailed in Algorithm 1, which works as follows: Its aim is to obtain the input voltage reference ( v g r e f ) for the boost converter from the measurement of the output voltage and output current of the PV module. To do so, it is considered on the basis that the maximum power characteristic ( P m a x ) associated with the current and voltage measurements is obtained from (15). Once P m a x is estimated, the reference voltage or the voltage for the MPP is selected by searching from a register of possible solutions for power point maximum power ( P m p p ). The MPPT-SPF algorithm is executed when changes of power greater than or equal to reference Δ P ( % ) occur, so:
P P p P p Δ P ( % ) ,
where P is the actual power measurement and P p is the previous power measurement.
Algorithm 1: MPPT-SPF Procedure
Electronics 10 00206 i001

4. Results

This section presents simulated and hardware in the loop (HIL) results for HIL experiments. A typical hardware configuration is shown in Figure 4, where the evaluation kit, a TI 28069M LaunchPad (the red board), is connected to the RT Box via an RT Box LaunchPad Interface (the green board). The boost converter and the PV module are implemented in the PLECS RT Box, the sampled time to model the converter is 3 s. In this way, the global control scheme of Figure 5 is implemented using TI 28069M LaunchPad, which is a low cost Texas Instrument target. Inner loop, double loop control and the PV system global control scheme, shown in Figure 5 are validated and the proposed MPPT method is compared with P&O algorithm. The selected parameter values for the boost converter are: L = 800 μ H, C i n = 88 μ F, switching frequency f s = 25 kHz and V o = 36 V. The signals sampled for the control are v g , v o and i L , the switching sampled is f s a m p = f s = 25 kHz.

4.1. Inner Loop DSMCC Results

The current loop responses for the boost converter from Figure 1 are shown in Figure 6, these figures show simulated and HIL results, the current reference has been changed from 2 A to 6 A and back to 2 A. The input voltage is set in 17 V, and the output voltage is V o = 36 V. As shown, the output current is well regulated. The controlled current adequately follows the current reference at all times from the steady–state to the variations in the current reference. Thus, the proposed current control strategy performance during current step reference change is validated.

4.2. Double Loop Using DSMCC Results

The value of the crossover frequency (CF) for the outer loop (voltage loop) is f c = 500 Hz and the proportional gain is calculated using the equation (11). The location of the PI zero of equation (12) should be lower than f c ( 1 / ( 2 π T i ) < f c ) whereby a T i = 3.18 × 10 3 s was selected. The outer loop is slower than the current loop, therefore the voltage regulator calculates the inductor current reference every 400 μ s, as is shown in Figure 5 for G v p i ( z ) . Figure 7 shows simulated and HIL responses of voltage loop for voltage reference variations from 15 V to 18 V with a step between variations of 1 V. These voltage reference values are according to the voltage for maximum power, as is seen in Figure 2. This experiment was realized at a fixed temperature of 25 ° and a fixed irradiance of 600 W/m 2 for the PV module. As can be observed in Figure 7, the voltage reference is accurately tracked and the current transitions caused by the voltage changes are smooth. Hence, the performance of the DSMCC adding an output voltage loop are validated to be implemented using the MPPT algorithm.

4.3. MPPT Methods Results Comparison

The characteristics of the case study PV corresponds to the PV module BP 365 and are described in Table 4. The results also compare the performance of the classical MPPT-P&O approach and the proposed MPPT-SPF. The MPPT algorithms have been implemented to provide a new voltage reference for the voltage loop every 100 ms, as is shown in Figure 5 for the MPPT algorithm block.
In Figure 8, simulation and HIL results of the start-up of the MPPT methods depicts the transient behavior from the starting point (zero current) to an equilibrium point corresponding to the maximum power at a fixed irradiance of 1000 W/m 2 and a fixed temperature of 25 ° C for the PV module. In Figure 8a,b it can be observed that for the MPPT-SPF, the steady state is reached in around 18 ms while for the MPPT-P&O method in Figure 8c,d the steady state is reached in around 3680 ms, with the proposed MPPT-SPF a faster tracking than the MPPT-P&O method during system start-up. It is important to note the MPPT-P&O algorithm tracks the maximum power point and always generates an oscillating signal around the maximum power point. The proposed MPPT-SPF algorithm works at the optimum point without oscillations power value.
Figure 9 shows simulated and HIL results of the MPP tracking performance under periodic abrupt irradiation variations that result in MPP changes from 500 W to 1000 W and vice versa every 1.5 s. Figure 9a,b are the results for the proposed MPPT-SPF and Figure 9c,d are the results for the MPPT-P&O algorithm. The overall MPPT tracking efficiency for the MPPT-P&O method is 97% and for the proposed MPPT-SPF it is 99.54%. For the classical MPPT-P&O method the PV system always operates in an oscillating mode as can be observed for the inductor current and input voltage of the converter in Figure 9c,d. Therefore, the proposed MPPT-SPF method achieves a much superior performance for abrupt irradiation variations than the classical MPPT-P&O method.
The system is tested and the MPPT methods are compared over irradiance and temperature changes as shown in Figure 10. This test is used to prove the controller robustness and the ability to keep extracting the maximum power within this abrupt variations. Figure 11a,b for the proposed MPPT-SPF present an overall MPPT tracking efficiency of 99.2% for variations following the profile in Figure 10 while for the MPPT-P&O method the tracking efficiency is 97% for Figure 11c,d. Moreover, the proposed MPPT does not present oscillation signals (power, current and input voltage) compared with the MPPT-P&O one. A summary of MPPT techniques comparison is shown in Table 5, where t s t is the time elapsed from the control start-up until the the steady state is reached.

5. MPPT Efficiency Comparative Study

A comparative study of the proposed MPPT method with other relevant algorithms proposed in the literature is presented in this section. The comparative study is carried out implementing each proposed MPPT algorithms using PLECS by means of a C block. The MPPT methods include extremum seeking control techniques (FESC, SM-ESC, SMPPT), and their description will be given below. The selected algorithms present different speeds of convergence and thus allow for proper benchmarking versus the proposed one.

5.1. Loss-Free Resistor Based on ESC (FESC) Method

The FESC method was introduced for photovoltaic application in [16]. Based an ESC technique, where the procedure is to obtain a conductance value from the power time of the PV, the power P can be expressed as a function of the LFR (loss-free resistor) conductance g as:
P = g v g 2 .
The MPPT algorithm uses a hysteresis comparator that generates a binary signal showing the sign of the power derivative. This binary signal is the input to a logic circuit with a delay τ d . The minimum time delay τ d can be defined as
τ d 5 r m a x C p ,
where r m a x ( 1 / g m a x ) is the maximum resistor value from the MPPT algorithm, taking into account the point where the PV characteristic presents the MPP at the highest current and the lowest voltage. The settling time of the PV voltage and current are directly related to the capacitor C p of the PV module/string. After a fixed time interval, the logic circuit establishes if the direction of power has to be maintained or should be changed.

5.2. Sliding Mode ESC (SM-ESC) Method

This method is reported in [17]. This is an ESC method, which uses sliding mode control to generate the signals u ( ϵ ) and v ( ϵ ) , where u ( ϵ ) = s i g n ( ϵ ) and v ( ϵ ) = ϵ + δ , where ϵ is the power error, and δ is a positive constant. A parameter M is selected taking into account the maximum derivative of the power with respect to the conductance of the PV module. The signal v ( ϵ ) and the parameter M are used to generate the PV power reference, while the signal u ( ϵ ) modifies the conductance g of the PV module.

5.3. Static Conductance-Based MPPT (SMPPT) Method

The SMPPT proposed in [15] has the objectives to track the global MPPT accurately and to eliminate the error between the reference and instantaneous PV module power ϵ ( t ) = P p r e f ( t ) P ( t ) . These objectives are achieved by modifying the conductance g of the PV module. The MPPT parameters are tuned taking into account the maximum derivative of the power with respect to the PV conductance.

5.4. Efficiency Results

All the methods were compared using the irradiance and temperature profile shown in Figure 10. The MPPT efficiency values are summarized in Table 6, where the proposed algorithm shows the best performance as its average tracking accuracy is the highest. It is 99.2% under irradiance and temperature step changes. The shown efficiency results are consistent with the comparative study presented in [15] for the ESC methods, where the SMPPT showed the highest values of over 98.93%. Notwithstanding the MPPT-SPF algorithm has a medium computational cost, its implementation is possible in a low-cost DSC as was demonstrated in the previous section.

6. Conclusions

Hardware in the loop tests show realistic results for MPPT algorithm of PV systems using a RT Box 1 to model the power circuit by the PLECS simulation tool. The MPPT algorithm was implemented in a commercial low-cost DSC using C programming software. The MPPT-SPF requires only to evaluate a polynomial expression that depends of current and voltage measurement from the PV module to obtain the maximum power for the operating point. Therefore, the MPPT-SPF does not require accurate system modeling. The proposed methods provide high efficiency results in comparison to MPPT-P&O method and, other MPPT methods based in ESC technique, also present a good MPPT tracking for constant and varying weather conditions. Future works will address the combination of the algorithm with a supervising procedure able to deal with multi-peak i v curves caused by the activation of bypass diodes in partial shadowing operating conditions.

Author Contributions

Conceptualization, C.R. and C.G.-C.; methodology, D.H.P.-O. and L.L.L.-L.; software, D.H.P.-O., C.R., L.L.L.-L., J.M. and C.G.-C.; validation, D.H.P.-O., C.R., L.L.L.-L., J.M. and C.G.-C.; formal analysis, D.H.P.-O. and L.L.L.-L.; investigation, C.R., C.G.-C. and J.M.; resources, C.R. and J.M.; data curation, D.H.P.-O., C.G.-C. and L.L.L.-L.; writing—original draft preparation, C.R. and C.G.-C.; writing—review and editing, D.H.P.-O., C.R., L.L.L.-L., J.M. and C.G.-C.; visualization, C.R.; supervision, C.R. and D.H.P.-O.; project administration, C.R. and J.M.; funding acquisition, C.R. and J.M. All authors have read and agreed to the published version of the manuscript.

Funding

This work was supported in part by the Chilean Government under projects Project ANID/FONDECYT/1191680, ANID/FONDECYT/1191028 and SERC Chile (ANID/FONDAP/ 15110019).

Conflicts of Interest

The authors declare no conflict of interest. The funders had no role in the design of the study; in the collection, analyses, or interpretation of data; in the writing of the manuscript, or in the decision to publish the results.

References

  1. Chowdhury, D.; Hasan, A.K.; Khan, M.Z.R. Islanded DC Microgrid Architecture with Dual Active Bridge Converter-Based Power Management Units and Time Slot-Based Control Interface. IEEJ Trans. Electr. Electron. Eng. 2020, 15, 863–871. [Google Scholar]
  2. Hasan, A.S.M.; Chowdhury, D.; Khan, M.Z.R. Performance Analysis of a Scalable DC Microgrid Offering Solar Power Based Energy Access and Efficient Control for Domestic Loads. arXiv 2018, arXiv:1801.00907. [Google Scholar]
  3. Kim, J.C.; Huh, J.H.; Ko, J.S. Improvement of MPPT control performance using fuzzy control and VGPI in the PV system for micro grid. Sustainability 2019, 11, 5891. [Google Scholar]
  4. Kim, J.C.; Huh, J.H.; Ko, J.S. Optimization Design and Test Bed of Fuzzy Control Rule Base for PV System MPPT in Micro Grid. Sustainability 2020, 12, 3763. [Google Scholar]
  5. Öztürk, S.; Canver, M.; Çadırcı, I.; Ermiş, M. All SiC grid-connected PV supply with HF link MPPT converter: System design methodology and development of a 20 kHz, 25 kVA prototype. Electronics 2018, 7, 85. [Google Scholar]
  6. Baimel, D.; Tapuchi, S.; Levron, Y.; Belikov, J. Improved fractional open circuit voltage mppt methods for pv systems. Electronics 2019, 8, 321. [Google Scholar]
  7. Macaulay, J.; Zhou, Z. A fuzzy logical-based variable step size P&O MPPT algorithm for photovoltaic system. Energies 2018, 11, 1340. [Google Scholar]
  8. Moussa, I.; Khedher, A.; Bouallegue, A. Design of a low-cost PV emulator applied for PVECS. Electronics 2019, 8, 232. [Google Scholar]
  9. Reisi, A.R.; Moradi, M.H.; Jamasb, S. Classification and comparison of maximum power point tracking techniques for photovoltaic system: A review. Renew. Sustain. Energy Rev. 2013, 19, 433–443. [Google Scholar]
  10. Batzelis, E.I.; Kampitsis, G.E.; Papathanassiou, S.A. Power reserves control for PV systems with real-time MPP estimation via curve fitting. IEEE Trans. Sustain. Energy 2017, 8, 1269–1280. [Google Scholar]
  11. Kamran, M.; Mudassar, M.; Fazal, M.R.; Asghar, M.U.; Bilal, M.; Asghar, R. Implementation of improved Perturb & Observe MPPT technique with confined search space for standalone photovoltaic system. J. King Saud Univ. Eng. Sci. 2018, 32, 432–441. [Google Scholar]
  12. Kollimalla, S.K.; Mishra, M.K. A novel adaptive P&O MPPT algorithm considering sudden changes in the irradiance. IEEE Trans. Energy Convers. 2014, 29, 602–610. [Google Scholar]
  13. Ahmed, J.; Salam, Z. A modified P&O maximum power point tracking method with reduced steady-state oscillation and improved tracking efficiency. IEEE Trans. Sustain. Energy 2016, 7, 1506–1515. [Google Scholar]
  14. Cheng, P.C.; Peng, B.R.; Liu, Y.H.; Cheng, Y.S.; Huang, J.W. Optimization of a fuzzy-logic-control-based MPPT algorithm using the particle swarm optimization technique. Energies 2015, 8, 5338–5360. [Google Scholar]
  15. Lopez-Santos, O.; Garcia, G.; Martinez-Salamero, L.; Giral, R.; Vidal-Idiarte, E.; Merchan-Riveros, M.C.; Moreno-Guzman, Y. Analysis, design, and implementation of a static conductance-based MPPT method. IEEE Trans. Power Electron. 2018, 34, 1960–1979. [Google Scholar]
  16. Haroun, R.; El Aroudi, A.; Cid-Pastor, A.; Garcia, G.; Olalla, C.; Martinez-Salamero, L. Impedance matching in photovoltaic systems using cascaded boost converters and sliding-mode control. IEEE Trans. Power Electron. 2014, 30, 3185–3199. [Google Scholar]
  17. Alqahtani, A.H.; Utkin, V.I. Self-optimization of photovoltaic system power generation based on sliding mode control. In Proceedings of the IECON 2012-38th Annual Conference on IEEE Industrial Electronics Society, Montreal, QC, Canada, 25–28 October 2012; pp. 3468–3474. [Google Scholar]
  18. Rezk, H.; Fathy, A. Performance improvement of PEM fuel cell using variable step-size incremental resistance MPPT technique. Sustainability 2020, 12, 5601. [Google Scholar]
  19. Zhang, F.; Maddy, J.; Premier, G.; Guwy, A. Novel current sensing photovoltaic maximum power point tracking based on sliding mode control strategy. Sol. Energy 2015, 118, 80–86. [Google Scholar]
  20. Bellia, H.; Youcef, R.; Fatima, M. A detailed modeling of photovoltaic module using MATLAB. NRIAG J. Astron. Geophys. 2014, 3, 53–61. [Google Scholar]
  21. Hart, D.W. Power Electronics; Tata McGraw-Hill Education: New York, NY, USA, 2011. [Google Scholar]
  22. El Aroudi, A.; Martínez-Treviño, B.A.; Vidal-Idiarte, E.; Cid-Pastor, A. Fixed switching frequency digital sliding-mode control of DC-DC power supplies loaded by constant power loads with inrush current limitation capability. Energies 2019, 12, 1055. [Google Scholar]
  23. Vidal-Idiarte, E.; Marcos-Pastor, A.; Garcia, G.; Cid-Pastor, A.; Martinez-Salamero, L. Discrete-time sliding-mode-based digital pulse width modulation control of a boost converter. IET Power Electron. 2015, 8, 708–714. [Google Scholar]
  24. Vidal-Idiarte, E.; Marcos-Pastor, A.; Giral, R.; Calvente, J.; Martinez-Salamero, L. Direct digital design of a sliding mode-based control of a PWM synchronous buck converter. IET Power Electron. 2017, 10, 1714–1720. [Google Scholar]
  25. Farhat, M.; Barambones, O.; Sbita, L. A new maximum power point method based on a sliding mode approach for solar energy harvesting. Appl. Energy 2017, 185, 1185–1198. [Google Scholar]
  26. Schönberger, J. Modeling a Photovoltaic String Using PLECS. Application Example, Ver 04-13. 2013. Available online: https://www.plexim.com/sites/default/files/plecs_pvstring.pdf (accessed on 1 January 2021).
  27. Guest, P.G.; Guest, P.G. Numerical Methods of Curve Fitting; Cambridge University Press: Cambridge, UK, 2012. [Google Scholar]
  28. Chapra, S.C. Applied Numerical Methods with MATLAB for Engineers and Scientists; McGraw-Hill: New York, NY, USA, 2012. [Google Scholar]
Figure 1. Schematic of: Boost converter.
Figure 1. Schematic of: Boost converter.
Electronics 10 00206 g001
Figure 2. BP365 PV module characteristic at (a) T = 0 ° C, (b) T = 25 ° C, (c) T = 50 ° C.
Figure 2. BP365 PV module characteristic at (a) T = 0 ° C, (b) T = 25 ° C, (c) T = 50 ° C.
Electronics 10 00206 g002
Figure 3. Plotting of the MPP surface in terms of i L [ n ] and v g [ n ] .
Figure 3. Plotting of the MPP surface in terms of i L [ n ] and v g [ n ] .
Electronics 10 00206 g003
Figure 4. Hardware in-the-loop experimental setup: (a) oscilloscope, (b) PLECS RT-box, (c) Texas Instruments LAUNCHXL-F28069M, (d) Laptop.
Figure 4. Hardware in-the-loop experimental setup: (a) oscilloscope, (b) PLECS RT-box, (c) Texas Instruments LAUNCHXL-F28069M, (d) Laptop.
Electronics 10 00206 g004
Figure 5. Block diagram of the digital controller for the MPPT of the boost converter.
Figure 5. Block diagram of the digital controller for the MPPT of the boost converter.
Electronics 10 00206 g005
Figure 6. Simulated (a,c,e,g) and experimental (b,d,f,h) responses of the input current control based on the discrete-time sliding-mode current strategy when the reference i r e f : (a,b) is equal to 2 A, (c,d) is equal to 4 A, (e,f) changes from 2 A to 4 A, and (g,h) from 4 A to 2 A. The converter is operating with an input voltage V g = 17 V and an output voltage V o = 36 V). CH1: V g (14 V/div), CH2: V o (14 V/div), CH3: i L (1 A/div) and a time base of 100 s.
Figure 6. Simulated (a,c,e,g) and experimental (b,d,f,h) responses of the input current control based on the discrete-time sliding-mode current strategy when the reference i r e f : (a,b) is equal to 2 A, (c,d) is equal to 4 A, (e,f) changes from 2 A to 4 A, and (g,h) from 4 A to 2 A. The converter is operating with an input voltage V g = 17 V and an output voltage V o = 36 V). CH1: V g (14 V/div), CH2: V o (14 V/div), CH3: i L (1 A/div) and a time base of 100 s.
Electronics 10 00206 g006
Figure 7. Simulated (a) and experimental (b) responses of the discrete-time sliding-mode current control when the reference v r e f changes with steps of 1 V between 15 V to 18 V while the output voltage ( V o = 36 V) ensures a boost operation. CH1: v g (5 V/div), CH2: V o (40 V/div), CH3: i L (1 A/div) and a time base of 200 ms.
Figure 7. Simulated (a) and experimental (b) responses of the discrete-time sliding-mode current control when the reference v r e f changes with steps of 1 V between 15 V to 18 V while the output voltage ( V o = 36 V) ensures a boost operation. CH1: v g (5 V/div), CH2: V o (40 V/div), CH3: i L (1 A/div) and a time base of 200 ms.
Electronics 10 00206 g007
Figure 8. Simulated (a,c) and experimental (b,d) dynamic behavior of the MPPT algorithms during system start-up with an irradiance of 1000 W/m 2 and an output voltage V o = 36 V. The proposed MPPT algorithm (top) is compared with perturb and observe (P&O)-based MPPT algorithm (bottom). CH1: v g (14 V/div), CH2: i L (4.5 A/div), CH3: Maximum power (20 W/div), CH4: Measured power (20 W/div) and a time base of 540 ms and 10 ms in the zoom-in rectangle.
Figure 8. Simulated (a,c) and experimental (b,d) dynamic behavior of the MPPT algorithms during system start-up with an irradiance of 1000 W/m 2 and an output voltage V o = 36 V. The proposed MPPT algorithm (top) is compared with perturb and observe (P&O)-based MPPT algorithm (bottom). CH1: v g (14 V/div), CH2: i L (4.5 A/div), CH3: Maximum power (20 W/div), CH4: Measured power (20 W/div) and a time base of 540 ms and 10 ms in the zoom-in rectangle.
Electronics 10 00206 g008
Figure 9. Simulated (a,c) and experimental (b,d) dynamic behavior of the MPPT algorithms dealing with sudden changes in irradiance between 1000 W/m 2 and 500 W/m 2 and vice versa. output voltage V o = 36 V. The proposed MPPT algorithm (top) is compared with perturb and observe (P&O)-based MPPT algorithm (bottom). CH1: v g (14 V/div), CH2: i L (4.5 A/div), CH3: Maximum power (20 W/div), CH4: Measured power (20 W/div) and a time base of 350 ms.
Figure 9. Simulated (a,c) and experimental (b,d) dynamic behavior of the MPPT algorithms dealing with sudden changes in irradiance between 1000 W/m 2 and 500 W/m 2 and vice versa. output voltage V o = 36 V. The proposed MPPT algorithm (top) is compared with perturb and observe (P&O)-based MPPT algorithm (bottom). CH1: v g (14 V/div), CH2: i L (4.5 A/div), CH3: Maximum power (20 W/div), CH4: Measured power (20 W/div) and a time base of 350 ms.
Electronics 10 00206 g009
Figure 10. Irradiance and temperature profile.
Figure 10. Irradiance and temperature profile.
Electronics 10 00206 g010
Figure 11. Simulated (a,c) and experimental (b,d) dynamic behavior of the MPPT algorithms dealing with changes in irradiance and temperature according to the profile shown in (FALTA). Output voltage V o = 36 V. The proposed MPPT algorithm (top) is compared with perturb and observe (P&O)-based MPPT algorithm (bottom). CH1: v g (14 V/div), CH2: i L (4.5 A/div), CH3: Maximum power (20 W/div), CH4: Measured power (20 W/div) and a time base of 980 ms.
Figure 11. Simulated (a,c) and experimental (b,d) dynamic behavior of the MPPT algorithms dealing with changes in irradiance and temperature according to the profile shown in (FALTA). Output voltage V o = 36 V. The proposed MPPT algorithm (top) is compared with perturb and observe (P&O)-based MPPT algorithm (bottom). CH1: v g (14 V/div), CH2: i L (4.5 A/div), CH3: Maximum power (20 W/div), CH4: Measured power (20 W/div) and a time base of 980 ms.
Electronics 10 00206 g011
Table 1. Slope of the inductor current waveform.
Table 1. Slope of the inductor current waveform.
Converter m 1 m 2
Boost v g L v g v o L
Table 2. Examples of polynomial models for surfaces.
Table 2. Examples of polynomial models for surfaces.
Polynomial ModelsEquations
ρ 21 z [ ρ 21 ] = C 00 + C 10 x + C 01 y + C 20 x 2 + C 11 x y
ρ 13 z [ ρ 13 ] = C 00 + C 10 x + C 01 y + C 11 x y + C 02 y 2 + C 12 x y 2 + C 03 y 3
ρ 55 z [ ρ 55 ] = C 00 + C 10 x + C 01 y + + C 14 x y 4 + C 05 y 5
Table 3. Polynomial model terms.
Table 3. Polynomial model terms.
Degree of Term012
01y y 2
1x x y x y 2
2 x 2 x 2 y -
3 x 3 --
Table 4. Electrical characteristics of Pv module BP 365.
Table 4. Electrical characteristics of Pv module BP 365.
Electrical ParametersValue
Maximum power P m a x 65 W
Voltage at maximum power V m p 17.6 V
Current at maximum power I m p 3.69 A
Short-circuit current I s c 3.99 A
Open-circuit voltage V o c 22.1 V
Temperature coefficient of short-circuit current ( 0.065 ± 0.015 ) %/ ° C
Temperature coefficient ( 80 ± 10 )  mV/ ° C
Table 5. Comparison of HIL results.
Table 5. Comparison of HIL results.
MPPT AlgorithmMPPT-P&OMPPT-SPF Algorithm
Parameters knowledgeNot necessaryNot necessary
ComplexityLowLow
t s t 3680 ms18 ms
Efficiency97%99.2%
PrecisionLowHigh
Table 6. Comparison of MPPT methods.
Table 6. Comparison of MPPT methods.
MPPT AlgorithmP&OSPFFESCSM-ESCSMPPT
ComplexityLowLowMediumMediumMedium
Efficiency97%99.2%98.34%97.51%98.95%
PrecisionLowHighMediumLowMedium
Computational costLowMediumMediumMediumMedium
Publisher’s Note: MDPI stays neutral with regard to jurisdictional claims in published maps and institutional affiliations.

Share and Cite

MDPI and ACS Style

González-Castaño, C.; Lorente-Leyva, L.L.; Muñoz, J.; Restrepo, C.; Peluffo-Ordóñez, D.H. An MPPT Strategy Based on a Surface-Based Polynomial Fitting for Solar Photovoltaic Systems Using Real-Time Hardware. Electronics 2021, 10, 206. https://doi.org/10.3390/electronics10020206

AMA Style

González-Castaño C, Lorente-Leyva LL, Muñoz J, Restrepo C, Peluffo-Ordóñez DH. An MPPT Strategy Based on a Surface-Based Polynomial Fitting for Solar Photovoltaic Systems Using Real-Time Hardware. Electronics. 2021; 10(2):206. https://doi.org/10.3390/electronics10020206

Chicago/Turabian Style

González-Castaño, Catalina, Leandro L. Lorente-Leyva, Javier Muñoz, Carlos Restrepo, and Diego H. Peluffo-Ordóñez. 2021. "An MPPT Strategy Based on a Surface-Based Polynomial Fitting for Solar Photovoltaic Systems Using Real-Time Hardware" Electronics 10, no. 2: 206. https://doi.org/10.3390/electronics10020206

APA Style

González-Castaño, C., Lorente-Leyva, L. L., Muñoz, J., Restrepo, C., & Peluffo-Ordóñez, D. H. (2021). An MPPT Strategy Based on a Surface-Based Polynomial Fitting for Solar Photovoltaic Systems Using Real-Time Hardware. Electronics, 10(2), 206. https://doi.org/10.3390/electronics10020206

Note that from the first issue of 2016, this journal uses article numbers instead of page numbers. See further details here.

Article Metrics

Back to TopTop