Internet of Things (IoT) Based Indoor Air Quality Sensing and Predictive Analytic—A COVID-19 Perspective
Abstract
1. Introduction
- The existing air quality monitoring systems generally monitor PM 2.5 along with temperature and humidity but the proposed system focuses on the multiple air pollutants including Carbon Dioxide (CO), Particulate Matter (PM) 2.5, Nitrogen Dioxide (NO), Carbon Monoxide (CO), Methane (CH), temperature and humidity. The predictive analysis of air quality based on these pollutants make the proposed system more attractive and reliable as compared to the existing systems.
- The web portal is developed which provide real time data of air quality which further helps to compute Air Quality Index (AQI), since time series data of 24 h is required to compute AQI.
- The proposed system provides predictions of air quality in next time stamps which helps to take preemptive actions timely. The existing air quality monitoring systems typically provide status of the air quality & generate alerts accordingly but generally do not provide prediction of air quality for next time instances.
2. Related Work
3. Proposed System
3.1. Selection of Indoor Air Quality Parameters
- Carbon Dioxide (CO) is considered an air pollutant because of its emissions from increasing number of vehicles on the road. It is a common greenhouse gas which can trap heat in the atmosphere and lead to increased temperatures. CO contributed by other sources can make its way indoors. In addition to this, the building occupants are the main source of exhaling this gas and can be detected with the help of the proposed system [27].
- Particulate Matter (PM) 2.5 is a term used for any particle the width of which is less than 2.5 microns. They are seemingly invisible to the naked eye but can travel further down into the lungs. The short term exposure can cause irritation to eyes and nose and the long term exposure can result in cardiovascular and respiratory diseases. During COVID-19 pandemic, it is important to detect PM 2.5 owing to its negative impact on pulmonary functions [28].
- Nitrogen Dioxide (NO): The long term exposure to NO levels can contribute to a decrease in lung function over time and can increase the risk of respiratory diseases. It has also been known to affect children more and can increase allergic response to the inhaled pollen. Due to the above mentioned reasons it is crucial to measure NO concentration especially during this pandemic [26].
- Carbon Monoxide (CO) is generated primarily when there is a combustible process and the oxygen is in limited amounts. This scenario is very common in households during winters when gas heaters are used. CO is a highly poisonous gas that can be fatal. Therefore, the monitoring of CO in real time can help to avoid unfortunate circumstances [30].
- Methane (CH) is a common constituent of natural gas and widely used for domestic purposes. Sometimes, due to lack of proper management, the gas pipes can leak and create dangerous circumstances which could lead to fire. The sensor used in the proposed system can provide real time data about the concentration of CH indoors.
- Humidity refers to the amount of water vapors in air. In indoor situations humidity can contribute to poor air quality. It supports the growth of microorganisms such as mold and different bacteria can thrive more in humid environment. As of today it is presumed that humidity levels beyond WHO recommendations may facilitate the transmission of COVID-19. For these reasons, it is important to monitor the air humidity indoors [31].
- Temperature: The higher air temperatures can influence the air quality in the sense that it can speed up different reactions that actually contribute to the already polluted air. The proposed system is using a temperature sensor to measure the air temperature in real time with fairly competitive accuracy [31].
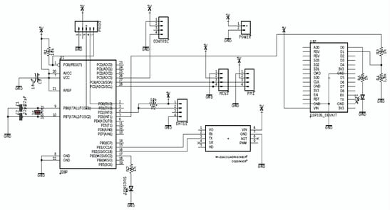
3.2. Development of Indoor Ambient Sensing Node
3.2.1. Sensors
- Grove—Multichannel Gas Sensor: This is a multiple gas sensor that can sense several gases including Carbon Monoxide, Ammonia, Nitrogen Dioxide, and Methane. The concentration of gases is provided in parts per million [32]. This sensor is calibrated using the code provide by the manufacturer (SeeedStudio.com) where sensor is placed in fresh air for almost 30 min as per the given instructions.
- MH-Z19: This sensor is developed by Winsen Sensors and can detects the concentration of Carbon Dioxide in parts per million [33]. This sensor is calibrated by placing it in the open air (CO approx.: 400 ppm) for 20 min and sending commands given in the sensor’s datasheet.
- DHT11: This is a sensor commonly available based on a thermistor and a humidity sensing resistive element. It is used to monitor ambient temperature and humidity [34]. To calibrate this sensor, the temperature & humidity values are measured in an environment with known temperature and humidity and then the offset are computed by comparing the observed values with the true values.
- HM3301 Laser PM 2.5 Sensor: This is an optical sensor that uses the diffraction of laser light in order to calculate the concentration of PM 2.5 in the environment around it [35]. This sensor does not require calibration due to its built-in compensation for temperature and humidity as discussed in Reference [36]
3.2.2. Micro-Controller and Communication Module
- ATmega328P: This micro-controller is selected owing to its low cost, easy availability, and popularity of Arduino development boards. It is a 28-pin micro-controller that runs on 16 MHz external clock which is amply sufficient for our application [37].
- NodeMCU WiFi Chip: NodeMCU is selected as the WiFi chip of choice for the communication of the device with the internet. The micro-controller gathers data from all the sensors and relays it over the WiFi chip which then uploads it to the web portal.
3.2.3. PCB Designing and Development
3.3. Development of Web Portal and Mobile App for Data Visualization
4. Methodology
4.1. Data Acquisition
4.2. Data Visualization and Analysis
- Carbon Dioxide (CO): It is known that CO is exhaled by humans and since the lab is a closed environment, the concentration of CO varied greatly depending on the time of the day and the number of people in the room. Figure 7 shows the variation in the concentration of CO in the lab over the period of 24 h.Typically, the lab remains open from 8 AM to 8 PM and closed afterwards. The concentration of CO changed with the presence of one or more occupants, which raised the concentration of CO from 9 AM to 7 PM as shown in Figure 7. However, the lab is occasionally opened for visitors to see the projects demos of the active projects. In one such event, there were more than 8 people in the lab, which triggered the concentration of CO into unsafe range as shown in Figure 7 from 4 PM to 5 PM. In contrast to this, the concentration of CO remains constant from the 8 PM to 9 AM which lies in the safe range due to absence of the occupants.
- Carbon Monoxide (CO): The concentration of CO is close to 0.9 ppm at all times, which attributed to the safe range of air quality spectrum. The variation in concentration overtime shown is in the Figure 8.
- Nitrogen Dioxide (NO): From the data acquired, it is observed that the values of NO are consistently above 2 ppm. It is pertinent to mention that the indoor presence of NO is the result of both infiltration of ambient NO and NO produced by combustion sources within the building. The major potential indoor source of NO in the lab is building central heating system or HVAC systems. The NO emissions are minimal from the heating systems if it is properly vented and emitted gases are exhausted effectively outside. However, these emissions may become prominent if the ventilation is poor, which is the case in the lab as well. Additionally, the heating systems are not regularly maintained and cleaned, which leads to increased NO emissions.
- Methane (CH): Since there is no source of CH nearby the lab, the values for CH are consistently below 2.0 ppm with ranges from 1.11 ppm to 2.5 ppm as shown in Figure 10. These values are considered safe for human consumption. Typically, the indoor sources of CH are water heaters, stoves, and clothes dryers which are combustible by natural gas.
- Particulate Matter (PM2.5): PM 2.5 is a crucial parameter for monitoring the air quality and its value typically depends on the anthropogenic activities and weather conditions. The Figure 11 shows the high concentration of PM 2.5 from 8 AM to 12 PM when the lab cleaning activities are performed. It is observable that such an activity has set the micro particles afloat and has increased the concentration of PM 2.5. After a while, as the lab became a closed environment again and there is no such activity, the concentration of PM 2.5 lowered as shown in Figure 11 from 12 PM to 6 PM.
4.3. Classification of Indoor Air Quality
4.3.1. Data Pre-Processing
4.3.2. Classification
- Support Vector Machine (SVM): SVM is large margin classifier which uses some kernel function to classify the data. In the current scenario, the kernel function ‘Radial basis function’ is selected for classification.
- K-Nearest Neighbour (KNN): KNN is another classification algorithm which uses some similarity measure to find distance between records belonging to different classes. In KNN, ‘K’ is hyper-parameter that is selected on hit and trial method. For the data-set used in this research work, K is set to 4 for optimal results and euclidean distance is used as a similarity measure.
- Naive Bayes (NB): The NB is a supervised classification algorithm which classify the records using ‘Bayes Theorem’ based on probabilities.
- Neural Network (NN): NN is a very popular machine learning algorithms which is used for prediction and classification. NN with one hidden layer containing 10 hidden nodes is applied on the labeled data. The activation function on hidden layer is ‘Tanh’ and activation function on output layer is ‘softmax’ with loss function selected as ‘cross entropy’; which are computed by Equations (1)–(3) respectively [41,42].where N: total number of records
- : Actual label (ground truth) of record
- : Predicted value of record computed by a classifier.
4.4. Prediction of Indoor Air Quality
5. Results and Discussion
5.1. Classification Results of Indoor Air Quality
5.2. Predictive Analytic of Indoor Air Quality
5.2.1. Prediction of CO
5.2.2. Prediction of CO
5.2.3. Prediction of NO
5.2.4. Prediction of PM 2.5
5.2.5. Prediction of Air Temperature and Relative Humidity
5.2.6. Prediction of Indoor Ambient Quality Based on the Collective Effect of Air Pollutants
6. Conclusions and Future Work
Author Contributions
Funding
Data Availability Statement
Conflicts of Interest
Appendix A

References
- AVtec Smart Solutions, Indoor Air Is not Coronavirus-Ready. 2020. Available online: https://www.avtec.co.za/covid-19 (accessed on 11 May 2020).
- Gardiner, B. Pollution Made COVID-19 Worse. Now, Lockdowns Are Clearing the Air. Available online: https://www.nationalgeographic.com/science/2020/04/pollution-made-the-pandemic-worse-but-lockdowns-clean-the-sky (accessed on 8 April 2020).
- Friedman, L. New Research Links Air Pollution to Higher Coronavirus Death Rates. Available online: https://www.nytimes.com/2020/04/07/climate/air-pollution-coronavirus-covid.html (accessed on 17 April 2020).
- Frontera, A.; Cianfanelli, L.; Vlachos, K.; Landoni, G.; Cremona, G. Severe air pollution links to higher mortality in COVID-19 patients: The “double-hit” hypothesis. J. Infect. 2020, 81, 255–259. [Google Scholar] [CrossRef] [PubMed]
- Air Pollution Likely to Make Coronavirus Worse, Say UK Government Advisers. Available online: https://www.theguardian.com/environment/2020/jul/01/air-pollution-likely-to-make-coronavirus-worse-say-uk-experts (accessed on 1 July 2020).
- Hornyak, T. Air Pollution Can Worsen the Death Rate from COVID-19. Available online: https://eos.org/articles/air-pollution-can-worsen-the-death-rate-from-covid-19 (accessed on 10 April 2020).
- AirQNexus, IQNexus, Indoor Air Quality. 2020. Available online: https://iqnexus.com/solutions/indoor-air-quality (accessed on 11 May 2020).
- Indoor Air Quality COVID-19 Facts, 6 April 2020. Available online: https://www.co2meter.com/blogs/news/indoor-air-quality-covid-19-facts (accessed on 11 May 2020).
- Residential Indoor Air Quality Guideline: Nitrogen Dioxide, 26 November 2015. Available online: https://www.canada.ca/en/health-canada/services/publications/healthy-living/residential-indoor-air-quality-guideline-nitrogen-dioxide.html (accessed on 11 May 2020).
- Hamdan, N.M.; Alawadhi, H.; Jisrawi, N.; Shameer, M. Size-resolved analysis of fine and ultrafine fractions of indoor particulate matter using energy dispersive X-ray fluorescence and electron microscopy. X-ray Spectrom. 2018, 47, 72–78. [Google Scholar] [CrossRef]
- Council, N.R. Monitoring and Modeling of Indoor Air Pollution. In Indoor Pollutants; National Academies Press (US): Washington, WA, USA, 1981. [Google Scholar]
- Cincinelli, A.; Martellini, T. Indoor air quality and health. Int. J. Environ. Res. Public Health 2017, 14, 1286. [Google Scholar] [CrossRef] [PubMed]
- Saini, J.; Dutta, M.; Marques, G. A comprehensive review on indoor air quality monitoring systems for enhanced public health. Sustain. Environ. Res. 2020, 30, 1–12. [Google Scholar] [CrossRef]
- Marques, G.; Pitarma., R. Indoor Air Quality Monitoring for Enhanced Healthy Buildings. In Indoor Environmental Quality; IntechOpen: London, UK, 2018; pp. 1–18. [Google Scholar] [CrossRef]
- Mokrani, H.; Lounas, R.; Bennai, M.T.; Salhi, D.E.; Djerbi, R. Air Quality Monitoring Using IoT: A Survey. In Proceedings of the IEEE International Conference on Smart Internet of Things (SmartIoT), Tianjin, China, 9–11 August 2019; pp. 127–134. [Google Scholar]
- Salonen, H.; Salthammer, T.; Morawska, L. Human exposure to NO2 in school and office indoor environments. Environ. Int. 2019, 130, 1–12. [Google Scholar] [CrossRef] [PubMed]
- Air Quality Guidelines—Global Update. 2005. Available online: https://www.who.int/airpollution/publications/aqg2005/en/ (accessed on 12 December 2020).
- Pitarma, R. Monitoring Indoor Air Quality for Enhanced Occupational Health. J. Med. Syst. 2017, 41, 1–17. [Google Scholar] [CrossRef] [PubMed]
- Jo, J.H.; Jo, B.W.; Kim, J.H.; Kim, S.J.; Han, W.Y. Development of an IoT-Based Indoor Air Quality Monitoring Platform. J. Sens. Hindawi 2020, 1–14. [Google Scholar] [CrossRef]
- Marques, G.; Pitarma, R. Non-contact Infrared Temperature Acquisition System based on Internet of Things for Laboratory Activities Monitoring. Procedia Comput. Sci. 2019, 155, 487–494. [Google Scholar] [CrossRef]
- Marques, G.; Pitarma, R. An Internet of Things-Based Environmental Quality Management System to Supervise the Indoor Laboratory Conditions. Appl. Sci. 2019, 9, 438. [Google Scholar] [CrossRef]
- Lounas, R.; Salhi, D.E.; Mokrani, H.; Djerbi, R.; Bennai, M.T. Towards a Smart Data Transmission Strategy for IoT Monitoring Systems: Application to Air Quality Monitoring. In Proceedings of the International Conference on Theoretical and Applicative Aspects of Computer Science (ICTAACS), Skikda, Algeria, 15–16 December 2019; pp. 1–7. [Google Scholar] [CrossRef]
- Mc Grath, S.; Flanagan, C.; Zeng, L.; O’Leary, C. IoT Personal Air Quality Monitor. In Proceedings of the 31st Irish Signals and Systems Conference (ISSC), Letterkenny, Ireland, 11–12 June 2020; pp. 1–4. [Google Scholar]
- De Medeiros, H.P.L.; Girão, G. An IoT-based Air Quality Monitoring Platform. In Proceedings of the IEEE International Smart Cities Conference (ISC2), Piscataway, NJ, USA, 28 September–1 October 2020; pp. 1–6. [Google Scholar]
- Jason Plautz, Ammonia, A Poorly Understood Smog Ingredient, Could Be Key to Limiting Deadly Pollution. 2020. Available online: https://bit.ly/2B6rmBa (accessed on 11 March 2020).
- Green Facts, Air Pollution Nitrogen Dioxide. 2005. Available online: https://www.greenfacts.org/en/nitrogen-dioxide-no2/index.htm (accessed on 11 March 2020).
- Nunez, C. Climate 101: Air Pollution. 2020. Available online: https://www.nationalgeographic.com/environment/global-warming/pollution/ (accessed on 11 March 2020).
- NY Department of Health, Fine Particles (PM 2.5) Questions and Answers. 2020. Available online: https://www.health.ny.gov/environmental/indoors/air/pmq_a.htm (accessed on 11 March 2020).
- AirVisual Pro|IQAir. 2020. Available online: https://www.iqair.com/air-quality-monitors/airvisual-pro/features (accessed on 15 May 2020).
- Newyork State Government, Carbon Monoxide—The Silent Killer. 2020. Available online: https://www.health.ny.gov/publications/2826.pdf (accessed on 11 March 2020).
- Scott Sutherland, Humid Summer Days Are Compounding Our Smog Problems. 2018. Available online: https://bit.ly/2Vf0G8d (accessed on 11 March 2020).
- Grove Wiki, Grove—Multichannel Gas Sensor. 2020. Available online: http://wiki.seeedstudio.com/Grove-Multichannel_Gas_Sensor/ (accessed on 11 March 2020).
- Winsen Sensors, Intelligent Infrared CO2 Module. 2020. Available online: https://www.winsen-sensor.com/d/files/PDF/Infrared%20Gas%20Sensor/NDIR%20CO2%20SENSOR/MH-Z19%20CO2%20Ver1.0.pdf (accessed on 11 March 2020).
- Random Nerd Tutorials, DHT11 & DHT22 Sensors Temperature and Humidity Tutorial Using Arduino. 2020. Available online: https://randomnerdtutorials.com/complete-guide-for-dht11dht22-humidity-and-temperature-sensor-with-arduino// (accessed on 11 March 2020).
- Seeed Wiki, Laser PM2.5 Sensor (HM3301). 2020. Available online: http://wiki.seeedstudio.com/Grove-Laser_PM2.5_Sensor-HM3301/ (accessed on 11 March 2020).
- Trilles, S.; Vicente, A.B.; Juan, P.; Ramos, F.; Meseguer, S.; Serra, L. Reliability Validation of a Low-Cost Particulate Matter IoT Sensor in Indoor and Outdoor Environments Using a Reference Sampler. Sustainability 2019, 11, 7220. [Google Scholar] [CrossRef]
- Microchip, ATMega328P. 2020. Available online: https://www.microchip.com/wwwproducts/en/ATmega328P (accessed on 11 March 2020).
- Carbon Dioxide. 2014. Available online: https://www.dhs.wisconsin.gov/chemical/carbondioxide.htm (accessed on 20 December 2019).
- Rahul, M. National Air Quality Index. Available online: http://www.arthapedia.in/index.php?title=National_Air_Quality_Index (accessed on 17 October 2014).
- AQI Calculator. Available online: https://www.airnow.gov/aqi/aqi-calculator-concentration (accessed on 1 August 2020).
- Alon, G.; Kroese, D.P.; Raviv, T.; Rubinstein, R.Y. Application of the cross-entropy method to the buffer allocation problem in a simulation-based environment. Ann. Oper. Res. 2005, 134, 137–151. [Google Scholar] [CrossRef]
- Raschka, S.; Mirjalili, V. Python Machine Learning: Machine Learning and Deep Learning with Python, Scikit-Learn, and TensorFlow 2; Packt Publishing Ltd.: Birmingham, UK, 2019. [Google Scholar]
- Goodfellow, I.; Bengio, Y.; Courville, A. Deep Learning; MIT Press: Cambridge, MA, USA, 2016. [Google Scholar]
- sklearn MinMax Scaler. 2019. Available online: https://scikit-learn.org/stable/modules/generated/sklearn.preprocessing.MinMaxScaler.html (accessed on 11 March 2020).
- Raschka, S. Python Machine Learning; Packt Publishing Ltd.: Birmingham, UK, 2015. [Google Scholar]
- Willmott, C.J.; Robeson, S.M.; Matsuura, K. A refined index of model performance. Int. J. Climatol. 2012, 32, 2088–2094. [Google Scholar] [CrossRef]
- Carbon Monoxide Poisoning. 2019. Available online: https://www.health.harvard.edu/a_to_z/carbon-monoxide-poisoning-a-to-z (accessed on 11 June 2020).
- Carbon Monoxide (CO). 2020. Available online: https://www.environment.gov.au/protection/publications/factsheet-carbon-monoxide-co (accessed on 11 June 2020).
- Ogen, Y. Assessing nitrogen dioxide (NO2) levels as a contributing factor to coronavirus (COVID-19) fatality. Sci. Total Environ. 2020, 726, 1–5. [Google Scholar] [CrossRef] [PubMed]
- COVID-19 PM2.5 A National Study on Long-Term Exposure to Air Pollution and COVID-19 Mortality in the United States. 2020. Available online: https://projects.iq.harvard.edu/covid-pm/home (accessed on 9 June 2020).
- Sanità di Toppi, L.; Sanità di Toppi, L.; Bellini, E. Novel Coronavirus, How Atmospheric Particulate Affects Our Environment and Health. Challenges 2020, 11, 6. [Google Scholar] [CrossRef]
- Prata, D.N.; Rodrigues, W.; Bermejo, P.H. Temperature significantly changes COVID-19 transmission in (sub)tropical cities of Brazil. Sci. Total Environ. 2020, 729, 1–7. [Google Scholar] [CrossRef] [PubMed]
- Chan, K.H.; Peiris, J.M.; Lam, S.; Poon, L.; Yuen, K.; Seto, W.H. The Effects of Temperature and Relative Humidity on the Viability of the SARS Coronavirus. Adv. Virol. 2011, 2011, 1–8. [Google Scholar] [CrossRef] [PubMed]
- Pellegrini, T. Comparing SVM, Softmax, and shallow neural networks for eating condition classification. In Proceedings of the Sixteenth Annual Conference of the International Speech Communication Association, Dresden, Germany, 6–10 September 2015. [Google Scholar]
























| Model | Accuracy % | Precision % | Recall % | Score % |
|---|---|---|---|---|
| SVM | 95.35 | 95.1 | 94.9 | 94.99 |
| NB | 98.9 | 99 | 98 | 98.49 |
| KNN | 98.47 | 97.3 | 98.5 | 97.89 |
| NN | 99.1 | 99 | 99 | 99 |
| Gass | MAE | MSE | RMSE |
|---|---|---|---|
| CO | 0.05522181 | 0.00791775 | 0.08898173 |
| CO | 0.02109271 | 0.00187406 | 0.04329045 |
| NO | 0.02131099 | 0.00075064 | 0.02739786 |
| PM 2.5 | 0.11468725 | 0.01429022 | 0.11954172 |
| Temperature | 0.07548273 | 0.01136971 | 0.10662883 |
| Humidity | 0.07865122 | 0.01184788 | 0.10884799 |
| Gass | MAE | MSE | RMSE |
|---|---|---|---|
| CO | 0.09324657 | 0.01546322 | 0.12435118 |
| CO | 0.02422077 | 0.00755213 | 0.08690299 |
| NO | 0.13934513 | 0.03205927 | 0.17905103 |
| PM 2.5 | 0.12350263 | 0.01681033 | 0.12965467 |
| Temperature | 0.07542943 | 0.01125118 | 0.10607159 |
| Humidity | 0.06494383 | 0.00875947 | 0.09359205 |
Publisher’s Note: MDPI stays neutral with regard to jurisdictional claims in published maps and institutional affiliations. |
© 2021 by the authors. Licensee MDPI, Basel, Switzerland. This article is an open access article distributed under the terms and conditions of the Creative Commons Attribution (CC BY) license (http://creativecommons.org/licenses/by/4.0/).
Share and Cite
Mumtaz, R.; Zaidi, S.M.H.; Shakir, M.Z.; Shafi, U.; Malik, M.M.; Haque, A.; Mumtaz, S.; Zaidi, S.A.R. Internet of Things (IoT) Based Indoor Air Quality Sensing and Predictive Analytic—A COVID-19 Perspective. Electronics 2021, 10, 184. https://doi.org/10.3390/electronics10020184
Mumtaz R, Zaidi SMH, Shakir MZ, Shafi U, Malik MM, Haque A, Mumtaz S, Zaidi SAR. Internet of Things (IoT) Based Indoor Air Quality Sensing and Predictive Analytic—A COVID-19 Perspective. Electronics. 2021; 10(2):184. https://doi.org/10.3390/electronics10020184
Chicago/Turabian StyleMumtaz, Rafia, Syed Mohammad Hassan Zaidi, Muhammad Zeeshan Shakir, Uferah Shafi, Muhammad Moeez Malik, Ayesha Haque, Sadaf Mumtaz, and Syed Ali Raza Zaidi. 2021. "Internet of Things (IoT) Based Indoor Air Quality Sensing and Predictive Analytic—A COVID-19 Perspective" Electronics 10, no. 2: 184. https://doi.org/10.3390/electronics10020184
APA StyleMumtaz, R., Zaidi, S. M. H., Shakir, M. Z., Shafi, U., Malik, M. M., Haque, A., Mumtaz, S., & Zaidi, S. A. R. (2021). Internet of Things (IoT) Based Indoor Air Quality Sensing and Predictive Analytic—A COVID-19 Perspective. Electronics, 10(2), 184. https://doi.org/10.3390/electronics10020184

