A Study of Integrated Signal and Power Transfer for Compact Isolated SiC MOSFET Gate-Drivers
Abstract
1. Introduction
- Higher system efficiency due to lower switching and conduction losses, because the wider bandgap of SiC (compared to Si) implies smaller leakage currents
- A higher temperature operating range, which implies reduced cooling requirements (e.g., heat sink size); the SiC material thermal conductivity is three times larger than the one found for Si. Moreover, the thermal conductivity of 4H-SiC is higher than that of copper at room temperature, while additionally, its junction temperature can reach values up to 600 °C [1,16]. However, commercial SiC MOSFETs are still rated at 175 °C due to packaging and reliability limitations.
- A higher switching frequency capability, due to the possibility to reduce the required chip area of SiC around 65 times compared to that of the equivalent Si version for the same current levels. Consequently, a much smaller device parasitic capacitance can be provided [17], which yields achieving faster operation speeds (much higher dv/dt and di/dt), thus enabling a dramatic increase in the switching frequency (up to megahertz power converters are foreseen)
- Transient features of the power device, such as the turn-on, ton, and turn-off, toff, switching intervals, as well as the rise and fall time intervals, tr and tf, respectively, which are much faster than in the case of standard drivers for Si devices. Additionally, the propagation delays with increased switching frequency need to be considered in SiC-based power converters [20]. As a main requirement, the gate voltage of the SiC MOSFET must have a fast dv/dt to achieve fast switching times. This indicates that a very low impedance driver is necessary [28,29]. For instance, if an optocoupler is used, it must provide a high common mode transient immunity (CMTI) [29].
- Static features of the SiC MOSFET, such as the drain-to-source on-resistance, RDSon, that determines the gate-to-source voltage, vGSon, when the device is turned on.
- The required driving voltage levels for the power MOSFET; in case of an SiC driver, the most suitable values are defined as [20]:
- The total gate charge of the power device. This parameter is significantly lower in the case of SiC MOSFET.
- The parasitic capacitances of the power device. Some complexity is imposed by the turn-on and off events due to several nonlinear parasitic capacitances that affect the process. These capacitances depend on the operating conditions of the device. Moreover, these values are coupled with the conditions at the gate drive [17]. Therefore, the study of the switching waveforms in SiC is critical for understanding the requirements for the gate driver, particularly for very fast drivers [17]. However, the measurement and characterization of these components, specifically the SiC MOSFET capacitances, is not straightforward in most cases [30,31,32].
- Implementation and hardware design of the gate driver. These aspects determine key parameters such as the gate resistor, the parasitic inductances (dictated by the gate driver layout and connection to the gate terminals of the SiC MOSFET), which can cause false turn-on and turn-off instants during switching transitions, and increase switching losses and shoot-through related failures in the converter [33,34]. On this basis, a complete analysis of current-controlled and voltage-controlled drivers for SiC MOSFETs is presented in [3]. In particular, the trends for the gate driver and the protection circuitry are to integrate these features into a single-chip solution. In this case, the major challenges arise due to the resulting high di/dt and dv/dt. Additionally, the noise susceptibility is a critical issue in polluted electromagnetic (EM) environments [1]. The driver must be designed considering the relatively low parasitic values of inductance and capacitance that arise from the packaging conditions in SiC devices. This parasitic reduction requires that driving and sensing circuits must be as close as possible to the WBG switching devices. Some solutions propose such levels of integration [35,36].
2. Analysis of the Technical Literature in the State of the Art
2.1. Resistance of the Driver, RG
2.2. Parasitic Capacitances
2.3. Parasitic Gate Loop Inductor
2.4. Isolation Requeriments
2.5. Derivative of Voltages and Currents, dv/dt and di/dt
2.6. Tolerances
2.7. Packaging
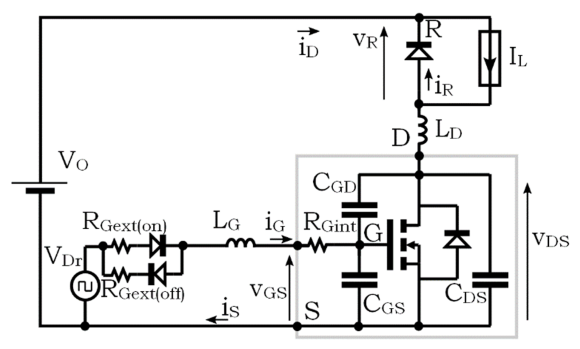
3. Description of the Driver Based on the Impulse Transformer
4. Main Characteristics of the Impulse Transformer
4.1. Implementation of the Working Principle
4.2. Characterization of the Impulse Transformer
4.3. Generation of the Output Votage Levels
4.4. Implementation of the Reconstructing Stage
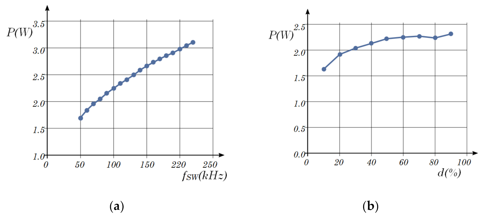
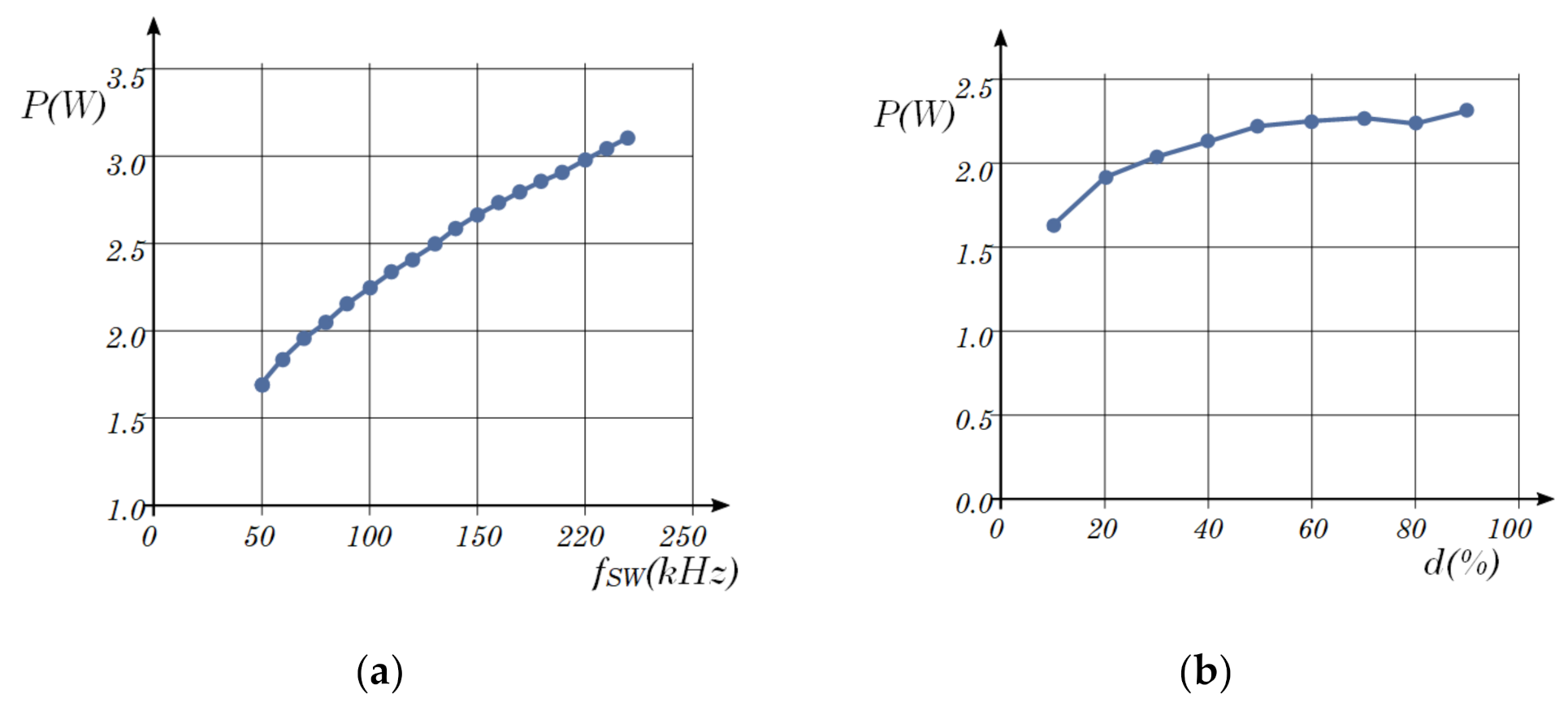
4.5. Circuit Modeling and Simulation Results
5. Experimental Validation of the Driver Based on the Impulse Transformer
5.1. Experimental Characterization of the Working Principle
5.2. Validation in a Laboratory Converter
5.3. Discussion and Conclusions of the Implementation of the Driver Based on the Impulse Transformer
6. Description of the Modulated Transformer
7. Main Characteristics of the Modulated Transformer
7.1. Implementation of the Working Principle
7.2. Implementation of the Oscillator and Modulator Stage
7.3. Characterization of the Transformers
7.4. Circuit Modeling and Simulation Results
8. Experimental Validation of the Modulated Driver
Experimental Characterization of the Working Principle
9. Description of the Bilevel Amplitude-Modulated Driver
10. Main Characteristics of the Bilevel AM Driver
10.1. Implementation of the Working Principle
10.2. Synchronization Block
10.3. Characterization of the Transformers
10.4. Circuit Modeling and Simulation Results
11. Experimental Validation of the Modulated Driver
11.1. Experimental Characterization of the Working Principle
11.2. Validation in a Laboratory Converter
11.3. Main Conslusions and Discussion on the Bilevel AM Driver
12. Comparison of Results for the Three Solutions Investigated
12.1. Main Operational Features
12.2. Additional Electrical Features
12.3. Implementation Aspects
13. Conclusions
Author Contributions
Funding
Data Availability Statement
Conflicts of Interest
References
- Mantooth, H.A.; Glover, M.D.; Shepherd, P. Wide Bandgap Technologies and Their Implications on Miniaturizing Power Electronic Systems. IEEE J. Emerg. Sel. Top. Power Electron. 2014, 2, 374–385. [Google Scholar] [CrossRef]
- Palmour, J.W. Energy Efficient Wide Bandgap Devices. In Proceedings of the 2006 IEEE Compound Semiconductor Integrated Circuit Symposium, San Antonio, TX, USA, 12–15 November 2006; pp. 4–7. [Google Scholar] [CrossRef]
- Musumeci, S. Gate charge control of high-voltage Silicon-Carbide (SiC) MOSFET in power converter applications. In Proceedings of the 2015 International Conference on Clean Electrical Power (ICCEP), Taormina, Italy, 16–18 June 2015; pp. 709–715. [Google Scholar]
- Rice, J.; Mookken, J. SiC MOSFET gate drive design considerations. In Proceedings of the 2015 IEEE International Workshop on Integrated Power Packaging (IWIPP), Chicago, IL, USA, 3–6 May 2015; pp. 24–27. [Google Scholar]
- Kaminski, N. State of the Art and Future of Wide Band-Gap Devices. In Proceedings of the 2009 13th European Conference on Power Electronics and Applications, Barcelona, Spain, 8–10 September 2009. [Google Scholar]
- Lidow, A.; Strydom, J.; de Rooij, M.; Ma, Y. GaN Transistors for Efficient Power Conversion; John Wiley & Sons: Hoboken, NJ, USA, 2012; Chapter 5. [Google Scholar]
- Baliga, B.J. Semiconductors for high-voltage, vertical channel field-effect transistors. J. Appl. Phys. 1982, 53, 1759–1764. [Google Scholar] [CrossRef]
- Lidow, A. Is It the End of the Road for Silicon in Power Conversion? Available online: http://epc-co.com/epc/documents/product-training (accessed on 10 November 2020).
- Buttay, C.; Planson, D.; Allard, B.; Bergogne, D.; Bevilacqua, P.; Joubert, C.; Lazar, M.; Martin, C.; Morel, H.; Tournier, D.; et al. State of the art of high temperature power electronics. Mater. Sci. Eng. B 2011, 176, 283–288. [Google Scholar] [CrossRef]
- Millan, J.; Godignon, P.; Perpina, X.; Perez-Tomas, A.; Rebollo, J. A Survey of Wide Bandgap Power Semiconductor Devices. IEEE Trans. Power Electron. 2014, 29, 2155–2163. [Google Scholar] [CrossRef]
- Lidow, A.; Strydom, J. Gallium Nitride (GaN) Technology Overview; White Paper WP001; European Publishers Council: Bruxelles, Belgium, 2012. [Google Scholar]
- Gaska, R.; Yang, J.W.; Chen, Q.; Khan, A.; Orlov, A.O.; Snider, G.L.; Shur, M.S. Electron transport in AlGaN-GaN heterostructures grown on 6H-SiC substrates. App. Phys. Lett. 1998, 72, 707–709. [Google Scholar] [CrossRef]
- Song, X.; Ni, A.Q.H.X.; Zhang, L. Comparative evaluation of 6kV Si and SiC power devices for medium voltage power electronics applications. In Proceedings of the 2015 IEEE 3rd Workshop on Wide Bandgap Power Devices and Applications (WiPDA), Blacksburg, VA, USA, 2–4 November 2015; pp. 150–155. [Google Scholar]
- Chalker, P.R. Wide band-gap semiconductor: How good is diamond? In Proceedings of the IEEE Colloquium on Diamond in Electronics and Optics, London, UK, 4 November 1993; pp. 1/1–1/3. [Google Scholar]
- Roussel, P. SiC Market and Industry Update; Int. SiC Power Electron. Appl. Workshop: Kista, Sweden, 2011. [Google Scholar]
- Vaculik, P. The properties of SiC in comparison with Si semiconductor devices. In Proceedings of the 2013 International Conference on Applied Electronics (AE), Pilsen, Czech Republic, 10–12 September 2013; pp. 1–4. [Google Scholar]
- Li, X.; Zhang, L.; Guo, S.; Lei, Y.; Huang, A.Q.; Zhang, B.; Xuan, L.; Liqi, Z.; Suxuan, G.; Yang, L.; et al. Understanding switching losses in SiC MOSFET: Toward lossless switching. In Proceedings of the 2015 IEEE 3rd Workshop on Wide Bandgap Power Devices and Applications (WiPDA), Blacksburg, VA, USA, 2–4 November 2015; pp. 257–262. [Google Scholar]
- Hernando, M.; Sebastian, J.; Villegas, P.; Fernandez, A.; García, J.; Rascon, M. Comparing Si and SiC diodes performance in a commercial AC-to-DC rectifier with power factor correction. In Proceedings of the IEEE 34th Annual Conference on Power Electronics Specialist, PESC ’03, Acapulco, Mexico, 15–19 June 2003; Volume 4, pp. 1979–1983. [Google Scholar]
- Bindra, A. Recent Advances in Gate Driver Integrated Circuits for Wide-Bandgap FETs: Manufacturers introduce gate drivers for squeezing the best performance out of WBG devices. IEEE Power Electron. Mag. 2019, 6, 32–38. [Google Scholar] [CrossRef]
- Texas Instruments. IGBT & SiC Gate Driver Fundamentals. Available online: http://ti.com/sic2019 (accessed on 10 January 2021).
- Johnson, M.; Wilson, P.R.; Empringham, L.; Lillo, L.D. IEEE ITRW working group position paper-packaging and integration: Unlocking the full potential of wide-bandgap devices. IEEE Power Electron. Mag. 2018, 5, 26–33. [Google Scholar] [CrossRef]
- Huang, A.Q. Power semiconductor devices for smart grid and renewable energy systems. Proc. IEEE 2017, 105, 1–29. [Google Scholar] [CrossRef]
- Qin, H.; Mo, Y.; Xun, Q.; Zhang, Y.; Dong, Y. A Digital-Controlled SiC-Based Solid State Circuit Breaker with Soft Switch-Off Method for DC Power System. Electronics 2019, 8, 837. [Google Scholar] [CrossRef]
- Wang, Z.; Shi, X.; Xue, Y.; Tolbert, L.M.; Wang, F.; Blalock, B.J. Design and Performance Evaluation of Overcurrent Protection Schemes for Silicon Carbide (SiC) Power MOSFETs. IEEE Trans. Ind. Electron. 2014, 61, 5570–5581. [Google Scholar] [CrossRef]
- Gurpinar, E.; Castellazzi, A. Single-Phase T-Type Inverter Performance Benchmark Using Si IGBTs, SiC MOSFETs and GaN HEMTs. IEEE Trans. Power Electron. 2015, 31, 7148–7160. [Google Scholar] [CrossRef]
- Yin, S.; Wu, Y.; Liu, Y.; Pan, X. Comparative Design of Gate Drivers with Short-Circuit Protection Scheme for SiC MOSFET and Si IGBT. Energies 2019, 12, 4546. [Google Scholar] [CrossRef]
- Sapre, S. Isolated Gate Drivers—What, Why, and How? Available online: https://www.analog.com/en/analog-dialogue/articles/isolated-gate-drivers-what-why-and-how.html (accessed on 11 January 2021).
- Callanan, B. SiC MOSFET Isolated Gate Driver: Cree, Inc. Document Library: Cree, Inc. REV B, 01. 12 2012. Available online: http://www.cree.com/search-results?&search=CPWR-AN10 (accessed on 20 December 2012).
- Chen, H.; Divan, D. High speed switching issues of high power rated silicon-carbide devices and the mitigation methods. In Proceedings of the 2015 IEEE Energy Conversion Congress and Exposition (ECCE), Montreal, QC, Canada, 20–24 September 2015; pp. 2254–2260. [Google Scholar]
- Song, X.; Huang, A.Q.; Lee, M.; Wang, G. A dynamic measurement method for parasitic capacitances of high voltage SiC MOSFETs. In Proceedings of the 2015 IEEE Energy Conversion Congress and Exposition (ECCE), Montreal, QC, Canada, 20–24 September 2015; pp. 935–941. [Google Scholar]
- Tong, C.F.; Nawawi, A.; Liu, Y.; Yin, S.; Tseng, K.J.; Liu, Y.; See, K.Y.; Sakanova, A.; Simanjorang, R.; Gajanayake, C.J.; et al. Challenges in switching waveforms measurement for a high-speed switching module. In Proceedings of the 2015 IEEE Energy Conversion Congress and Exposition (ECCE), Montreal, QC, Canada, 20–24 September 2015; pp. 6175–6179. [Google Scholar]
- Saadeh, O.; Al-Hmoud, A.; Dalala, Z. Characterization Circuit, Gate Driver and Fixture for Wide-Bandgap Power Semiconductor Device Testing. Electronics 2020, 9, 703. [Google Scholar] [CrossRef]
- Li, H.; Munk-Nielsen, S. Detail study of SiC MOSFET switching characteristics. In Proceedings of the 2014 IEEE 5th International Symposium on Power Electronics for Distributed Generation Systems (PEDG), Galway, Ireland, 24–27 June 2014; pp. 1–5. [Google Scholar] [CrossRef]
- Zeng, Z.; Li, X. Comparative Study on Multiple Degrees of Freedom of Gate Drivers for Transient Behavior Regulation of SiC MOSFET. IEEE Trans. Power Electron. 2018, 33, 8754–8763. [Google Scholar] [CrossRef]
- Wang, Z.; Shi, X.; Tolbert, L.M.; Wang, F.; Liang, Z.; Costinett, D.; Blalock, B.J. A High Temperature Silicon Carbide mosfet Power Module With Integrated Silicon-On-Insulator-Based Gate Drive. IEEE Trans. Power Electron. 2015, 30, 1432–1445. [Google Scholar] [CrossRef]
- Wang, P.; Gao, F.; Jing, Y.; Hao, Q.; Li, K.; Zhao, H. An Integrated Gate Driver with Active Delay Control Method for Series Connected SiC MOSFETs. In Proceedings of the 2018 IEEE 19th Workshop on Control and Modeling for Power Electronics (COMPEL), Padova, Italy, 25–25 June 2018; pp. 1–6. [Google Scholar]
- Bhattacharya, S. Wide-band Gap (WBG) WBG devices enabled MV power converters for utility applications 2014; Opportunities and challenges. In Proceedings of the 2014 IEEE Workshop on Wide Bandgap Power Devices and Applications (WiPDA), Knoxville, TN, USA, 13–15 October 2014; pp. 1–125. [Google Scholar]
- Kreutzer, O.; Eckardt, B.; Maerz, M. Optimum gate driver design to reach SiC-MOSFET’s full potential—Speeding up to 200 kV/s. In Proceedings of the 2015 IEEE 3rd Workshop on Wide Bandgap Power Devices and Applications (WiPDA), Blacksburg, VA, USA, 2–4 November 2015; pp. 41–46. [Google Scholar]
- Balcells, J.; Bogónez-Franco, P. Effect of driver to gate coupling circuits on EMI produced by SiC MOSFETS. In Proceedings of the 2013 International Symposium on Electromagnetic Compatibility (EMC EUROPE), Bruges, Belgium, 5–9 August 2013; pp. 209–214. [Google Scholar]
- Balcells, J.; Mon, J.; Lamich, M.; Laguna, A.; Gonzalez, J.M. Improvement of driver to gate coupling circuits for SiC MOSFETS. In Proceedings of the 2014 IEEE 23rd International Symposium on Industrial Electronics (ISIE), Istanbul, Turkey, 1–4 June 2014; pp. 521–525. [Google Scholar]
- Yin, S.; Tseng, K.J.; Tong, C.F.; Simanjorang, R.; Gajanayake, C.J.; Nawawi, A.; Liu, Y.; Liu, Y.; See, K.Y.; Sakanova, A.; et al. Gate driver optimization to mitigate shoot-through in high-speed switching SiC half bridge module. In Proceedings of the 2015 IEEE 11th International Conference on Power Electronics and Drive Systems, Sydney, Australia, 9–12 June 2015; pp. 484–491. [Google Scholar]
- Chen, J.; Li, Y.; Liang, M. A Gate Driver Based on Variable Voltage and Resistance for Suppressing Overcurrent and Overvoltage of SiC MOSFETs. Energies 2019, 12, 1640. [Google Scholar] [CrossRef]
- Chen, J.; Du, X.; Luo, Q.; Zhang, X.; Sun, P.; Zhou, L. A Review of Switching Oscillations of Wide Bandgap Semiconductor Devices. IEEE Trans. Power Electron. 2020, 35, 13182–13199. [Google Scholar] [CrossRef]
- Mermet-Guyennet, M.; Castellazzi, A.; Fabre, J.; Fabre, J.; Ladoux, P. Electrical Analysis and Packaging Solutions for High-Current Fast-Switching SiC Components. In Proceedings of the 2012 7th International Conference on Integrated Power Electronics Systems (CIPS), Nuremberg, Germany, 6–8 March 2012; pp. 1–6. [Google Scholar]
- Collier, L.; Kajiwara, T.; Dickens, J.; Mankowski, J.; Neuber, A.A. Fast SiC Switching Limits for Pulsed Power Applications. IEEE Trans. Plasma Sci. 2019, 47, 5306–5313. [Google Scholar] [CrossRef]
- Qin, H.; Zhao, B.; Xu, W.; Wen, J.; Yan, Y. Evaluation of performance improvement of Silicon Carbide MOSFETs based DC-DC converter. In Proceedings of the 7th International Power Electronics and Motion Control Conference, Harbin, China, 2–5 June 2012; Volume 2, pp. 889–894. [Google Scholar]
- Zhang, Z.; Zhang, W.; Wang, F.; Tolbert, L.M.; Blalock, B.J. Analysis of the switching speed limitation of wide band-gap devices in a phase-leg configuration. In Proceedings of the 2012 IEEE Energy Conversion Congress and Exposition (ECCE), Raleigh, NC, USA, 15–20 September 2012; pp. 3950–3955. [Google Scholar]
- Zhang, Z.; Wang, F.; Tolbert, L.M.; Blalock, B.J.; Costinett, D.J. Active gate driver for fast switching and cross-talk suppression of SiC devices in a phase-leg configuration. In Proceedings of the 2015 IEEE Applied Power Electronics Conference and Exposition (APEC), Manila, Philippines, 18–19 November 2015; pp. 774–781. [Google Scholar]
- Zhang, Z.; Dix, J.; Wang, F.F.; Blalock, B.J.; Costinett, D.; Tolbert, L.M. Intelligent Gate Drive for Fast Switching and Crosstalk Suppression of SiC Devices. IEEE Trans. Power Electron. 2017, 32, 9319–9332. [Google Scholar] [CrossRef]
- Liu, S.; Lin, H.; Wang, T.; Liu, C. Design of Drive Parameters Considering Crosstalk Suppression for SiC MOSFET Applications. In Proceedings of the 2019 IEEE Energy Conversion Congress and Exposition (ECCE), Baltimore, MD, USA, 29 September–3 October 2019; pp. 3281–3286. [Google Scholar]
- Liu, C.; Zhang, Z.; Liu, Y.; Si, Y.; Lei, Q. Smart Self-Driving Multilevel Gate Driver for Fast Switching and Crosstalk Suppression of SiC MOSFETs. IEEE J. Emerg. Sel. Top. Power Electron. 2020, 8, 442–453. [Google Scholar] [CrossRef]
- ACPL-4800 Intelligent Power Module and Gate Drive Interface Optocoupler (277 KB). Available online: http://www.avagotech.com/docs/AV01-0193EN (accessed on 5 May 2016).
- Riazmontazer, H.; Mazumder, S.K. Optically Switched-Drive-Based Unified Independent dv/dt and di/dt Control for Turn-Off Transition of Power MOSFETs. IEEE Trans. Power Electron. 2015, 30, 2338–2349. [Google Scholar] [CrossRef]
- Velander, E.; Kruse, L.; Nee, H.-P. Optimal switching of SiC lateral MOSFETs. In Proceedings of the 2015 17th European Conference on Power Electronics and Applications (EPE’15 ECCE-Europe), Geneva, Switzerland, 8–10 September 2015; pp. 1–10. [Google Scholar]
- Li, C.; Lu, Z.; Chen, Y.; Li, C.; Luo, H.; Li, W.; He, X. High Off-State Impedance Gate Driver of SiC MOSFETs for Crosstalk Voltage Elimination Considering Common-Source Inductance. IEEE Trans. Power Electron. 2019, 35, 2999–3011. [Google Scholar] [CrossRef]
- Gao, F.; Zhou, Q.; Wang, P.; Zhang, C. A Gate Driver of SiC MOSFET for Suppressing the Negative Voltage Spikes in a Bridge Circuit. IEEE Trans. Power Electron. 2018, 33, 2339–2353. [Google Scholar] [CrossRef]
- Wang, G.; Mookken, J.; Rice, J.; Schupbach, M. Dynamic and static behavior of packaged silicon carbide MOSFETs in paralleled applications. In Proceedings of the 2014 IEEE Applied Power Electronics Conference and Exposition—APEC 2014, Beijing, China, 10–12 November 2014; pp. 1478–1483. [Google Scholar]
- Li, H.; Munk-Nielsen, S.; Pham, C.; Beczkowski, S. Circuit mismatch influence on performance of paralleling silicon carbide MOSFETs. In Proceedings of the 2014 16th European Conference on Power Electronics and Applications, Lappeenranta, Finland, 26–28 August 2014; pp. 1–8. [Google Scholar]
- Sadik, D.-P.; Colmenares, J.; Peftitsis, D.; Lim, J.-K.; Rabkowski, J.; Nee, H.-P. Experimental investigations of static and transient current sharing of parallel-connected silicon carbide MOSFETs. In Proceedings of the 2013 15th European Conference on Power Electronics and Applications (EPE), Lille, France, 3–5 September 2013; pp. 1–10. [Google Scholar]
- Chen, Z.; Burgos, R.; Boroyevich, D.; Wang, F.; Leslie, S. Modeling and simulation of 2 kV 50 A SiC MOSFET/JBS power modules. In Proceedings of the 13th European Conference on Power Electronics and Applications, 2009, EPE ’09, Barcelona, Spain, 8–10 September 2009; pp. 1–10. [Google Scholar]
- Wu, X.; Cheng, S.; Xiao, Q.; Sheng, K. A 3600 V/80 A Series--Parallel-Connected Silicon Carbide MOSFETs Module with a Single External Gate Driver. IEEE Trans. Power Electron. 2014, 29, 2296–2306. [Google Scholar] [CrossRef]
- Raszmann, E.; Sun, K.; Burgos, R.; Cvetkovic, I.; Wang, J.; Boroyevich, D. Voltage Balancing of Four Series-Connected SiC MOSFETs under 2 kV Bus Voltage using Active dv/dt Control. In Proceedings of the 2019 IEEE Energy Conversion Congress and Exposition (ECCE), Baltimore, MD, USA, 29 September–3 October 2019; pp. 6666–6672. [Google Scholar]
- Lee, I.; Yue, L.; Yao, X. Voltage Balancing Control with Active Gate Driver for Series Connected SiC MOSFETs. In Proceedings of the 2019 IEEE Energy Conversion Congress and Exposition (ECCE), Baltimore, MD, USA, 29 September–3 October 2019; pp. 3235–3239. [Google Scholar]
- Marzoughi, A.; Burgos, R.; Boroyevich, D. Active Gate-Driver With dv/dt Controller for Dynamic Voltage Balancing in Series-Connected SiC MOSFETs. IEEE Trans. Ind. Electron. 2019, 66, 2488–2498. [Google Scholar] [CrossRef]
- Pawaskar, V.U.; Gohil, G. Closed Loop dv/dt Control for Equal Voltage Sharing between Series Connected SiC MOSFETs. In Proceedings of the 2019 IEEE Energy Conversion Congress and Exposition (ECCE), Baltimore, MD, USA, 29 September–3 October 2019; pp. 3303–3310. [Google Scholar]
- Ericson, N.; Frank, S.; Britton, C.; Marlino, L.; Ryu, S.-H.; Grider, D.; Mantooth, A.; Francis, M.; Lamichhane, R.; Mudholkar, M.; et al. A 4H Silicon Carbide Gate Buffer for Integrated Power Systems. IEEE Trans. Power Electron. 2013, 29, 539–542. [Google Scholar] [CrossRef]
- Valle-Mayorga, J.A.; Rahman, A.; Mantooth, H.A. A SiC NMOS Linear Voltage Regulator for High-Temperature Applications. IEEE Trans. Power Electron. 2013, 29, 2321–2328. [Google Scholar] [CrossRef]
- Yamaguchi, K.; Katsura, K. Research on optimization design of high efficient low noise SiC-MOSFETs inverters. In Proceedings of the 2015 9th International Conference on Power Electronics and ECCE Asia (ICPE-ECCE Asia), Seoul, Korea, 2–4 June 2015; pp. 1442–1448. [Google Scholar]
- Yamaguchi, K.; Sasaki, Y.; Imakubo, T. Low loss and low noise gate driver for SiC-MOSFET with gate boost circuit. In Proceedings of the IECON 2014—40th Annual Conference of the IEEE Industrial Electronics Society, Dallas, TX, USA, 29 October–1 November 2014; pp. 1594–1598. [Google Scholar]
- Yamaguchi, K.; Katsura, K.; Yamada, T.; Sato, Y. Comprehensive study on gate driver for SiC-MOSFETs with gate boost. IEEJ J. Ind. Appl. 2018, 7, 218–228. [Google Scholar] [CrossRef]
- Vrtovec, R.; Trontelj, J. SiC MOSFETs in automotive motor drive applications and integrated driver circuit. In Proceedings of the 2014 29th International Conference on Microelectronics Proceedings—MIEL 2014, Belgrade, Serbia, 12–14 May 2014; pp. 424–430. [Google Scholar]
- Guo, S.; Zhang, L.; Lei, Y.; Li, X.; Xue, F.; Yu, W.; Huang, A.Q. 3.38 Mhz operation of 1.2kV SiC MOSFET with integrated ultra-fast gate drive. In Proceedings of the 2015 IEEE 3rd Workshop on Wide Bandgap Power Devices and Applications (WiPDA), Blacksburg, VA, USA, 2–4 November 2015; pp. 390–395. [Google Scholar]
- Lamichhane, R.R.; Ericsson, N.; Frank, S.; Britton, C.; Marlino, L.; Mantooth, A.; Francis, M.; Shepherd, P.; Glover, M.; Perez, S.; et al. A wide bandgap silicon carbide (SiC) gate driver for high-temperature and high-voltage applications. In Proceedings of the 2014 IEEE 26th International Symposium on Power Semiconductor Devices & IC’s (ISPSD), Waikoloa, HI, USA, 15–19 June 2014; pp. 414–417. [Google Scholar]
- Camacho, A.P.; Sala, V.; Ghorbani, H.; Martinez, J.L.R. A Novel Active Gate Driver for Improving SiC MOSFET Switching Trajectory. IEEE Trans. Ind. Electron. 2017, 64, 9032–9042. [Google Scholar] [CrossRef]
- Acharya, S.; She, X.; Tao, F.; Frangieh, T.; Todorovic, M.H.; Datta, R. Active gate driver for SiC MOSFET based PV inverter with enhanced operating range. In Proceedings of the 2018 IEEE Applied Power Electronics Conference and Exposition (APEC), Port Moresby, Papua New Guinea, 17–18 November 2018; pp. 3230–3237. [Google Scholar] [CrossRef]
- Lee, I.; Yao, X. Active gate control for series connected SiC MOSFETs. In Proceedings of the 2019 IEEE Applied Power Electronics Conference and Exposition (APEC), Anaheim, CA, USA, 17–21 March 2019; pp. 453–457. [Google Scholar] [CrossRef]
- Yang, Y.; Wen, Y.; Gao, Y. A Novel Active Gate Driver for Improving Switching Performance of High-Power SiC MOSFET Modules. IEEE Trans. Power Electron. 2019, 34, 7775–7787. [Google Scholar] [CrossRef]
- Niwa, A.; Imazawa, T.; Kojima, R.; Yamamoto, M.; Sasaya, T.; Isobe, T.; Tadano, H. A dead-time-controlled gate driver us- ing current-sense fet integrated in sic mosfet. IEEE Trans. Power Electron. 2018, 33, 3258–3267. [Google Scholar] [CrossRef]
- Chennu, J.V.P.S.; Maheshwari, R.; Li, H. New resonant gate driver circuit for high-frequency application of silicon carbide mosfets. IEEE Trans. Ind. Electron. 2017, 64, 8277–8287. [Google Scholar] [CrossRef]
- Rothmund, D.; Laboratory, E.Z.P.E.S.; Bortis, D.; Kolar, J.W. Highly Compact Isolated Gate Driver with Ultrafast Overcurrent Protection for 10 kV SiC MOSFETs. CPSS Trans. Power Electron. Appl. 2018, 3, 278–291. [Google Scholar] [CrossRef]
- Zhang, L.; Liu, P.; Huang, A.Q.; Guo, S.; Yu, R. An improved SiC MOSFET-gate driver integrated power module with ultra low stray inductances. In Proceedings of the 2017 IEEE 5th Workshop on Wide Bandgap Power Devices and Applications (WiPDA), Albuquerque, NM, USA, 30 October–1 November 2017; pp. 342–345. [Google Scholar] [CrossRef]
- Peftitsis, D.; Rabkowski, J. Gate and Base Drivers for Silicon Carbide Power Transistors: An Overview. IEEE Trans. Power Electron. 2015, 31, 1. [Google Scholar] [CrossRef]
- Engelmann, G.; Senoner, T.; Doncker, R.W.D. Experimental Investigation on the Transient Switching Behavior of Sic Mosfets Using a Stage-Wise Gate Driver. CPSS Trans. Power Electron. Appl. 2018, 3, 77–87. [Google Scholar] [CrossRef]
- Regardi, M. How Infineon controls and assures the reliability of SiC based power semiconductors. Available online: https://www.ispsd2020.com/exhibitor/document?file=39_1598866100.pdf (accessed on 11 January 2021).
- Kim, T.; Jang, M.; Agelidis, V.G. Ultra-fast MHz range driving circuit for SiC MOSFET using frequency multiplier with eGaN FET. IET Power Electron. 2016, 9, 2085–2094. [Google Scholar] [CrossRef]
- Galai, L.; Costa, F.; Revol, B. EMI disturbance in Double Galvanic Insulation Transformer for high voltage insulation- Application on multilevel converter for 10 kV SiC Mosfet drivers. In Proceedings of the 2012 6th Asia-Pacific Conference on Environmental Electromagnetics (CEEM), Shanghai, China, 6–9 November 2012; pp. 210–213. [Google Scholar]
- Gurpinar, E.; Iannuzzo, F.; Yang, Y.; Castellazzi, A.; Blaabjerg, F. Design of Low-Inductance Switching Power Cell for GaN HEMT Based Inverter. IEEE Trans. Ind. Appl. 2017, 54, 1592–1601. [Google Scholar] [CrossRef]
- Chen, C.; Chen, Y.; Li, Y.; Huang, Z.; Liu, T.; Kang, Y. An sic-based half-bridge module with an improved hybrid packaging method for high power density applications. IEEE Trans. Ind. Electron. 2017, 64, 8980–8991. [Google Scholar] [CrossRef]
- Varajao, D.; Matrisciano, C.M. Isolated Gate Driving Solutions, Increasing Power Density and Robustness with Isolated Gate Driver ICs; Infineon: Neubiberg, Germany, 2020. [Google Scholar]
- Kar, A.; Ahmad, S.S.; Narayanan, G.; Sengupta, M. Design, performance evaluation, fabrication and testing of a SiC MOSFET gate driver. In Proceedings of the 2017 IEEE International Conference on Signal Processing, Informatics, Communication and Energy Systems (SPICES), Kollam, India, 8–10 August 2017; pp. 1–6. [Google Scholar] [CrossRef]
- Zhang, Z.; Wang, F.; Tolbert, L.M.; Blalock, B.J. Active Gate Driver for Crosstalk Suppression of SiC Devices in a Phase-Leg Configuration. IEEE Trans. Power Electron. 2014, 29, 1986–1997. [Google Scholar] [CrossRef]
- Li, Y.; Liang, M.; Chen, J.; Zheng, T.Q.; Guo, H. A Low Gate Turn-OFF Impedance Driver for Suppressing Crosstalk of SiC MOSFET Based on Different Discrete Packages. IEEE J. Emerg. Sel. Top. Power Electron. 2018, 7, 353–365. [Google Scholar] [CrossRef]
- Gill, L.; Ikari, T. Analysis and Mitigation of Common Mode Current in SiC MOSFET Gate Driver Power Supply. In Proceedings of the 2018 IEEE International Conference on Electrical Systems for Aircraft, Railway, Ship Propulsion and Road Vehicles & International Transportation Electrification Conference (ESARS-ITEC), Nottingham, UK, 7–9 November 2018; pp. 1–6. [Google Scholar] [CrossRef]
- Blumenfeld, A.; Cervera, A.; Ben-Yaakov, S. Analysis and design of DC-isolated gate drivers. In Proceedings of the 2012 IEEE 27th Convention of Electrical and Electronics Engineers in Israel, Eilat, Israel, 14–17 November 2012; pp. 1–5. [Google Scholar]
- Zhao, B.; Qin, H.; Nie, X.; Yan, Y. Evaluation of isolated gate driver for SiC MOSFETs. In Proceedings of the 2013 IEEE 8th Conference on Industrial Electronics and Applications (ICIEA), Melbourne, Australia, 19–21 July 2013; pp. 1208–1212. [Google Scholar]
- Ryoo, H.J.; Kim, J.S.; Rim, G.H.; Sytykh, D.; Goussev, G. Current loop gate driver circuit for pulsed power supply based on semiconductor switches. In Proceedings of the 2007 16th IEEE International Pulsed Power Conference, Albuquerque, NM, USA, 17–22 June 2007; Volume 2, pp. 1622–1626. [Google Scholar]
- Wood, P. Transformer-Isolated Hexfet Driver Provides Very Large Duty Cycle Ratios; International Rectifier: El Segundo, CA, USA, 1987. [Google Scholar]
- Zhang, B.; Xie, S.; Xu, J.; Qian, Q.; Zhang, Z.; Xu, K. A Magnetic Coupling Based Gate Driver for Crosstalk Suppression of SiC MOSFETs. IEEE Trans. Ind. Electron. 2017, 64, 9052–9063. [Google Scholar] [CrossRef]
- Hui, S.; Tang, S.; Chung, H.S.-H. Optimal operation of coreless pcb transformer-isolated gate drive circuits with wide switching frequency range. IEEE Trans. Power Electron. 1999, 14, 506–514. [Google Scholar] [CrossRef]
- Bergh, T.; Karlsson, P.; Alakula, M. A resonant galvanically separated power MOSFET/IGBT gate driver. In Proceedings of the 2004 IEEE 35th Annual Power Electronics Specialists Conference (IEEE Cat. No.04CH37551), Aachen, Germany, 20–25 June 2004; Volume 4, pp. 3243–3247. [Google Scholar] [CrossRef]
- Seidel, A.; Costa, M.; Joos, J.; Wicht, B. Isolated 100% PWM gate driver with auxiliary energy and bidirectional FM/AM signal transmission via single transformer. In Proceedings of the 2015 IEEE Applied Power Electronics Conference and Exposition (APEC), Manila, Philippines, 18–19 November 2015; pp. 2581–2584. [Google Scholar]
- Ramesh, C.V.; Krishnan, V.; Ravikumar, H.M.; Manjunatha, A. Design of dual gate driver for IGBT by using pulse transformers without saturation effect. In Proceedings of the 2015 International Conference on Emerging Research in Electronics, Computer Science and Technology (ICERECT), Mandya, India, 17–19 December 2015; pp. 120–125. [Google Scholar]
- Norling, K.; Lindholm, C.; Draxelmayr, D. An Optimized Driver for SiC JFET-Based Switches Enabling Converter Operation with More Than 99% Efficiency. IEEE J. Solid-State Circuits 2012, 47, 3095–3104. [Google Scholar] [CrossRef]
- Pittini, R.; Zhang, Z.; Andersen, M.A.E. Switching performance evaluation of commercial SiC power devices (SiC JFET and SiC MOSFET) in relation to the gate driver complexity. In Proceedings of the 2013 IEEE ECCE Asia Downunder, Melbourne, Australia, 3–6 June 2013; pp. 233–239. [Google Scholar]
- Yu, H.; Lai, J.; Zhao, J.H.; Wright, B.H. Gate driver based soft switching for SiC BJT inverter. In Proceedings of the IEEE 34th Annual Conference on Power Electronics Specialist, PESC ’03, Acapulco, Mexico, 15–19 June 2003; Volume 4, pp. 1857–1862. [Google Scholar]
- Cai, A.; Herreria, A.C.; How, S.B.; Siek, L. 2-Phase 2-stage capacitor-less gate driver for Gallium Nitride Gate Injection Transistor for reduced gate ringing. In Proceedings of the 2015 IEEE 3rd Workshop on Wide Bandgap Power Devices and Applications (WiPDA), Blacksburg, VA, USA, 2–4 November 2015; pp. 129–134. [Google Scholar]
- Weber, S.; Merkert, A.; Mertens, A. Gate driver for safe operation of depletion mode SiC JFETs. In Proceedings of the 2014 IEEE Energy Conversion Congress and Exposition (ECCE), Pittsburgh, PA, USA, 14–18 September 2014; pp. 5716–5722. [Google Scholar]
- Safari, S.; Castellazzi, A.; Wheeler, P. Evaluation of SiC power devices for a high power density matrix converter. In Proceedings of the 2012 IEEE Energy Conversion Congress and Exposition (ECCE), Raleigh, NC, USA, 15–20 September 2012; pp. 3934–3941. [Google Scholar] [CrossRef]
- Riazmontazer, H.; Mazumder, S.K. Dynamic optical turn-off control of a high-voltage SiC MOSFET. In Proceedings of the 2013 Twenty-Eighth Annual IEEE Applied Power Electronics Conference and Exposition (APEC), Bali, Indonesia, 5–7 October 2013; pp. 1274–1278. [Google Scholar]
- Zhang, L.; Guo, S.; Li, X.; Lei, Y.; Yu, W.; Huang, A.Q. Integrated SiC MOSFET module with ultra low parasitic inductance for noise free ultra high speed switching. In Proceedings of the 2015 IEEE 3rd Workshop on Wide Bandgap Power Devices and Applications (WiPDA), Blacksburg, VA, USA, 2–4 November 2015; pp. 224–229. [Google Scholar]
- Chen, Z.; Danilovic, M.; Boroyevich, D.; Shen, Z. Modularized design consideration of a general-purpose, high-speed phase-leg PEBB based on SiC MOSFETs. In Proceedings of the 2011-14th European Conference on Power Electronics and Applications (EPE 2011), Birmingham, UK, 30 August–1 September 2011; pp. 1–10. [Google Scholar]
- Zhang, Z.; Wang, Z.; Wang, F.; Tolbert, L.M.; Blalock, B.J. Reliability-oriented design of gate driver for SiC devices in voltage source converter. In Proceedings of the 2015 IEEE International Workshop on Integrated Power Packaging (IWIPP), Chicago, IL, USA, 3–6 May 2015; pp. 20–23. [Google Scholar]
- Muhsen, H.; Lutz, J.; Hiller, S. Design and Evaluation of Gate Drivers of SiC MOSFET. In Proceedings of the PCIM Europe 2015, International Exhibition and Conference for Power Electronics, Intelligent Motion, Renewable Energy and Energy Management, Nuremberg, Germany, 19–21 May 2015; pp. 1–8. [Google Scholar]
- Lemmon, A.N.; Graves, R. Gate drive development and empirical analysis of 10 kV SiC MOSFET modules. In Proceedings of the 2015 IEEE 3rd Workshop on Wide Bandgap Power Devices and Applications (WiPDA), Blacksburg, VA, USA, 2–4 November 2015; pp. 108–112. [Google Scholar]
- Niwa, A.; Imazawa, T.; Kimura, T.; Sasaya, T.; Isobe, T.; Tadano, H. Novel dead time controlled gate driver using the current sensor of SiC-MOSFET. In Proceedings of the IECON 2015—41st Annual Conference of the IEEE Industrial Electronics Society, Yokohama, Japan, 9–12 November 2015; pp. 001651–001656. [Google Scholar]
- Zhou, Q.; Gao, F.; Jiang, T. A gate driver of SiC MOSFET with passive triggered auxiliary transistor in a phase-leg configuration. In Proceedings of the 2015 IEEE Energy Conversion Congress and Exposition (ECCE), Montreal, QC, Canada, 20–24 September 2015; pp. 7023–7030. [Google Scholar]
- Shen, M. A simple gate assist circuit for SiC devices. In Proceedings of the 2014 IEEE Conference and Expo Transportation Electrification Asia-Pacific (ITEC Asia-Pacific), Beijing, China, 31 August–3 September 2014; pp. 1–6. [Google Scholar]
- Haehre, K.; Simon, C.; Wild, B.; Kling, R.; Heering, W. Design of a 5-MHz-gate-driver for SiC-MOSFETs. In Proceedings of the 7th IET International Conference on Power Electronics, Machines and Drives (PEMD 2014), Manchester, UK, 8–10 April 2014; pp. 1–6. [Google Scholar]
- Whitaker, B.; Cole, Z.; Passmore, B.; Martin, D.; McNutt, T.; Lostetter, A.B.; Ericson, M.N.; Frank, S.S.; Britton, C.L.; Marlino, L.D.; et al. High-temperature SiC power module with integrated SiC gate drivers for future high-density power electronics applications. In Proceedings of the 2014 IEEE Workshop on Wide Bandgap Power Devices and Applications, Knoxville, TN, USA, 13–15 October 2014; pp. 36–40. [Google Scholar]
- De Rooij, M.; Strydom, J.; Van Wyk, J.; Beamer, P. Development of a 1 MHz MOSFET gate-driver for integrated converters. In Proceedings of the Industry Applications Conference, 2002, 37th IAS Annual Meeting, Pittsburgh, PA, USA, 13–18 October 2002; Volume 4, pp. 2622–2629. [Google Scholar] [CrossRef]
- Badawi, N.; Knieling, P.; Dieckerhoff, S. High-speed gate driver design for testing and characterizing WBG power transistors. In Proceedings of the 2012 15th International Power Electronics and Motion Control Conference (EPE/PEMC), Novi Sad, Serbia, 4–6 September 2012; p. LS6d.4-1. [Google Scholar]
- Anthony, P.; McNeill, N.; Holliday, D. High-Speed Resonant Gate Driver with Controlled Peak Gate Voltage for Silicon Carbide MOSFETs. IEEE Trans. Ind. Appl. 2014, 50, 573–583. [Google Scholar] [CrossRef]
- Tang, S.; Hui, S.; Chung, H.S.-H. A low-profile power converter using printed-circuit board (PCB) power transformer shielded with ferrite polymer composite. In Proceedings of the 2000 IEEE 31st Annual Power Electronics Specialists Conference, (Cat. No.00CH37018), Galway, Ireland, 23 June 2000; Volume 3, pp. 1279–1284. [Google Scholar]
- Qi, F.; Xu, L.; Zhao, B.; Zhou, Z. A high temperature de-saturation protection and under voltage lock out circuit for SiC MOSFET. In Proceedings of the 2015 IEEE Energy Conversion Congress and Exposition (ECCE), Montreal, QC, Canada, 20–24 September 2015; pp. 6169–6174. [Google Scholar]
- Qi, F.; Xu, L.; Zhao, B.; Zhou, Z. High current gate drive circuit with high temperature potential for SiC MOSFET module. In Proceedings of the 2015 IEEE Energy Conversion Congress and Exposition (ECCE), Montreal, QC, Canada, 20–24 September 2015; pp. 7031–7037. [Google Scholar]
- Anurag, A.; Acharya, S.; Gohil, G.; Bhattacharya, S. Benchmarking and Qualification of Gate Drivers for Medium Voltage (MV) Operation using 10 kV Silicon Carbide (SiC) MOSFETs. In Proceedings of the 2019 IEEE Applied Power Electronics Conference and Exposition (APEC), Anaheim, CA, USA, 17–21 March 2019; pp. 441–447. [Google Scholar] [CrossRef]
- Berning, D.W.; Duong, T.H.; Ortiz-Rodriguez, J.M.; Rivera-Lopez, A.; Hefner, A.R., Jr. High-Voltage Isolated Gate Drive Circuit for 10 kV, 100 A SiC MOSFET/JBS Power Modules. In Proceedings of the 2008 IEEE Industry Applications Society Annual Meeting, Edmonton, AB, Canada, 5–9 October 2008; pp. 1–7. [Google Scholar] [CrossRef]
- Qi, F.; Xu, L.; Zhao, G.; Wang, J. Transformer isolated gate drive with protection for SiC MOSFET in high temperature application. In Proceedings of the 2014 IEEE Energy Conversion Congress and Exposition (ECCE), Pittsburgh, PA, USA, 14–18 September 2014; pp. 5723–5728. [Google Scholar] [CrossRef]
- Wang, R.; Boroyevich, D.; Ning, P.; Wang, Z.; Wang, F.; Mattavelli, P.; Ngo, K.D.T.; Rajashekara, K. A High-Temperature SiC Three-Phase AC-DC Converter Design for > 100/spl deg/C Ambient Temperature. IEEE Trans. Power Electron. 2013, 28, 555–572. [Google Scholar] [CrossRef]
- Wang, Y.; Krishnamurthy, S. High temperature gate drive circuits for silicon carbide switching devices. In Proceedings of the 2013 IEEE Energy Conversion Congress and Exposition, Denver, CO, USA, 15–19 September 2013; pp. 4258–4262. [Google Scholar]
- Bergogne, D.; Martin, C.; Allard, B.; Falahi, K.E.; Picun, G.; Ezzeddine, H.; Pintout, C. High Temperature Discrete Integrated Coreless Signal Insulator. In Proceedings of the 8th International Conference on Integrated Power Electronics Systems, Nuremberg, Germany, 25–27 February 2014; pp. 1–4. [Google Scholar]
- Nguyen, V.; Le, T.-L.; Sarrafin, F.; To, N.-D.; Colin, D.; Rouger, N.; Lefranc, P.; Lembeye, Y.; Arnould, J.-D.; Allard, B.; et al. Contributions to dedicated gate driver circuitry for very high switching speed high temperature power devices. In Proceedings of the 2016 28th International Symposium on Power Semiconductor Devices and ICs (ISPSD), Prague, Czech Republic, 12–16 June 2016; pp. 443–446. [Google Scholar] [CrossRef]
- Zhang, Z.; Xie, S. A MOSFET’s Driver Applied to High-frequency Switching with Wide Range of Duty Cycles. J. Power Electron. 2015, 15, 1402–1408. [Google Scholar] [CrossRef][Green Version]
- Lu, Z.; Li, C.; Wu, H.; Li, W.; He, X.; Li, S. Design of Active SiC MOSFET Gate Driver for Crosstalk Suppression Considering Impedance Coordination between Gate Loop and Power Loop. In Proceedings of the 2019 IEEE Applied Power Electronics Conference and Exposition (APEC), Anaheim, CA, USA, 17–21 March 2019; pp. 986–990. [Google Scholar] [CrossRef]
- Garcia, J.; Gurpinar, E.; Castellazzi, A. Impulse transformer based secondary-side self-powered gate-driver for wide-range PWM operation of SiC power MOSFETs. In Proceedings of the 2016 IEEE 4th Workshop on Wide Bandgap Power Devices and Applications (WiPDA), Fayetteville, AR, USA, 7–9 November 2016; pp. 59–63. [Google Scholar] [CrossRef]
- Garcia, J.; Gurpinar, E.; Castellazzi, A. High-frequency modulated secondary-side self-powered isolated gate driver for full range PWM operation of SiC power MOSFETs. In Proceedings of the 2017 IEEE Applied Power Electronics Conference and Exposition (APEC), Da Nang, Vietnam, 10–11 November 2017; pp. 919–924. [Google Scholar]
- Garcia, J.; Gurpinar, E.; Castellazzi, A. Full-range PWM isolated gate driver with integrated signal and power transmission to the secondary side of the transformer: A case of study application with SiC MOSFETs. In Proceedings of the ECPE SiC & GaN Forum, Workshop on Potential of Wide Bandgap Semiconductors in Power Electronics Applications, ECPS, Nuremberg, Germany, 8–9 March 2017. [Google Scholar]
- Garcia, J.; Gurpinar, E.; Castellazi, A.; Garcia, P. Self-supplied isolated gate driver for SiC power MOSFETs based on bi-level modulation scheme. In Proceedings of the 2017 IEEE Energy Conversion Congress and Exposition (ECCE), Cincinnati, OH, USA, 1–5 October 2017; pp. 5101–5106. [Google Scholar] [CrossRef]
- Garcia, J.; Saeed, S.; Gurpinar, E.; Castellazzi, A.; Garcia-Fernandez, P. Self-Powering High Frequency Modulated SiC Power MOSFET Isolated Gate Driver. IEEE Trans. Ind. Appl. 2019, 55, 3967–3977. [Google Scholar] [CrossRef]
- Wu, H.; Garcia, J.; Castellazzi, A. GaN HEMT Gate-Driver for Achieving High Power Converter Integration Levels. In Proceedings of the Power Electronics Machines and Drives Conference, PEMD 2018, Liverpool, UK, 17–19 April 2018; IET: London, UK, 2018. [Google Scholar]
- SFDT Design Tool, Ferroxcube. Available online: https://ferroxcube.com/en-global/design_tool/index (accessed on 1 December 2020).
- Murata Power Solutions Inc. NME 5 V–12 V Series Isolated 1W Single Output DC/DC Converters; Murata Power Solutions Inc.: Nagaokakyo, Japan, 2016. [Google Scholar]
- High Isolated DC/DC Converters for Gate Drivers, RECOM. Available online: https://recom-power.com/en/applications/gate-drivers/gate-drivers.html (accessed on 1 December 2020).
- Gottschlich, J.; Schafer, M.; Neubert, M.; De Doncker, R.W. A galvanically isolated gate driver with low coupling capacitance for medium voltage SiC MOSFETs. In Proceedings of the 2016 18th European Conference on Power Electronics and Applications (EPE’16 ECCE Europe), Karlsruhe, Germany, 5–9 September 2016; pp. 1–8. [Google Scholar]
- Srdic, S.; Teng, F.; Lukic, S. High-isolation Low-coupling-capacitance Standalone Gate Drive Power Supply for SiC-based Medium-Voltage Power Electronic Systems. In Proceedings of the 2019 IEEE Energy Conversion Congress and Exposition (ECCE), Baltimore, MD, USA, 29 September–3 October 2019; pp. 3287–3291. [Google Scholar]
















































| Gate Driver Description | Refs. from Literature |
|---|---|
| Optocoupler based for other SiC/GaN devices (JFET, BJT) | [103,104,105,106,107,108] |
| Optocoupler based for SiC MOSFET (conventional) | [104,109,110,111,112,113,114,115,116,117,118,119,120] |
| Optocoupler based for SiC MOSFET (resonant) | [121,122] |
| PCB transformer-isolated | [107,123] |
| Ferrite transformer-isolated | [124,125,126,127,128] |
| Edge-triggered transformer-isolated method | [129,130] |
| Modulation based method (no 0% duty in SiC) | [131,132] |
| On/Off pulse-based method | [130,133,134] |
| Part Description | Part Reference |
|---|---|
| NPN BJTs in the complementary power stage | ZXTN25040DFH |
| PNP BJTs in the complementary power stage | ZXTP25040DFH |
| Signal MOSFETs transistors at the flip-flop | FDS3812 |
| Operational amplifier | OPA2810 |
| Diode rectifiers (secondary side) | PMEG6030EP |
| Transformer core | TX16/9.6/6.3 3E5 |
| Target SiC power MOSFET | C2M0080120D |
| Part Reference | Parameter | Symbol | Value |
|---|---|---|---|
| ZXTN25040DFH | Collector-to-Emitter saturation voltage | vCE | 0.2 V |
| ZXTN25040DFH | Base-to-Emitter bias voltage | vBE | 0.7 V |
| ZXTP25040DFH | Collector-to-Emitter saturation voltage | vCE | 0.2 V |
| ZXTP25040DFH | Base-to-Emitter bias voltage | vBE | 0.7 V |
| LM6172 | Output voltage drop (vO − vOH) | vRail | 0.2 V |
| PMEG6030EP | Forward voltage drop in diodes | vF | 0.53 V |
| Parameter | Symbol | Value |
|---|---|---|
| Rated output power | Pnom | 2 kW |
| Switching frequency | fSW | 200 kHz |
| Output current value | Io | 5 A |
| Output voltage value | Vo | 400 V |
| Input current value | IIN | 5 A |
| Input voltage value | VIN | 400 V |
| SiC power MOSFET switches | - | C2M0080120D |
| Parameter | Symbol | Value |
|---|---|---|
| Primary side turns | Npri | 5 |
| Secondary side turns | Nsec | 22 |
| Core material | - | 3E5 |
| Core dimensions | Øext/Øint/Width | 16/9.6/6.3 mm |
| Turns-ratio | rt | 4.1 |
| Magnetizing inductance at the primary side | Lµ | 181 µH |
| Magnetizing inductor at the secondary side | L′µ | 3.16 mH |
| Leakage inductance at the primary side | Ld | 1.03 µH |
| Leakage inductance at the primary side | L′d | 19.4 µH |
| Series resistance at the primary side | Rs | 0.022 Ω |
| Series resistance at the secondary side | Rs | 0.433 Ω |
| Coupling capacitor (primary to secondary side) | Cc | 3.41 pF |
| Parameter | Symbol | Value |
|---|---|---|
| Output power value | PO | 1.8 kW |
| Switching frequency | fSW | 100 kHz |
| Output current value | Io | 5 A |
| Output voltage value | Vo | 360 V |
| Input current value | IIN | 4.7 A |
| Input voltage value | VIN | 400 V |
| Part Description | Part Reference |
|---|---|
| NPN BJTs in the complementary power stage | ZXTN25040DFH |
| PNP BJTs in the complementary power stage | ZXTP25040DFH |
| Signal MOSFETS transistors at the flip-flop | FDS3812 |
| Operational amplifier | LM7171 |
| Diode rectifiers (secondary side) | PMEG6030EP |
| Transformer core | TX10/6/4, 3E5 |
| Target SiC power MOSFET | C2M0080120D |
| Parameter | Symbol | Value (Signal Transformer) | Value (Power Transformer) |
|---|---|---|---|
| Primary side turns | Npri | 10 | 10 |
| Secondary side turns | Nsec | 10 | 25 |
| Core material | - | 3E5 | 3E5 |
| Core dimensions | Øext/Øint/Width | 10/6/4 mm | 10/6/4 mm |
| Turns-ratio | rt | 1 | 2 |
| Magnetizing inductance at the primary side | Lμ | 400 µH | 400 µH |
| Magnetizing inductor at the secondary side | L′μ | 400 µH | 2500 µH |
| Leakage inductance at the primary side | Ld | 0.5 µH | 0.54 µH |
| Leakage inductance at the primary side | L′d | 0.5 µH | 2.7 µH |
| Series resistance at the primary side | Rs | 0.12 Ω | 0.1 Ω |
| Series resistance at the secondary side | R′s | 0.12 Ω | 0.4 Ω |
| Coupling Capacitor (primary to secondary side) | Cc | 3.0 pF | 3.0 pF |
| Parameter | Symbol | Value |
|---|---|---|
| Primary side turns | Npri | 10 |
| Secondary side turns | Nsec | 22 |
| Core material | - | 3 × 105 |
| Core dimensions | Øext/Øint/Width | 10/6/4 mm |
| Turns-ratio | rt | 2.2 |
| Magnetizing inductance at the primary side | Lμ | 440 µH |
| Magnetizing inductor at the secondary side | L′μ | 1700 µH |
| Leakage inductance at the primary side | Ld | 0.25 µH |
| Leakage inductance at the primary side | L′d | 1.7 µH |
| Series resistance at the primary side | Rs | 0.054 Ω |
| Series resistance at the secondary side | R′s | 0.33 Ω |
| Coupling capacitor (primary to secondary side) | Cc | 2.13 pF |
| Parameter | Impulse TRANSFORMER Scheme | On/Off Modulation Scheme | Bilevel AM Scheme | Standard Scheme (Opto + Ext. Source) |
|---|---|---|---|---|
| Isolation | Magnetic (1 transformer) | Magnetic (2 transformers) | Magnetic (1 transformer) | Optical and Magnetic |
| Possible integration in power module | yes | yes | yes | Not directly |
| Relative achievable power density | highest | moderate | very high | low |
| Component count | 1 transformer + 2 ICs + 46 simple parts | 2 transformers + 6 ICs + 52 simple parts | 1 transformer + 5 ICs + 40 simple parts | - |
| PWM range | 10–90% | Full | full | Full |
| Switching frequency | 50–230 kHz | DC—200 kHz | DC—200 kHz | DC—several MHz |
| Switching speed at turn on, vDS | 25 V/ns | 25 V/ns | 26.7 V/ns | - |
| Switching speed at turn off, vDS | 21 V/ns | 21 V/ns | 20 V/ns | - |
| Power consumption (fSW = 100 kHz, d = 50%) | 2.3 W | 3.0 W | 2.6 W | 2 W |
| Coupling capacitance (primary to secondary side) | 3.41 pF | 6 pF | 2.13 pF | 1–2 pF (requires power source) |
Publisher’s Note: MDPI stays neutral with regard to jurisdictional claims in published maps and institutional affiliations. |
© 2021 by the authors. Licensee MDPI, Basel, Switzerland. This article is an open access article distributed under the terms and conditions of the Creative Commons Attribution (CC BY) license (http://creativecommons.org/licenses/by/4.0/).
Share and Cite
Garcia, J.; Saeed, S.; Gurpinar, E.; Castellazzi, A. A Study of Integrated Signal and Power Transfer for Compact Isolated SiC MOSFET Gate-Drivers. Electronics 2021, 10, 159. https://doi.org/10.3390/electronics10020159
Garcia J, Saeed S, Gurpinar E, Castellazzi A. A Study of Integrated Signal and Power Transfer for Compact Isolated SiC MOSFET Gate-Drivers. Electronics. 2021; 10(2):159. https://doi.org/10.3390/electronics10020159
Chicago/Turabian StyleGarcia, Jorge, Sarah Saeed, Emre Gurpinar, and Alberto Castellazzi. 2021. "A Study of Integrated Signal and Power Transfer for Compact Isolated SiC MOSFET Gate-Drivers" Electronics 10, no. 2: 159. https://doi.org/10.3390/electronics10020159
APA StyleGarcia, J., Saeed, S., Gurpinar, E., & Castellazzi, A. (2021). A Study of Integrated Signal and Power Transfer for Compact Isolated SiC MOSFET Gate-Drivers. Electronics, 10(2), 159. https://doi.org/10.3390/electronics10020159

