Active Gate Driver and Management of the Switching Speed of GaN Transistors during Turn-On and Turn-Off
Abstract
1. Introduction
2. Open-Loop Active Gate Voltage Control during Turn-On
3. Experimental Setup and Results for AGVC Open-Loop Control
4. Experimental Results with an Open-Loop Active Gate Voltage Control
4.1. Parameter tint
4.2. Switching Losses during Turn-On
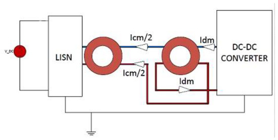
4.3. Impact of AGCV on Conducted Electromagnetic Disturbances
5. Closed-Loop Active Gate Voltage Control
5.1. Closed-Loop AGVC with Common Source Parasitic Inductance during Turn-On
5.1.1. Simulation Results
5.1.2. Experimental Results
5.2. Closed-Loop AGVC with a Derivative Circuit during Turn-Off
6. Conclusions
Author Contributions
Funding
Institutional Review Board Statement
Informed Consent Statement
Data Availability Statement
Conflicts of Interest
References
- Colin, D.; Rouger, N. High speed optical gate driver for wide band gap power transistors. In Proceedings of the 2016 IEEE Energy Conversion Congress and Exposition (ECCE), Milwaukee, WI, USA, 18–22 September 2016; pp. 1–6. [Google Scholar]
- Bindra, A. Wide-Bandgap Power Devices: Adoption Gathers Momen-tum. IEEE Power Electron. Mag. 2018, 5, 22–27. [Google Scholar] [CrossRef]
- Rodrguez, M.; Zhang, Y.; Maksimovic, D. High-frequency PWM buck converters using GaN-on-SiC HEMTs. IEEE Trans. Power Electron. 2014, 29, 24622473. [Google Scholar] [CrossRef]
- Wu, Y.-F.; Gritters, J.; Shen, L.; Smith, R.P.; Swenson, B. kV-class GaN-on-Si HEMTs enabling 99% efficiency converter at 800 V and100 kHz. IEEE Trans. Power Electron. 2014, 29, 26342637. [Google Scholar] [CrossRef]
- Moench, S.; Costa, M.; Barner, A.; Kallfass, I.; Reiner, R.; Weiss, B.; Waltereit, P.; Quay, R.; Ambacher, O. Monolithic integrated quasi-normally-off gate driver and 600 v gan-on-sihemt. In Proceedings of the 2015 IEEE 3rd Workshop on Wide Bandgap Power Devices and Applications (WiPDA), Blacksburg, VA, USA, 2–4 November 2015; pp. 92–97. [Google Scholar]
- Zhang, Z.; Wang, F.; Tolbert, L.; Blalock, B. Active gate driver for crosstalk suppression of SiC devices in a phase-leg configuration. IEEE Trans. Power Electron. 2014, 29, 1986–1997. [Google Scholar] [CrossRef]
- Wang, J.; Liu, D.; Dymond, H.C.P.; Dalton, J.J.O.; Stark, B.H. Crosstalk suppression in a 650-V GaN FET bridge-leg converter using 6.7-GHz active gate driver. In Proceedings of the Energy Conversion Congress and Exposition (ECCE) 2017 IEEE, Cincinnati, OH, USA, 1–5 October 2017; pp. 1955–1960. [Google Scholar]
- Li, H.; Li, X.; Zhang, Z.; Yao, C.; Wang, J. Design consideration of high power GaN inverter. In Proceedings of the 2016 IEEE 4th Workshop on Wide Bandgap Power Devices and Applications (WiPDA), Fayetteville, AR, USA, 7–9 November 2016; pp. 23–29. [Google Scholar]
- Rossigno, T. A Contribution to the Characterization and Gate Driver Control of Wide Band GAP for Medium Voltage of Inverter. Ph.D. Thesis, Institut National Polytechnique de Toulouse, Toulouse, France, 28 May 2015. [Google Scholar]
- Chen, Y.; Lee, F.C.; Amoroso, L.; Wu, H. A resonant MOSFET gate driver with efficient energy recovery. IEEE Trans. Power Electron. 2004, 19, 470–477. [Google Scholar] [CrossRef]
- Galluzzo, A.; Melito, M.; Belverde, G.; Musumeci, S.; Raciti, A.; Testa, A. Switching characteristic improvement of modern gate controlled devices. In Proceedings of the 1993 Fifth European Conference on Power Electronics and Applications, Brighton, UK, 13–16 September 1993; pp. 374–379. [Google Scholar]
- Takizawa, S.; Igarashi, S.; Kuroki, K. A new di/dt control gate drive circuit for IGBTs to reduce EMI noise and switching losses. In Proceedings of the PESC 98 Record. 29th Annual IEEE Power Electronics Specialists Conference, Fukuoka, Japan, 22–22 May 1998; Volume 2, p. 1443144. [Google Scholar]
- Chen, L. Intelligent Gate Drive for High Power MOSFETs and IGBTs. Ph.D. Thesis, Department of Electrical and Computer Engineering, Michigan State University, East Lansing, MI, USA, 2008. [Google Scholar]
- Hemmer, R. Intelligent IGBT drivers with exceptional driving and protection features. In Proceedings of the 13th European Conference Power Electronics and Application, Barcelona, Spain, 8–10 September 2009. [Google Scholar]
- Wang, Z.; Shi, X.; Tolbert, L.M.; Wang, F.; Blalock, B.J. A di/dt feedback-based active gate driver for smart switching and fast overcurrent protection of IGBT modules. IEEE Trans. Power Electron. 2014, 29, 37203732. [Google Scholar] [CrossRef]
- Idir, N.; Bausiere, R.; Franchaud, J. Active gate voltage control of turn-on di/dt and turn-off dv/dt in insulated gate transistors. IEEE Trans. Power Electron. 2006, 21, 849–855. [Google Scholar] [CrossRef]
- Grbovic, P. An IGBT gate driver for feed-forward control of turn-on losses and reverse recovery current. IEEE Trans. Power Electron. 2008, 23, 643–652. [Google Scholar] [CrossRef]
- Park, S.; Jahns, T.M. Flexible dv/dt and di/dt control method for insulated gate power switches. IEEE Trans. Ind. Appl. 2003, 39, 657–664. [Google Scholar] [CrossRef]
- John, V.; Suh, B.; Lipo, T.A. High-performance active gate drive for high-power IGBT’s. IEEE Trans. Ind. Appl. 1999, 35, 1108–1117. [Google Scholar] [CrossRef]
- Sun, B.; Burgos, R.; Zhang, X.; Boroyevich, D. Active dv/dt Control of 600V GaN Transistors. In Proceedings of the IEEE Energy Conversion Congress and Exposition (ECCE), Milwaukee, WI, USA, 18–22 September 2016; p. 18. [Google Scholar]
- Bau, P.; Cousineau, M.; Cougo, B.; Richardeau, F.; Colin, D.; Rouger, N. A CMOS gate driver with ultra-fast dv/dt embedded control dedicated to optimum EMI and turn-on losses management for GaN power transistors. In Proceedings of the 14th Conference on Ph.D. Research in Microelectronics and Electronics (PRIME), Prague, Czech Republic, 2–5 July 2018. [Google Scholar]
- Beye, M.L.; Mogniotte, J.F.; Phung, L.V.; Idir, N.; Maher, H.; Allard, B. Analysis and Assessment of temperature effect on an Open Loop Active Gate Voltage Control of GaN Transistor during Turn-ON and Turn-OFF. In Proceedings of the 13th IEEE International Conference on Power Electronics and Drive Systems (PEDS), Toulouse, France, 9–12 July 2019. [Google Scholar]
- SI8261 ABC Datasheet. Available online: https://www.silabs.com/documents/public/data-sheets/Si826x.pdf (accessed on 1 June 2018).
- GS66508P Datasheet. Available online: https://gansystems.com/wp-content/uploads/2018/02/GS66508P-DS-Rev-180213.pdf (accessed on 1 June 2018).





















| di/dt [A/ns] | dv/dt [V/ns] | Eon [µJ] | |
|---|---|---|---|
| AGVC (Rg = 3 Ω and tint = 40 ns) | 0.8 | −2.6 | 6.6 |
| AGVC (Rg = 3 Ω and tint = 120 ns) | 0.8 | −0.74 | 14 |
| Standard gate voltage control (Rg = 3 Ω) | 1.5 | −1.8 | 2.6 |
| Standard gate voltage control (Rg = 39 Ω) | 0.6 | −1.8 | 13 |
| di/dt [A/ns] | dv/dt [V/ns] | Eon [µJ] | |
|---|---|---|---|
| AGVC (Rg = 3 Ω and tint = 40 ns) | 0.84 | −3 | 39 |
| AGVC (Rg = 3 Ω and tint = 120 ns) | 0.48 | −0.9 | 189 |
| Standard gate voltage control (Rg = 3 Ω) | 3.2 | −10.8 | 12 |
| Standard gate voltage control (Rg = 39 Ω) | 1.2 | −0.7 | 50 |
| AGCV di/dt [A/ns] | SGCV di/dt [A/ns] | AGCV dv/dt [V/ns] | SGCV dv/dt [V/ns] | di/dt (AGVC/SGVC) | dv/dt (AGVC/SGVC) | |
|---|---|---|---|---|---|---|
| V_DC = 100 V Id = 5 A | 0.61 | 0.66 | 4.4 | 5 | 0.92 | 0.88 |
| V_DC = 100 V Id = 10 A | 1.31 | 1.56 | 5.34 | 5.6 | 0.8 | 0.95 |
| V_DC = 50 V Id = 10 A | 1.56 | 1.6 | 3.5 | 3.62 | 0.98 | 0.97 |
Publisher’s Note: MDPI stays neutral with regard to jurisdictional claims in published maps and institutional affiliations. |
© 2021 by the authors. Licensee MDPI, Basel, Switzerland. This article is an open access article distributed under the terms and conditions of the Creative Commons Attribution (CC BY) license (http://creativecommons.org/licenses/by/4.0/).
Share and Cite
Beye, M.L.; Wickramasinghe, T.; Mogniotte, J.F.; Phung, L.V.; Idir, N.; Maher, H.; Allard, B. Active Gate Driver and Management of the Switching Speed of GaN Transistors during Turn-On and Turn-Off. Electronics 2021, 10, 106. https://doi.org/10.3390/electronics10020106
Beye ML, Wickramasinghe T, Mogniotte JF, Phung LV, Idir N, Maher H, Allard B. Active Gate Driver and Management of the Switching Speed of GaN Transistors during Turn-On and Turn-Off. Electronics. 2021; 10(2):106. https://doi.org/10.3390/electronics10020106
Chicago/Turabian StyleBeye, Mamadou Lamine, Thilini Wickramasinghe, Jean François Mogniotte, Luong Viêt Phung, Nadir Idir, Hassan Maher, and Bruno Allard. 2021. "Active Gate Driver and Management of the Switching Speed of GaN Transistors during Turn-On and Turn-Off" Electronics 10, no. 2: 106. https://doi.org/10.3390/electronics10020106
APA StyleBeye, M. L., Wickramasinghe, T., Mogniotte, J. F., Phung, L. V., Idir, N., Maher, H., & Allard, B. (2021). Active Gate Driver and Management of the Switching Speed of GaN Transistors during Turn-On and Turn-Off. Electronics, 10(2), 106. https://doi.org/10.3390/electronics10020106

