A Dual Adaptive Filter Spike-Based Hardware Architecture for Implementation of a New Active Noise Control Structure
Abstract
:1. Introduction
2. Proposed D-FxNLMS/SLMS Algorithm
3. Pure Software Simulation
4. Hardware Simulation
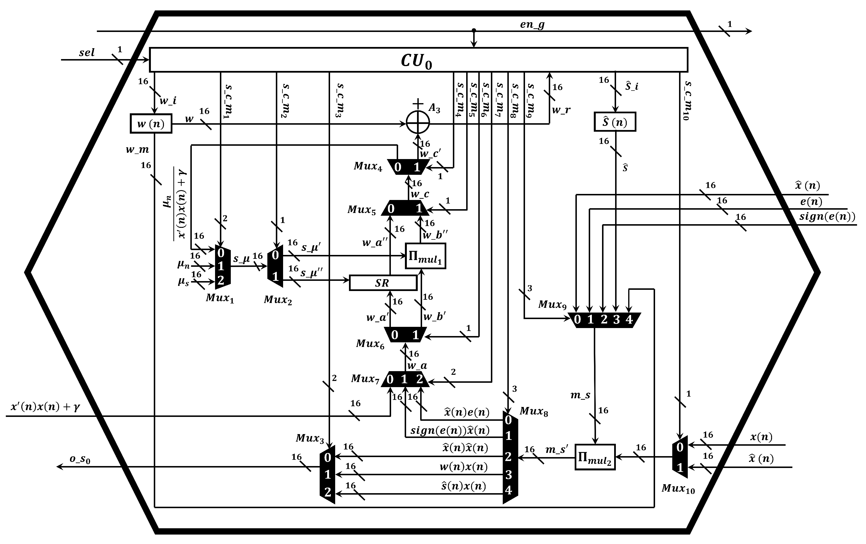
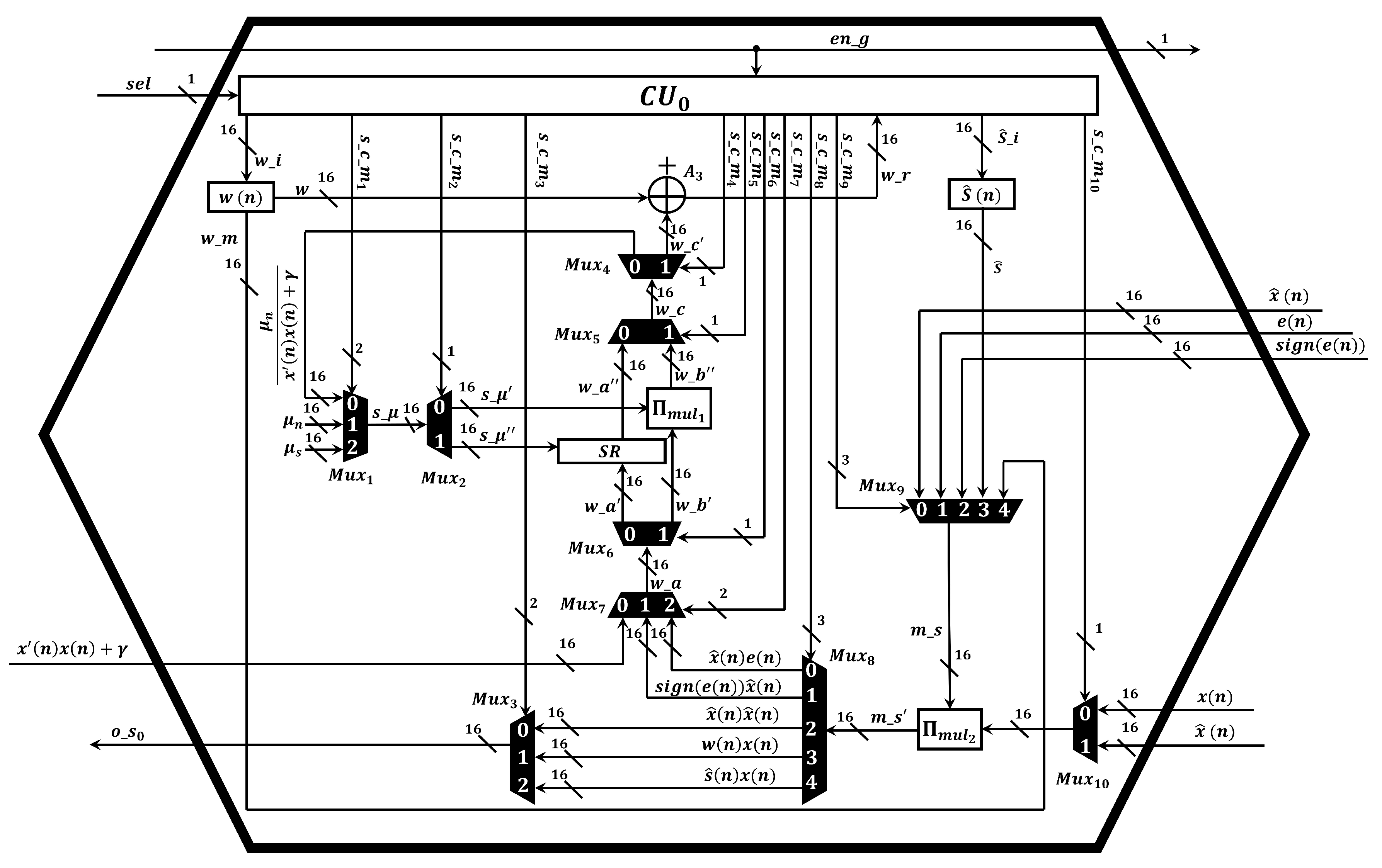
4.1. Control Unit
- Calculation of the signal . At the initial time, each DAC computes the filtered-x signal by performing the multiplication (). Therefore, these parameters are sent to multiplier via and . The result of the multiplication is sent to adder circuit to be added via .
- Calculation of the control signal . At this step, the neuronal multiplier performs the multiplication between , where these variables are fed through and . As previous step, the result is sent to adder circuit by means of .
- Calculation of the selection criteria. To perform this step, the digital component C is in charge of calculating the theoretical steady-state MSE. Once the component indicates which algorithm must be performed, either the FxNLMS algorithm or FxSLMS are executed as follows:
- –
- Simulation of the FxNLMS algorithm. If the FxNLMS algorithm is enabled, the neural multiplier computes . The result of the multiplication is sent to adder circuit to be added via . After that, the result of the addition along with the constant are processed by the adder circuit (see Figure 4). To perform the computation of the normalized variable step size, the variable and signal () are sent to the neural multiplier via ( and ), ( and ), respectively. The resulting signal ( ) is sent back to the shift register SR via ( and ). At this time, the shift register SR performs an intrinsically division by performing shifts to the right. Simultaneously, the multiplier performs its operation between and . Once there two operations were calculated, the results are sent to the adder circuit . In this manner, the result of the addition is used to update the FIR filter coefficients.
- –
- Simulation of the FxSLMS algorithm. If the FxSLMS algorithm is used, the multiplier performs its operation between and . The result is sent to the shift register SR to intrinsically perform a division. After that, the result is added to the filter coefficients to update them.
4.2. Proposed Graphical Unit Interface
4.3. Experimental Results
5. Conclusions
Author Contributions
Funding
Conflicts of Interest
References
- Loiseau, P.; Chevrel, P.; Yagoubi, M.; Duffal, J.M. Robust active noise control in a car cabin: Evaluation of achievable performances with a feedback control scheme. Control. Eng. Pract. 2018, 81, 172–182. [Google Scholar] [CrossRef]
- Gäbel, G.; Millitzer, J.; Atzrodt, H.; Herold, S.; Mohr, A. Development and implementation of a multi-channel active control system for the reduction of road induced vehicle interior noise. Actuators 2018, 7, 52. [Google Scholar] [CrossRef] [Green Version]
- Mazur, K.; Wrona, S.; Pawelczyk, M. Active noise control for a washing machine. Appl. Acoust. 2019, 146, 89–95. [Google Scholar] [CrossRef]
- Cho, H.C.; Park, S.W.; Lee, K.S.; Kim, N.H. A novel multiple-channel active noise control approach with neural secondary-path model for interior acoustic noise attenuation of railway train systems. IET Signal Process. 2012, 6, 772–780. [Google Scholar] [CrossRef]
- Patel, V.; Cheer, J.; Fontana, S. Design and Implementation of an Active Noise Control Headphone With Directional Hear-Through Capability. IEEE Trans. Consum. Electron. 2019, 66, 32–40. [Google Scholar] [CrossRef]
- Liu, L.; Beemanpally, K.; Kuo, S.M. Application of multi-channel hybrid active noise control systems for infant incubators. Noise Control. Eng. J. 2013, 61, 169–179. [Google Scholar] [CrossRef]
- Liu, L.; Kuo, S.M.; Raghuathan, K.P. An audio integrated motorcycle helmet. J. Low Freq. Noise Vib. Act. Control. 2010, 29, 161–170. [Google Scholar] [CrossRef]
- Murao, T.; Shi, C.; Gan, W.S.; Nishimura, M. Mixed-error approach for multi-channel active noise control of open windows. Appl. Acoust. 2017, 127, 305–315. [Google Scholar] [CrossRef]
- Cheer, J.; Elliott, S.J. Active noise control of a diesel generator in a luxury yacht. Appl. Acoust. 2016, 105, 209–214. [Google Scholar] [CrossRef] [Green Version]
- Serizel, R.; Moonen, M.; Wouters, J.; Jensen, S.H. Binaural integrated active noise control and noise reduction in hearing aids. IEEE Trans. Audio Speech Lang. Process. 2012, 21, 1113–1118. [Google Scholar] [CrossRef] [Green Version]
- Liu, J.; Li, C. Active soundproof earmuffs system with passive noise insulation structure compensation. Appl. Acoust. 2020, 165, 107321. [Google Scholar] [CrossRef]
- Zhao, T.; Liang, J.; Zou, L.; Zhang, L. A new FXLMS algorithm with offline and online secondary-path modeling scheme for active noise control of power transformers. IEEE Trans. Ind. Electron. 2017, 64, 6432–6442. [Google Scholar] [CrossRef]
- Kim, H.W.; Park, H.S.; Lee, S.K.; Shin, K. Modified-filtered-u LMS algorithm for active noise control and its application to a short acoustic duct. Mech. Syst. Signal Process. 2011, 25, 475–484. [Google Scholar] [CrossRef]
- Zhao, S.; Qiu, X.; Lacey, J.; Maisch, S. Configuring fixed-coefficient active control systems for traffic noise reduction. Build. Environ. 2019, 149, 415–427. [Google Scholar] [CrossRef]
- Arenas-Garcia, J.; Azpicueta-Ruiz, L.A.; Silva, M.T.; Nascimento, V.H.; Sayed, A.H. Combinations of adaptive filters: Performance and convergence properties. IEEE Signal Process. Mag. 2015, 33, 120–140. [Google Scholar] [CrossRef]
- Vazquez, A.A.; Avalos, J.G.; Sanchez, G.; Sanchez, J.C.; Perez, H. A Comparative Survey of Convex Combination of Adaptive Filters. IETE J. Res. 2020, 1–11. [Google Scholar] [CrossRef]
- Ferrer, M.; Gonzalez, A.; de Diego, M.; Pinero, G. Convex combination filtered-x algorithms for active noise control systems. IEEE Trans. Audio Speech Lang. Process. 2013, 21, 156–167. [Google Scholar] [CrossRef] [Green Version]
- George, N.V.; Gonzalez, A. Convex Combination of Nonlinear Adaptive Filters for Active Noise Control. Appl. Acoust. 2014, 76, 157–161. [Google Scholar] [CrossRef]
- Al Omour, A.M.; Zidouri, A.; Iqbal, N.; Zerguine, A. Filtered-x least mean fourth (FXLMF) and leaky FXLMF adaptive algorithms. EURASIP J. Adv. Signal Process. 2016, 1, 39. [Google Scholar] [CrossRef] [Green Version]
- Song, P.; Zhao, H. Filtered-x generalized mixed norm (FXGMN) algorithm for active noise control. Mech. Syst. Signal Process. 2018, 107, 93–104. [Google Scholar] [CrossRef]
- Song, P.; Zhao, H. Filtered-x least mean square/fourth (FXLMS/F) algorithm for active noise control. Mech. Syst. Signal Process. 2019, 120, 69–82. [Google Scholar] [CrossRef]
- Vázquez, A.; Pichardo, E.; Avalos, J.G.; Sánchez, G.; Martínez, H.M.; Sánchez, J.C.; Pérez, H.M. Multichannel active noise control based on filtered-x affine projection-like and LMS algorithms with switching filter selection. Appl. Sci. 2019, 9, 4669. [Google Scholar] [CrossRef] [Green Version]
- Gonzalez, A.; Ferrer, M.; de Diego, M.; Roig, C.; Piñe, G. Convex combination strategies for active noise control on multicore processors. In Proceedings of the 17th International Congress on Sound and Vibration (ICSV 17), Cairo, Egypt, 18–22 July 2010; pp. 309–316. [Google Scholar]
- Felix, F.B.; de Castro Magalhaes, M.; de Souza Papini, G. An Improved ANC Algorithm for the Attenuation of Industrial Fan Noise. J. Vib. Eng. Technol. 2021, 9, 279–289. [Google Scholar] [CrossRef]
- Kuo, S.M.; Morgan, D.R. Active noise control: A tutorial review. Proc. IEEE 1999, 87, 943–973. [Google Scholar] [CrossRef] [Green Version]
- Sanchez, G.; Avalos, J.G.; Vazquez, A.; Garcia, L.; Frias, T.; Toscano, K.; Perez, H. A compact neuromorphic architecture with dynamic routing to efficiently simulate the FXECAP-L algorithm for real-time active noise control. Appl. Soft Comput. 2021, 91, 106233. [Google Scholar] [CrossRef]













| Algorithm | Multiplications | Additions |
|---|---|---|
| FxNLMS | ||
| FxSLMS | ||
| D-FxNLMS | ||
| D-FxSLMS |
| Algorithm | Multiplications | Additions |
|---|---|---|
| FxNLMS | 514,000,000 | 510,000,000 |
| FxSLMS | 385,000,000 | 384,000,000 |
| D-FxNLMS/SLMS | 402,646,918 | 397,533,376 |
| Reference Input Signal | Percentage of Updates (%) | |
|---|---|---|
| FxNLMS | FxSLMS | |
| Multi-tone | 1.5 | 98.5 |
| AR(1) process | 0.7 | 99.3 |
| Aircraft interior noise | 17 | 83 |
Publisher’s Note: MDPI stays neutral with regard to jurisdictional claims in published maps and institutional affiliations. |
© 2021 by the authors. Licensee MDPI, Basel, Switzerland. This article is an open access article distributed under the terms and conditions of the Creative Commons Attribution (CC BY) license (https://creativecommons.org/licenses/by/4.0/).
Share and Cite
Pichardo, E.; Vázquez, Á.; Anides, E.R.; Sánchez, J.C.; Perez, H.; Avalos, J.G.; Sánchez, G. A Dual Adaptive Filter Spike-Based Hardware Architecture for Implementation of a New Active Noise Control Structure. Electronics 2021, 10, 1945. https://doi.org/10.3390/electronics10161945
Pichardo E, Vázquez Á, Anides ER, Sánchez JC, Perez H, Avalos JG, Sánchez G. A Dual Adaptive Filter Spike-Based Hardware Architecture for Implementation of a New Active Noise Control Structure. Electronics. 2021; 10(16):1945. https://doi.org/10.3390/electronics10161945
Chicago/Turabian StylePichardo, Eduardo, Ángel Vázquez, Esteban R. Anides, Juan C. Sánchez, Hector Perez, Juan G. Avalos, and Giovanny Sánchez. 2021. "A Dual Adaptive Filter Spike-Based Hardware Architecture for Implementation of a New Active Noise Control Structure" Electronics 10, no. 16: 1945. https://doi.org/10.3390/electronics10161945
APA StylePichardo, E., Vázquez, Á., Anides, E. R., Sánchez, J. C., Perez, H., Avalos, J. G., & Sánchez, G. (2021). A Dual Adaptive Filter Spike-Based Hardware Architecture for Implementation of a New Active Noise Control Structure. Electronics, 10(16), 1945. https://doi.org/10.3390/electronics10161945

