A Unified and Open LTSPICE Memristor Model Library
Abstract
:1. Introduction
2. Description of Memristor Structure and Operation in Electronic Schemes
2.1. The Idealized Memristor Element
2.2. A Description of a Physical Memristor’s Nanostructure
2.3. Memristor’s Operation in Electric Fields
3. Memristor Modeling
3.1. Titanium Dioxide Memristors’ Modeling
3.1.1. Standard Titanium Dioxide Memristor Models
3.1.2. Modified Titanium Dioxide Memristor Models
3.2. Hafnium Dioxide Memristors’ Modelling
3.2.1. Standard Hafnium Dioxide Memristor Models
3.2.2. Modified Hafnium Dioxide Memristor Models
3.3. Tantalum Oxide Memristor’s Modelling
3.3.1. Existing and Standard Tantalum Oxide Memristor Models
3.3.2. Modified tantalum oxide memristor models
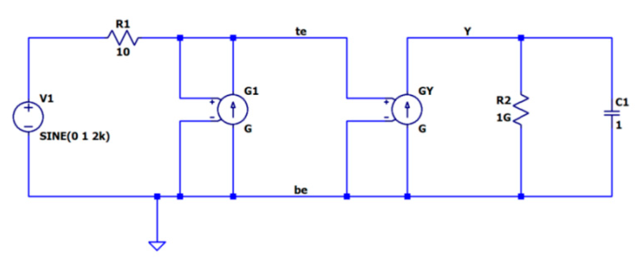
4. LTSPICE Memristor Library Models—Generation and Analysis
- 1
- Subckt K1 te be Y
- 2
- Params ron = 100 roff = 16e3 k = 10e3 C1 = 1
- 3
- C1 Y be IC = 0.3
- 4
- R2 Y be 1G
- 5
- Gy 0 Y value = {(k × V(te,be) × (1/(ron×(V(Y)) + roff × (1 − V(Y)))) × (4 × V(Y) × (1 − V(Y))))}
- 6
- G1 te be value = {V(te,be) × ((1/(ron × (V(Y)) + roff × (1 − V(Y)))))}
- 7
- Ends K1
5. Simulation and Analysis of Memristor-Based Circuits in LTSPICE Environment
5.1. Analysis of a Passive Memristor Memory Crossbar
5.2. Analysis of a Feed-Forward Memristor-Based Neural Network
6. A Comparison of the Considered Memristor Models
7. Discussion and Conclusions
Funding
Conflicts of Interest
References
- Dearnaley, G.; Stoneham, A.M.; Morgan, D.V. Electrical phenomena in amorphous oxide films. Rep. Prog. Phys. 1970, 33, 1129–1191. [Google Scholar] [CrossRef] [Green Version]
- Chiu, F.C. A Review on Conduction Mechanisms in Dielectric Films. In Advanced Materials Science Engineering; Hindawi Publishing Corporation: London, UK, 2014; Volume 2014, pp. 1–18. [Google Scholar] [CrossRef]
- Chua, L. Memristor-The missing circuit element. IEEE Trans. Circuit Theory 1971, 18, 507–519. [Google Scholar] [CrossRef]
- Strukov, D.B.; Snider, G.S.; Stewart, D.R.; Williams, S. The missing memristor found. Nature 2008, 453, 80–83. [Google Scholar] [CrossRef]
- Chen, Y.; Liu, G.; Wang, C.; Zhang, W.; Li, R.-W.; Wang, L. Polymer memristor for information storage and neuromorphic applications. Mater. Horizons 2014, 1, 489–506. [Google Scholar] [CrossRef]
- Wang, X.; Chen, Y.; Xi, H.; Li, H.; Dimitrov, D. Spintronic Memristor Through Spin-Torque-Induced Magnetization Motion. IEEE Electron Device Lett. 2009, 30, 294–297. [Google Scholar] [CrossRef]
- Chen, Y.-J.; Lou, J.-C.; Chen, K.-H.; Chen, J.-H.; Zheng, J.-C.; Sze, S.M.; Chang, K.-C.; Chang, T.-C.; Chen, H.-L.; Young, T.-F.; et al. Resistance Switching Induced by Hydrogen and Oxygen in Diamond-Like Carbon Memristor. IEEE Electron Device Lett. 2014, 35, 1016–1018. [Google Scholar] [CrossRef]
- Li, C.; Xia, Q. Three-Dimensional Crossbar Arrays of Self-rectifying Si/SiO2/Si Memristors. In Handbook of Memristor Networks; Chua, L., Sirakoulis, G., Adamatzky, A., Eds.; Springer: Cham, Switzerland, 2019. [Google Scholar] [CrossRef] [Green Version]
- Pedretti, G.; Ielmini, D. In-Memory Computing with Resistive Memory Circuits: Status and Outlook. Electronics 2021, 10, 1063. [Google Scholar] [CrossRef]
- Xia, Q.; Robinett, W.; Cumbie, M.W.; Banerjee, N.; Cardinali, T.J.; Yang, J.J.; Wu, W.; Li, X.; Tong, W.M.; Strukov, D.B.; et al. Memristor−CMOS Hybrid Integrated Circuits for Reconfigurable Logic. Nano Lett. 2009, 9, 3640–3645. [Google Scholar] [CrossRef] [PubMed]
- Linn, E.; Siemon, A.; Waser, R.; Menzel, S. Applicability of Well-Established Memristive Models for Simulations of Resistive Switching Devices. IEEE Trans. Circuits Syst. 2014, 61, 2402–2410. [Google Scholar] [CrossRef] [Green Version]
- Yang, Y.; Lee, S.C. Circuit Systems with MATLAB and PSpice; John Wiley & Sons: Hoboken, NJ, USA, 2008; p. 532. ISBN 978-04-7082-240-1. [Google Scholar]
- Joglekar, Y.; Wolf, S.J. The elusive memristor: Properties of basic electrical circuits. Eur. J. Phys. 2009, 30, 661–675. [Google Scholar] [CrossRef] [Green Version]
- Ascoli, A.; Tetzlaff, R.; Biolek, Z.; Kolka, Z.; Biolkova, V.; Biolek, D. The Art of Finding Accurate Memristor Model Solutions. IEEE J. Emerg. Sel. Top. Circuits Syst. 2015, 5, 133–142. [Google Scholar] [CrossRef]
- Amer, S.; Sayyaparaju, S.; Rose, G.S.; Beckmann, K.; Cady, N.C. A practical hafnium-oxide memristor model suitable for circuit design and simulation. In Proceedings of the 2017 IEEE International Symposium on Circuits and Systems (ISCAS), Baltimore, MD, USA, 28–31 May 2017; pp. 1–4. [Google Scholar] [CrossRef]
- Strachan, J.P.; Torrezan, A.C.; Ribeiro, G.M.; Williams, S. Measuring the switching dynamics and energy efficiency of tantalum oxide memristors. Nanotechnology 2011, 22, 505402. [Google Scholar] [CrossRef]
- Abdalla, H.; Pickett, M. SPICE modeling of memristors. In Proceedings of the IEEE International Symposium on Circuits and Systems, Rio de Janeiro, Brazil, 15–18 May 2011; pp. 1832–1835. [Google Scholar] [CrossRef]
- Biolek, Z.; Biolek, D.; Biolkova, V. SPICE Model of Memristor with Nonlinear Dopant Drift. Radioengineering 2009, 18, 210–214. [Google Scholar]
- Corinto, F.; Ascoli, A. A Boundary Condition-Based Approach to the Modeling of Memristor Nanostructures. IEEE Trans. Circuits Syst. 2012, 59, 2713–2727. [Google Scholar] [CrossRef]
- Ascoli, A.; Tetzlaff, R.; Corinto, F.; Gilli, M. PSpice switch-based versatile memristor model. In Proceedings of the IEEE International Symposium on Circuits and Systems, Beijing, China, 19–23 May 2013; pp. 205–208. [Google Scholar] [CrossRef]
- Lehtonen, E.; Laiho, M. CNN using memristors for neighborhood connections. In Proceedings of the 2010 12th International Workshop on Cellular Nanoscale Networks and their Applications (CNNA 2010), Berkeley, CA, USA, 3–5 February 2010; pp. 1–4. [Google Scholar] [CrossRef]
- Strukov, D.B.; Williams, S. Exponential ionic drift: Fast switching and low volatility of thin-film memristors. Appl. Phys. A 2009, 94, 515–519. [Google Scholar] [CrossRef]
- Ascoli, A.; Corinto, F.; Senger, V.; Tetzlaff, R. Memristor Model Comparison. IEEE Circuits Syst. Mag. 2013, 13, 89–105. [Google Scholar] [CrossRef]
- Mladenov, V. Advanced Memristor Modeling—Memristor Circuits and Networks; MDPI: Basel, Switzerland, 2019; p. 172. ISBN 978-3-03897-104-7 (Hbk). [Google Scholar] [CrossRef]
- Mladenov, V.; Kirilov, S. A Memristor Model with a Modified Window Function and Activation Thresholds. In Proceedings of the 2018 IEEE International Symposium on Circuits and Systems (ISCAS), Florence, Italy, 27–30 May 2018; pp. 1–4. [Google Scholar] [CrossRef]
- Mladenov, V.; Kirilov, S. A Nonlinear Memristor Model with Activation Thresholds and Variable Window Functions. CNNA 2016. In Proceedings of the 15th International Workshop on Cellular Nanoscale Networks and their Applications, Dresden, Germany, 23–25 August 2016; pp. 1–2. [Google Scholar]
- Mladenov, V.; Kirilov, S. A Nonlinear Drift Memristor Model with a Modified Biolek Window Function and Activation Threshold. Electronics 2017, 6, 77. [Google Scholar] [CrossRef] [Green Version]
- Mladenov, V.; Kirilov, S. Advanced Memristor Model with a Modified Biolek Window and a Voltage-Dependent Variable Exponent. Inform. Autom. Pomiary Gospod. Ochr. Sr. (IAPGOŚ) 2018, 8, 15–20. Available online: https://e-iapgos.pl/resources/html/article/details?id=173606 (accessed on 16 December 2020).
- Mladenov, V. Analysis and Simulations of Hybrid Memory Scheme Based on Memristors. Electronics 2018, 7, 289. [Google Scholar] [CrossRef] [Green Version]
- Mladenov, V. A New Simplified Model for HfO2-based Memristor. In Proceedings of the 8th International Conference on Modern Circuits and Systems Technologies (MOCAST), Thessaloniki, Greece, 13–15 May 2019. [Google Scholar]
- Mladenov, V. Analysis of Memory Matrices with HfO2 Memristors in a PSpice Environment. Electronics 2019, 8, 383. [Google Scholar] [CrossRef] [Green Version]
- Strachan, J.; Torrezan, A.; Miao, F.; Pickett, M.; Yang, J.; Yi, W.; Medeiros-Ribeiro, G.; Williams, R.S. State Dynamics and Modeling of Tantalum Oxide Memristors. IEEE Trans. Electron Devices 2013, 60, 2194–2202. [Google Scholar] [CrossRef]
- Ascoli, A.; Tetzlaff, R.; Chua, L. Robust Simulation of a TaO Memristor Model. Radioengineering 2015, 24, 384–392. [Google Scholar] [CrossRef]
- Ntinas, V.; Ascoli, A.; Tetzlaff, R.; Sirakoulis, G. Transformation techniques applied to a TaO memristor model to enable stable device simulations. In Proceedings of the 2017 European Conference on Circuit Theory and Design (ECCTD), Catania, Italy, 4–6 September 2017; pp. 1–4. [Google Scholar]
- Mladenov, V. A Modified Tantalum Oxide Memristor Model for Neural Networks with Memristor-Based Synapses. In Proceedings of the IEEE Conference Proceedings of MOCAST, Bremen, Germany, 7–9 September 2020. [Google Scholar] [CrossRef]
- Mladenov, V.; Kirilov, S. A Simplified Model of Tantalum Oxide Based Memristor and Application in Memory Crossbars., accepted for presentation and publishing in MOCAST 2021. Greece. Available online: http://mocast.physics.auth.gr/ (accessed on 16 December 2020).
- Yakopcic, C.; Taha, T.; Subramanyam, G.; Pino, R. Generalized Memristive Device SPICE Model and its Application in Circuit Design. IEEE Transactions on Comp. Aid. Des. Int. Circ. Syst. 2013, 32, 1201–1214. [Google Scholar] [CrossRef]
- Fouda, M.E.; Eltawil, A.M.; Kurdahi, F. Modeling and Analysis of Passive Switching Crossbar Arrays. IEEE Trans. Circuits Syst. I Regul. Pap. 2018, 65, 270–282. [Google Scholar] [CrossRef]
- Zhang, Y.; Wang, X.; Friedman, E.G. Memristor-Based Circuit Design for Multilayer Neural Networks. IEEE Trans. Circuits Syst. I Regul. Pap. 2018, 65, 677–686. [Google Scholar] [CrossRef]
- Charu, C. Aggarwal. Neural Networks and Deep Learning; Springer International Publishing AG: Berlin/Heidelberg, Germany, 2018; ISBN 978-3-319-94463-0. [Google Scholar]
- Mladenov, V. Synthesis and Analysis of a Memristor-Based Artificial Neuron. CNNA 2018. In Proceedings of the 16th International Workshop on Cellular Nanoscale Networks and their Applications, Budapest, Hungary, 28–30 August 2018; pp. 1–4. [Google Scholar]












| Criteria for Comparison | Titanium Dioxide Memristor Models | |||||||||
|---|---|---|---|---|---|---|---|---|---|---|
| - | K1 | K2 | K3 | K4 | K5 | A1 | A2 | A3 | A4 | A5 |
| Operating frequency | low | low | low | middle | low, middle, high | middle | middle | middle | middle | middle, high |
| Signal level | low, middle | low, middle | low, middle | low, middle | low, middle, high | low, middle | low, middle, high | low, middle, high | low, middle, high | low, middle, high |
| Nonlinearity | middle | middle | middle | middle | high | high | high | high | high | high |
| Accuracy | low | low | sufficient | sufficient | high | high | high | high | high | high |
| Activation thresholds | not applied | not applied | not applied | applied | not applied | applied | not applied | applied | applied | applied |
| Operating modes | soft-switching | soft-switching | soft and hard switching | soft and hard switching | soft and hard switching | soft and hard switching | soft and hard switching | soft and hard switching | soft and hard switching | soft and hard switching |
| Boundary effects | partially | partially | applied | applied | applied | applied | applied | applied | applied | partially |
| Nonlinear drift—voltage relationship | not applied | not applied | not applied | not applied | applied | applied | applied | applied | applied | applied |
| Tunability | low | partial | partial | partial | partial | applied | applied | applied | applied | applied |
| Complexity | low | low | low | middle | middle | middle | middle | middle | middle | middle |
| Application | analog and digital devices | analog and digital devices | analog and digital devices, NN | analog and digital devices, NN | analog and digital devices, NN, memories | analog and digital devices, NN | analog and digital devices, NN | analog and digital devices, NN | analog and digital devices, NN, memories | analog and digital devices, NN, memories |
| Criteria for Comparison | Hafnium Dioxide Memristor Models | ||||
|---|---|---|---|---|---|
| - | K6 | K7 | A6 | A7 | A8 |
| Operating frequency | low | low, middle | low, middle, high | low, middle, high | low, middle, high |
| Signal level | low | middle | low, middle, high | low, middle, high | low, middle, high |
| Nonlinearity | middle | high | high | high | high |
| Accuracy | low | middle | high | high | high |
| Activation thresholds | applied | applied | applied | applied | applied |
| Operating modes | soft switching | soft and hard switching | soft and hard switching | soft and hard switching | soft and hard switching |
| Boundary effects | not applied | applied | applied | applied | applied |
| Nonlinear drift—voltage relationship | not applied | not applied | partial | applied | applied |
| Tunability | partial | partial | applied | applied | applied |
| Complexity | middle | high | middle | middle | middle |
| Application | analogue and digital devices | analogue and digital devices, NN | analogue and digital devices, NN, memories | analogue and digital devices, NN, memories | analogue and digital devices, NN, memories |
| Criteria for Comparison | Tantalum Oxide Memristor Models | |||
|---|---|---|---|---|
| - | K8 | K9 | A9 | A10 |
| Operating frequency | low, middle, high | low, middle, high | low, middle, high | low, middle, high |
| Signal level | low, middle, high | low, middle, high | low, middle, high | low, middle, high |
| Nonlinearity | high | high | high | high |
| Accuracy | high | high | high | high |
| Activation thresholds | not applied | not applied | applied | applied |
| Operating modes | soft- and hard switching | soft- and hard switching | soft and hard switching | soft and hard switching |
| Boundary effects | partially | applied | applied | applied |
| Nonlinear drift—voltage relationship | applied | applied | applied | applied |
| Tunability | partial | applied | applied | applied |
| Complexity | high | high | middle | middle |
| Application | analogue and digital devices, NN, memories | analogue and digital devices, NN, memories | analogue and digital devices, NN, memories | analogue and digital devices, NN, memories |
Publisher’s Note: MDPI stays neutral with regard to jurisdictional claims in published maps and institutional affiliations. |
© 2021 by the author. Licensee MDPI, Basel, Switzerland. This article is an open access article distributed under the terms and conditions of the Creative Commons Attribution (CC BY) license (https://creativecommons.org/licenses/by/4.0/).
Share and Cite
Mladenov, V. A Unified and Open LTSPICE Memristor Model Library. Electronics 2021, 10, 1594. https://doi.org/10.3390/electronics10131594
Mladenov V. A Unified and Open LTSPICE Memristor Model Library. Electronics. 2021; 10(13):1594. https://doi.org/10.3390/electronics10131594
Chicago/Turabian StyleMladenov, Valeri. 2021. "A Unified and Open LTSPICE Memristor Model Library" Electronics 10, no. 13: 1594. https://doi.org/10.3390/electronics10131594
APA StyleMladenov, V. (2021). A Unified and Open LTSPICE Memristor Model Library. Electronics, 10(13), 1594. https://doi.org/10.3390/electronics10131594
