Ultra-Low-Power Circuits for Intermittent Communication
Abstract
1. Introduction
1.1. The world of Batteryless Devices
1.2. Challenges of Intermittent Communication
1.3. Contributions
2. Related Works
2.1. Ultra Low-Power Communication Techniques
2.1.1. Radio Frequency Backscatter
2.1.2. Visible Light Communication (VLC)
2.2. Protocols for Reliable Batteryless Communication
3. Circuits Supporting Reliable Intermittent Communications
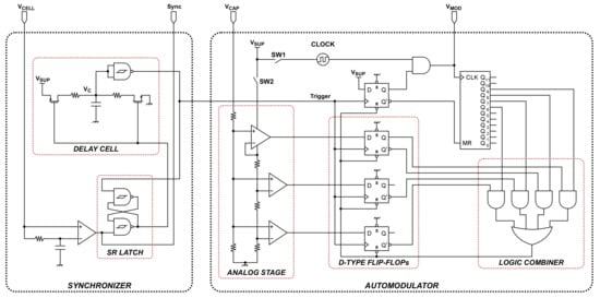
3.1. Automodulator
- An analog stage that samples the capacitor voltage through the VCAP signal and discretizes it into four different levels represented by three digital signals;
- A logic combination circuit that uses the information provided by the analog stage and, when triggered, starts producing the modulation signal VMOD for the energy status RF backscatter communication;
- An ultra-low-power and low-frequency oscillator (CLOCK) that provides the modulation frequency upon which the logic combiner constructs the modulation signal.
- Externally, the backscatter front end (visible in Figure 4), which provides access to the RF backscatter channel for the modulation signal and retrieves the neighboring node’s energy status information, providing a digital output VREC used by the node system to enable the protocol operations.
3.2. Synchronizer
3.3. Digital Decoding
- First, in the case of VLC synchronization, the trigger signal prompts the MCU to synchronize with the new incoming energy status update cycle;
- The backscatter front-end digital output VREC interrupts the microcontroller and represents the demodulated energy status burst received from a neighbor in the specific time slot;
- The microcontroller accumulates the bits and forms the transmitted energy status burst;
- Considering the duration of the burst, the microcontroller decodes the energy status and, if needed, decides to transmit data to the selected neighbor, avoiding packet losses due to power failures.
4. Results
- The sync signal represents the synchronization pulse given by the analog comparator of node 1. In the specific presented scenario, a synchronization event appears every 100 ms;
- VREC1 represents the received and demodulated bursts shared on the backscatter on the first node;
- VMOD1 represents the modulation signal on node 1. The updated energy status period is set to 50 ms (i.e., two bursts per each synchronization period);
- VMOD2 represents the modulation signal on node 2, the same for node 1;
- VC represents the node 1 synchronizer capacitor voltage responsible for the delay generation after the synchronization event;
- Trigger represents the node 1 trigger signal that fires the automodulator operation with two edges.
- First, a synchronization event is received (Sync pulse) by both nodes and starts the energy status update process.
- On node 1, the synchronizer timing capacitor starts charging (voltage VC increases), and the SR latch produces the first trigger event delayed by roughly 10 ms. Node 1 is fully charged and transmits over the backscatter channel, with a long burst encoding its high energy level, which is visible on the VMOD1.
- The same process takes place for node 2, which is in a charging phase and transmits a medium energy level burst visible on the VMOD2. Thus, no data communication can start between the two nodes.
- The timing capacitor voltage VC decreases, and after roughly 50 ms, a second energy status update is triggered on node 1.
- At that energy update interval, both nodes are at high energy levels and transmit long bursts. Both nodes receive the bursts. This is visible on the VREC1 for node 1.
- After decoding the received energy status, secure data communication can start between the two nodes using the communication slot (which, in a typical application, can be even larger and cover different energy status updates as it uses a different radio).
- After the communication completes, energy is consumed, and both nodes return to low-energy statuses.
5. Conclusions
Author Contributions
Funding
Acknowledgments
Conflicts of Interest
References
- Hester, J.; Sorber, J. The future of sensing is batteryless, intermittent, and awesome. In Proceedings of the 15th ACM Conference on Embedded Network Sensor Systems, Delft, The Netherlands, 6–8 November 2017; pp. 1–6. [Google Scholar]
- Nardello, M.; Desai, H.; Brunelli, D.; Lucia, B. Camaroptera: A batteryless long-range remote visual sensing system. In Proceedings of the 7th International Workshop on Energy Harvesting & Energy-Neutral Sensing Systems, New York, NY, USA, 10 November 2019; pp. 8–14. [Google Scholar]
- Daskalakis, S.N.; Goussetis, G.; Assimonis, S.D.; Tentzeris, M.M.; Georgiadis, A. A uW Backscatter-Morse-Leaf Sensor for Low-Power Agricultural Wireless Sensor Networks. IEEE Sens. J. 2018, 18, 7889–7898. [Google Scholar] [CrossRef]
- Assimonis, S.D.; Daskalakis, S.; Bletsas, A. Sensitive and Efficient RF Harvesting Supply for Batteryless Backscatter Sensor Networks. IEEE Trans. Microw. Theory Tech. 2016, 64, 1327–1338. [Google Scholar] [CrossRef]
- Kwan, J.C.; Fapojuwo, A.O. Sum-Throughput Maximization in Wireless Sensor Networks With Radio Frequency Energy Harvesting and Backscatter Communication. IEEE Sens. J. 2018, 18, 7325–7339. [Google Scholar] [CrossRef]
- Sartori, D.; Brunelli, D. A smart sensor for precision agriculture powered by microbial fuel cells. In Proceedings of the 2016 IEEE Sensors Applications Symposium (SAS), Catania, Italy, 20–22 April 2016; pp. 1–6. [Google Scholar] [CrossRef]
- Muscat, A.; Bhattacharya, S.; Zhu, Y. Electromagnetic Vibrational Energy Harvesters: A Review. Sensors 2022, 22, 5555. [Google Scholar] [CrossRef] [PubMed]
- Covaci, C.; Gontean, A. Piezoelectric Energy Harvesting Solutions: A Review. Sensors 2020, 20, 3512. [Google Scholar] [CrossRef] [PubMed]
- Demori, M.; Ferrari, M.; Bonzanini, A.; Poesio, P.; Ferrari, V. Autonomous Sensors Powered by Energy Harvesting from von Karman Vortices in Airflow. Sensors 2017, 17, 2100. [Google Scholar] [CrossRef] [PubMed]
- Kishore, R.A.; Priya, S. A Review on Low-Grade Thermal Energy Harvesting: Materials, Methods and Devices. Materials 2018, 11, 1433. [Google Scholar] [CrossRef] [PubMed]
- Colin, A.; Lucia, B. Chain: Tasks and channels for reliable intermittent programs. In Proceedings of the 2016 ACM SIGPLAN International Conference on Object-Oriented Programming, Systems, Languages, and Applications, Amsterdam, The Netherlands, 2–4 November 2016; pp. 514–530. [Google Scholar]
- Torrisi, A.; Brunelli, D.; Yildirim, K.S. Zero Power Energy-Aware Communication for Transiently-Powered Sensing Systems. In Proceedings of the 8th International Workshop on Energy Harvesting and Energy-Neutral Sensing Systems, Virtual Event, 16–19 November 2020; pp. 43–49. [Google Scholar]
- Rodriguez Arreola, A.; Balsamo, D.; Merrett, G.V.; Weddell, A.S. RESTOP: Retaining External Peripheral State in Intermittently-Powered Sensor Systems. Sensors 2018, 18, 172. [Google Scholar] [CrossRef] [PubMed]
- Yıldız, E.; Chen, L.; Yıldırım, K.S. Immortal Threads: Multithreaded Event-driven Intermittent Computing on Ultra-Low-Power Microcontrollers. In Proceedings of the 16th USENIX Symposium on Operating Systems Design and Implementation (OSDI 22), Carlsbad, CA, USA, 11–13 July 2022; pp. 339–355. [Google Scholar]
- Geissdoerfer, K.; Zimmerling, M. Learning to Communicate Effectively Between Battery-free Devices. In Proceedings of the 19th USENIX Symposium on Networked Systems Design and Implementation (NSDI 22), Renton, WA, USA, 4–6 April 2022; pp. 419–435. [Google Scholar]
- Yıldırım, K.S.; Majid, A.Y.; Patoukas, D.; Schaper, K.; Pawelczak, P.; Hester, J. Ink: Reactive kernel for tiny batteryless sensors. In Proceedings of the 16th ACM Conference on Embedded Networked Sensor Systems, Shenzhen, China, 4–7 November 2018; pp. 41–53. [Google Scholar]
- Balsamo, D.; Weddell, A.S.; Das, A.; Arreola, A.R.; Brunelli, D.; Al-Hashimi, B.M.; Merrett, G.V.; Benini, L. Hibernus++: A self-calibrating and adaptive system for transiently-powered embedded devices. IEEE Trans. Comput.-Aided Des. Integr. Circuits Syst. 2016, 35, 1968–1980. [Google Scholar] [CrossRef]
- Ryoo, J.; Karimi, Y.; Athalye, A.; Stanaćević, M.; Das, S.R.; Djurić, P. Barnet: Towards activity recognition using passive backscattering tag-to-tag network. In Proceedings of the 16th Annual International Conference on Mobile Systems, Applications, and Services, Munich Germany, 10–15 June 2018; pp. 414–427. [Google Scholar]
- Kantareddy, S.N.R.; Mathews, I.; Sun, S.; Layurova, M.; Thapa, J.; Correa-Baena, J.P.; Bhattacharyya, R.; Buonassisi, T.; Sarma, S.E.; Peters, I.M. Perovskite PV-Powered RFID: Enabling Low-Cost Self-Powered IoT Sensors. IEEE Sens. J. 2020, 20, 471–478. [Google Scholar] [CrossRef]
- Ryoo, J.; Jian, J.; Athalye, A.; Das, S.R.; Stanaćević, M. Design and Evaluation of “BTTN”: A Backscattering Tag-to-Tag Network. IEEE Internet Things J. 2018, 5, 2844–2855. [Google Scholar] [CrossRef]
- Majid, A.Y.; Jansen, M.; Delgado, G.O.; Yildirim, K.S.; Pawełłzak, P. Multi-hop backscatter tag-to-tag networks. In Proceedings of the IEEE INFOCOM 2019-IEEE Conference on Computer Communications, Paris, France, 29 April–2 May 2019; pp. 721–729. [Google Scholar]
- Talla, V.; Smith, J.; Gollakota, S. Advances and Open Problems in Backscatter Networking. Getmobile Mob. Comput. Commun. 2021, 24, 32–38. [Google Scholar] [CrossRef]
- Colaiuda, D.; Ulisse, I.; Ferri, G. Rectifiers’ Design and Optimization for a Dual-Channel RF Energy Harvester. J. Low Power Electron. Appl. 2020, 10, 11. [Google Scholar] [CrossRef]
- Li, D. Backscatter Communication via Harvest-Then-Transmit Relaying. IEEE Trans. Veh. Technol. 2020, 69, 6843–6847. [Google Scholar] [CrossRef]
- Rehman, S.U.; Ullah, S.; Chong, P.H.J.; Yongchareon, S.; Komosny, D. Visible light communication: A system perspective—Overview and challenges. Sensors 2019, 19, 1153. [Google Scholar] [CrossRef] [PubMed]
- Xu, X.; Shen, Y.; Yang, J.; Xu, C.; Shen, G.; Chen, G.; Ni, Y. PassiveVLC: Enabling Practical Visible Light Backscatter Communication for Battery-Free IoT Applications. In Proceedings of the 23rd Annual International Conference on Mobile Computing and Networking, MobiCom ’17, Snowbird, UT, USA, 16–17 October 2017; Association for Computing Machinery: New York, NY, USA, 2017; pp. 180–192. [Google Scholar] [CrossRef]
- Shao, S.; Khreishah, A.; Elgala, H. Pixelated VLC-Backscattering for Self-Charging Indoor IoT Devices. IEEE Photonics Technol. Lett. 2017, 29, 177–180. [Google Scholar] [CrossRef]
- Duan, R.; Wang, X.; Yigitler, H.; Sheikh, M.U.; Jantti, R.; Han, Z. Ambient Backscatter Communications for Future Ultra-Low-Power Machine Type Communications: Challenges, Solutions, Opportunities, and Future Research Trends. IEEE Commun. Mag. 2020, 58, 42–47. [Google Scholar] [CrossRef]
- Torrisi, A.; Yıldırım, K.S.; Brunelli, D. Reliable Transiently-Powered Communication. IEEE Sens. J. 2022, 22, 9124–9134. [Google Scholar] [CrossRef]
- Hester, J.; Tobias, N.; Rahmati, A.; Sitanayah, L.; Holcomb, D.; Fu, K.; Burleson, W.P.; Sorber, J. Persistent Clocks for Batteryless Sensing Devices. ACM Trans. Embed. Comput. Syst. 2016, 15, 77. [Google Scholar] [CrossRef]
- Geissdoerfer, K.; Zimmerling, M. Bootstrapping Battery-free Wireless Networks: Efficient Neighbor Discovery and Synchronization in the Face of Intermittency. In Proceedings of the 18th USENIX Symposium on Networked Systems Design and Implementation (NSDI 2021), Virtual Event, 12–14 April 2021; pp. 439–455. [Google Scholar]
- De Winkel, J.; Delle Donne, C.; Yildirim, K.S.; Pawełczak, P.; Hester, J. Reliable Timekeeping for Intermittent Computing. In Proceedings of the Twenty-Fifth International Conference on Architectural Support for Programming Languages and Operating Systems, Lausanne, Switzerland, 16–20 March 2020; pp. 53–67. [Google Scholar]
- Mir, M.S.; Guzman, B.G.; Varshney, A.; Giustiniano, D. PassiveLiFi: Rethinking LiFi for Low-Power and Long Range RF Backscatter. In Proceedings of the 27th Annual International Conference on Mobile Computing and Networking, MobiCom ’21, New Orleans, LA, USA, 25–29 October 2021; Association for Computing Machinery: New York, NY, USA, 2021; pp. 697–709. [Google Scholar] [CrossRef]
- Kim, G.; Lee, Y.; Bang, S.; Lee, I.; Kim, Y.; Sylvester, D.; Blaauw, D. A 695 pW standby power optical wake-up receiver for wireless sensor nodes. In Proceedings of the IEEE 2012 Custom Integrated Circuits Conference, San Jose, CA, USA, 9–12 September 2012; pp. 1–4. [Google Scholar]
- Torrisi, A.; Yıldırım, K.S.; Brunelli, D. Visible Light Synchronization for Time-Slotted Energy-Aware Transiently-Powered Communication. In Proceedings of the 2022 IEEE/ACM International Symposium on Low Power Electronics and Design (ISLPED), Boston, MA, USA, 1–3 August 2022. [Google Scholar]








| Battery-Powered | Batteryless |
|---|---|
| Relatively high maintenance costs | Quasi-zero maintenance costs |
| High disposal costs | Low disposal costs |
| Relatively large weight and dimensions | Drastically reduced weight and dimensions |
| Well-known energy budget | Limited and not constant energy budget |
| Continuous operations | Intermittent operations |
| Energy Level | Burst Pulses Length | Th 1 -2 -3 | Counter Outputs |
|---|---|---|---|
| Lowest | 32 | 0-0-0 | Q6 |
| Mid-low | 64 | 1-0-0 | Q6-Q7 |
| Mid-high | 128 | 1-1-0 | Q6-Q7-Q8 |
| Highest | 256 | 1-1-1 | Q6-Q7-Q8-Q9 |
| Block | Current [µA] | Power [µW] | |
|---|---|---|---|
| Automodulator | Logic core | 0.39 | 1.29 |
| Low-frequency oscillator | 2.06 | 6.80 | |
| Analog stage | 0.48 | 1.58 | |
| Capacitor sense current | 0.25 | 0.83 | |
| Synchronizer | Delay cell | 0.45 | 1.5 |
| Overall | 3.63 | 12.0 |
Publisher’s Note: MDPI stays neutral with regard to jurisdictional claims in published maps and institutional affiliations. |
© 2022 by the authors. Licensee MDPI, Basel, Switzerland. This article is an open access article distributed under the terms and conditions of the Creative Commons Attribution (CC BY) license (https://creativecommons.org/licenses/by/4.0/).
Share and Cite
Torrisi, A.; Yıldırım, K.S.; Brunelli, D. Ultra-Low-Power Circuits for Intermittent Communication. J. Low Power Electron. Appl. 2022, 12, 60. https://doi.org/10.3390/jlpea12040060
Torrisi A, Yıldırım KS, Brunelli D. Ultra-Low-Power Circuits for Intermittent Communication. Journal of Low Power Electronics and Applications. 2022; 12(4):60. https://doi.org/10.3390/jlpea12040060
Chicago/Turabian StyleTorrisi, Alessandro, Kasım Sinan Yıldırım, and Davide Brunelli. 2022. "Ultra-Low-Power Circuits for Intermittent Communication" Journal of Low Power Electronics and Applications 12, no. 4: 60. https://doi.org/10.3390/jlpea12040060
APA StyleTorrisi, A., Yıldırım, K. S., & Brunelli, D. (2022). Ultra-Low-Power Circuits for Intermittent Communication. Journal of Low Power Electronics and Applications, 12(4), 60. https://doi.org/10.3390/jlpea12040060

