Next Article in Journal
A 100 MHz 0.41 fJ/(Bit∙Search) 28 nm CMOS-Bulk Content Addressable Memory for HEP Experiments
Previous Article in Journal
Challenges and Opportunities in Near-Threshold DNN Accelerators around Timing Errors
 
 
Font Type:
Arial Georgia Verdana
Font Size:
Aa Aa Aa
Line Spacing:
Column Width:
Background:
Article

Simple Scheme for the Implementation of Low Voltage Fully Differential Amplifiers without Output Common-Mode Feedback Network

by
Mario Renteria-Pinon
1,*,
Jaime Ramirez-Angulo
1,2 and
Alejandro Diaz-Sanchez
2
1
Klipsch School of Electrical and Computer Engineering, New Mexico State University, Las Cruces, NM 88003, USA
2
Department of Electronics, INAOE, Puebla 72840, Mexico
*
Author to whom correspondence should be addressed.
J. Low Power Electron. Appl. 2020, 10(4), 34; https://doi.org/10.3390/jlpea10040034
Submission received: 9 August 2020 / Revised: 17 October 2020 / Accepted: 21 October 2020 / Published: 23 October 2020

Abstract

:
A simple scheme to implement class AB low-voltage fully differential amplifiers that do not require an output common-mode feedback network (CMFN) is introduced. It has a rail to rail output signal swing and high rejection of common-mode input signals. It operates in strong inversion with ±300 mV supplies in a 180 nm CMOS process. It uses an auxiliary amplifier that minimizes supply requirements by setting the op-amp input terminals very close to one of the rails and also serves as a common-mode feedback network to generate complementary output signals. The scheme is verified with simulation results of an amplifier that consumes 25 µW, has a gain-bandwidth product (GBW) of 16.1 MHz, slew rate (SR) of 8.4 V/µs, the small signal figure of merit (FOMSS) of 6.49 MHz*pF/µW, the large signal figure of merit (FOMLS) of 3.39 V/µs*pF/µW, and current efficiency (CE) of 2.03 in strong inversion, with a 10 pF load capacitance.

1. Introduction

As CMOS technologies scale down, supply voltage requirements have been reduced. The need for transistor size and power supply scaling has been motivated by the rapid increase in the market of portable devices (i.e., for Internet of Things and biomedical applications) and their need for low-voltage, low-power circuitry to increase battery time [1]. Analog circuits, contrary to their digital counterpart, have not easily adapted to the rapid supply voltage downscaling, mostly due to the fact that the threshold voltages have been reduced at a much lower rate than the supply voltage and currently represent a significant fraction of the nominal supply voltage in current deep sub-micrometer CMOS technologies [2]. The minimum supply voltage of circuits with operational amplifiers is determined by the headroom H R D P of the differential input stage. Signals in conventional op-amp topologies usually have a mid-supply common-mode component to allow for maximum and symmetrical peak-peak signal swing close to the supply voltage. This requires a minimum supply V s u p p l y M I N = 2 H R D P in conventional architectures. With the current values of supply and threshold voltages, this biasing no longer allows transistors to operate in strong inversion in conventional amplifiers.
Several techniques have been proposed to solve this problem. Bulk driven (BD) amplifiers [3,4,5,6,7] can operate with reduced supply voltages; however, the bulk-to-source transconductance g m b of MOS transistors is significantly lower than their gate-to-source transconductance g m (by approximately a factor 5). An additional degradation factor of BD circuits comes from the fact that PMOS differential pairs are commonly used in the input stage of BD amplifiers. PMOS transistors have an additional factor 3–5 lower transconductance gain than NMOS transistors with the same bias current and dimensions. This degrades the performance of bulk driven circuits in terms of bandwidth, noise, DC offset and causes their figure of merit F O M = G B W C L / P d i s s and power efficiency to be lower than that of their gate driven (GD) counterparts for similar bias currents ( P d i s s is the static power dissipation, and CL is the load capacitance). An additional disadvantage of BD circuits is that their input swing is severely limited in order to prevent forward biasing of the MOS transistor substrate-source and substrate-drain PN junctions that can lead to destructive latch-up. This constrains BD circuits to operate in subthreshold with supply voltages lower than 0.6 V and with small gain-bandwidth products (GBWs, typically lower than 50   kHz ). Circuits with floating gates input differential pairs have been reported for the implementation of gate driven low supply circuits with transistors in saturation [8]. Since they are based on capacitive voltage dividers at the input terminals of the op-amp, they are also subject to GBW, noise, and offset degradation. Circuits with quasi-floating gate transistors overcome these problems and can operate with low supply voltages, but they require a DC offset cancellation circuit to prevent saturation of the output nodes [9]. Two non-conventional techniques of digital-based (DB) operational transconductance amplifiers (OTAs) have been proposed for the implementation of low supply voltage systems. One of them is based on “time signal processing” and is characterized by relatively small and large signal FOM [10]. The other one is based on the digital implementation of differential pairs using inverters [11]. This technique has large FOMs and has been refined to introduce digital calibration [12], but it is characterized by relatively low CMRR and open-loop gain, and their voltage gain accuracy (when implementing amplifiers) does not depend on component ratios.
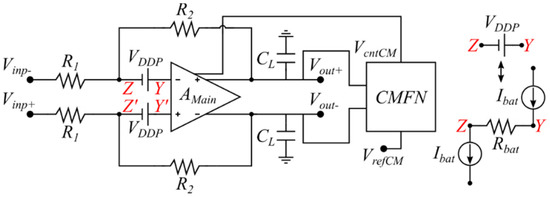
Two families of gate driven low voltage techniques with transistors in saturation are based on DC level shifting techniques, which cause the op-amp input terminals to operate very close to a supply rail. This provides headroom H R D P for the op-amp NMOS differential input stage, which is close to the total supply voltage H R D P V s u p p l y = | V D D V S S | and allows reduction by almost a factor 2 of the minimum supply voltage V s u p p l y M I N . One of the families is based on voltage-mode techniques and uses floating DC voltage sources [13]. This technique inserts floating DC voltage sources (see Figure 1) with value V D D P = V D D V D S s a t V D D 0.1 V inserted in series with the op-amp input terminals (an NMOS input differential pair is assumed). The floating DC sources are implemented, as shown in Figure 1, with a resistor R b a t and matches sinking and sourcing current sources I b a t that satisfy V D D P = I b a t R b a t . They allow signal nodes Z, Z’ to operate at the mid-supply voltage and maintain at the same time the op-amp input terminals at a voltage V D D P (close to V D D ), which reduces the minimum supply requirements by close to a factor two ( V D D s u p p l y M I N ~ H R D P ) . A drawback of this approach is the additional noise introduced by the resistors R b a t . A current-mode family of low voltage amplifiers is based on current source DC level shifting techniques. They apply common-mode level shifting currents I C M at the op-amp input terminals. These currents pull the voltage level at the input terminals of the op-amp to a voltage V D D P close to the upper rail. The injected currents I C M must satisfy the condition I C M = V D D P / ( R 1 | | R 2 ) ( V C M i n p / R 1 + V r e f C M / R 2 ) , where V C M i n p = ( V i n p + + V i n p ) / 2 is the common-mode voltage of the input signals V i n p + and V i n p , and V r e f C M is the reference common-mode output voltage.
In the implementation of Figure 2 [14,15], pull-up resistors R P U with fixed value R P U = ( V D D / V D D P 1 ) ( R 1 | | R 2 ) are used to generate constant currents I C M = V D D P / ( R 1 | | R 2 ) , which assume a constant input common-mode component (usually V r e f C M = 0 ) and constant supply V D D . Due to the fixed value of R P U , the scheme is not functional if common-mode input signals are present or if there are variations in the supply voltage V D D . Another drawback is that for V D D close to V D D P , the pull-up resistors R P U are required to have values R P U R 1 | | R 2 ; this leads to significant degradation of the amplifier’s bandwidth and offset since R P U is an integral part of the amplifier’s feedback network β, and R P U decreases the value of the feedback factor β. This degrades the bandwidth (BW) given by B W = β ( G B W ) . It can also significantly increase the output DC offset voltage and noise. Figure 2 illustrates another implementation of the current source level shifting scheme reported in [16]. In this implementation level, shifting currents I C M , which include a component dependent on the common-mode input signal V C M i n p , are injected at the op-amp input terminal. The common-mode input voltage V C M i = ( V i + + V i ) / 2 of the op-amp input terminals is sensed using resistors R C M i in the main amplifier. An auxiliary amplifier A A U X drives transistors M1, M1′; this generates matched currents I C M , which leads to V C M i = V D D P . This scheme is functional with variable supply voltage and variable common-mode input voltage V C M i n p , but the common-mode sensing resistors R C M i also lead to bandwidth and offset degradation. This is to a much lower degree than the scheme of Figure 2 since no condition is placed on the value of R C M i , which can take values R C M i R 1 to minimize BW and offset degradation. The three fully differential low-voltage amplifier schemes of Figure 1 and Figure 2 require a relatively complex output common-mode feedback network that can also operate with a low supply voltage.
In this paper, a current-mode DC level shifting technique for the implementation of fully differential low supply voltage amplifiers and transistors operating in saturated mode is proposed, which overcomes the problems listed above. It is functional with variable supply voltages. It has high common-mode input signal rejection, high open-loop gain, and high small signal and large signal FOMs. Its main advantage is that it does not require a low-voltage output common-mode feedback network, and it does not include additional resistors in the main amplifier feedback network that degrades BW, DC offset, and noise. The proposed circuit is described in the next Section 2.

2. Circuit Description of the Implementation of Proposed Current Mode Low Voltage Technique

We assume in the following discussion, without loss of generality, fully differential Miller op-amps operating from dual symmetrical supplies V D D = V S S = V s u p p l y / 2 , with NMOS input differential stages and with input/output signals having quiescent common-mode voltages that correspond to the mid-supply value V C M i n p Q = V C M o u t Q = ( V D D V S S ) / 2 = 0 . Operation at low voltage is achieved in the proposed circuit by shifting also the common-mode voltage of the amplifier input terminals V C M i = ( V i + + V i ) / 2 to a voltage V D D P close to the upper rail V D D   . This is done by injecting level shifting currents sources I C M at the op-amp input terminals (nodes Z, Z’). Figure 3 shows the scheme of the proposed amplifier that includes, besides the main amplifier, also an auxiliary amplifier A A U X . The transistor-level implementation of the fully differential op-amp and the auxiliary amplifier are shown in Figure 4a,b, respectively.
The level shifting common-mode current sources have a value I C M = I 1 + I 2 = ( V D D P V C M i n p ) / R 1 + ( V D D P V r e f C M ) / R 2 , where V C M i n p = ( V i n p + + V i n p ) / 2 is the common-mode voltage of V i n p + and V i n p that might include common-mode signals, and V r e f C M is the reference nominal common-mode output voltage (usually to maximize and obtain symmetrical output signal swing V r e f C M = 0 , but it can take a different value). These currents are generated by the single-ended auxiliary amplifier A A U X . This amplifier has its positive input terminal connected to V D D P and has three outputs, two of them with factor 10 current scaling/replication. The output V o 1 is connected to the negative input terminal of A A U X at node Q. This node is also connected to two resistors with values 20 R 1 and to a resistor with value 10 R 2 . The main amplifier input signals V i n p + , V i n p are applied to one of the terminals of the resistors with value 20 R 1 , and the output common-mode reference voltage V r e f C M is applied to one terminal of the resistor 10 R 2 . Due to negative feedback, the current delivered by the output terminal V o 1 to node Q has a value I C M / 10 = ( I 1 + I 2 ) / 10 . Outputs V o 2 and V o 3 of the auxiliary amplifier deliver accurate scaled-up replicas (by factor 10) with value I C M to nodes Z, Z’ of the main amplifier. Besides pulling up the op-amp common-mode input voltage V C M i to a value V C M i =   V D D P , at the same time, currents I C M lead to complementary output signals with a common-mode voltage V r e f C M . It can be seen that the auxiliary amplifier performs simultaneously as a common-mode sensor for V i n p + , V i n p , as a DC level shifter for the op-amp input terminals, and as a replacement for the output common-mode feedback network. Besides working as a level shifter with input common-mode rejection, it generates complementary output signals with an output common-mode voltage V r e f C M . Scaling down by factor 10 the current delivered by V o 1 with resistors 20 R 1 and 10 R 2 in the auxiliary amplifier is done with the purpose of reducing power dissipation (and increasing power efficiency of the proposed scheme) since in this case, the output of the auxiliary amplifier has a current I C M / 10 . Transistors M6-M8 in A A U X of Figure 4b are also scaled down by a factor 10 with the same purpose.
The main op-amp is designed as a fully differential two-stage AB (Miller) op-amp. Resistors R C M in the input stage of Figure 4a implement a resistive local common-mode feedback network [17]. They set the DC operating point at nodes X, X’ to value V X = V X = V D D V S G M 6 and provide complementary signals at these nodes. This is required since the op-amp does not have an output common-mode feedback network (CMFN). The output stage is a high power-efficient “free class AB amplifier” [18] that provides approximately symmetrical positive and negative slew rates not limited by the quiescent current of the output stage. R l a r g e and C b a t are used to set the quiescent output current and to provide dynamic class AB operation to the output stage. R C and C C are conventional Miller compensation elements.

3. Results

The proposed low voltage amplifier of Figure 2 is simulated using cadence design framework with ±300 mV dual supplies, in a commercial 180 nm technology that has a nominal supply voltage V s u p p l y n o m = 1.8   V using V D D P = 200   mV and I b i a s = 5   µ A in three different cases: (a) Applying common-mode input signals V i n p + = V i n p = V s ; (b) Applying a single-ended input V i n p + = V s , V i n p = 0 ; (c) Applying complementary input signals with zero common-mode input voltage V i n p + = V s / 2 , V i n p = V s / 2 . The input test signal V s is a 100 kHz sinusoidal signal with a 20 mV peak amplitude. Resistors R 1 and R 2 are set for a nominal gain G   =   R 2 / R 1 = 10   V / V . Figure 5a shows the differential output voltage V o u t p u t and the single-ended complementary outputs V o + and V o for the last two cases, while Figure 5b shows the differential output V o u t p u t and single-ended outputs V o + and V o for common-mode inputs. Notice that the results are the same for the last two cases. This verifies the high rejection of common-mode input signals with the generation of complementary output signals at mid-supply in the proposed scheme. It also shows operation with a total supply V D D V S S = 600   mV .
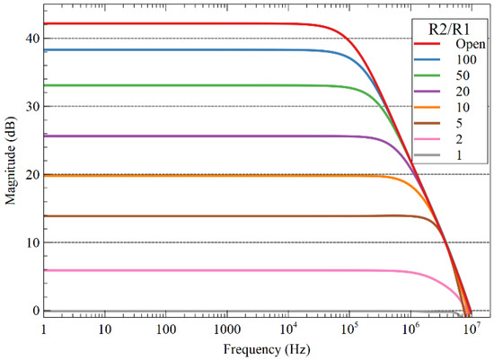
Figure 6 shows the simulated frequency response of the amplifier for nominal gains: 1, 2, 10, 20, 50, 100, and open loop. The DC open-loop gain is found to be 42.2   dB . The unity gain frequency of the open-loop response is 10   MHz . The slew rate of 8.4 V/µs is calculated from the pulse response of Figure 7, with a 500   kHz , 1   V p p differential input pulse, and in this case, the gain of the amplifier is set to 1. Figure 8 shows the transient simulation of V o u t p u t at different gains for a 100   kHz , 20   mV peak sinusoidal differential input signal.
The proposed circuit is fabricated in a TSMC 180 nm CMOS process for a fixed gain of 10 with resistors R 2 = 500   k Ω and R 1 = 50   k Ω . Functionality with a gain of 9.87   V / V is verified with dual supplies ±300 mV and V D D P = 180   mV and with 5   μ A bias current. An input offset of 1.9   mV is measured. Figure 9 shows the chip microphotograph and circuit layout design. Table 1 shows the design parameters of the proposed circuit.
Table 2 shows the parameters obtained from the characterization in the cadence of the circuit with 5   μ A bias current. This table also contains the comparison with other gate driven and bulk driven low voltage amplifiers. Corner analysis of the performance parameters of the proposed amplifier at three temperatures is included in Table 3.

4. Conclusions

A simple, power-efficient technique to implement low voltage gate driven amplifiers based on a current source level shifting technique is presented and verified in 180 nm CMOS technology with ±300 mV supplies. This corresponds to a 66.6% reduction of the nominal 1.8 V supply voltage. It does not lead to BW and offset degradation and has a high rejection of common-mode input signals. An important advantage over previous voltage and current mode schemes is that it does not require a low voltage output common-mode feedback network but, still, has the high rejection of common-mode signals.

Author Contributions

Investigation, M.R.-P., J.R.-A., and A.D.-S.; and writing—review and editing, M.R.-P., J.R.-A., and A.D.-S. All authors have read and agreed to the published version of the manuscript.

Funding

This research received no external funding.

Acknowledgments

The authors thank MOSIS for providing the design manufacturing service. In addition, the support granted by CONACYT through a graduate fellowship for Mario Renteria-Pinon is acknowledged.

Conflicts of Interest

The authors declare no conflict of interest.

References

  1. Alioto, M. Enabling the Internet of Things—From Integrated Circuits to Integrated Systems, 1st ed.; Springer: Berlin, Germany, 2017. [Google Scholar]
  2. Kinget, P.R. Scaling analog circuits into deep nanoscale CMOS: Obstacles and ways to overcome them. In Proceedings of the 2015 IEEE Custom Integrated Circuits Conference (CICC), San Jose, CA, USA, 28–30 September 2015; pp. 1–8. [Google Scholar]
  3. Kulej, T.; Khateb, F. A Compact 0.3-V Class AB Bulk-Driven OTA. IEEE Trans. Large Scale Integr. (VLSI) Syst. 2020, 28, 224–232. [Google Scholar] [CrossRef]
  4. Kulej, T.; Khateb, F. Design and implementation of sub 0.5-V OTAs in 0.18-μm CMOS. Int. J. Circuit Theory Appl. 2018, 46, 1129–1143. [Google Scholar] [CrossRef]
  5. Cabrera-Bernal, E.; Pennisi, S.; Grasso, A.D.; Torralba, A.; Carvajal, R.G. 0.7-V three-stage class-AB CMOS operational transconductance amplifier. IEEE Trans. Circuits Syst. I Regul. Pap. 2016, 63, 1807–1815. [Google Scholar] [CrossRef]
  6. Carrillo, J.M.; Torelli, G.; Dominguez, M.A.; Perez-Aloe, R.; Valverde, J.M.; Duque-Carrillo, J.F. A Family of Low-Voltage Bulk-Driven CMOS Continuous-Time CMFB Circuits. IEEE Trans. Circuits Syst. II Express Briefs 2010, 57, 863–867. [Google Scholar] [CrossRef]
  7. Monsurro, P.; Pennisi, S.; Scotti, G.; Trifiletti, A. Exploiting the body of MOS Devices for high Performance Analog Design. IEEE Circuits Syst. Mag. 2011, 11, 8–23. [Google Scholar] [CrossRef]
  8. Ramirez-Angulo, J.; Choi, S.C.; Gonzalez-Altamirano, G. Low-voltage circuits building blocks using multiple-input floating-gate transistors. IEEE Trans. Circuits Syst. I Fundam. Theory Appl. 1995, 42, 971–974. [Google Scholar] [CrossRef]
  9. Ramirez-Angulo, J.; Urquidi, C.A.; Gonzalez-Carvajal, R.; Torralba, A.; Lopez-Martin, A. A new family of very low-voltage analog circuits based on quasi-floating-gate transistors. IEEE Trans. Circuits Syst. II Analog Digit. Signal Process. 2003, 50, 214–220. [Google Scholar] [CrossRef]
  10. Kalani, S.; Kinget, P.R. Zero-Crossing-Time-Difference Model for Stability Analysis of VCO-Based OTAs. IEEE Trans. Circuits Syst. I Regul. Pap. 2020, 67, 839–851. [Google Scholar] [CrossRef]
  11. Crovetti, P.S. A Digital-Based Analog Differential Circuit. IEEE Trans. Circuits Syst. I Regul. Pap. 2013, 60, 3107–3116. [Google Scholar] [CrossRef]
  12. Toledo, P.; Crovetti, P.; Klimach, H.; Bampi, S. Dynamic and Static Calibration of Ultra-Low-Voltage, Digital-Based Operational Transconductance Amplifiers. Electronics 2020, 9, 983. [Google Scholar] [CrossRef]
  13. Ramírez-Angulo, J.; Torralba, A.; Carvajal, R.G.; Tombs, J. A simple technique for low-voltage op-amp operation in continuous-time. IEE Electron. Lett. 1999, 35, 263–264. [Google Scholar] [CrossRef]
  14. Chatterjee, S.; Tsividis, Y.; Kinget, P. 0.5-V analog circuit techniques and their application in OTA and filter design. IEEE J. Solid State Circuits 2005, 40, 2373–2387. [Google Scholar] [CrossRef]
  15. Banu, M.; Khoury, J.M.; Tsividis, Y. Fully differential operational amplifiers with accurate output balancing. IEEE J. Solid State Circuits 1988, 23, 1410–1414. [Google Scholar] [CrossRef]
  16. Karthikeyan, S.; Mortezapour, S.; Tammineedi, A.; Lee, E.K.F. Low-voltage analog circuit design based on biased inverting opamp configuration. IEEE Trans. Circuits Syst. II Analog Digit. Signal Process. 2000, 47, 176–184. [Google Scholar] [CrossRef]
  17. Ramirez-Angulo, J.; Holmes, M. Simple technique using Local CMFB to enhance Slew Rate and bandwidth of one-Stage CMOS op-amps. Electron. Lett. 2002, 38, 1409–1411. [Google Scholar] [CrossRef]
  18. Ramirez-Angulo, J.; Carvajal, R.G.; Galan, J.A.; Lopez-Martin, A. A free but efficient low-voltage class-AB two-stage operational amplifier. IEEE Trans. Circuits Syst. II Express Briefs 2006, 53, 568–571. [Google Scholar] [CrossRef]
Figure 1. Voltage-mode technique using floating batteries.
Figure 1. Voltage-mode technique using floating batteries.
Jlpea 10 00034 g001
Figure 2. (a) Current mode low voltage technique I: pull up resistor level shifting technique. (b) Current mode technique II: current source level shifting technique.
Figure 2. (a) Current mode low voltage technique I: pull up resistor level shifting technique. (b) Current mode technique II: current source level shifting technique.
Jlpea 10 00034 g002
Figure 3. Proposed current source level shifting technique.
Figure 3. Proposed current source level shifting technique.
Jlpea 10 00034 g003
Figure 4. (a) Free class AB two-stage (Miller) amplifier. (b) Auxiliary amplifier.
Figure 4. (a) Free class AB two-stage (Miller) amplifier. (b) Auxiliary amplifier.
Jlpea 10 00034 g004
Figure 5. Transient response of the proposed amplifier with nominal gain G = 10. (a) Vout, Vo+, and Vo− waveforms (same) with complementary and single-ended input signals. (b) Vout, Vo+, and Vo− waveforms with common-mode input signals.
Figure 5. Transient response of the proposed amplifier with nominal gain G = 10. (a) Vout, Vo+, and Vo− waveforms (same) with complementary and single-ended input signals. (b) Vout, Vo+, and Vo− waveforms with common-mode input signals.
Jlpea 10 00034 g005
Figure 6. Frequency response for various gain values.
Figure 6. Frequency response for various gain values.
Jlpea 10 00034 g006
Figure 7. Pulse response at unity gain for slew rate (SR) characterization.
Figure 7. Pulse response at unity gain for slew rate (SR) characterization.
Jlpea 10 00034 g007
Figure 8. Transient response differential output V o u t p u t with 100 kHz, 20 mV peak sinusoidal input.
Figure 8. Transient response differential output V o u t p u t with 100 kHz, 20 mV peak sinusoidal input.
Jlpea 10 00034 g008
Figure 9. (a) Test chip microphotograph with a proposed circuit highlighted in red, (b) Layout design of the proposed circuit.
Figure 9. (a) Test chip microphotograph with a proposed circuit highlighted in red, (b) Layout design of the proposed circuit.
Jlpea 10 00034 g009
Table 1. Design Parameters.
Table 1. Design Parameters.
Parameters
Ibias (µA)5
NMOS W/L (µm)30/0.5
PMOS W/L (µm)75/0.5
Rlarge (kΩ)100
Rcm (MΩ)1
Rc (kΩ)20
Cc (pF)0.8
Cbat (pF) 2
R2 (kΩ)140
R1 (kΩ)14
Table 2. Performance parameters and comparison.
Table 2. Performance parameters and comparison.
This Work[3]
2020
[4]
2018
[5]
2016
[14]
2005
[16]
2000
Technology (nm)1801801801801801200
Topology *FD, GDSE, BDSE, BDSE, BDFD, GDFD, GD
Ibias (µA)5 55--70
Supply voltages (mV)±300600600700500 1 V
SR+ (V/µs)8.41.6131.82 0.3
SR (V/µs)8.42.22.943.8- -
GBW (MHz)16.1 2.12.343109
PM54°598560--
DC gain (dB)42.257.95657.56260
CL (pF) 103020202020
Input noise (nV/√Hz) at 1 MHz69909010070-
CMRR (dB)85.1275601974.5 -
PSRR+ (dB)53.2569.22452.181.4-
PSRR − (dB)56.89--66.4--
Pdiss (µW)24.84412025.475250
FOMSS 6.491.430.62.42.70.72
FOMLS 3.391.090.772.20.540.024
CE **2.030.440.43.10.530.05
* Topology: FD: fully differential, SE: single-ended, GD: gate driven, BD: bulk driven. ** Current efficiency CE = Ioutmax/ITotalQ.
Table 3. Corner analysis.
Table 3. Corner analysis.
T = 27 °CT = 0 °CT = 100 °C
CornerttfffssfssSDttfffssfssSDttfffssfssSD
ITotalQ (µA)82.785.683.983.783.31.0983.88582.982.982.31.0584.785.885.585.183.60.86
GBW (MHz)16.116.811.315.414.12.1716.417.61113.710.13.2713.7141113.813.41.24
PM54535454550.7154535455613.2154545354540.45
Gain (dB)42.242.341.542.441.50.4442.142.341.442.1343.5841.941.941.442.141.90.26
SR+ (V/µs)8.48.87.48.67.70.68.38.87.28.57.10.788.48.67.68.68.10.42
SR (V/µs)8.48.87.48.67.70.68.38.87.28.57.10.788.48.67.68.68.10.42
CMRR (dB)85.189.380.592.390.74.890.189.979.894.691.25.586.886.582.188.387.32.4
PSRR + (dB)53.362.234.770.56113.56162.53372.86515.25960.738.466.557.410.6
PSRR − (dB)56.978.550.279.29116.784.97949.771.363.613.875.878.253.384.774.711.9
Pdiss24.825.725.225.1250.3325.125.524.924.924.70.3225.425.725.725.525.10.26
FOMSS6.496.544.496.135.640.856.526.94.425.514.091.245.395.444.295.415.340.5
FOMLS3.393.432.943.423.080.233.33.452.93.422.880.283.313.342.963.373.230.16
Publisher’s Note: MDPI stays neutral with regard to jurisdictional claims in published maps and institutional affiliations.

Share and Cite

MDPI and ACS Style

Renteria-Pinon, M.; Ramirez-Angulo, J.; Diaz-Sanchez, A. Simple Scheme for the Implementation of Low Voltage Fully Differential Amplifiers without Output Common-Mode Feedback Network. J. Low Power Electron. Appl. 2020, 10, 34. https://doi.org/10.3390/jlpea10040034

AMA Style

Renteria-Pinon M, Ramirez-Angulo J, Diaz-Sanchez A. Simple Scheme for the Implementation of Low Voltage Fully Differential Amplifiers without Output Common-Mode Feedback Network. Journal of Low Power Electronics and Applications. 2020; 10(4):34. https://doi.org/10.3390/jlpea10040034

Chicago/Turabian Style

Renteria-Pinon, Mario, Jaime Ramirez-Angulo, and Alejandro Diaz-Sanchez. 2020. "Simple Scheme for the Implementation of Low Voltage Fully Differential Amplifiers without Output Common-Mode Feedback Network" Journal of Low Power Electronics and Applications 10, no. 4: 34. https://doi.org/10.3390/jlpea10040034

APA Style

Renteria-Pinon, M., Ramirez-Angulo, J., & Diaz-Sanchez, A. (2020). Simple Scheme for the Implementation of Low Voltage Fully Differential Amplifiers without Output Common-Mode Feedback Network. Journal of Low Power Electronics and Applications, 10(4), 34. https://doi.org/10.3390/jlpea10040034

Note that from the first issue of 2016, this journal uses article numbers instead of page numbers. See further details here.

Article Metrics

Back to TopTop