Temperature Compensation Circuit for ISFET Sensor
Abstract
1. Introduction
2. ISFET Macro Model
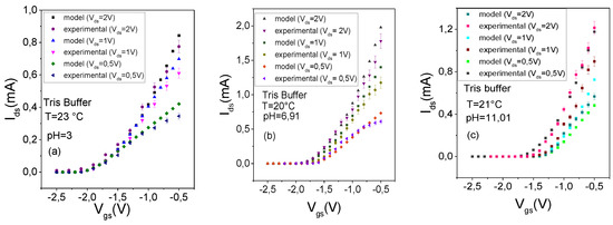
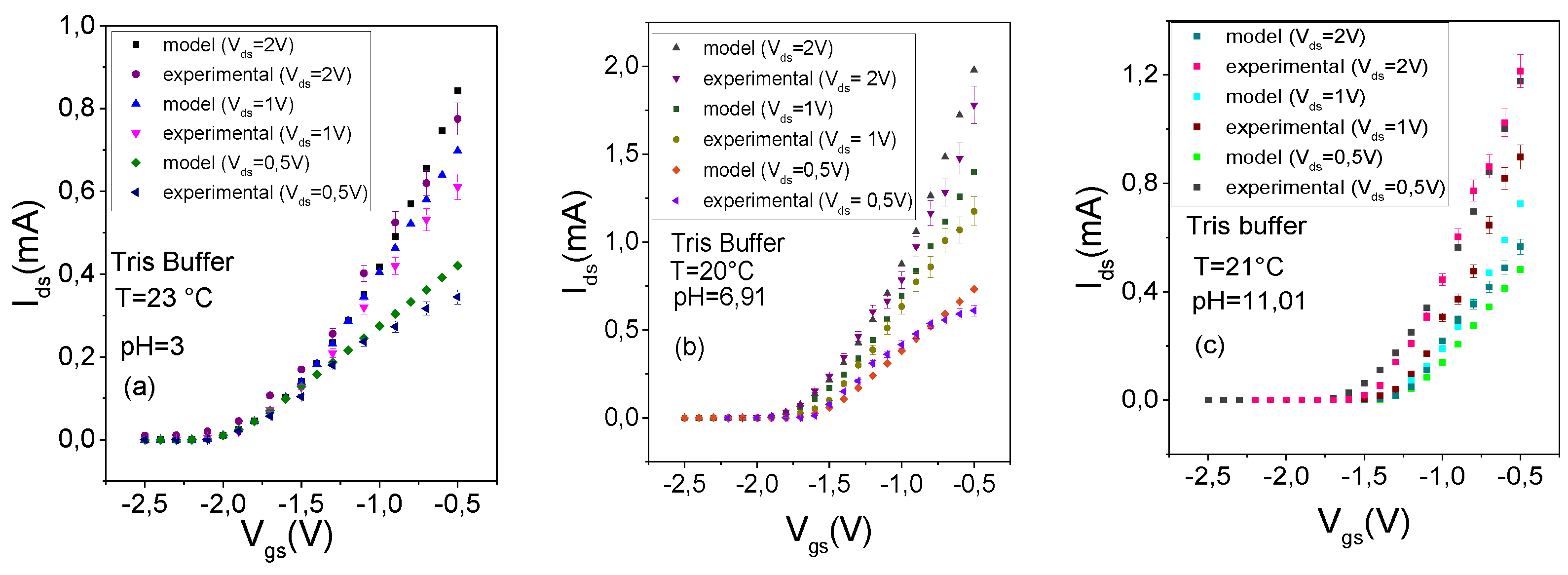
2.1. Fabrication and Testing
2.2. Sensor Sensitivity
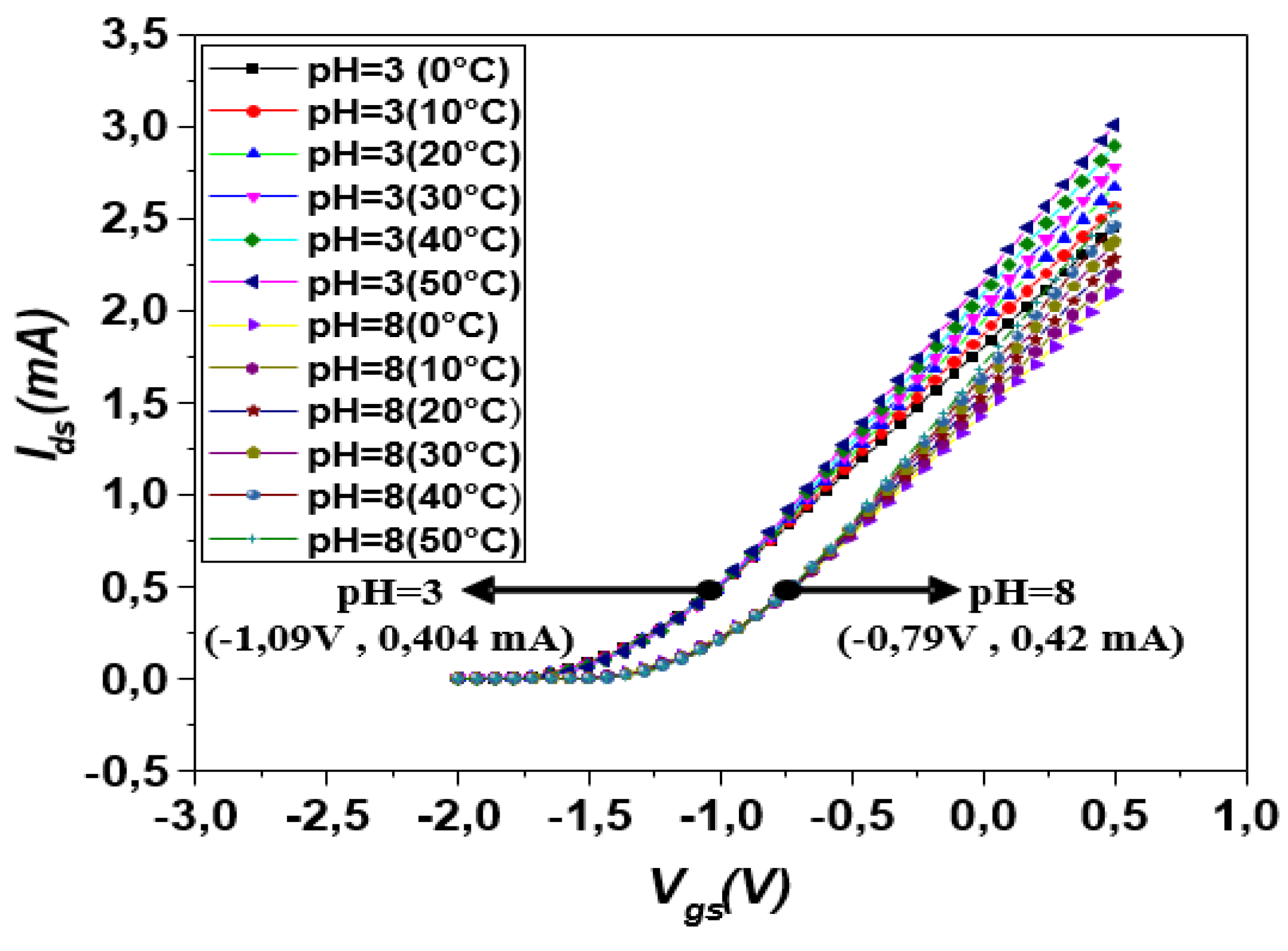
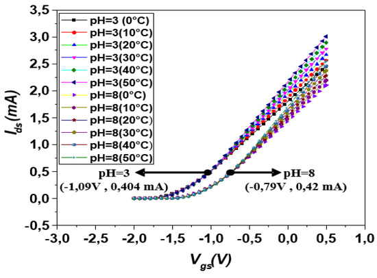
3. ISFET Temperature-Dependent Behavior
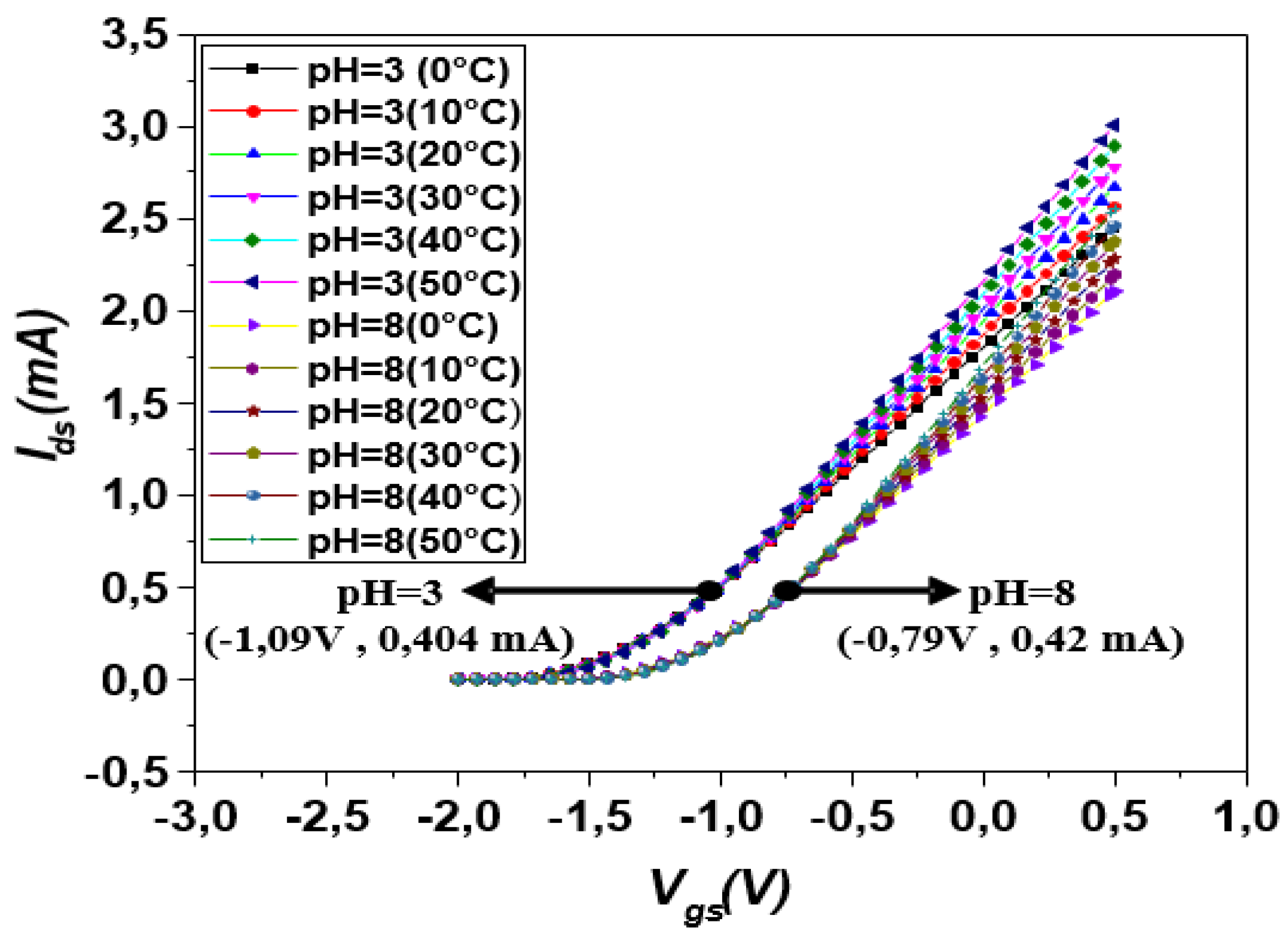
Analysis of the Temperature Effect on the ISFET Sensor
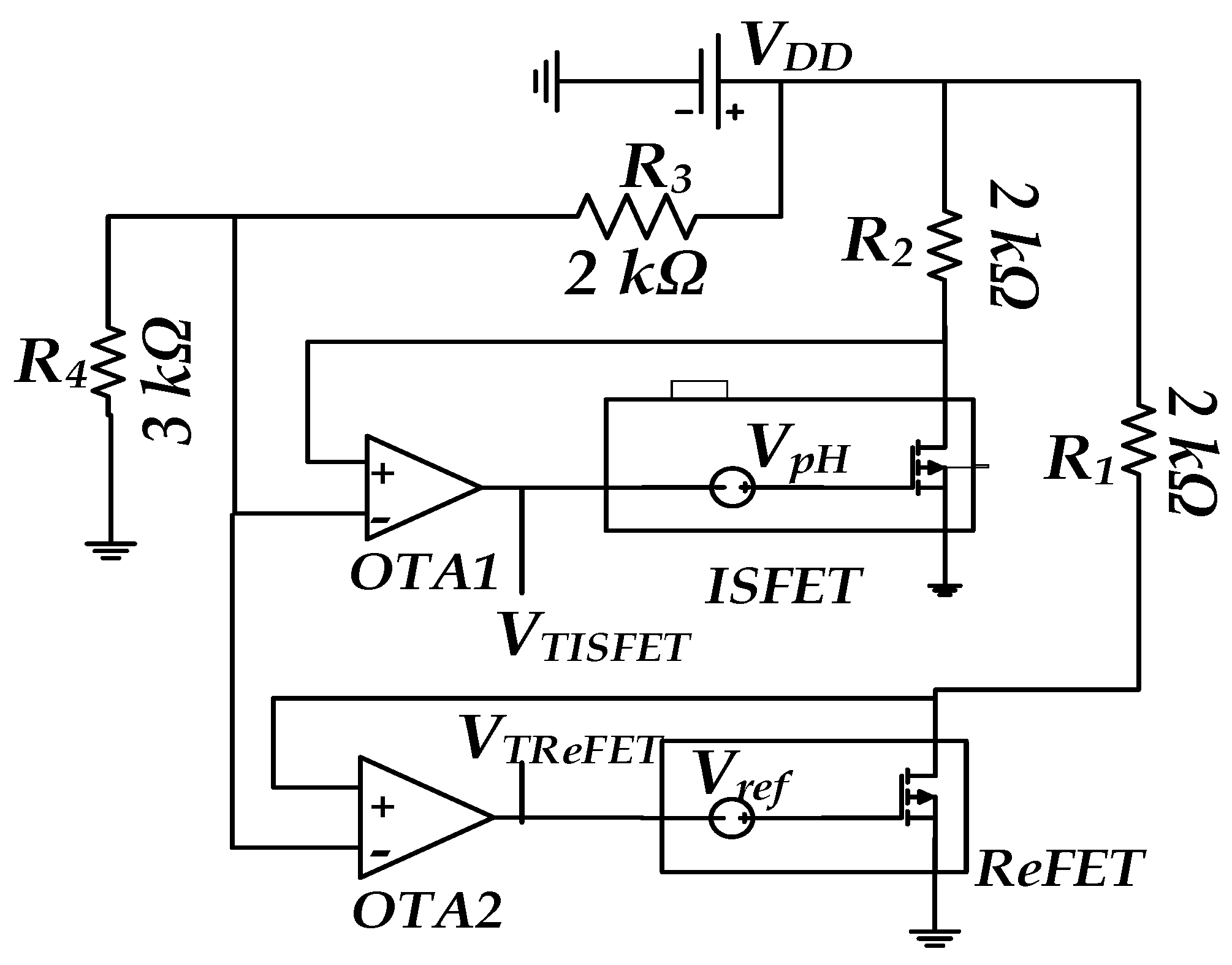
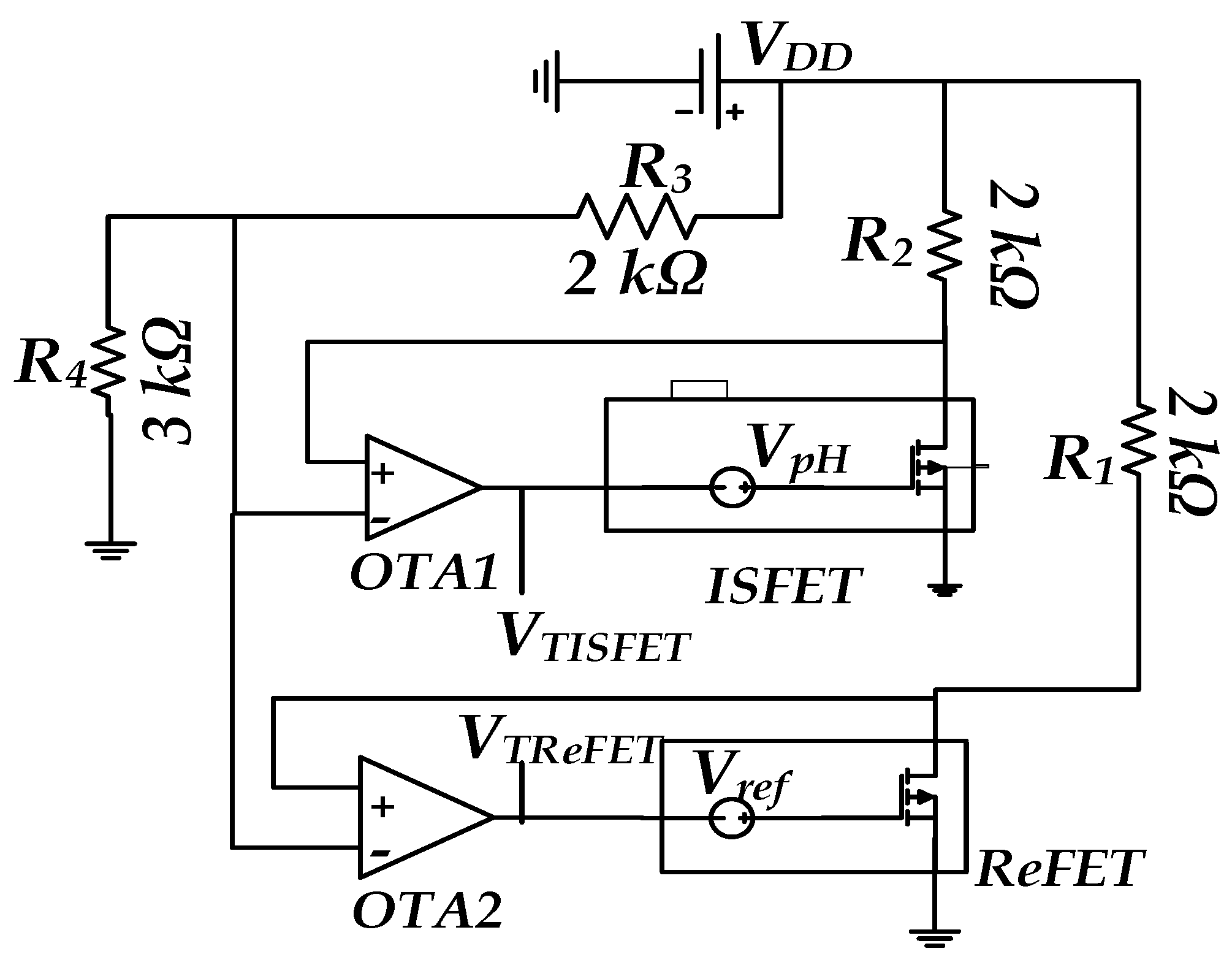
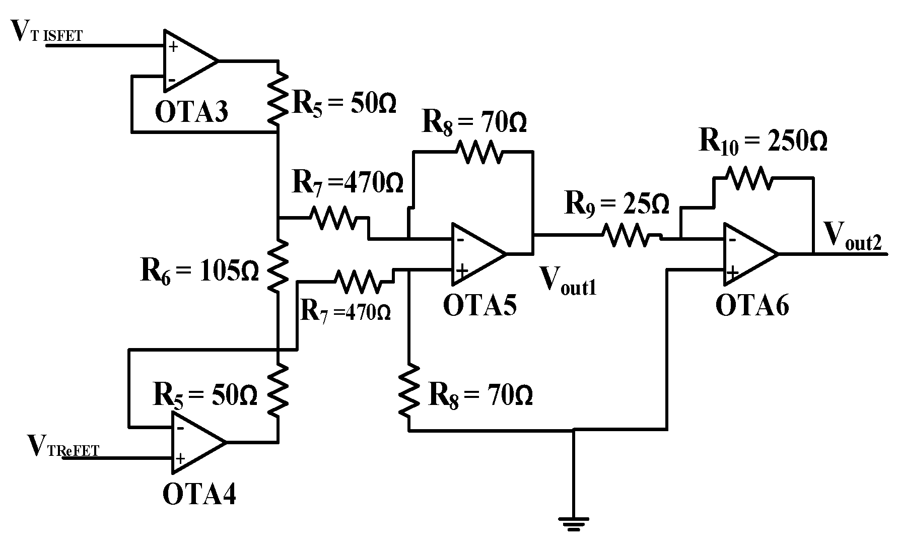
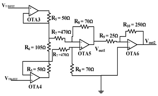
4. Proposed Temperature Compensation Circuit
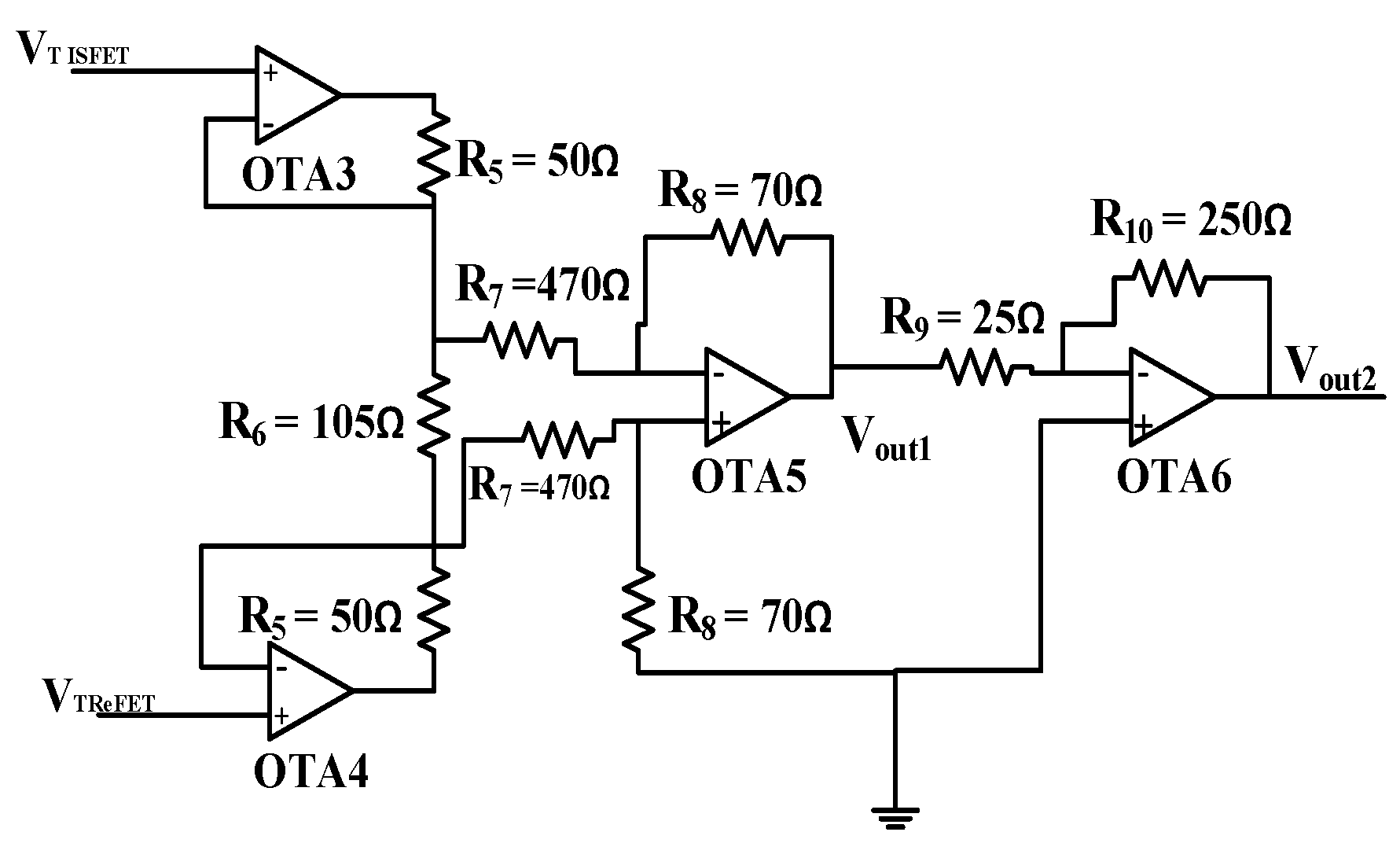
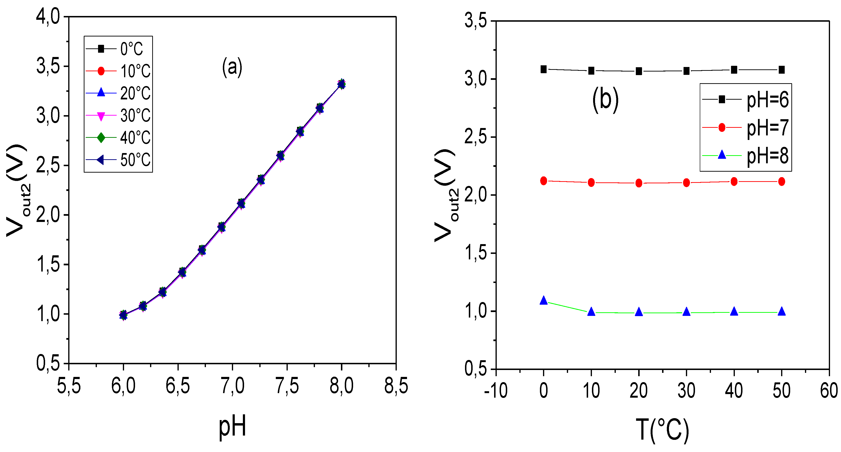
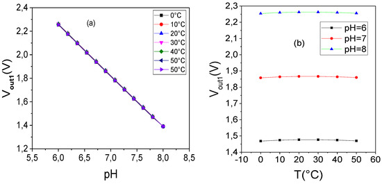
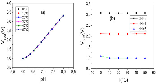
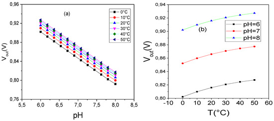
4.1. Low-Power and Temperature Drift ISFET Compensation Circuit
4.2. Discussion
5. Conclusions
Author Contributions
Funding
Conflicts of Interest
References
- Bergveld, P. Development, Operation, and Application of the Ion-Sensitive Field-Effect Transistor as a Tool for Electrophysiology. IEEE Trans. Biomed. Eng. 1972, BME-19, 342–351. [Google Scholar] [CrossRef] [PubMed]
- Bergveld, P. Thirty years of ISFETOLOGY: What happened in the past 30 years and what may happen in the next 30 years. Sens. Actuators B Chem. 2003, 88, 1–20. [Google Scholar] [CrossRef]
- Bhardwaj, R.; Sinha, S.; Sahu, N.; Majumder, S.; Narang, P.; Mukhiya, R. Modeling and simulation of temperature drift for ISFET-based pH sensor and its compensation through machine learning techniques. Int. J. Circuit Theory Appl. 2019, 47, 954–970. [Google Scholar] [CrossRef]
- Chung, W.-Y.; Lin, Y.-T.; Pijanowska, D.G.; Yang, C.-H.; Wang, M.-C.; Krzyskow, A.; Torbicz, W. New ISFET interface circuit design with temperature compensation. Microelectron. J. 2006, 37, 1105–1114. [Google Scholar] [CrossRef]
- Liu, T.; Chung, W.; Cruz, F.R.G.; Tsai, Y.; Pijanowska, D.G.; Torbicz, W.; Grabiec, P.B.; Jaroszewicz, B. VTH-Extractors Based Readout Circuit of ISFET with Temperature Compensation. In Proceedings of the 2007 IEEE Conference on Electron Devices and Solid-State Circuits, Tainan, Taiwan, 20–22 December 2007; pp. 901–904. [Google Scholar]
- Chen, D.Y.; Chan, P.K. An Intelligent ISFET Sensory System With Temperature and Drift Compensation for Long-Term Monitoring. IEEE Sens. J. 2008, 8, 1948–1959. [Google Scholar] [CrossRef]
- Naimi, S.E.; Hajji, B.; Humenyuk, I.; Launay, J.; Temple-Boyer, P. Temperature influence on pH-ISFET sensor operating in weak and moderate inversion regime: Model and circuitry. Sens. Actuators B Chem. 2014, 202, 1019–1027. [Google Scholar] [CrossRef][Green Version]
- Chung, W.Y.; Yang, C.H.; Pijanowska, D.G.; Grabiec, P.B.; Torbicz, W. ISFET performance enhancement by using the improved circuit techniques. Sens. Actuators B Chem. 2006, 113, 555–562. [Google Scholar] [CrossRef]
- Liu, Y.; Al-Ahdal, A.; Georgiou, P.; Toumazou, C. Minimal readout scheme for ISFET sensing arrays based on pulse width modulation. Electron. Lett. 2012, 48, 548–549. [Google Scholar] [CrossRef]
- Hu, Y.; Georgiou, P. An Automatic Gain Control System for ISFET Array Compensation. IEEE Trans. Circuits Syst. I Regul. Pap. 2016, 63, 1511–1520. [Google Scholar] [CrossRef]
- Douthwaite, M.; Koutsos, E.; Yates, D.C.; Mitcheson, P.D.; Georgiou, P. A Thermally Powered ISFET Array for On-Body pH Measurement. IEEE Trans. Biomed. Circuits Syst. 2017, 11, 1324–1334. [Google Scholar] [CrossRef]
- Huang, X.; Yu, H.; Liu, X.; Jiang, Y.; Yan, M.; Wu, D. A Dual-Mode Large-Arrayed CMOS ISFET Sensor for Accurate and High-Throughput pH Sensing in Biomedical Diagnosis. IEEE Trans. Biomed. Eng. 2015, 62, 2224–2233. [Google Scholar] [CrossRef] [PubMed]
- Hu, Y.; Moser, N.; Georgiou, P. A 32 × 32 ISFET Chemical Sensing Array with Integrated Trapped Charge and Gain Compensation. IEEE Sens. J. 2017, 17, 5276–5284. [Google Scholar] [CrossRef]
- Barabash, P.R.; Cobbold, R.S.C.; Wlodarski, W.B. Analysis of the threshold voltage and its temperature dependence in electrolyte-insulator-semiconductor field-effect transistors (EISFET’s). IEEE Trans. Electron Devices 1987, 34, 1271–1282. [Google Scholar] [CrossRef]
- Sardarinejad, A.; Maurya, D.K.; Khaled, M.; Alameh, K. Temperature effects on the performance of RuO2 thin-film pH sensor. Sens. Actuators A Phys. 2015, 233, 414–421. [Google Scholar] [CrossRef]
- Hemmink, G.J.M.; Weusten, B.L.A.M.; Oors, J.; Bredenoord, A.J.; Timmer, R.; Smout, A.J.P.M. Ambulatory oesophageal pH monitoring: A comparison between antimony, ISFET, and glass pH electrodes. Eur. J. Gastroenterol. Hepatol. 2010, 22, 572–577. [Google Scholar] [CrossRef]
- Moser, N.; Lande, T.S.; Toumazou, C.; Georgiou, P. ISFETs in CMOS and Emergent Trends in Instrumentation: A Review. IEEE Sens. J. 2016, 16, 6496–6514. [Google Scholar] [CrossRef]
- Niigata, K.; Narano, K.; Maeda, Y.; Ao, J.-P. Temperature dependence of sensing characteristics of a pH sensor fabricated on AlGaN/GaN heterostructure. Jpn. J. Appl. Phys. 2014, 53, 11RD01. [Google Scholar] [CrossRef]
- Khanna, V.K. Remedial and adaptive solutions of ISFET non-ideal behaviour. Sens. Rev. 2013, 33, 228–237. [Google Scholar] [CrossRef]
- Bergveld, P.; Van Den Berg, A.; Van Der Wal, P.D.; Skowronska-Ptasinska, M.; Sudhölter, E.J.R.; Reinhoudt, D.N. How electrical and chemical requirements for refets may coincide. Sens. Actuators 1989, 18, 309–327. [Google Scholar] [CrossRef]
- Errachid, A.; Bausells, J.; Jaffrezic-Renault, N. A simple REFET for pH detection in differential mode. Sens. Actuators B Chem. 1999, 60, 43–48. [Google Scholar] [CrossRef]
- Bretschneider, F.; de Weille, J. Chapter 3—Electronic Devices. In Introduction to Electrophysiological Methods and Instrumentation, 2nd ed.; Bretschneider, F., de Weille, J., Eds.; Academic Press: Cambridge, MA, USA, 2019; pp. 39–75. [Google Scholar]
- Morgenshtein, A.; Sudakov-Boreysha, L.; Dinnar, U.; Jakobson, C.G.; Nemirovsky, Y. Wheatstone-Bridge readout interface for ISFET/REFET applications. Sens. Actuators B Chem. 2004, 98, 18–27. [Google Scholar] [CrossRef]
- Morgenshtein, A.; Sudakov-Boreysha, L.; Dinnar, U.; Jakobson, C.G.; Nemirovsky, Y. CMOS readout circuitry for ISFET microsystems. Sens. Actuators B Chem. 2004, 97, 122–131. [Google Scholar] [CrossRef]
- Wong, H.; White, M.H. A CMOS-integrated ‘ISFET-operational amplifier’ chemical sensor employing differential sensing. IEEE Trans. Electron Devices 1989, 36, 479–487. [Google Scholar] [CrossRef]
- Martinoia, S.; Massobrio, G. A behavioral macromodel of the ISFET in SPICE. Sens. Actuators B Chem. 2000, 62, 182–189. [Google Scholar] [CrossRef]
- Daniel, M.; Szermer, M.; Napieralski, A.; Charlot, J.J. CHEMFET modelling for hardware description languages. In Proceedings of the Modern Problems of Radio Engineering, Telecommunications and Computer Science (IEEE Cat. No.02EX542), Lviv-Slavsko, Ukraine, 18–23 February 2002; pp. 338–341. [Google Scholar]
- Hendji, A.M.N.; Jaffrezic-Renault, N.; Martelet, C.; Clechet, P.; Shlu’ga, A.A.; Strikha, V.I.; Netchiporuk, L.I.; Soldatkin, A.P.; Wlodarski, W.B. Sensitive detection of pesticides using a differential ISFET-based system with immobilized cholinesterases. Anal. Chim. Acta 1993, 281, 3–11. [Google Scholar] [CrossRef]
- Ortiz-Conde, A.; García Sánchez, F.J.; Liou, J.J.; Cerdeira, A.; Estrada, M.; Yue, Y. A review of recent MOSFET threshold voltage extraction methods. Microelectron. Reliab. 2002, 42, 583–596. [Google Scholar] [CrossRef]
- Martinoia, S.; Lorenzelli, L.; Massobrio, G.; Conci, P.; Lui, A. Temperature effects on the ISFET behaviour: Simulations and measurements. Sens. Actuators B Chem. 1998, 50, 60–68. [Google Scholar] [CrossRef]
- Chiang, J.L.; Chou, J.C.; Chen, Y.C. Study on light and temperature properties of AlN pH-Ion-sensitive field-effect transistor devices. Jpn. J. Appl. Phys. Part 1 Regul. Pap. Short Notes Rev. Pap. 2005, 44, 4831–4837. [Google Scholar] [CrossRef]
- Goel, A.K.; Tan, T.H. High-temperature and self-heating effects in fully depleted SOI MOSFETs. Microelectron. J. 2006, 37, 963–975. [Google Scholar] [CrossRef]
- Mlika, R.; Ouada, H.B.; Kalfat, R.; Gamoudi, G.; Mhenni, F.; Jaffrezic-Renault, N. Thin sensitive organic membranes on selective iron-ion sensors. Synth. Met. 1997, 90, 239–243. [Google Scholar] [CrossRef]
- Garner, D.M.; Bai, H.; Georgiou, P.; Constandinou, T.G.; Reed, S.; Shepherd, L.M.; Wong, W.; Lim, K.T.; Toumazou, C. A multichannel DNA SoC for rapid point-of-care gene detection. In Proceedings of the 2010 IEEE International Solid-State Circuits Conference (ISSCC), San Francisco, CA, USA, 7–11 February 2010; pp. 492–493. [Google Scholar]
- Sohbati, M. Circuits and Systems for DNA Detection by Ion-Sensitive Field Effect Transistor. Ph.D. Thesis, Imperial College London, London, UK, 2014. [Google Scholar]
- Humenyuk, I. Développement des Microcapteurs ChemFETs Pour L’analyse de L’eau. Ph.D. Thesis, Institut National des Sciences Appliquées de Toulouse, Toulouse, France, 2005. [Google Scholar]
- Mellins, R.B.; Levine, O.R.; Wigger, H.J.; Leidy, G.; Curnen, E.C. Experimental menigococcemia: Model of overwhelming infection in unanesthetized monkeys. J. Appl. Physiol. 1972, 32, 309–314. [Google Scholar] [CrossRef] [PubMed]
- Evans, D.F.; Pye, G.; Bramley, R.; Clark, A.G.; Dyson, T.J.; Hardcastle, J.D. Measurement of gastrointestinal pH profiles in normal ambulant human subjects. Gut 1988, 29, 1035. [Google Scholar] [CrossRef] [PubMed]
- Baliga, S.; Muglikar, S.; Kale, R. Salivary pH: A diagnostic biomarker. J. Indian Soc. Periodontol. 2013, 17, 461–465. [Google Scholar] [CrossRef] [PubMed]
- Safari, L.; Minaei, S. A novel COA-based electronically adjustable current-mode instrumentation amplifier topology. AEU Int. J. Electron. Commun. 2017, 82, 285–293. [Google Scholar] [CrossRef]
- Eldeeb, M.A.; Ghallab, Y.H.; Ismail, Y.; El-Ghitani, H. A 0.4-V Miniature CMOS Current Mode Instrumentation Amplifier. IEEE Trans. Circuits Syst. II Express Briefs 2018, 65, 261–265. [Google Scholar] [CrossRef]
- Butti, F.; Piotto, M.; Bruschi, P. A Chopper Instrumentation Amplifier With Input Resistance Boosting by Means of Synchronous Dynamic Element Matching. IEEE Trans. Circuits Syst. I Regul. Pap. 2017, 64, 753–764. [Google Scholar] [CrossRef]
- Chan, P.K.; Chen, D.Y. A CMOS ISFET interface circuit with dynamic current temperature compensation technique. IEEE Trans. Circuits Syst. I Regul. Pap. 2007, 54, 119–129. [Google Scholar] [CrossRef]
- Ma, D.; Georgiou, P.; Toumazou, C. A weak inversion ISFET current mirror for differential bio-sensing. In Proceedings of the 2016 IEEE Biomedical Circuits and Systems Conference (BioCAS), Shanghai, China, 17–19 October 2016; pp. 42–45. [Google Scholar]
- Harrak, A.; Naimi, S.E. Design and simulation of a CMOS compatible pH-ISFET readout circuit, with low thermal sensitivity. In Proceedings of the 2017 International Conference on Electrical and Information Technologies (ICEIT), Rabat, Morocco, 15–18 November 2017; pp. 1–6. [Google Scholar]
- Xiwei, H.; Fei, W.; Jing, G.; Mei, Y.; Hao, Y.; Kiat Seng, Y. A 64 × 64 1200 fps CMOS ion-image sensor with suppressed fixed-pattern-noise for accurate high-throughput DNA sequencing. In Proceedings of the 2014 Symposium on VLSI Circuits Digest of Technical Papers, Honolulu, HI, USA, 10–13 June 2014; pp. 1–2. [Google Scholar]
- Park, J.-K.; Jang, H.-J.; Park, J.-T.; Cho, W.-J. SOI dual-gate ISFET with variable oxide capacitance and channel thickness. Solid State Electron. 2014, 97, 2–7. [Google Scholar] [CrossRef]
- Jiang, Y.; Liu, X.; Dang, T.C.; Huang, X.; Feng, H.; Zhang, Q.; Yu, H. A High-Sensitivity Potentiometric 65-nm CMOS ISFET Sensor for Rapid E. coli Screening. IEEE Trans. Biomed. Circuits Syst. 2018, 12, 402–415. [Google Scholar] [CrossRef]















| Parameters | Values |
|---|---|
| : Threshold Voltage () | −1.7 |
| Surface Potential () | 555 |
| : Channel length () | 7.59 |
| : Junction Capacity (F/) | 4.44 |
| Junction Sidewall Capacity () | 515 |
| : oxide thickness () | 150 |
| T (°C) | 0 | 10 | 20 | 30 | 40 | 50 |
| Sensitivity (mV/pH) | 63 | 58 | 54 | 51 | 40 | 38 |
| References | [7] | [44] | [45] | This Work |
|---|---|---|---|---|
| Simulator | HSPICE | Cadence | HSPICE | ADS |
| Process | MOSIS CMOS (AMI 1.0 µm) | AMS (0.35 µm) | MOSIS CMOS (AMI 1.0 µm) | TSMC (0.18 µm) |
| Power supply | -- | 3.3 V | -- | 1.8(V) |
| Power consumption | 18.6 (mW) | -- | -- | 1.8 (mW) |
| Temperature range | [20 °C, 60 °C] | -- | [20 °C, 120 °C] | [0 °C, 50 °C] |
| Temperature coefficient | 28 (V/°C) | 0.25 (A/°C) | 23.37 (pH/°C) | 5 (V/°C) |
© 2020 by the authors. Licensee MDPI, Basel, Switzerland. This article is an open access article distributed under the terms and conditions of the Creative Commons Attribution (CC BY) license (http://creativecommons.org/licenses/by/4.0/).
Share and Cite
Gaddour, A.; Dghais, W.; Hamdi, B.; Ben Ali, M. Temperature Compensation Circuit for ISFET Sensor. J. Low Power Electron. Appl. 2020, 10, 2. https://doi.org/10.3390/jlpea10010002
Gaddour A, Dghais W, Hamdi B, Ben Ali M. Temperature Compensation Circuit for ISFET Sensor. Journal of Low Power Electronics and Applications. 2020; 10(1):2. https://doi.org/10.3390/jlpea10010002
Chicago/Turabian StyleGaddour, Ahmed, Wael Dghais, Belgacem Hamdi, and Mounir Ben Ali. 2020. "Temperature Compensation Circuit for ISFET Sensor" Journal of Low Power Electronics and Applications 10, no. 1: 2. https://doi.org/10.3390/jlpea10010002
APA StyleGaddour, A., Dghais, W., Hamdi, B., & Ben Ali, M. (2020). Temperature Compensation Circuit for ISFET Sensor. Journal of Low Power Electronics and Applications, 10(1), 2. https://doi.org/10.3390/jlpea10010002

