Neural Modeling of Laviron Treatment for Coating of Electrodes with Mediator
Abstract
1. Introduction
2. Materials and Methods
2.1. Materials
2.2. Electrode Preparation
2.3. Electrochemical Experiments
2.4. Mathematical Model
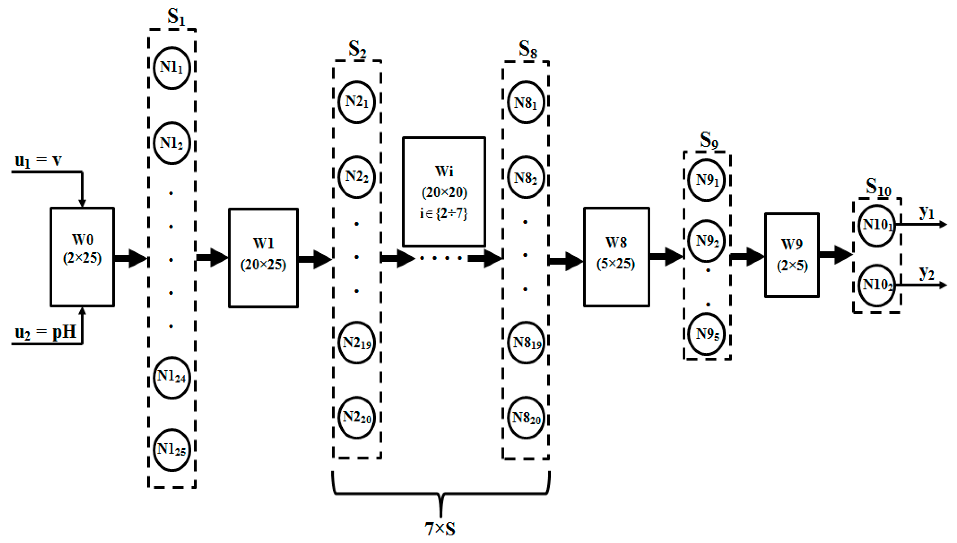
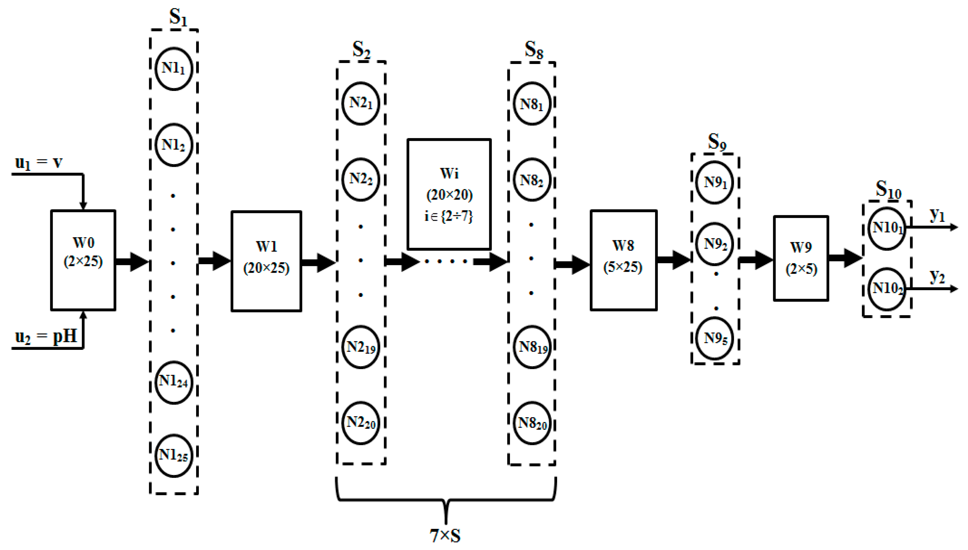
- Si is the neuron layer ([u2 = pH; u1 = v] is the input layer (practically the input signals; forward notated with S0); S1−S9 are the hidden layers; S10 is the output layer (it contains two neurons—both output neurons—one for each output signal));
- Nij is the neuron (i) from layer (j);
- Wa is the matrix of weights that makes the connection between layer (a) and layer (a + 1);
- w(a + 1; a)ij is the weight associated to the connection between the neuron (i) from layer (a + 1) and the neuron (j) from layer (a); and
- the thickened arrows highlight the connections between the consecutive layers of the network.
- (1)
- (2)
- The neural network is trained and simulated, which results in the value of the mean square error (considered quality indicator for this application) between the experimental values (of y1 and y2) and the simulated values (the values of the output signals y1 and y2 generated by the neural network).
- (3)
- The S1 layer dimension is increased by one neuron.
- (4)
- Stages (2) and (3) are repeated, until the mean square error increases from one simulation to the next.
- (5)
- The last dimension obtained for S1 (before the mean square error starts to increase) in Stage (4) is considered for further use.
- (6)
- The neural network structure of layer S2 (initially containing three neurons) is increased.
- (7)
- A similar simulation as in Stage (2) is run.
- (8)
- The S2 layer dimension is increased by one neuron.
- (9)
- Stages (7) and (8) are repeated until are repeated, until the mean square error increases from one simulation to the next.
- (10)
- The last dimension obtained for S2 (before the mean square error starts to increase) at Stage (9) is considered for further use.
- (11)
- Stages (6)–(10) are repeated for the S3 layer.
- (12)
- Since the dimension of S3 layer is obtained as equal to the dimension of S2 layer, the dimension of the next layers from the right of S3 layer is imposed as the value obtained in Stages (5) and (10) (the dimension of S2 and S3 layers).
- (13)
- The neural network structure of layer S4 (containing the same number of neurons as S2 and S3) is increased.
- (14)
- A similar simulation as in the case of Stage (2) is run.
- (15)
- Stages (13)–(14) are repeated (in the case of Stage (13), we consider Si layer, where in the first iteration, i = 5 and i is increased by 1 in each iteration) until are repeated, until the mean square error increases from one simulation to the next.
- (16)
- The last layer with the dimension equal to the dimension of S2 and S3 is Si, where i is the last iteration from Stage (15) before the mean square error starts to increase (after the procedure application, we obtained i = 8; this structure of the neural network is considered for further use).
- (17)
- The neural network structure of layer S9 (initially containing three neurons) is increased.
- (18)
- A similar simulation as in the case of Stage (2) is run.
- (19)
- The S9 layer dimension is increased by one neuron.
- (20)
- Stages (18) and (19) are repeated, until the mean square error increases from one simulation to the next.
- (21)
- The last dimension obtained for S9 (before the mean square error starts to increase) in Stage (20) is considered for further use.
- (22)
- The influence of other neural network structure variations is studied (both in the case of the layers dimension and in the case of the number of layers) over the global value of the mean square error.
- (23)
- After the study in Stage (22), it is proven that the solution obtained in Stage (21) is the best, thus is proposed as the final solution and the algorithm is stopped.
3. Results and Discussions
- (1)
- The sampling step for v signal is fixed to the value Δv = 0.0008 V/s.
- (2)
- The value of the pH is fixed at u2 = 9.
- (3)
- The neural network proposed as solution is simulated for the value of u2 set in Stage (2) and for u1 [0; 0.8] V/s with the sampling step imposed in Stage (1), resulting in the corresponding values of y1 and y2 signals.
- (4)
- The α parameter is initialized with the value 0 (α = 0).
- (5)
- The corresponding value of the kS parameter is computed.
- (6)
- The alternative value of y1 signal is computed using the Laviron formula from Equation (12).
- (7)
- The mean square error between the y1 signal generated by the proposed neural network output and the y1 signal generated by the Laviron equation is computed.
- (8)
- The value of α parameter is increased with (the value) Δα = 0.01.
- (9)
- Stages (5)–(8) are repeated until α = 0.99 (for α = 1, the Laviron equation is not defined).
- (10)
- The solution pair for the α and kS parameters is chosen corresponding to the α parameter for which the value of the mean square error resulted the smallest.
- (11)
- For the resulted solution, the mean square error between the y2 signal generated by the proposed neural network and the −y1 signal generated by the Laviron equation is computed, the obtained value is analyzed, and the two responses are graphically analyzed.
- (12)
- Stages (2)–(11) are repeated for u2 = 7 (in this case, in Stage (3), u1 [0; 1.28] V/s) and u2 = 5 (in this case, in Stage (3), u1 [0; 1.28] V/s).
4. Conclusions
- The method for determining the neural network structure (adapted for the case of using a very small set of training data and for the case of learning the behavior of a MIMO system) is presented.
- A procedure to determine the values of (α) and kS constants was developed.
- The kS variation was proven through numerical simulation.
- The procedure for determining the dependency kS(v) was designed.
- The process for modeling the entire domains of the input signals as a nonlinear process was determined (in contrast with the big majority of the methods presented in the literature, which are based on the process linearization near a steady state working point).
Author Contributions
Funding
Conflicts of Interest
References
- Gligor, D.; Varodi, C.; Muresan, L. Graphite electrode modified with a new phenothiazine derivative and with carbon nanotubes for NADH electrocatalytic oxidation. Chem. Biochem. Eng. Q. 2010, 24, 159–166. [Google Scholar]
- Meredith, M.T.; Giroud, F.; Minteer, S.D. Azine/hydrogen/nanotube composite-modified electrodes for NADH catalysis and enzyme immobilization. Electrochim. Acta 2012, 72, 207–214. [Google Scholar] [CrossRef]
- Hasebe, Y.; Wang, Y.; Fukuoka, K. Electropolymerized poly(Toluidine Blue)-modified carbon felt for highly sensitive amperometric determination of NADH in flow injection analyisis. J. Environ. Sci. 2011, 23, 1050–1056. [Google Scholar] [CrossRef]
- Doumèche, B.; Blum, L.J. NADH oxidation on screen-printed electrode modified with a new phenothiazine diazonium salt. Electrochem. Commun. 2010, 12, 1398–1402. [Google Scholar] [CrossRef]
- Laviron, E. General expression of the linear potential sweep voltammogram in the case of diffusionless electrochemical systems. J. Electroanal. Chem. 1979, 101, 19–28. [Google Scholar] [CrossRef]
- Golnaraghi, F.; Kuo, B.C. Automatic Control Systems, 9th ed.; Wiley: Hoboken, NJ, USA, 2009. [Google Scholar]
- Love, J. Process Automation Handbook; Springer: London, UK, 2007. [Google Scholar]
- Khalil, H.K. Nonlinear Systems, 3rd ed.; Prentice Hall: Upper Saddle River, NJ, USA, 2001. [Google Scholar]
- Coloşi, T.; Abrudean, M.; Unguresan, M.L.; Muresan, V. Numerical Simulation of Distributed Parameter Processes; Springer Int.: Basel, Switzerland, 2013. [Google Scholar]
- Li, H.X.; Qi, C. Spatio-Temporal Modeling of Nonlinear Distributed Parameter Systems: A Time/Space Separation Based Approach, 1st ed.; Springer: Dordrecht, The Netherlands, 2011. [Google Scholar]
- Curtain, R.F.; Morris, K.A. Transfer functions of distributed parameter systems: A tutorial. Automatica 2009, 45, 1101–1116. [Google Scholar] [CrossRef]
- Smyshlyaev, A.; Krstic, M. On control design for PDEs with space-dependent diffusivity and time-dependent reactivity. Automatica 2005, 41, 1601–1608. [Google Scholar] [CrossRef]
- Haykin, S. Neural Networks and Learning Machines, 3rd ed.; Pearson Int.: London, UK, 2009. [Google Scholar]
- Vălean, H. Neural network for system identification and modelling. In Proceedings of the Automatic Control and Testing Conference–AQTR, Cluj-Napoca, Romania, 23–24 May 1996; pp. 263–268. [Google Scholar]
- Borges, R.V.; Garcez, A.D.A.; Lamb, L.C. Learning and representing temporal knowledge in recurrent networks. IEEE Trans. Neural Netw. 2011, 22, 2409–2421. [Google Scholar] [CrossRef] [PubMed]
- Monje, C.A.; Chen, Y.Q.; Vinagre, B.M.; Xue, D.; Feliu, V. Fractional-Order Systems and Controls; Springer: London, UK, 2010. [Google Scholar]
- Mureşan, V.; Abrudean, M. Temperature modelling and simulation in the furnace with rotary hearth. In Proceedings of the IEEE AQTR–17th ed., Cluj-Napoca, Romania, 28–30 May 2010; pp. 147–152. [Google Scholar]
- Abrudean, M. Systems Theory and Automatic Control; Mediamira Publishing House: Cluj-Napoca, Romania, 1998. [Google Scholar]
- Schmidhuber, J. Deep learning in neural networks: An overview. Neural Netw. 2015, 61, 85–117. [Google Scholar] [CrossRef] [PubMed]
- Samide, A.; Stoean, R.; Stoean, C.; Tutunaru, B.; Grecu, R.; Cioateră, N. Investigation of polymer coatings formed by polyvinyl alcohol and silver nanoparticles on copper surface in acid medium by means of deep convolutional neural networks. Coatings 2019, 9, 105. [Google Scholar] [CrossRef]
- Cristea, C.; Cormos, G.; Gligor, D.; Filip, I.; Muresan, L.; Popescu, I.C. Electrochemical characterization of bis-(10Hphenothiazin-3-yl)-methane derivatives obtained by microwave assisted organic synthesis. J. New Mater. Electrochem. Syst. 2009, 12, 233–238. [Google Scholar]
- User Guide. Matlab (R2018a). Available online: https://www.mathworks.com/help/matlab/release-notes-R2018a.html#responsive_offcanvas (accessed on 3 July 2019).


















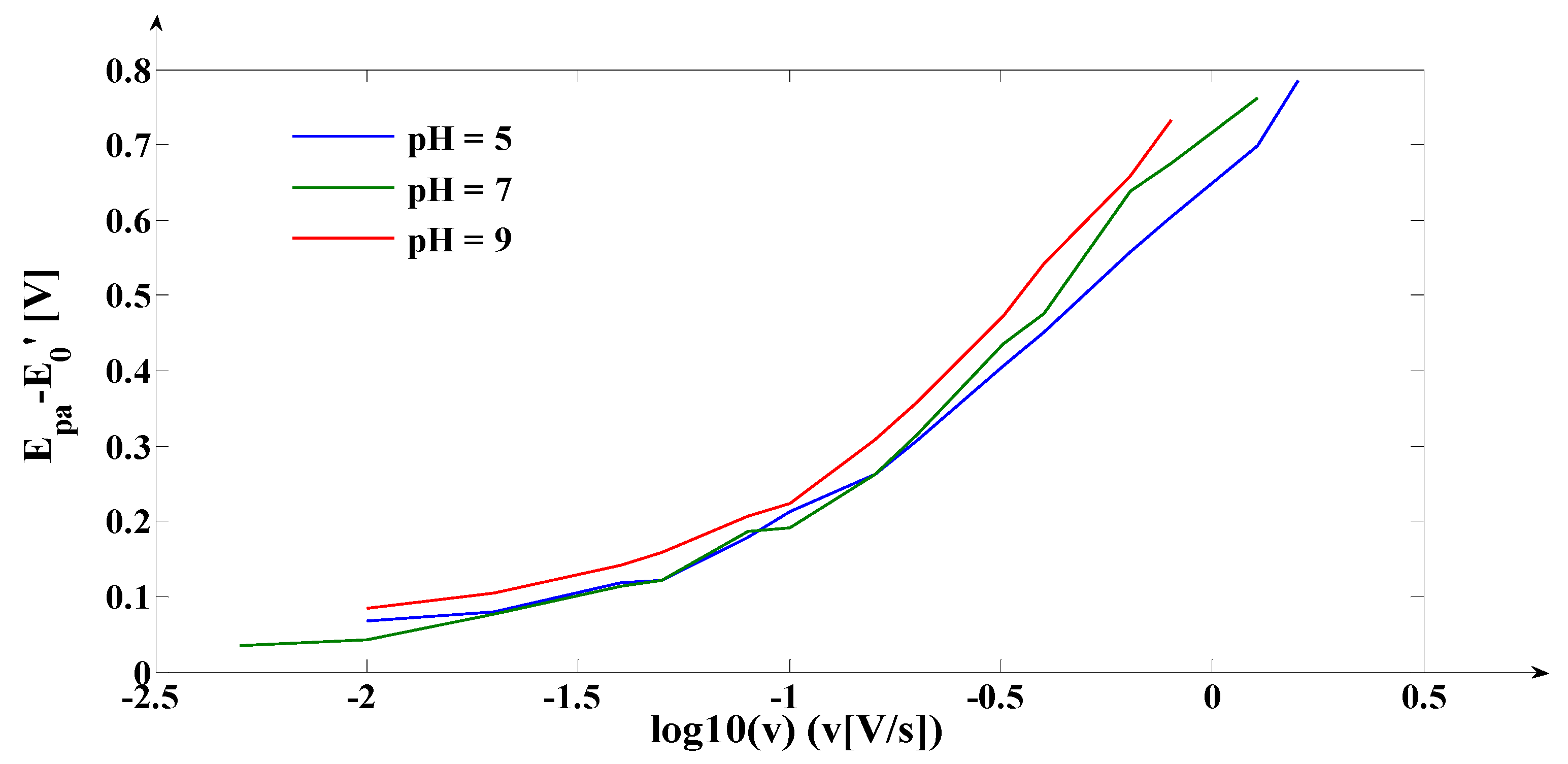
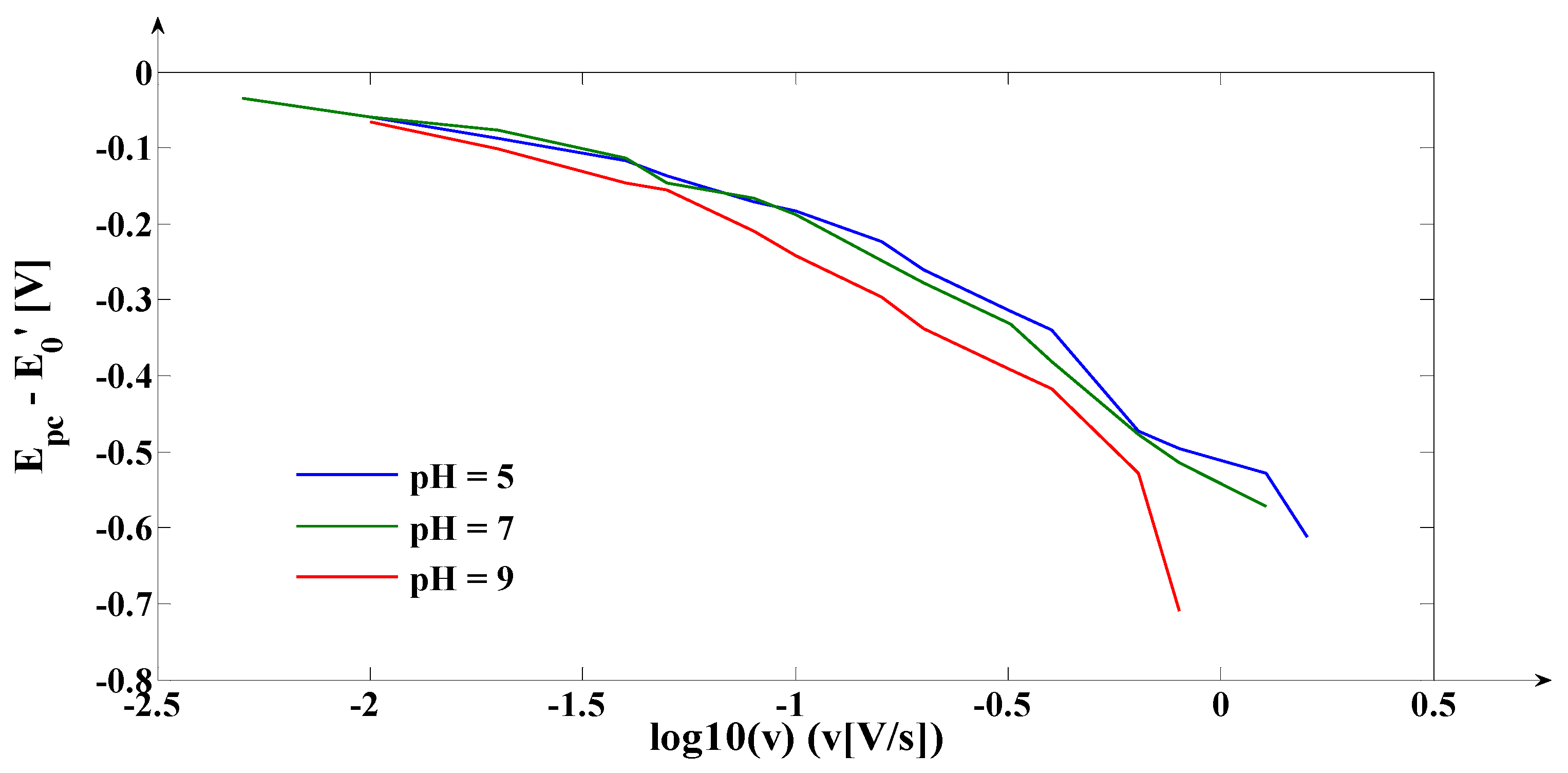
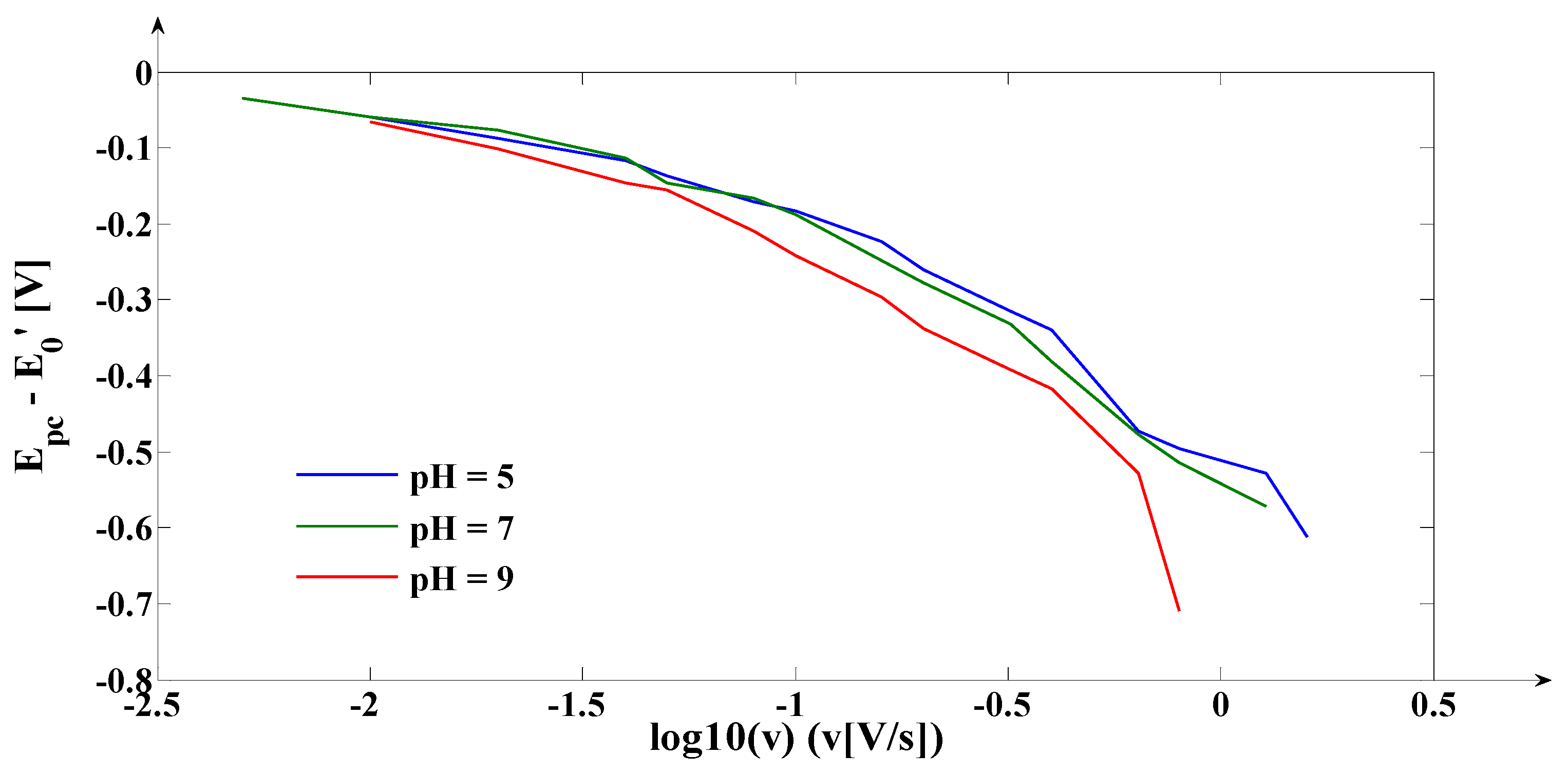
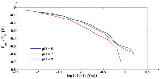
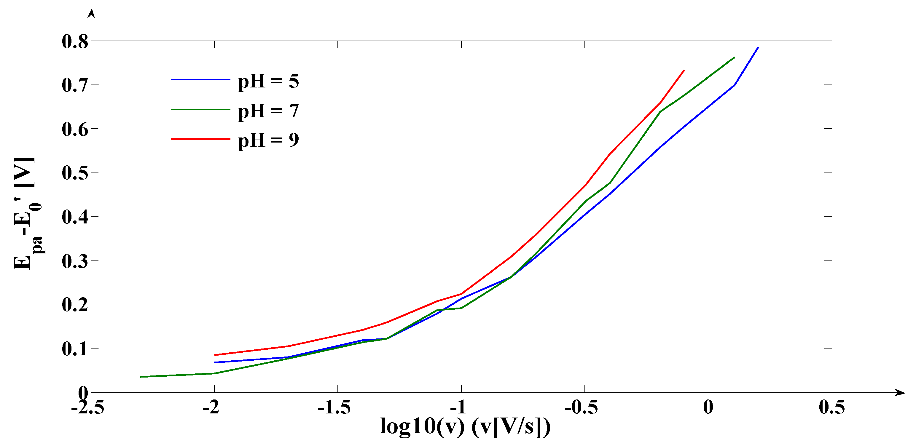
| v (V/s) | pH = 5 | pH = 7 | pH = 9 | |||
|---|---|---|---|---|---|---|
| Epa − E0’ (V) | Epc − E0’ (V) | Epa − E0’ (V) | Epc − E0’ (V) | Epa − E0’ (V) | Epc − E0’ (V) | |
| 0.005 | – | – | 0.0350 | −0.0350 | – | – |
| 0.01 | 0.0680 | −0.0600 | 0.0430 | −0.0600 | 0.0840 | −0.0650 |
| 0.02 | 0.0800 | −0.0880 | 0.0760 | −0.0760 | 0.1040 | −0.1020 |
| 0.04 | 0.1180 | −0.1170 | 0.1130 | −0.1130 | 0.1410 | −0.1470 |
| 0.05 | 0.1220 | −0.1370 | 0.1210 | −0.1460 | 0.1580 | −0.1550 |
| 0.08 | 0.1790 | −0.1710 | 0.1870 | −0.1670 | 0.2070 | −0.2090 |
| 0.10 | 0.2120 | −0.1830 | 0.1910 | −0.1880 | 0.2240 | −0.2420 |
| 0.16 | 0.2620 | −0.2240 | 0.2620 | −0.2490 | 0.3090 | −0.2970 |
| 0.20 | 0.3070 | −0.2610 | 0.3150 | −0.2780 | 0.3580 | −0.3380 |
| 0.32 | 0.4060 | −0.3150 | 0.4350 | −0.3320 | 0.4730 | −0.3920 |
| 0.40 | 0.4510 | −0.3400 | 0.4760 | −0.3810 | 0.5430 | −0.4170 |
| 0.64 | 0.5580 | −0.4720 | 0.6390 | −0.4780 | 0.6590 | −0.5280 |
| 0.80 | 0.6040 | −0.4960 | 0.6760 | −0.5150 | 0.7330 | −0.7090 |
| 1.280 | 0.6980 | −0.5290 | 0.7620 | −0.5720 | – | – |
| 1.60 | 0.7860 | −0.6120 | – | – | – | – |
| pH | N | MSE |
|---|---|---|
| 5 | 14 | 0.0051 V (for y1) |
| 5 | 14 | 0.0075 V (for y2) |
| 7 | 14 | 0.0106 V (for y1) |
| 7 | 14 | 0.0086 V (for y2) |
| 9 | 12 | 0.0038 V (for y1) |
| 9 | 12 | 0.0054 V (for y2) |
| GLOBAL | 40 | 0.0075 V (for y1) |
| GLOBAL | 40 | 0.0075 V (for y2) |
| GLOBAL | 80 | 0.0075 V (for both y1 and y2) |
| pH | The Optimum Value of α | The Steady State Value of kS (s−1) |
|---|---|---|
| 5 | 0.9 | 0.3279 |
| 7 | 0.87 | 0.136 |
| 9 | 0.92 | 0.2517 |
© 2019 by the authors. Licensee MDPI, Basel, Switzerland. This article is an open access article distributed under the terms and conditions of the Creative Commons Attribution (CC BY) license (http://creativecommons.org/licenses/by/4.0/).
Share and Cite
Mureşan, V.; Ungureşan, M.-L.; Gligor, D.; Varodi, C. Neural Modeling of Laviron Treatment for Coating of Electrodes with Mediator. Coatings 2019, 9, 429. https://doi.org/10.3390/coatings9070429
Mureşan V, Ungureşan M-L, Gligor D, Varodi C. Neural Modeling of Laviron Treatment for Coating of Electrodes with Mediator. Coatings. 2019; 9(7):429. https://doi.org/10.3390/coatings9070429
Chicago/Turabian StyleMureşan, Vlad, Mihaela-Ligia Ungureşan, Delia Gligor, and Codruţa Varodi. 2019. "Neural Modeling of Laviron Treatment for Coating of Electrodes with Mediator" Coatings 9, no. 7: 429. https://doi.org/10.3390/coatings9070429
APA StyleMureşan, V., Ungureşan, M.-L., Gligor, D., & Varodi, C. (2019). Neural Modeling of Laviron Treatment for Coating of Electrodes with Mediator. Coatings, 9(7), 429. https://doi.org/10.3390/coatings9070429

