Investigation of the Microstructure, Thermal Properties, and Mechanical Properties of Sn-Bi-Ag and Sn-Bi-Ag-Si Low Temperature Lead-Free Solder Alloys
Abstract
1. Introduction
2. Experimental Procedure
3. Results and Discussion
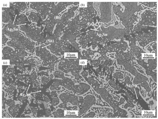
3.1. Microstructure of Solder Alloys
3.2. Mechanical Properties of the Solder Alloys
3.2.1. Tensile Strength
3.2.2. Microhardness
3.3. Melting Properties of the Solder Alloys
3.4. Wettability of the Solder Alloys
3.5. Interfacial Reactions of the Solder Alloys with Cu Sheet
4. Conclusions
- (1)
- For Sn-x (x = 35, 37, 45, and 47) Bi-1Ag solder alloys, the segregation of Bi became more obvious, and bright, irregular-shaped areas continued to increase upon increasing the Bi content. The mechanical properties of the alloy decreased upon increasing the Bi content, and the melting point and melting range were slightly reduced, but the wettability was improved. The thickness of the Cu6Sn5 IMC layer decreased upon increasing the Bi content.
- (2)
- After adding Si to the Sn-xBi-1Ag alloy, the structure was refined. In particular, the size of the Bi phase decreased from the large blocks into a network shape. The amount of needle-like Bi phase embedded in the Sn matrix increased. After adding trace Si, the melting point and melting range of the alloys did not markedly change, while tensile strength and hardness were improved, the wettability was optimized, and the thickness of the diffusion layer formed with the Cu substrate was significantly reduced.
- (3)
- Upon increasing the Ag content in the Sn-Bi-Ag-0.5Si alloy, the dark black Ag3Sn phase increased significantly. The tensile strength of the Sn-Bi-Ag-0.5Si solder continued to increase, while its hardness decreased slightly. The melting point and melting range increased slightly. Moreover, the wettability of the Sn-Bi-3Ag-0.5Si series solder alloys improved greatly, and the width of the Cu6Sn5 layer decreased.
Author Contributions
Funding
Institutional Review Board Statement
Informed Consent Statement
Data Availability Statement
Conflicts of Interest
References
- Garcia, L.R.; Osório, W.R.; Peixoto, L.C.; Garcia, A. Wetting Behavior and Mechanical Properties of Sn-Zn and Sn-Pb Solder Alloys. J. Electron. Mater. 2009, 38, 2405–2414. [Google Scholar] [CrossRef]
- Qiu, H.; Hu, X.; Li, S.; Wan, Y.; Li, Q. Shear strength and fracture surface analysis of lead-free solder joints with high fraction of IMCs. Vacuum 2020, 180, 109611. [Google Scholar] [CrossRef]
- Chen, G.; Liu, L.; Silberschmidt, V.V.; Liu, C.; Wu, F.; Chan, Y.C. Microstructural evolution of 96.5Sn–3Ag–0.5Cu lead free solder reinforced with nickel-coated graphene reinforcements under large temperature gradient. J. Mater. Sci. Mater. Electron. 2018, 29, 5253–5263. [Google Scholar] [CrossRef]
- Dias, M.; Costa, T.A.; Soares, T.; Silva, B.L.; Cheung, N.; Spinelli, J.E.; Garcia, A. Tailoring Morphology and Size of Microstructure and Tensile Properties of Sn-5.5 wt.%Sb-1 wt.%(Cu,Ag) Solder Alloys. J. Electron. Mater. 2018, 47, 1647–1657. [Google Scholar] [CrossRef]
- Mahmudi, R.; Mahin-Shirazi, S. Effect of Sb addition on the tensile deformation behavior of lead-free Sn–3.5Ag solder alloy. Mater. Des. 2011, 32, 5027–5032. [Google Scholar] [CrossRef]
- George, E.; Pecht, M. RoHS compliance in safety and reliability critical electronics. Microelectron. Reliab. 2016, 65, 1–7. [Google Scholar] [CrossRef]
- Yuan, Y.; Chen, X.; Zhou, Z.; Li, Y.; Xu, B.; Liu, D.; Yang, B. Theoretical study on Sn–Sb-based lead-free solder by ab initio molecular dynamics simulation. J. Mater. Res. 2019, 34, 2543–2553. [Google Scholar] [CrossRef]
- Ren, G.; Collins, M.N. The effects of antimony additions on microstructures, thermal and mechanical properties of Sn-8Zn-3Bi alloys. Mater. Des. 2017, 119, 133–140. [Google Scholar] [CrossRef]
- Han, Y.; Gao, Y.; Jing, H.; Wei, J.; Zhao, L.; Xu, L. A modified constitutive model of Ag nanoparticle-modified graphene/Sn–Ag–Cu/Cu solder joints. Mater. Sci. Eng. A 2020, 777, 139080. [Google Scholar] [CrossRef]
- Shen, Y.-A.; Chen, S.-W.; Chen, H.-Z.; Chang, C.-M.; Ouyang, Y.-H. Extremely thin interlayer of multi-element intermetallic compound between Sn-based solders and FeCoNiMn high-entropy alloy. Appl. Surf. Sci. 2021, 558, 149945. [Google Scholar] [CrossRef]
- Wei, Y.; Liu, Y.; Zhao, X.; Tan, C.; Dong, Y.; Zhang, J. Effects of minor alloying with Ge and In on the interfacial microstructure between Zn–Sn solder alloy and Cu substrate. J. Alloys Compd. 2020, 831, 154812. [Google Scholar] [CrossRef]
- Zhou, S.; Yang, C.-H.; Shen, Y.-A.; Lin, S.-K.; Nishikawa, H. The newly developed Sn–Bi–Zn alloy with a low melting point, improved ductility, and high ultimate tensile strength. Materialia 2019, 6, 100300. [Google Scholar] [CrossRef]
- Wang, Y.; Zhao, X.-C.; Liu, Y.; Wang, Y.; Li, D.-M. Microstructure, wetting property of Sn–Ag–Cu–Bi–xCe solder and IMC growth at solder/Cu interface during thermal cycling. Rare Met. 2021, 40, 714–719. [Google Scholar] [CrossRef]
- Durga, A.; Wollants, P.; Moelans, N. Phase-field study of IMC growth in Sn–Cu/Cu solder joints including elastoplastic effects. Acta Mater. 2020, 188, 241–258. [Google Scholar] [CrossRef]
- Yang, J.; Zhang, Q.; Song, Z. Influences of Ag and In Alloying on Microstructure and Mechanical Properties of Sn-58Bi Solder. J. Electron. Mater. 2021, 50, 283–290. [Google Scholar] [CrossRef]
- Shen, Y.-A.; Chen, H.-Z.; Chen, S.-W.; Chiu, S.-K.; Guo, X.-Y.; Hsieh, Y.-P. Graphene as a diffusion barrier at the interface of Liquid–State low-melting Sn–58Bi alloy and copper foil. Appl. Surf. Sci. 2022, 578, 152108. [Google Scholar] [CrossRef]
- Miao, H.-W.; Duh, J.-G. Microstructure evolution in Sn–Bi and Sn–Bi–Cu solder joints under thermal aging. Mater. Chem. Phys. 2001, 71, 255–271. [Google Scholar] [CrossRef]
- Hirata, Y.; Yang, C.-H.; Lin, S.-K.; Nishikawa, H. Improvements in mechanical properties of Sn–Bi alloys with addition of Zn and In. Mater. Sci. Eng. A 2021, 813, 141131. [Google Scholar] [CrossRef]
- Wu, X.; Wu, J.; Wang, X.; Yang, J.; Xia, M.; Liu, B. Effect of In addition on microstructure and mechanical properties of Sn–40Bi alloys. J. Mater. Sci. 2020, 55, 3092–3106. [Google Scholar] [CrossRef]
- Chen, X.; Xue, F.; Zhou, J.; Yao, Y. Effect of In on microstructure, thermodynamic characteristic and mechanical properties of Sn–Bi based lead-free solder. J. Alloys Compd. 2015, 633, 377–383. [Google Scholar] [CrossRef]
- Li, C.; Yan, Y.; Gao, T.; Xu, G. The influence of Ag on the microstructure, thermal properties and mechanical behavior of Sn–25Sb-xAg high temperature lead-free solder. Vacuum 2021, 185, 110015. [Google Scholar] [CrossRef]
- Jiang, N.; Zhang, L.; Gao, L.-L.; Song, X.-G.; He, P. Recent advances on SnBi low-temperature solder for electronic interconnections. J. Mater. Sci. Mater. Electron. 2021, 32, 22731–22759. [Google Scholar] [CrossRef]
- Xu, K.-K.; Zhang, L.; Gao, L.-L.; Jiang, N.; Zhang, L.; Zhong, S.-J. Review of microstructure and properties of low temperature lead-free solder in electronic packaging. Sci. Technol. Adv. Mater. 2020, 21, 689–711. [Google Scholar] [CrossRef]
- Hu, F.; Zhang, Q.; Jiang, J.; Song, Z. Influences of Ag addition to Sn-58Bi solder on SnBi/Cu interfacial reaction. Mater. Lett. 2018, 214, 142–145. [Google Scholar] [CrossRef]
- Mei, Z.; Morris, J.W. Characterization of eutectic Sn-Bi solder joints. J. Electron. Mater. 1992, 21, 599–607. [Google Scholar] [CrossRef]
- Myung, W.-R.; Ko, M.-K.; Kim, Y.; Jung, S.-B. Effects of Ag content on the reliability of LED package component with Sn–Bi–Ag solder. J. Mater. Sci. Mater. Electron. 2015, 26, 8707–8713. [Google Scholar] [CrossRef]
- Silva, B.L.; Garcia, A.; Spinelli, J.E. Complex eutectic growth and Bi precipitation in ternary Sn-Bi-Cu and Sn-Bi-Ag alloys. J. Alloys Compd. 2017, 691, 600–605. [Google Scholar] [CrossRef]
- Gain, A.K.; Zhang, L. Effect of Ag nanoparticles on microstructure, damping property and hardness of low melting point eutectic tin–bismuth solder. J. Mater. Sci. Mater. Electron. 2017, 28, 15718–15730. [Google Scholar] [CrossRef]
- Yang, T.; Zhao, X.; Xiong, Z.; Tan, W.; Wei, Y.; Tan, C.; Yu, X.; Wang, Y. Improvement of microstructure and tensile properties of Sn–Bi–Ag alloy by heterogeneous nucleation of β-Sn on Ag3Sn. Mater. Sci. Eng. A 2020, 785, 139372. [Google Scholar] [CrossRef]
- Li, Y.; Chan, Y. Effect of silver (Ag) nanoparticle size on the microstructure and mechanical properties of Sn58Bi–Ag composite solders. J. Alloys Compd. 2015, 645, 566–576. [Google Scholar] [CrossRef]
- Dong, W.; Shi, Y.; Xia, Z.; Lei, Y.; Guo, F. Effects of Trace Amounts of Rare Earth Additions on Microstructure and Properties of Sn-Bi-Based Solder Alloy. J. Electron. Mater. 2008, 37, 982–991. [Google Scholar] [CrossRef]
- Wang, Z.; Zhang, Q.K.; Chen, Y.X.; Song, Z.L. Influences of Ag and In alloying on Sn-Bi eutectic solder and SnBi/Cu solder joints. J. Mater. Sci. Mater. Electron. 2019, 30, 18524–18538. [Google Scholar] [CrossRef]
- Qin, W.; Li, J.; Zhang, Q.; Jiang, S.; Feng, J.; Yang, W.; Zhan, Y. Effect of addition of Al and Cu on the properties of Sn–20Bi solder alloy. J. Mater. Sci. Mater. Electron. 2022, 33, 177–189. [Google Scholar] [CrossRef]
- Guo, Q.; Zhao, Z.; Shen, C. Comparison study on microstructure and mechanical properties of Sn-10Bi and Sn-Ag-Cu solder alloys and joints. Microelectron. Reliab. 2017, 78, 72–79. [Google Scholar] [CrossRef]
- Ye, D.; Du, C.; Wu, M.; Lai, Z. Microstructure and mechanical properties of Sn–xBi solder alloy. J. Mater. Sci. Mater. Electron. 2015, 26, 3629–3637. [Google Scholar] [CrossRef]
- Lai, Z.; Ye, D. Microstructure and fracture behavior of non eutectic Sn–Bi solder alloys. J. Mater. Sci. Mater. Electron. 2016, 27, 3182–3192. [Google Scholar] [CrossRef]
- Karim, M.R.A.; Daniel, S.; Ul Haq, E.; Ahmad, A.; Khan, K.I.; Raza, S.A. Raza. Improving the Corrosion Resistance of API X56 and API X70 Pipeline Steels by Hot Dip Aluminization. In Key Engineering Materials; Trans Tech Publications Ltd.: Bäch, Switzerland, 2021; Volume 875, p. 315. [Google Scholar] [CrossRef]
- Kab, M.; Mendil, S.; Taibi, K. Evolution of the Microstructure of Intermetallic Compounds Formed on Mild Steel During Hot Dipping in Molten Aluminum Alloy Baths. Met. Microstruct. Anal. 2020, 9, 476–483. [Google Scholar] [CrossRef]
- Silva, B.L.; Garcia, A.; Spinelli, J.E. Cooling thermal parameters and microstructure features of directionally solidified ternary Sn–Bi–(Cu,Ag) solder alloys. Mater. Charact. 2016, 114, 30–42. [Google Scholar] [CrossRef]
- Dias, M.; Costa, T.; Rocha, O.; Spinelli, J.E.; Cheung, N.; Garcia, A. Interconnection of thermal parameters, microstructure and mechanical properties in directionally solidified Sn–Sb lead-free solder alloys. Mater. Charact. 2015, 106, 52–61. [Google Scholar] [CrossRef]
- El-Daly, A.; Hammad, A. Development of high strength Sn–0.7Cu solders with the addition of small amount of Ag and In. J. Alloys Compd. 2011, 509, 8554–8560. [Google Scholar] [CrossRef]
- Kim, K.; Huh, S.; Suganuma, K. Effects of cooling speed on microstructure and tensile properties of Sn–Ag–Cu alloys. Mater. Sci. Eng. A 2002, 333, 106–114. [Google Scholar] [CrossRef]
- Billah, M.; Shorowordi, K.M.; Sharif, A. Effect of micron size Ni particle addition in Sn–8Zn–3Bi lead-free solder alloy on the microstructure, thermal and mechanical properties. J. Alloys Compd. 2014, 585, 32–39. [Google Scholar] [CrossRef]
- Gain, A.K.; Zhang, L. Interfacial microstructure, wettability and material properties of nickel (Ni) nanoparticle doped tin–bismuth–silver (Sn–Bi–Ag) solder on copper (Cu) substrate. J. Mater. Sci. Mater. Electron. 2015, 26, 3982–3994. [Google Scholar] [CrossRef]
- Kripesh, V.; Teo, P.-S.; Tai, C.; Vishwanadam, G.; Mui, Y.C. Development of a Lead Free Chip Scale Package for Wireless Applications. In 51st Electronic Components and Technology Conference Proceedings; IEEE: Piscataway, NJ, USA, 2001. [Google Scholar] [CrossRef]
- Cheng, J.; Hu, X.; Jiang, X. Interfacial reaction and IMC growth between Sn-37 Pb and heterogeneous dual-phase substrate. Vacuum 2019, 159, 112–124. [Google Scholar] [CrossRef]





















| Alloys | Tm/°C | Tn/°C | Melting Range/°C |
|---|---|---|---|
| Sn-35Bi-1Ag | 138.6 | 192.7 | 54.1 |
| Sn-37Bi-1Ag | 138.7 | 188.3 | 49.6 |
| Sn-45Bi-1Ag | 141.6 | 155.7 | 14.1 |
| Sn-47Bi-1Ag | 140.5 | 152.7 | 12.2 |
| Alloys | Tm/°C | Tn/°C | Melting Range/°C |
|---|---|---|---|
| Sn-35Bi-1Ag-0.5Si | 139.5 | 195.1 | 55.6 |
| Sn-37Bi-1Ag-0.5Si | 139.6 | 190.7 | 51.1 |
| Sn-45Bi-1Ag-0.5Si | 142.2 | 156.2 | 14 |
| Sn-47Bi-1Ag-0.5Si | 141.3 | 153.1 | 11.8 |
| Alloys | Tm/°C | Tn/°C | Melting Range/°C |
|---|---|---|---|
| Sn-35Bi-3Ag-0.5Si | 139.3 | 183.3 | 44 |
| Sn-37Bi-3Ag-0.5Si | 138.9 | 181.3 | 42.4 |
| Sn-45Bi-3Ag-0.5Si | 140.2 | 166.9 | 26.7 |
| Sn-47Bi-3Ag-0.5Si | 140.6 | 162.5 | 21.9 |
Disclaimer/Publisher’s Note: The statements, opinions and data contained in all publications are solely those of the individual author(s) and contributor(s) and not of MDPI and/or the editor(s). MDPI and/or the editor(s) disclaim responsibility for any injury to people or property resulting from any ideas, methods, instructions or products referred to in the content. |
© 2023 by the authors. Licensee MDPI, Basel, Switzerland. This article is an open access article distributed under the terms and conditions of the Creative Commons Attribution (CC BY) license (https://creativecommons.org/licenses/by/4.0/).
Share and Cite
Chen, S.; Wang, X.; Guo, Z.; Wu, C.; Liu, Y.; Liu, Y.; Su, X. Investigation of the Microstructure, Thermal Properties, and Mechanical Properties of Sn-Bi-Ag and Sn-Bi-Ag-Si Low Temperature Lead-Free Solder Alloys. Coatings 2023, 13, 285. https://doi.org/10.3390/coatings13020285
Chen S, Wang X, Guo Z, Wu C, Liu Y, Liu Y, Su X. Investigation of the Microstructure, Thermal Properties, and Mechanical Properties of Sn-Bi-Ag and Sn-Bi-Ag-Si Low Temperature Lead-Free Solder Alloys. Coatings. 2023; 13(2):285. https://doi.org/10.3390/coatings13020285
Chicago/Turabian StyleChen, Sheng, Xinbao Wang, Zhiqiu Guo, Changjun Wu, Yongxiong Liu, Ya Liu, and Xuping Su. 2023. "Investigation of the Microstructure, Thermal Properties, and Mechanical Properties of Sn-Bi-Ag and Sn-Bi-Ag-Si Low Temperature Lead-Free Solder Alloys" Coatings 13, no. 2: 285. https://doi.org/10.3390/coatings13020285
APA StyleChen, S., Wang, X., Guo, Z., Wu, C., Liu, Y., Liu, Y., & Su, X. (2023). Investigation of the Microstructure, Thermal Properties, and Mechanical Properties of Sn-Bi-Ag and Sn-Bi-Ag-Si Low Temperature Lead-Free Solder Alloys. Coatings, 13(2), 285. https://doi.org/10.3390/coatings13020285

