Design and Fabrication of Temperature-Compensated Film Bulk Acoustic Resonator Filter Based on the Stress Compensation Effect
Abstract
:1. Introduction
2. Materials and Methods
2.1. Design of the FBAR Filter
2.1.1. FBAR Model
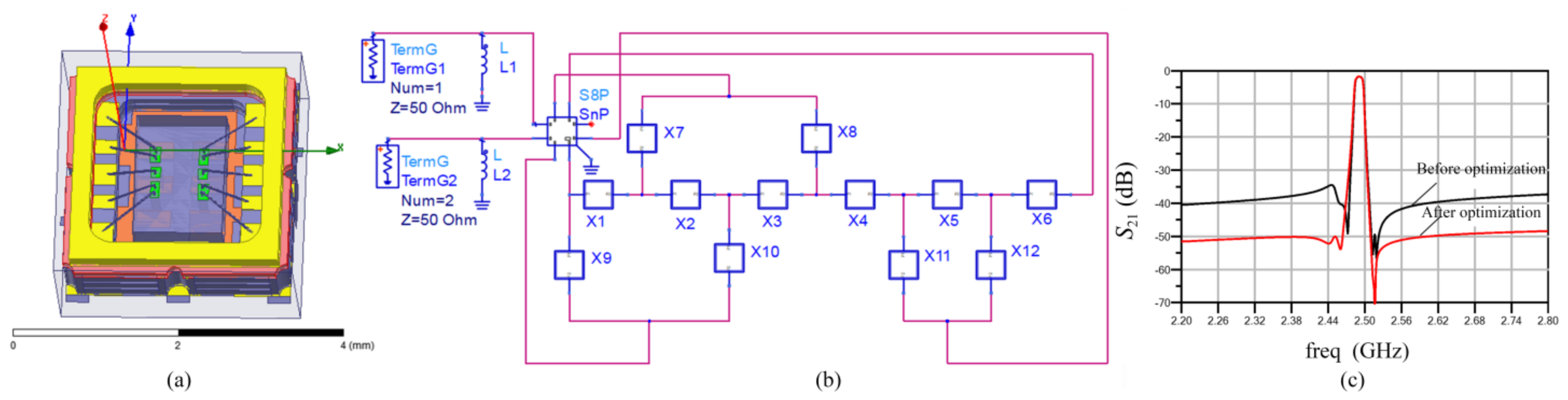
2.1.2. Design of TC-FBAR
2.2. Film Fabrication
2.2.1. SiO2 Film Fabrication
2.2.2. Mo Electrode Film Fabrication
2.2.3. AlN Piezoelectric Film Fabrication
3. Results and Discussion
4. Conclusions
Author Contributions
Funding
Institutional Review Board Statement
Informed Consent Statement
Data Availability Statement
Acknowledgments
Conflicts of Interest
References
- Tsutsumi, J.; Iwaki, M.; Matsuda, T. Advanced Design Echnologies for SAW/FBAR Devices. In Proceedings of the International Symposium on Acoustic Wave Devices for Future Mobile Communication Systems, Keyaki Hall, Japan, 24–25 November 2015; pp. 84–90. [Google Scholar]
- Du, B.; Lin, J.; Ou, L.; Shi, Y.; Ma, J. Full wave simulation and design of film bulk acoustic wave filters. In Proceedings of the International Conference on Electrical Engineering, Control and Robotics, Chengdu, China, 9 April 2018. [Google Scholar]
- Fattinger, G.; Stokes, P.; Potdar, V.; Volatier, A.; Dumont, F.; Aigner, R. Miniaturization of BAW devices and the impact of wafer level packaging technology. In Proceedings of the IEEE International Ultrasonics Symposium (IUS), Prague, Czech Republic, 21–25 July 2013. [Google Scholar]
- Heeren, W.; Fattinger, M.; Fattinger, G.; Volatier, A.; Aigner, R. Impact of thermo-mechanical stress on the TCF of WLP BAW filters. In Proceedings of the IEEE International Ultrasonics Symposium (IUS), Tours, France, 18–21 September 2016. [Google Scholar]
- Zou, Q.; Bi, F.; Tsuzuki, G.; Bradley, P.; Ruby, R. Temperature-compensated FBAR duplexer for band 13. In Proceedings of the IEEE International Ultrasonics Symposium (IUS), Prague, Czech Republic, 21–25 July 2013. [Google Scholar]
- Shin, J.; Song, I.; Kim, C.; Lee, M.; Son, S.; Kim, D.; Park, H.; Hwang, S.; Rieh, J. Balanced RF Duplexer with Low Interference Using Hybrid BAW Resonators for LTE Application. ETRI J. 2014, 36, 317–320. [Google Scholar] [CrossRef]
- Tajic, A.; Aigner, R.; Aljoumayly, M.; Vetelino, F.; Fattinger, G. No-drift™ BAW-SMR: Over-moded reflector for temperature compensation. In Proceedings of the IEEE International Ultrasonics Symposium (IUS), Tours, France, 18–21 September 2016. [Google Scholar]
- Warder, P.; Schnaufer, D. Temperature-Compensated Filter Technologies Solve Crowded Spectrum Challenges. Microwave J. 2014, 57, 92–96. [Google Scholar]
- Farraro, R.; Mclellan, R. Temperature dependence of the Young’s modulus and shear modulus of pure nickel, platinum, and molybdenum. Metall. Trans. A 1977, 8, 1563–1565. [Google Scholar] [CrossRef]
- Pang, W.; Yu, H.; Zhang, H.; Kim, E. Temperature-compensated film bulk acoustic resonator above 2 GHz. IEEE Electron Device Lett. 2005, 26, 369–371. [Google Scholar] [CrossRef]
- Tsubouchi, K.; Mikoshiba, N. Zero-temperature-coefficient SAW devices on AlN epitaxial films. IEEE Trans. Sonics Ultrason. 1985, 32, 634–644. [Google Scholar] [CrossRef]
- Petit, D.; Abele, N.; Volatier, A.; Lefevre, A.; Ancey, P.; Carpentier, J. P0-15 Temperature Compensated Bulk Acoustic Wave Resonator and its Predictive 1D Acoustic Tool for RF Filtering. In Proceedings of the IEEE Ultrasonics Symposium (IUS), New York, NY, USA, 28–31 October 2007. [Google Scholar]
- Bjurstrom, J.; Wingqvist, G.; Yantchev, V.; Katardjiev, I. Temperature compensation of liquid FBAR sensors. J. Micromech. Microeng. 2007, 17, 651–658. [Google Scholar] [CrossRef]
- Qiang, Z.; Donald, L.; Frank, B.; Richard, R.; Martha, S.; Steve, O.; Yury, O.; Jyrki, K. High coupling coefficient Temperature compensated FBAR resonator for oscillator application with wide pulling range. In Proceedings of the IEEE International Frequency Control Symposium (IUS), Newport Beach, CA, USA, 1–4 June 2010. [Google Scholar]
- Lakin, K.; McCarron, K.; McDonald, J. Temperature compensated bulk acoustic thin film resonators. In Proceedings of the IEEE Ultrasonics Symposium, San Juan, PR, USA, 22–25 October 2000. [Google Scholar]
- Zhou, B.; Gao, Y.; He, Y. Simulation and Analysis of the Temperature-Compensated FBAR. Appl. Mech. Mater. 2015, 720, 490–495. [Google Scholar] [CrossRef]
- Yamanouchi, K.; Hayama, S. SAW properties of SiO2/128°Y-X LiNbO3 structure fabricated by magnetron sputtering technique. IEEE Trans. Sonics Ultrason. 1984, 31, 51–57. [Google Scholar] [CrossRef]
- Ruby. Resonator Device including Electrodes with Buried Temperature Compensated Layers. U.S. Patent 9479139B2, 25 October 2016.
- Yu, H.; Pang, W.; Zhang, H.; Kim, E. Film bulk acoustic resonator at 4.4 GHz with ultra low temperature coefficient of resonant frequency. In Proceedings of the IEEE International Conference on Micro Electro Mechanical Systems, Miami Beach, FL, USA, 30 January–3 February 2005. [Google Scholar]
- Yang, S.; Zhang, Y.; Sun, L.; Zhang, L.; Cheng, Z.; Wang, J.; Li, J. Study on AIN-based hybrid bulk acoustic wave resonator with low temperature coefficient of frequency. In Proceedings of the 13th China International Forum on Solid State Lighting: International Forum on Wide Bandgap Semiconductors China (SSLChina: IFWS), Beijing, China, 15–17 November 2016. [Google Scholar]
- Allah, M.; Kaitila, J.; Thalhammer, R.; Weber, W.; Schmitt-Landsiedel, D. Temperature compensated solidly mounted bulk acoustic wave resonators with optimum piezoelectric coupling coefficient. In Proceedings of the IEEE International Electron Devices Meeting (IEDM), Baltimore, MD, USA, 7–9 December 2009. [Google Scholar]
- Nishihara, T.; Taniguchi, S.; Ueda, M. Increased piezoelectric coupling factor in temperature-compensated film bulk acoustic resonators. In Proceedings of the IEEE International Ultrasonics Symposium (IUS), Taiwan, China, 21–24 October 2015. [Google Scholar]
- Zou, Q.; Small, M.; Lee, D.; Bi, F.; Snyder, R.; Lamers, T.; Choy, J.; Ruby, R. Impact on film bulk acoustic resonator tempco and quality factor from boron doped SiO2 temperature compensation material. In Proceedings of the 17th International Conference on Solid-State Sensors, Actuators and Microsystems (TRANSDUCERS & EUROSENSORS XXVII), Barcelona, Spain, 16–20 June 2013. [Google Scholar]
- Larson, J.; Bradley, P.; Wartenberg, S.; Ruby, R. Modified Butterworth-Van Dyke circuit for FBAR resonators and automated measurement system. In Proceedings of the IEEE International Ultrasonics Symposium (IUS), San Juan, PR, USA, 22–25 October 2000. [Google Scholar]
- Zhang, J.S.; Zhang, J.L.; Ning, Y. Study of SiO2 Dielectric Film Stress Grownby the Method of Ion Assisted Deposition. Chin. J. Lumin. 2012, 33, 1304–1308. [Google Scholar] [CrossRef]
- Alias, M.; Shaari, S.; Mitani, S. Optimization of electro-optical characteristics of Ga As-based oxide confinement VCSEL. Laser Phys. 2010, 20, 806–810. [Google Scholar] [CrossRef]
- Alias, M.; Shaari, S.; Choudhury, P.; Mitani, S. Improved efficiency of Ga As-based VCSEL by utilizing fan-pad met allization and trench patterning. Laser Phys. 2009, 19, 2096–2101. [Google Scholar] [CrossRef]
- Zhu, J.; Ding, W.; Wang, H.; Zhang, S.; Zhang, C.; Zhang, J.; Chai, W. Effect of Ar pressure on the properties of Mo films prepared by DC pulse magnetron sputtering. Microfabr. Technol. 2008, 4, 35–37. [Google Scholar]
- Tian, B.; Xu, Y.; Cao, J.; Du, B. Influence of Dry Etching Conditions on Mo Sidewall Profile. Piezoelectrics Acoustooptics 2016, 38, 199–202. [Google Scholar]
- Mortet, V.; Vasin, A.; Jouan, P.; Elmazria, O.; Djouadi, M. Aluminium nitride films deposition by reactive triode sputtering for surface acoustic wave device applications. Surf. Coat. Technol. 2003, 176, 88–92. [Google Scholar] [CrossRef]
- Dimitrova, V.; Manova, D.; Paskova, T.; Uzunov, T.; Ivanov, N.; Dechev, D. Aluminium nitride thin films deposited by DC reactive magnetron sput tering. Vacuum 1998, 2, 161–164. [Google Scholar] [CrossRef]
- Shen, Y.; Liu, Y.; Yang, H.; Duan, L.; Zhang, Y. Influence of the surface Roughness of MgxZn1-xO Piezoelectric Thin Films on Characteristics of the SMR. Micronanoelectronic Technol. 2014, 51, 776–779+784. [Google Scholar]
- Gu, P.; Zheng, Z.; Zhao, Y.; Liu, X. Study on the Mechanism and Measurement of Stress of TiO2 and SiO2 Thin-films. J. Phys. 2006, 55, 6459–6463. [Google Scholar]
- Sun, J.; Shi, X. Study of Internal Stress in PECVD SiO2 Thin Films. Semicond. Technol. 2008, 33, 397–400. [Google Scholar]
- Shin, H.; Song, J. Piezoelectric Coefficient Measurement of AlN Thin Films at the Nanometer Scale by Using Piezoresponse Force Microscopy. J. Korean Phys. Soc. 2010, 2, 580–585. [Google Scholar] [CrossRef]
- Lueng, C.; Chan, H.; Fong, W.; Surya, C.; Choy, C. Piezoelectric Coefficient of Aluminum Nitride and Gallium nitride. J. Appl. Phys. 2000, 9, 5360–5363. [Google Scholar] [CrossRef] [Green Version]
- Tonisch, K.; Cimalla, V.; Foerster, C.; Romanus, H.; Ambacher, O.; Dontsov, D. Piezoelectric Properties of Polycrystalline AlN Thin Films for MEMS Application. Sens. Actuator A Phys. 2006, 132, 658–663. [Google Scholar] [CrossRef]
- Hu, N.; Zhang, Z.; Tao, J.; Zhou, C.; Zhang, H. Temperature Compensated Piezoelectric Bulk Acoustic Wave Filters. In Proceedings of the Symposium on Piezoelectricity, Acoustic Waves and Device Applications (SPAWDA), Shenzhen, China, 9–11 December 2011. [Google Scholar]
- Lin, C.; Yen, T.; Lai, Y.; Felmetsger, V.; Hopcroft, A.; Kuypers, J.; Pisano, A. Temperature-Compensated Aluminum Nitride Lamb Wave Reso- nators. IEEE Trans. Ultrason. Ferroelectr. Freq. Control 2010, 57, 524–532. [Google Scholar] [CrossRef] [PubMed]
- Matsuda, S.; Miura, M.; Matsuda, T.; Ueda, M.; Satoh, Y.; Hashimoto, K. Correlation between Fluorine-Doped SiO2 Films properties and the propagation loss for Temperature Compensated SAW Devices. In Proceedings of the IEEE International Ultrasonics Symposium, Dresden, Germany, 7–10 October 2012. [Google Scholar]
- Li, Q.; Li, X.; Xie, Y.; Cao, Z.; Dong, J. Synthesis of wideband bulk acoustic wave coupled resonator filter combined with lumped components. Int. J. Circuit Theory Appl. 2022, 50, 1907–1921. [Google Scholar] [CrossRef]
- Tang, X.; Liu, Y.; Jiang, P.; Zhang, B. Design of a 2.4 GHz WiFI Band FBAR Bandpass Filter. Piezoelectrics Acoustooptics 2022, 44, 191–193+198. [Google Scholar]
- Gu, J.; Wu, Y.; Lai, Z.; Wu, H. An N41-Band Bandpass BAW Filter Chip for Mobile Communications Based on FBARs. In Proceedings of the IEEE Asia-Pacific Microwave Conference (APMC), Hong Kong, Hong Kong, 8–11 December 2020; pp. 380–382. [Google Scholar]
- Jia, Y.; Li, L.; Li, H. Development of S-Band Temperature-Compensated Narrow-Band FBAR Filter. Semicond. Integr. Circuits 2017, 42, 398–493. [Google Scholar]













Publisher’s Note: MDPI stays neutral with regard to jurisdictional claims in published maps and institutional affiliations. |
© 2022 by the authors. Licensee MDPI, Basel, Switzerland. This article is an open access article distributed under the terms and conditions of the Creative Commons Attribution (CC BY) license (https://creativecommons.org/licenses/by/4.0/).
Share and Cite
Liu, Y.; Sun, K.; Ma, J.; Yu, Z.; Lan, Z. Design and Fabrication of Temperature-Compensated Film Bulk Acoustic Resonator Filter Based on the Stress Compensation Effect. Coatings 2022, 12, 1126. https://doi.org/10.3390/coatings12081126
Liu Y, Sun K, Ma J, Yu Z, Lan Z. Design and Fabrication of Temperature-Compensated Film Bulk Acoustic Resonator Filter Based on the Stress Compensation Effect. Coatings. 2022; 12(8):1126. https://doi.org/10.3390/coatings12081126
Chicago/Turabian StyleLiu, Ya, Ke Sun, Jinyi Ma, Zhong Yu, and Zhongwen Lan. 2022. "Design and Fabrication of Temperature-Compensated Film Bulk Acoustic Resonator Filter Based on the Stress Compensation Effect" Coatings 12, no. 8: 1126. https://doi.org/10.3390/coatings12081126
APA StyleLiu, Y., Sun, K., Ma, J., Yu, Z., & Lan, Z. (2022). Design and Fabrication of Temperature-Compensated Film Bulk Acoustic Resonator Filter Based on the Stress Compensation Effect. Coatings, 12(8), 1126. https://doi.org/10.3390/coatings12081126

