Flake ZnAl Alloy as an Effective Pigment in Silicate Coatings for the Corrosion Protection of Steel
Abstract
:1. Introduction
2. Materials and Methods
2.1. Material and Sample Preparation
2.2. Preparation of Coatings
2.3. Methods
2.3.1. Electrochemical Measurements
2.3.2. Pull-Off Test
2.3.3. Salt Spray Test
3. Results and Discussion
3.1. Corrosion Rate of Silicate Coating
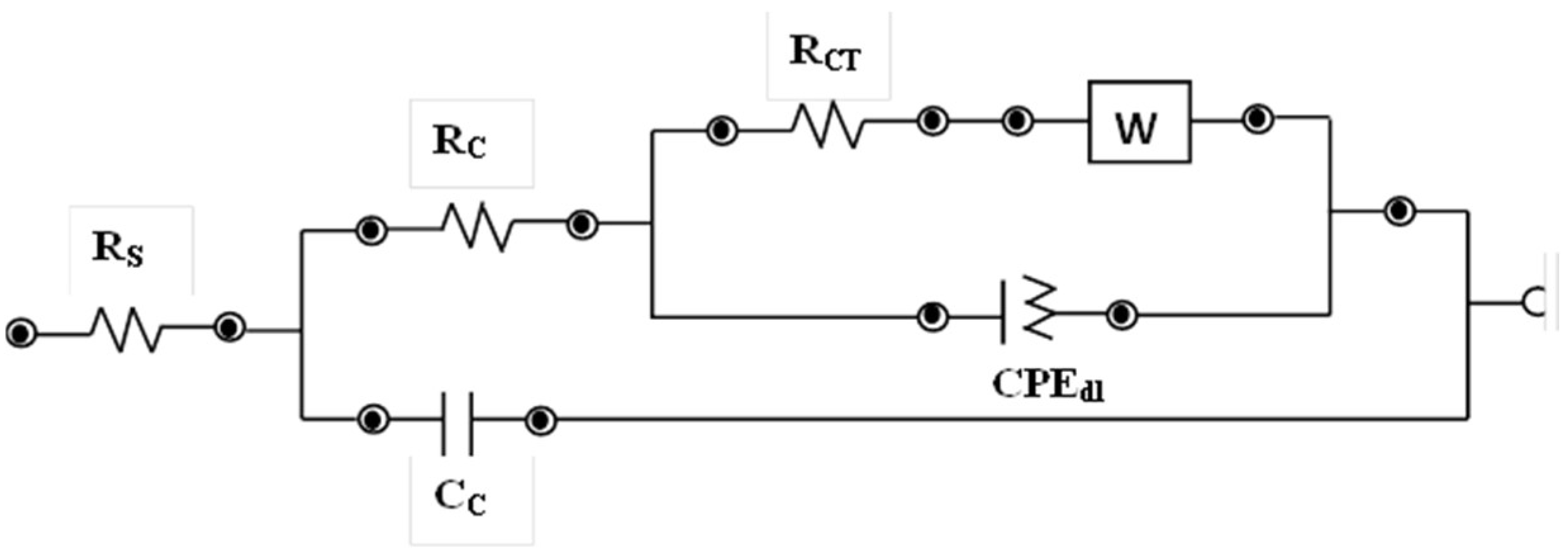
3.2. Electrochemical Impedance Spectroscopy Measurement
3.3. Salt Spray Test
3.4. Surface Morphology of Silicate Coating
3.5. Pull-Off Adhesion Tests
4. Conclusions
Author Contributions
Funding
Institutional Review Board Statement
Informed Consent Statement
Data Availability Statement
Conflicts of Interest
References
- Zhang, L.; Ma, A.; Jiang, J.; Song, D.; Chen, J.; Yang, D. Anti-corrosion performance of waterborne Zn-rich coating with modified silicon-based vehicle and lamellar Zn (Al) pigments. Prog. Nat. Sci. Mater. Int. 2012, 22, 326–333. [Google Scholar] [CrossRef] [Green Version]
- Qi, C.; Dam-Johansen, K.; Weinell, C.E.; Bi, H.; Wu, H. Enhanced anticorrosion performance of zinc rich epoxy coatings modified with stainless steel flakes. Prog. Org. Coat. 2022, 163, 106616. [Google Scholar] [CrossRef]
- Thomas, A. Waterborne silicates as coatings and construction materials part 1: Coatings. Surf. Coat. Aust. 2009, 46, 10–18. [Google Scholar]
- Vilche, J.; Bucharsky, E.; Giudice, C.A. Application of EIS and SEM to evaluate the influence of pigment shape and content in ZRP formulations on the corrosion prevention of naval steel. Corros. Sci. 2002, 44, 1287–1309. [Google Scholar] [CrossRef]
- Kalendová, A. Effects of particle sizes and shapes of zinc metal on the properties of anticorrosive coatings. Prog. Org. Coat. 2003, 46, 324–332. [Google Scholar] [CrossRef]
- Müller, B.; Langenbucher, J. Complete corrosion inhibition of lamellar zinc pigment in aqueous alkaline media. Corros. Sci. 2003, 45, 395–401. [Google Scholar] [CrossRef]
- Gidice, C.; Benftez, J.; Linares, M.M. Zinc-rich epoxy primers based on lamellar zinc dust. Surf. Coat. Int. 1997, 80, 279–284. [Google Scholar] [CrossRef] [Green Version]
- Kowalczyk, K.; Spychaj, T. Zinc-free varnishes and zinc-rich paints modified with ionic liquids. Corros. Sci. 2014, 78, 111–120. [Google Scholar] [CrossRef]
- Lee, H.-S.; Singh, J.K.; Ismail, M.A.; Bhattacharya, C.; Seikh, A.H.; Alharthi, N.; Hussain, R.R. Corrosion mechanism and kinetics of Al-Zn coating deposited by arc thermal spraying process in saline solution at prolong exposure periods. Sci. Rep. 2019, 9, 3399. [Google Scholar] [CrossRef]
- Güleç, A.; Cevher, Ö.; Türk, A.; Ustel, F.; Yılmaz, F. Accelerated corrosion behaviors of Zn, Al and Zn/15Al coatings on a steel surface. Mater. Technol. 2011, 45, 477–482. [Google Scholar]
- Panossian, Z.; Mariaca, L.; Morcillo, M.; Flores, S.; Rocha, J.; Peña, J.; Herrera, F.; Corvo, F.; Sanchez, M.; Rincon, O. Steel cathodic protection afforded by zinc, aluminium and zinc/aluminium alloy coatings in the atmosphere. Surf. Coat. Technol. 2005, 190, 244–248. [Google Scholar] [CrossRef]
- Feliu Jr, S.; Barranco, V. XPS study of the surface chemistry of conventional hot-dip galvanised pure Zn, galvanneal and Zn–Al alloy coatings on steel. Acta Mater. 2003, 51, 5413–5424. [Google Scholar] [CrossRef]
- Feliu, S.; Morcillo, M. Deterioration of cathodic protection action of zinc-rich paint coatings in atmospheric exposure. Corrosion 2001, 57, NACE-01070591. [Google Scholar] [CrossRef]
- Xu, R.; He, T. Corrosion of self-curing waterborne zinc oxide-potassium silicate coating modified with aluminium powder. J. Alloys Compd. 2019, 811, 152008. [Google Scholar] [CrossRef]
- Huang, Q.; Wang, Y.; Zhou, B.; Wei, Y.; Gao, F.; Fujita, T. The effect of ZnAl-LDHs-CO3 on the corrosion behaviour of Zn-5Al alloys in 3.5 wt.% NaCl solution. Corros. Sci. 2021, 179, 109165. [Google Scholar] [CrossRef]
- Cao, Y.; Zheng, D.; Lin, C. Effect of physical barrier and anion-exchange process of nitrate-intercalated ZnAl layered double hydroxide films grown on Al on corrosion protection. Surf. Coat. Technol. 2021, 421, 127436. [Google Scholar] [CrossRef]
- Hoang, N.; Khoa, T.A.; Phuong, P.M.; Hang, T.T.X.; Van Chi, N.; Nguyen, T.-D. Corrosion protection of carbon steel using a combination of Zr conversion coating and subsequent zinc-rich silicate coating with a flake ZnAl alloy. Arab. J. Chem. 2022, 15, 103815. [Google Scholar] [CrossRef]
- Wang, J.; Qi, Y.; Zhao, X.; Zhang, Z. electrochemical investigation of corrosion behavior of epoxy modified silicate zinc-rich coatings in 3.5% NaCl solution. Coatings 2020, 10, 444. [Google Scholar] [CrossRef]
- Akbarinezhad, E.; Ebrahimi, M.; Sharif, F.; Attar, M.; Faridi, H. Synthesis and evaluating corrosion protection effects of emeraldine base PAni/clay nanocomposite as a barrier pigment in zinc-rich ethyl silicate primer. Prog. Org. Coat. 2011, 70, 39–44. [Google Scholar] [CrossRef]
- Yun, T.H.; Park, J.H.; Kim, J.-S.; Park, J.M. Effect of the surface modification of zinc powders with organosilanes on the corrosion resistance of a zinc pigmented organic coating. Prog. Org. Coat. 2014, 77, 1780–1788. [Google Scholar] [CrossRef]
- Teng, S.; Gao, Y.; Cao, F.; Kong, D.; Zheng, X.; Ma, X.; Zhi, L. Zinc-reduced graphene oxide for enhanced corrosion protection of zinc-rich epoxy coatings. Prog. Org. Coat. 2018, 123, 185–189. [Google Scholar] [CrossRef]
- Kakaei, M.; Danaee, I.; Zaarei, D. Investigation of corrosion protection afforded by inorganic anticorrosive coatings comprising micaceous iron oxide and zinc dust. Corros. Eng. Sci. Technol. 2013, 48, 194–198. [Google Scholar] [CrossRef]
- Cheng, L.; Liu, C.; Han, D.; Ma, S.; Guo, W.; Cai, H.; Wang, X. Effect of graphene on corrosion resistance of waterborne inorganic zinc-rich coatings. J. Alloys Compd. 2019, 774, 255–264. [Google Scholar] [CrossRef]
- Jalili, M.; Rostami, M.; Ramezanzadeh, B. An investigation of the electrochemical action of the epoxy zinc-rich coatings containing surface modified aluminum nanoparticle. Appl. Surf. Sci. 2015, 328, 95–108. [Google Scholar] [CrossRef]
- Arman, S.; Ramezanzadeh, B.; Farghadani, S.; Mehdipour, M.; Rajabi, A. Application of the electrochemical noise to investigate the corrosion resistance of an epoxy zinc-rich coating loaded with lamellar aluminum and micaceous iron oxide particles. Corros. Sci. 2013, 77, 118–127. [Google Scholar] [CrossRef]
- Kakaei, M.N.; Danaee, I.; Zaarei, D. Evaluation of cathodic protection behavior of waterborne inorganic zinc-rich silicates containing various contents of MIO pigments. Anti Corros. Methods Mater. 2013, 60, 37–44. [Google Scholar] [CrossRef]
- Hosseini, R.M.; Sarabi, A.; Mohammadloo, H.E.; Sarayloo, M. The performance improvement of Zr conversion coating through Mn incorporation: With and without organic coating. Surf. Coat. Technol. 2014, 258, 437–446. [Google Scholar] [CrossRef]
- Saeedikhani, M.; Wijesinghe, S.L.; Blackwood, D.J. Barrier and Sacrificial Protection Mechanisms of Zinc Rich Primers. Eng. J. 2019, 23, 223–233. [Google Scholar] [CrossRef]







| Samples | Ecorr (mV) | icorr (μA/cm2) | βa (mV/dec) | −βc (mV/dec) | RP (Ω.cm2) |
|---|---|---|---|---|---|
| FZnAl20 | −549.41 | 12.77 | 105.52 | 192.99 | 2319.30 |
| FZnAl25 | −587.53 | 7.48 | 69.73 | 160.99 | 2823.67 |
| FZnAl30 | −579.33 | 9.65 | 60.35 | 160.69 | 1974.55 |
Publisher’s Note: MDPI stays neutral with regard to jurisdictional claims in published maps and institutional affiliations. |
© 2022 by the authors. Licensee MDPI, Basel, Switzerland. This article is an open access article distributed under the terms and conditions of the Creative Commons Attribution (CC BY) license (https://creativecommons.org/licenses/by/4.0/).
Share and Cite
Hoang, N.; Khoa, T.A.; Nhung, L.T.; Phuong, P.M.; Binh, T.D.; Hang, T.T.X.; Chi, N.V.; Nguyen, T.-D. Flake ZnAl Alloy as an Effective Pigment in Silicate Coatings for the Corrosion Protection of Steel. Coatings 2022, 12, 1046. https://doi.org/10.3390/coatings12081046
Hoang N, Khoa TA, Nhung LT, Phuong PM, Binh TD, Hang TTX, Chi NV, Nguyen T-D. Flake ZnAl Alloy as an Effective Pigment in Silicate Coatings for the Corrosion Protection of Steel. Coatings. 2022; 12(8):1046. https://doi.org/10.3390/coatings12081046
Chicago/Turabian StyleHoang, Nguyen, Truong Anh Khoa, Le Thi Nhung, Phan Minh Phuong, Tran Dinh Binh, To Thi Xuan Hang, Nguyen Van Chi, and Thanh-Danh Nguyen. 2022. "Flake ZnAl Alloy as an Effective Pigment in Silicate Coatings for the Corrosion Protection of Steel" Coatings 12, no. 8: 1046. https://doi.org/10.3390/coatings12081046
APA StyleHoang, N., Khoa, T. A., Nhung, L. T., Phuong, P. M., Binh, T. D., Hang, T. T. X., Chi, N. V., & Nguyen, T.-D. (2022). Flake ZnAl Alloy as an Effective Pigment in Silicate Coatings for the Corrosion Protection of Steel. Coatings, 12(8), 1046. https://doi.org/10.3390/coatings12081046

