Molecular Dynamics Simulation on the Deposition Characteristics between Pt Cluster and Ni Substrate in Cold Gas Dynamic Spraying
Abstract
:1. Introduction
2. Materials and Methods
3. Results and Discussion
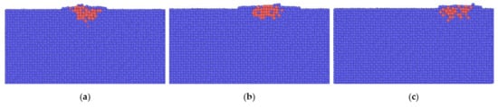
3.1. A single Cluster at the Different Incident Velocity in Model 1
3.2. A Single Cluster at the Different Impact Torques in Model 1
3.3. Two Clusters Arranged Horizontally at the Different Incident Velocities in Model 2
3.4. Two Clusters Arranged Vertically at the Different Incident Velocities in Model 3
4. Conclusions
- For one single cluster, the normal incident velocity has a great contribution on the depth of the cluster embedding into the substrate, and the tangential incident velocity leads to the scattering on the substrate. The two incident velocities ( and ) and the impact torque () can all enhance the bonding strength, while first decreases and then increases the bonding strength. The enhancements of and improve the mechanical interlocking and metallurgic bonding, and the enhancements of and mainly enlarge the mechanical interlocking.
- For two clusters arranged horizontally, the bonding force between each cluster and the substrate becomes stronger, raising the incident velocity of any one of the two neighboring clusters. The thermal-softening effect of the first cluster impacting on the substrate contributes more to its own metallurgic bonding and the mechanical interlocking of the latter one. The bonding strength is dominantly determined by the mechanical interlocking at and the metallurgic bonding at . When the distance between the two clusters becomes larger, the mechanical interlocking and the metallurgic bonding between any one cluster and the substrate significantly weaken.
- For two clusters arranged vertically, the peening effect from the upper cluster and the thermal-softening effect from the lower cluster can always enhance the bonding strength between any one cluster and the substrate. If the two vertical clusters happen to collide with each other during the flying course, increasing the incident velocity of the first cluster and decreasing the incident velocity of the latter cluster largely shortens the cooling and solidifying times and enhances the metal interlocking and the metallurgic bonding.
Author Contributions
Funding
Institutional Review Board Statement
Informed Consent Statement
Data Availability Statement
Acknowledgments
Conflicts of Interest
References
- Yao, J.; He, Y.; Wang, D.; Peng, H.; Guo, H.; Gong, S. Thermal barrier coatings with (Al2O3–Y2O3)/(Pt or Pt–Au) composite bond coat and 8YSZ top coat on Ni-based superalloy. Appl. Surf. Sci. 2013, 286, 298–305. [Google Scholar] [CrossRef]
- Alam, Z.; Sarkar, S.B.; Das, D.K. Refurbishment of thermally degraded diffusion Pt-aluminide (PtAl) bond coat on a Ni-base superalloy. Surf. Coat. Technol. 2018, 354, 101–111. [Google Scholar] [CrossRef]
- Assadi, H.; Gärtner, F.; Stoltenhoff, T.; Kreye, H. Bonding mechanism in cold gas spraying. Acta Mater. 2003, 51, 4379–4394. [Google Scholar] [CrossRef]
- Li, W.; Liao, H.; Li, C.-J.; Li, G.; Coddet, C.; Wang, X. On high velocity impact of micro-sized metallic particles in cold spraying. Appl. Surf. Sci. 2006, 253, 2852–2862. [Google Scholar] [CrossRef]
- Rahmati, S.; Ghaei, A. The Use of Particle/Substrate Material Models in Simulation of Cold-Gas Dynamic-Spray Process. J. Therm. Spray Technol. 2014, 23, 530–540. [Google Scholar] [CrossRef]
- Meng, F.; Hu, D.; Gao, Y.; Yue, S.; Song, J. Cold-spray bonding mechanisms and deposition efficiency prediction for particle/substrate with distinct deformability. Mater. Des. 2016, 109, 503–510. [Google Scholar] [CrossRef]
- Hussain, T.; McCartney, G.; Shipway, P.H.; Zhang, D. Bonding Mechanisms in Cold Spraying: The Contributions of Metallurgical and Mechanical Components. J. Therm. Spray Technol. 2009, 18, 364–379. [Google Scholar] [CrossRef]
- Khodabakhshi, F.; Marzbanrad, B.; Jahed, H.; Gerlich, A. Interfacial bonding mechanisms between aluminum and titanium during cold gas spraying followed by friction-stir modification. Appl. Surf. Sci. 2018, 462, 739–752. [Google Scholar] [CrossRef]
- Xie, Y.; Chen, C.; Planche, M.-P.; Deng, S.; Huang, R.; Ren, Z.; Liao, H. Strengthened Peening Effect on Metallurgical Bonding Formation in Cold Spray Additive Manufacturing. J. Therm. Spray Technol. 2019, 28, 769–779. [Google Scholar] [CrossRef] [Green Version]
- Xiong, Y.; Xiong, X.; Yoon, S.; Bae, G.; Lee, C. Dependence of Bonding Mechanisms of Cold Sprayed Coatings on Strain-Rate-Induced Non-Equilibrium Phase Transformation. J. Therm. Spray Technol. 2011, 20, 860–865. [Google Scholar] [CrossRef]
- Hussain, T.; Mc Cartney, G.; Shipway, P. Bonding between aluminium and copper in cold spraying: Story of asymmetry. Mater. Sci. Technol. 2012, 28, 1371–1378. [Google Scholar] [CrossRef]
- Yin, S.; Suo, X.; Xie, Y.; Li, W.; Lupoi, R.; Liao, H. Effect of substrate temperature on interfacial bonding for cold spray of Ni onto Cu. J. Mater. Sci. 2015, 50, 7448–7457. [Google Scholar] [CrossRef]
- Xie, Y.; Planche, M.-P.; Raoelison, R.; Hervé, P.; Suo, X.; He, P.; Liao, H. Investigation on the influence of particle preheating temperature on bonding of cold-sprayed nickel coatings. Surf. Coat. Technol. 2017, 318, 99–105. [Google Scholar] [CrossRef]
- Gao, H.; Liu, C.; Song, F.H. Molecular Dynamics Simulation of the Influence Factors of Particle Depositing on Surface during Cold Spray. Adv. Mater. Res. 2013, 652-654, 1916–1924. [Google Scholar] [CrossRef]
- Gao, H.; Zhao, L.; Zeng, D.; Gao, L. Molecular Dynamics Simulation of Au Cluster Depositing on Au Surface in Cold Gas Spray. First Int. Conf. Integr. Commer. Micro Nanosyst. Parts A B 2007, 195–202. [Google Scholar] [CrossRef]
- Malama, T.; Hamweendo, A.; Botef, I. Molecular Dynamics Simulation of Ti and Ni Particles on Ti Substrate in the Cold Gas Dynamic Spray (CGDS) Process. Mater. Sci. Forum 2015, 828-829, 453–460. [Google Scholar] [CrossRef]
- Wang, K.; Liu, J.; Chen, Q. Palladium clusters deposited on the heterogeneous substrates. Appl. Surf. Sci. 2016, 376, 105–112. [Google Scholar] [CrossRef]
- Joshi, A.; James, S. Molecular dynamics simulation study of cold spray process. J. Manuf. Process. 2018, 33, 136–143. [Google Scholar] [CrossRef]
- Joshi, A.; James, S. Molecular Dynamics Simulation Study on Effect of Process Parameters on Coatings during Cold Spray Process. Procedia Manuf. 2018, 26, 190–197. [Google Scholar] [CrossRef]
- Suresh, S.; Lee, S.-W.; Aindow, M.; Brody, H.D.; Champagne, V.K., Jr.; Dongare, A.M. Unraveling the Mesoscale Evolution of Microstructure during Supersonic Impact of Aluminum Powder Particles. Sci. Rep. 2018, 8, 10075. [Google Scholar] [CrossRef]
- Jami, H.; Jabbarzadeh, A. Unravelling ultrafast deformation mechanisms in surface deposition of titanium nanoparticles. Appl. Surf. Sci. 2019, 489, 446–461. [Google Scholar] [CrossRef]
- Jami, H.; Jabbarzadeh, A. Effect of particle shape on mechanics of impact in the deposition of titanium nanoparticles on a titanium substrate. Surf. Coat. Technol. 2020, 394, 125880. [Google Scholar] [CrossRef]
- Rahmati, S.; Zúñiga, A.; Jodoin, B.; Veiga, R. Deformation of copper particles upon impact: A molecular dynamics study of cold spray. Comput. Mater. Sci. 2020, 171, 109219. [Google Scholar] [CrossRef]
- Oyinbo, S.T.; Jen, T.-C.; Zhu, Y.; Ajiboye, J.S.; Ismail, S.O. Atomistic simulations of interfacial deformation and bonding mechanism of Pd-Cu composite metal membrane using cold gas dynamic spray process. Vacuum 2020, 182, 109779. [Google Scholar] [CrossRef]
- Yao, H.-L.; Yang, G.-J.; Li, C.-J. MD Simulation on Collision Behavior Between Nano-Scale TiO2 Particles During Vacuum Cold Spraying. J. Nanosci. Nanotechnol. 2018, 18, 2657–2664. [Google Scholar] [CrossRef]
- Yao, H.-L.; Hu, X.-Z.; Yang, G.-J. Effect of Particle Size and Impact Velocity on Collision Behaviors Between Nano-Scale TiN Particles: MD Simulation. J. Nanosci. Nanotechnol. 2018, 18, 4121–4126. [Google Scholar] [CrossRef]
- Yao, H.-L.; Yang, G.-J.; Li, C.-J. Molecular dynamics simulation and experimental verification for bonding formation of solid-state TiO2 nano-particles induced by high velocity collision. Ceram. Int. 2019, 45, 4700–4706. [Google Scholar] [CrossRef]
- Jami, H.; Jabbarzadeh, A. Ultrafast thermomechanical effects in aerosol deposition of hydroxyapatite nanoparticles on a titanium substrate. Surf. Coat. Technol. 2020, 382, 125173. [Google Scholar] [CrossRef]
- Jami, H.; Jabbarzadeh, A. Molecular simulation of high-velocity deposition of titanium dioxide nanoparticles on titanium. Appl. Surf. Sci. 2020, 542, 148567. [Google Scholar] [CrossRef]
- Li, G.; Wang, X.-F.; Li, W.-Y. Effect of different incidence angles on bonding performance in cold spraying. Trans. Nonferrous Met. Soc. China 2007, 17, 116–121. [Google Scholar] [CrossRef]
- Wang, X.; Feng, F.; Klecka, M.A.; Mordasky, M.D.; Garofano, J.K.; El-Wardany, T.; Nardi, A.; Champagne, V.K. Characterization and modeling of the bonding process in cold spray additive manufacturing. Addit. Manuf. 2015, 8, 149–162. [Google Scholar] [CrossRef]
- Chen, C.; Xie, Y.; Yin, S.; Planche, M.-P.; Deng, S.; Lupoi, R.; Liao, H. Evaluation of the interfacial bonding between particles and substrate in angular cold spray. Mater. Lett. 2016, 173, 76–79. [Google Scholar] [CrossRef]
- Zhu, L.; Jen, T.-C.; Pan, Y.-T.; Chen, H.-S. Particle Bonding Mechanism in Cold Gas Dynamic Spray: A Three-Dimensional Approach. J. Therm. Spray Technol. 2017, 26, 1859–1873. [Google Scholar] [CrossRef]
- Fu, S.-L.; Li, C.-X.; Wei, Y.-K.; Luo, X.-T.; Yang, G.-J.; Li, C.-J.; Li, J.-L. Novel Method of Aluminum to Copper Bonding by Cold Spray. J. Therm. Spray Technol. 2018, 27, 624–640. [Google Scholar] [CrossRef]
- Braga, C.; Travis, K. A configurational temperature Nosé-Hoover thermostat. J. Chem. Phys. 2005, 123, 134101. [Google Scholar] [CrossRef]
- Plimpton, S. Fast Parallel Algorithms for Short-Range Molecular Dynamics. J. Comput. Phys. 1995, 117, 1–19. [Google Scholar] [CrossRef] [Green Version]
- Zhou, X.W.; Johnson, R.A.; Wadley, H.N.G. Misfit-energy-increasing dislocations in vapor-deposited CoFe/NiFe multilayers. Phys. Rev. B 2004, 69, 144113. [Google Scholar] [CrossRef] [Green Version]
- Chromik, R.R.; Goldbaum, D.; Shockley, J.M.; Yue, S.; Irissou, E.; Legoux, J.-G.; Randall, N.X. Modified ball bond shear test for determination of adhesion strength of cold spray splats. Surf. Coatings Technol. 2010, 205, 1409–1414. [Google Scholar] [CrossRef] [Green Version]
- Yildirim, B.; Fukanuma, H.; Ando, T.; Gouldstone, A.; Müftü, S. A Numerical Investigation into Cold Spray Bonding Processes. J. Tribol. 2014, 137, 011102. [Google Scholar] [CrossRef]
- Kumar, S.; Bae, G.; Lee, C. Influence of substrate roughness on bonding mechanism in cold spray. Surf. Coat. Technol. 2016, 304, 592–605. [Google Scholar] [CrossRef]
















| Materials | Substrate Material | Ni, Cuboid (112.64 Å × 112.64 Å× 56.32 Å), 71,680 Atoms | |
| Cluster Material | ), 140 Atoms | ||
| Operating Parameters | Bulk Temperature | 300 K | |
| Potential Function | Embedded Atom Potential (EAM) [37] | ||
| Thickness of Fixed Layer | 3.52 Å | ||
| Thickness of Thermostat Layer | 24.64 Å | ||
| Thickness of Free Layer | 28.16 Å | ||
| Initial Stand-Off Distance | 62.72 Å | ||
| Time Step | 0.001 ps | ||
| Duration of Relaxation | 1000 ps | ||
| Duration of Simulation | 1000 ps | ||
| Incident Velocity of Cluster 0 in Model 1 | . | . | |
| Incident Torque of Cluster 0 in Model 1 | . | . | |
| Incident Velocity of Cluster 1 and Cluster 2 in Model 2 | . | . | |
| Incident Velocity of Cluster 3 and Cluster 4 in Model 3 | . | ||
Publisher’s Note: MDPI stays neutral with regard to jurisdictional claims in published maps and institutional affiliations. |
© 2022 by the authors. Licensee MDPI, Basel, Switzerland. This article is an open access article distributed under the terms and conditions of the Creative Commons Attribution (CC BY) license (https://creativecommons.org/licenses/by/4.0/).
Share and Cite
Zhang, X.; Li, X.; Shi, T. Molecular Dynamics Simulation on the Deposition Characteristics between Pt Cluster and Ni Substrate in Cold Gas Dynamic Spraying. Coatings 2022, 12, 142. https://doi.org/10.3390/coatings12020142
Zhang X, Li X, Shi T. Molecular Dynamics Simulation on the Deposition Characteristics between Pt Cluster and Ni Substrate in Cold Gas Dynamic Spraying. Coatings. 2022; 12(2):142. https://doi.org/10.3390/coatings12020142
Chicago/Turabian StyleZhang, Xueqing, Xiaojing Li, and Tianzhe Shi. 2022. "Molecular Dynamics Simulation on the Deposition Characteristics between Pt Cluster and Ni Substrate in Cold Gas Dynamic Spraying" Coatings 12, no. 2: 142. https://doi.org/10.3390/coatings12020142
APA StyleZhang, X., Li, X., & Shi, T. (2022). Molecular Dynamics Simulation on the Deposition Characteristics between Pt Cluster and Ni Substrate in Cold Gas Dynamic Spraying. Coatings, 12(2), 142. https://doi.org/10.3390/coatings12020142

