Cyclic Performance of Prefabricated Shear Wall Connected to Columns by Rectangular Concrete-Filled Steel Tube Keys
Abstract
:1. Introduction
2. Structure of Wall and Columns Connected by RCFSTKs
3. Test Program
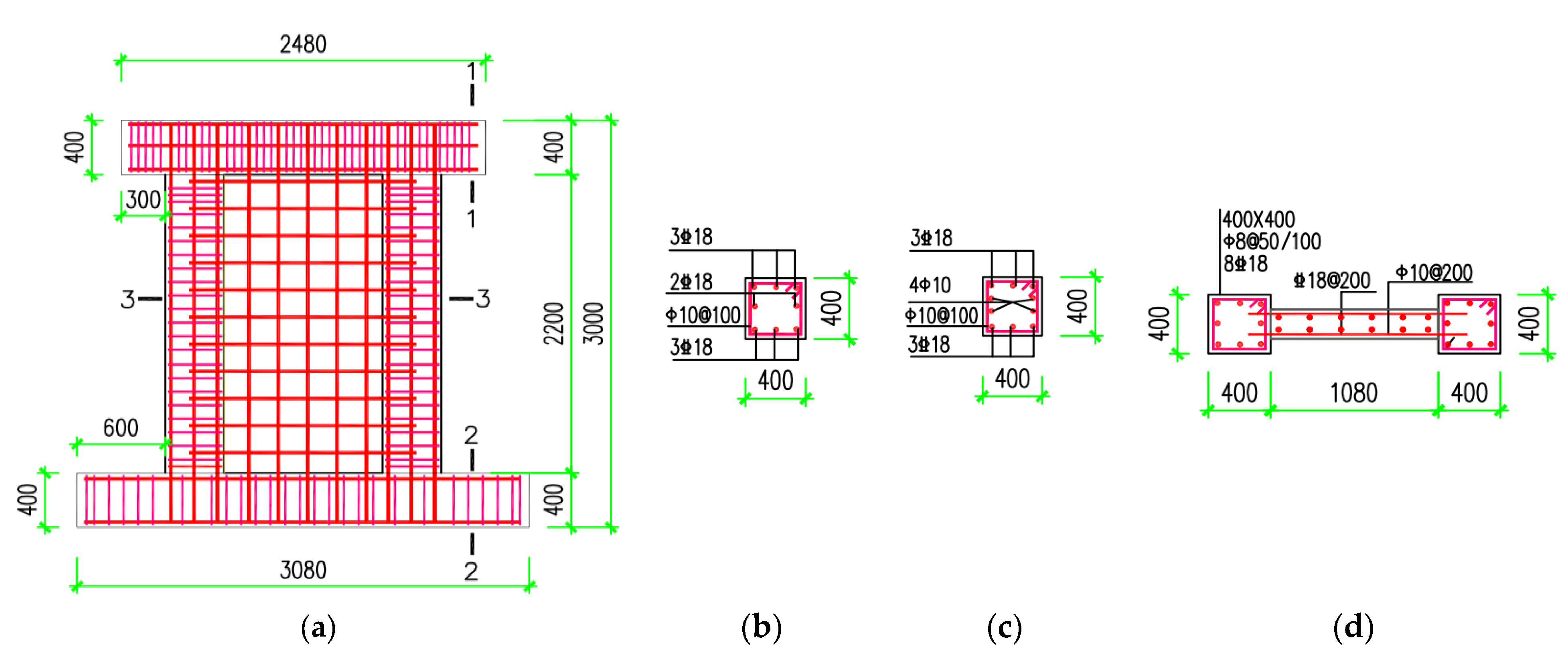
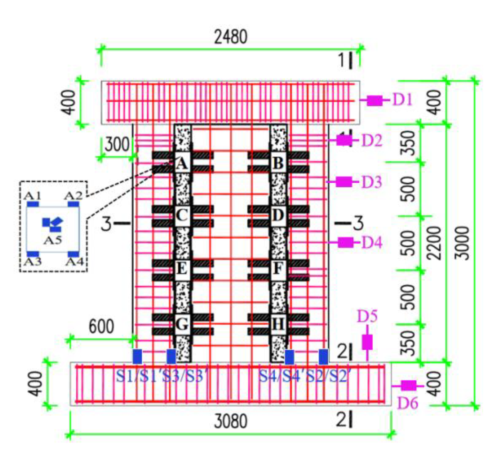
3.1. Test Specimen Design
3.2. Mechanical Properties
3.3. Loading Program
3.4. Loading System
3.5. Measurement Program
4. Specimen Damage and Comparative Analysis
4.1. Specimen Damage
4.1.1. Specimen XJ
4.1.2. Specimen ZP
4.2. Comparative Analysis of Damage
5. Analysis of Test Results
5.1. Load–Displacement Hysteresis Curve
5.2. Skeleton Curve
5.3. Stiffness Degradation
5.4. Bearing Capacity Degradation
5.5. Energy Dissipation
5.6. Steel Strain and Steel Tube Stress
6. Finite Element Parametric Analysis
6.1. Finite Element Modeling Methods and Verification
6.2. Necessity of Both RCFSTKs and Plain Concrete Blocks
6.3. Analysis of Influencing Factors
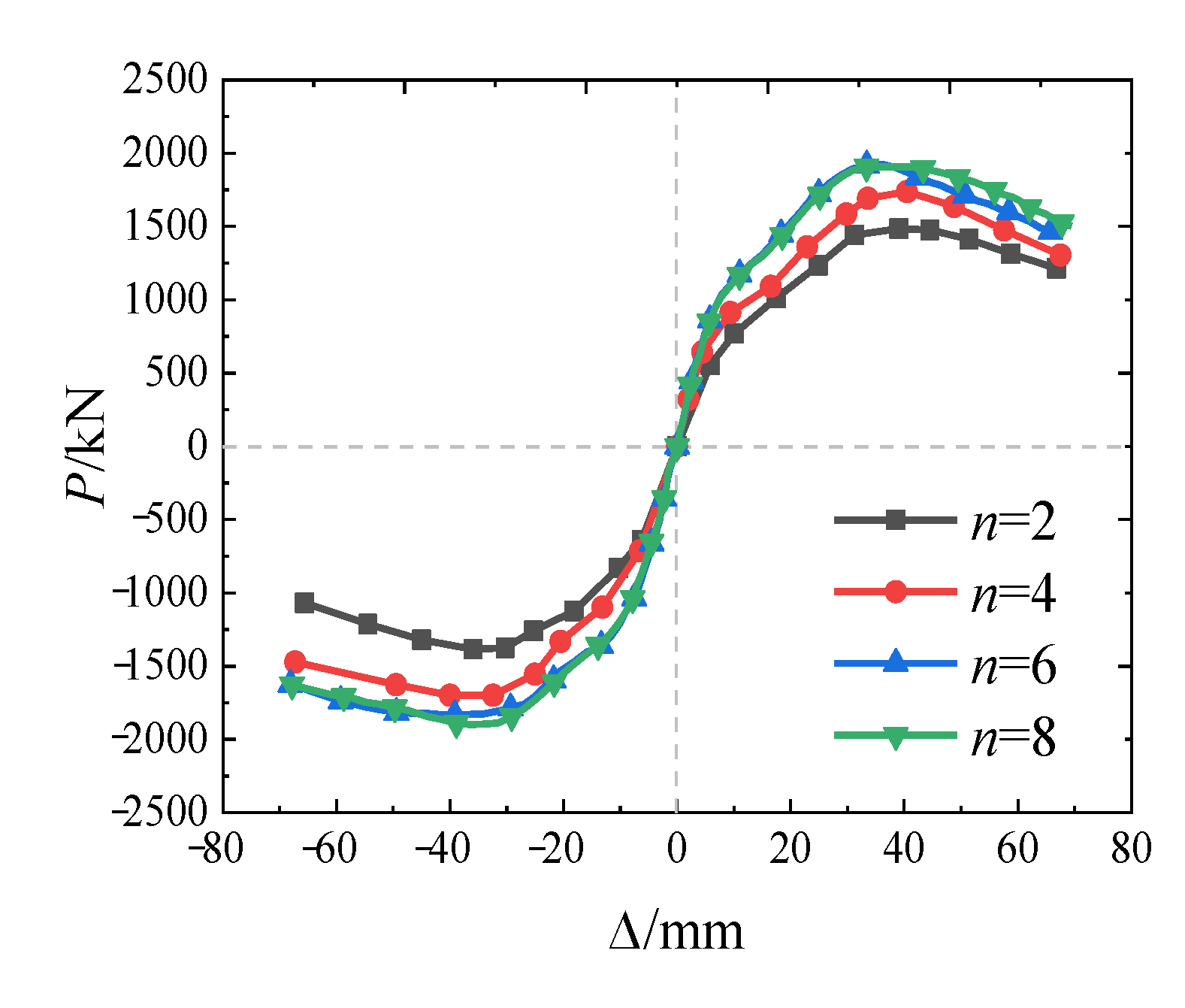
6.3.1. Influence of the Number of RCFSTKs
6.3.2. Influence of RCFSTK Unit Height
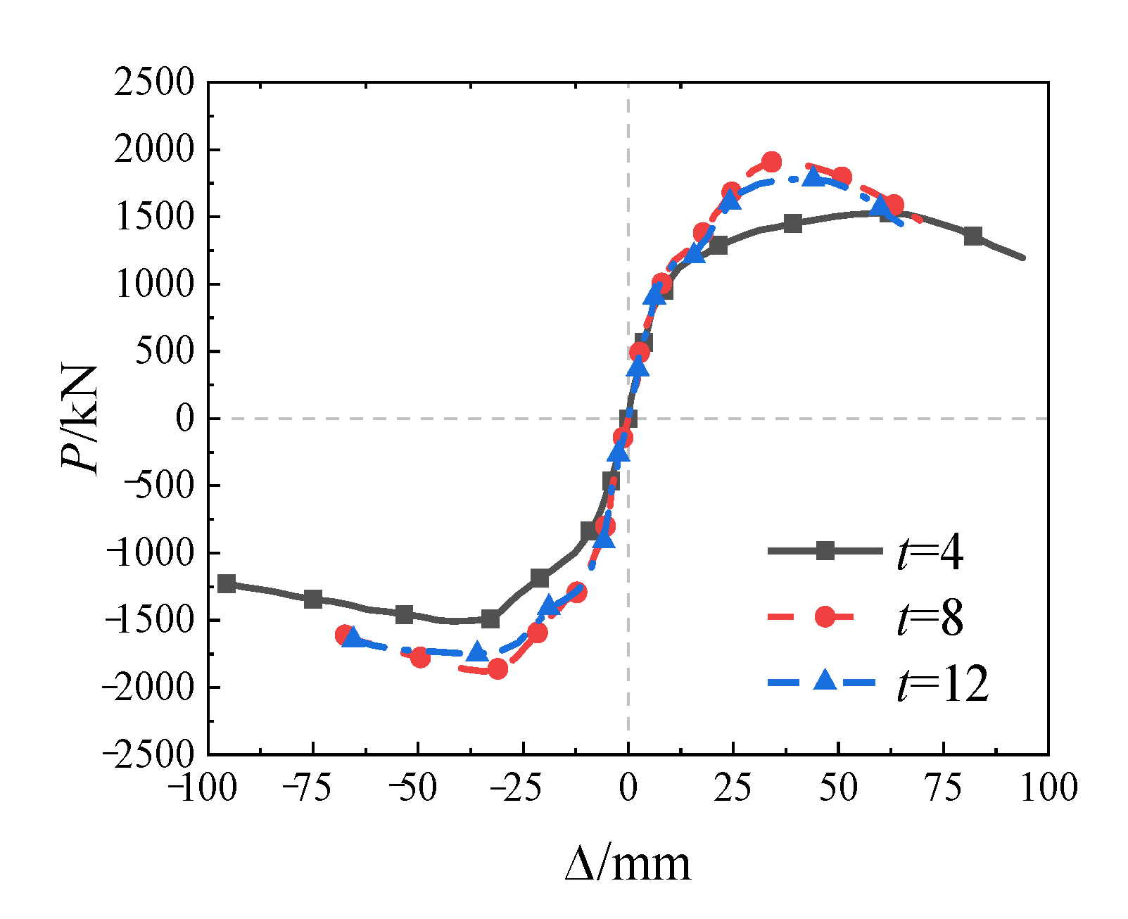
6.3.3. Influence of Wall Thickness of RCFSTKs
6.3.4. Influence of Wall Thickness of RCFSTKs
6.3.5. Influence of RCFSTK Steel Strength
6.3.6. Influence of RCFSTK Concrete Grade
7. Conclusions
- (1)
- In terms of transferring force, RCFSTK produces a concentrated force perpendicular to the frame column when transferring the internal force between the column and the wall. This force changes the locations of the maximum bending moments of the column and the wall, making the bending moments more uniform in the vertical direction and improving the mechanical properties of the wall and the column.
- (2)
- The RCFSTKs yielded in the center of their lateral steel plates, while the ends of the steel plates on the upper and lower surfaces did not yield. This indicates that the RCFSTKs are predominantly subjected to shear deformation and are important in coordinating shear deformation of the walls and columns.
- (3)
- The prefabricated frame–shear wall structure using RCFSTKs, compared with the cast-in-place structure, has a fuller hysteresis curve, greater total energy consumption, better ductility, slightly higher energy consumption capacity, and slightly lower stiffness degradation and bearing capacity. The difference in bearing capacities was slight, so practical use of the proposed prefabricated structure is feasible.
- (4)
- Removing the RCFSTKs or the plain concrete blocks between them, or both, will significantly decrease the bearing capacity and initial stiffness of the prefabricated column–wall unit by 21.5%–52.2%. Thus, both RCFSTs and the concrete blocks between them are necessary. How to simplify the construction merits further investigation.
- (5)
- The cyclic performance of the prefabricated structure is influenced largely by the number of RCFSTKs, steel tube wall thickness, and axial compression ratio while to a lesser extent by the key height, steel strength, and concrete grade of the RCFSTKs.
Author Contributions
Funding
Institutional Review Board Statement
Informed Consent Statement
Data Availability Statement
Conflicts of Interest
References
- Ma, J.W. Study on Seismic Behavior of the New Full Precast Concrete Shear-Wall Frame Strucures. Master’s Thesis, Southeast University, Nanjing, China, 2018. [Google Scholar]
- Ma, J.W.; Mo, C.; Jiang, S.T.; Yin, W.Y.; Jin, R.C.; Zheng, Q. Study on Construction Method and Experimental Verification of Fully-precast RC Frame-shear Wall Structures. Constr. Technol. 2017, 46, 30–34, 52. [Google Scholar] [CrossRef]
- Ma, J.-W.; Pan, J.-L.; Yin, W.-Y.; Liu, S.-C.; Mo, C. Experimental study on seismic performance of full precast shear wall-frame structures with reinforcement spliced by grout-filled sleeves. Eng. Mech. 2017, 34, 178–187. [Google Scholar] [CrossRef]
- Mo, C. Study on Seismic Performance of Fully Precast Frame-Shear Wall Structure. Master’s Thesis, Southeast University, Nanjing, China, 2017. [Google Scholar]
- Ma, J.; Pan, J.; Yin, W.; Liu, S.; Jiang, S. Experimental study on seismic behavior of wholly precast RC frame-shear wall structure. J. Build. Struct. 2017, 38, 12–22. [Google Scholar] [CrossRef]
- Zhao, W.; Tong, J.; Yuan, S.; Guo, Y. Research on the connection method of column-wall member in precast frame-shear wall structure. J. Shenyang Jianzhu Univ. 2015, 31, 408–417. [Google Scholar]
- Bournas, D.; Negro, P.; Molina, F.; Viaccoz, B.; Magonette, G. Pseudodynamic Testing of the SAFECAST 3-Storey Precast Concrete Building; JRC Technical Report EUR; Institute for the Protection and Security of the Citizen, Joint Research Centre: Ispra, Italy, 2012. [Google Scholar]
- Buddika, H.S.; Wijeyewickrema, A.C. Post-tensioned hybrid precast wall-frame buildings for seismic regions. J. Struct. Eng. 2014, 142, 04016021. [Google Scholar] [CrossRef]
- Tong, J.X. Research of the Connection Methods between Frame Beam Column and Shear Wall Based on the Shear Test. Master’s Thesis, Shenyang Jianzhu University, Shenyang, China, 2015. [Google Scholar]
- Gao, Q. Structure Forms and Assembly Technologies on Precast Frame-Shear Wall Structure. Master’s Thesis, Shenyang Jianzhu University, Shenyang, China, 2014. [Google Scholar]
- Gao, Q.; Zhao, W.J. Experimental study on performance of grouted sleeve connection with surfacing forming under high stress repeated tension-compression load. J. Build. Struct. 2022, 43, 220–227. [Google Scholar] [CrossRef]
- Gao, Q.; Zhao, W.J. Experimental study on performance of grouted sleeve connection with surfacing forming under uniaxial tensile load. J. Build. Struct. 2022, 43, 208–219. [Google Scholar] [CrossRef]
- Ioani, A.M.; Tripa, E. Structural behavior of an innovative all-precast concrete dual system for residential buildings. PCI J. 2012, 57, 110–123. [Google Scholar] [CrossRef]
- Gao, J. Study on Performance of Concrete Filled Steel Tubular Composite Keyway Connection in Fabricated Frame-Shear Structures. Master’s Thesis, Shenyang Jianzhu University, Shenyang, China, 2019. [Google Scholar]
- Zhao, Y.; Wang, E.C.; Kong, D.Z.; Kong, D.P.; Li, Y.C. Experimental Research on Seismic Performance of New Low-rise Precast Concrete Shear Walls. China Concr. Cem. Prod. 2021, 2, 69–73. [Google Scholar] [CrossRef]
- Chen, Q.J.; Liang, J.J.; Cai, J.; Li, Z.; He, A.; Zuo, Z.L. Investigation on seismic behavior and influencing parameters of steel-jacket strengthened columns with recycled aggregate concrete. Eng. Mech. 2019, 36, 206–217, 256. [Google Scholar] [CrossRef]
- JGJ 101-1996; Specificating of Testing Methods for Earthquake Resistant Building. Architecture & Building Press: Beijing, China, 1996.
- Sun, X. Experimental research on seismic behavior of single span concrete-filled steel tubular frame with reinforced concrete beams. J. Build. Struct. 2009, 30, 142–146, 156. [Google Scholar] [CrossRef]
- Zheng, S.-S.; Liu, W.; Qin, Q.; Zhang, C.-C.; Dong, L.-G.; Li, Q.-Q. Experimental research on seismic behavior of rc frame beams under different loading protocols. Eng. Mech. 2018, 35, 109–117. [Google Scholar] [CrossRef]
- Li, Q.; Li, Q. Seismic performance study of new shaped plate applied in self-centering steel frame. J. Suzhou Univ. Sci. Technol. 2017, 30, 1–6. [Google Scholar] [CrossRef]
- Rong, X.; Chen, L.; Zhang, J.-X. Experimental Study on Seismic Performance of Bottom-Flange-Bolted and Top-Flange-Welded Prefabricated CFST Column to Steel Beam Joints. J. Northeastern Univ. 2020, 41, 1348–1355. [Google Scholar] [CrossRef]
- Weichang, L.; Mingwei, L.; Zhijian, Y.; Hongping, Y. Research on mechanical properties of square steel tube column-I-beam joints connected by T-section steel under reciprocating load. Ind. Arch. 2018, 48, 135–141. [Google Scholar] [CrossRef]
- Lu, Y.; Liu, L.; Cui, Q.; Cao, C.; Yang, Y. Research on the influence of shear reinforcement on the seismic performance of pre-compressed prefabricated joints. Ind. Arch. 2022, 52, 105–111. [Google Scholar] [CrossRef]
- Wei, H.; Li, Q. Experimental study on seismic behavior of prefabricated RC shear walls with horizontal joints welded by steel plates. J. Build. Struct. 2020, 41, 77–87. [Google Scholar] [CrossRef]
- Wang, W.; Chen, B.; Ou, Y.; Jiang, X. Experimental study on seismic performance of steel truss and concrete composite shear wall. J. Build. Struct. 2021, 42 (Suppl. S1), 330–340. [Google Scholar] [CrossRef]
- Saleh, H.M.; Salman, A.A.; Faheim, A.A.; El-Sayed, A.M. Sustainable composite of improved lightweight concrete from cement kiln dust with grated poly(styrene). J. Clean. Prod. 2020, 277, 123491. [Google Scholar] [CrossRef]
- Saleh, H.M.; Eskander, S.B. Innovative cement-based materials for environmental protection and restoration. In New Materials in Civil Engineering; Butterworth-Heinemann: Giza, Egypt, 2020; pp. 613–641. [Google Scholar]
- Zong, Z.H.; Ge, J.P.; Yang, Q.Y. Nonlinear finite element analysis of the concrete filled square steel tubular column to steel beam connections under low-cycle reversed loading. J. Build. Struct. 2006, 27, 75–81. [Google Scholar] [CrossRef]


























| Wall ID | Specimen Type | Wall and Column Connection Method | Wall Section b × h (mm) | Column, Loading Beam, and Ground Beam Sections b × h (mm) |
|---|---|---|---|---|
| XJ | cast-in-place | cast-in-place | 1080 × 200 | 400 × 400 |
| ZP | prefabricated | RCFSTKs | 800 × 200 | 400 × 400 |
| Materials | Modulus of Elasticity E (105 N/mm2) | Yield Strain εy (με) | Yield Strength fy (MPa) | Tensile Strength fu (MPa) | Cube Compressive Strength of Concrete fck (MPa) |
|---|---|---|---|---|---|
| Concrete | 0.34 | - | - | - | 42 |
| Steel plate | 2.1 | 1304 | 274 | 352 | - |
| Steel bar (A8) | 1.4 | 3100 | 434 | 584 | - |
| Steel bar (C10) | 2.2 | 2400 | 528 | 604 | - |
| Steel bar (C18) | 1.7 | 2335 | 397 | 563 | - |
| Specimen ID | Yield Load (kN) | Ultimate Load (kN) | Failure Load (kN) | Initial Stiffness (kN/mm) | Ductility Ratio |
|---|---|---|---|---|---|
| XJ | 1583 | 1769 | 1503 | 131 | 2.7 |
| ZP | 1443 | 1653 | 1405 | 101 | 3.3 |
| Specimen ID | 1∆ | −1∆ | 2∆ | −2∆ |
|---|---|---|---|---|
| XJ | 0.94 | 0.94 | 0.89 | 0.86 |
| ZP | 0.95 | 0.92 | 0.96 | 0.96 |
| Specimen ID | 1∆ | 2∆ | 3∆ |
|---|---|---|---|
| XJ | 0.58 | 0.69 | 1.23 |
| ZP | 0.58 | 0.75 | 1.28 |
| Wall ID | Result | Load (kN) | Initial Stiffness (kN/mm) | Ductility Ratio | Energy Dissipation Coefficient | ||
|---|---|---|---|---|---|---|---|
| Yield | Ultimate | Failure | |||||
| XJ | test | 1583 | 1769 | 1503 | 131 | 2.7 | 1.23 |
| simulation | 1353 | 1658 | 1409 | 143 | 2.9 | 1.31 | |
| error | 14.5% | 6.3% | 6.3% | 9.2% | 7.4% | 6.5% | |
| ZP | test | 1443 | 1653 | 1405 | 101 | 3.3 | 1.28 |
| simulation | 1298 | 1519 | 1291 | 112 | 3.7 | 1.34 | |
| error | 10.0% | 8.1% | 8.1% | 10.9% | 12.1% | 4.7% | |
| Model | Model Type | Model Characteristics |
|---|---|---|
| ZP | Assembly | Set plain concrete blocks between RCFSTKs |
| JJWK | Assembly | No plain concrete blocks between RCFSTKs |
| QZYK | Assembly | Gaps between the wall and columns |
| QZWK | Assembly | No gaps between the wall and columns |
| Model | Ultimate Load (kN) | Failure Load (kN) | Yield Load (kN) | Initial Stiffness (kN/mm) |
|---|---|---|---|---|
| ZP | 1519 | 1291 | 1298 | 138 |
| JJWK | 1193 | 1014 | 951 | 102 |
| QZYK | 884 | 752 | 683 | 43 |
| QZWK | 1028 | 874 | 833 | 66 |
| Parameter Value | Yield Load (kN) | Ultimate Load (kN) | Failure Load (kN) | Initial Stiffness (kN/mm) | Ductility Ratio | Energy Dissipation Coefficient |
|---|---|---|---|---|---|---|
| n = 2 | 1224 | 1486 | 1263 | 95 | 2.7 | 0.39 |
| n = 4 | 1242 | 1508 | 1282 | 158 | 2.8 | 0.47 |
| n = 6 | 1413 | 1885 | 1603 | 160 | 3.0 | 0.58 |
| n = 8 | 1421 | 1889 | 1606 | 160 | 3.2 | 0.67 |
| h = 15 | 1356 | 1874 | 1593 | 160 | 3.0 | 0.65 |
| h = 20 | 1421 | 1889 | 1606 | 160 | 3.2 | 0.67 |
| h = 25 | 1533 | 2010 | 1709 | 162 | 2.8 | 0.62 |
| t = 4 | 1280 | 1519 | 1291 | 112 | 3.7 | 1.34 |
| t = 8 | 1421 | 1889 | 1606 | 160 | 3.2 | 0.67 |
| t = 12 | 1228 | 1755 | 1492 | 162 | 3.8 | 0.84 |
| ζ = 0.2 | 1209 | 1698 | 1443 | 160 | 3.6 | 0.68 |
| ζ = 0.4 | 1421 | 1889 | 1606 | 160 | 3.2 | 0.67 |
| ζ = 0.5 | 1507 | 1984 | 1686 | 160 | 2.8 | 0.54 |
| Q-Q235 | 1421 | 1889 | 1606 | 160 | 3.2 | 0.67 |
| Q-Q390 | 1568 | 1998 | 1698 | 163 | 2.9 | 0.63 |
| Q-Q420 | 1593 | 2048 | 1741 | 167 | 2.8 | 0.61 |
| G-C25 | 1562 | 2050 | 1743 | 142 | 2.8 | 0.61 |
| G-C30 | 1553 | 1909 | 1623 | 153 | 2.9 | 0.63 |
| G-C40 | 1421 | 1889 | 1606 | 160 | 3.2 | 0.67 |
| G-C50 | 1411 | 1879 | 1597 | 164 | 3.4 | 0.73 |
Publisher’s Note: MDPI stays neutral with regard to jurisdictional claims in published maps and institutional affiliations. |
© 2022 by the authors. Licensee MDPI, Basel, Switzerland. This article is an open access article distributed under the terms and conditions of the Creative Commons Attribution (CC BY) license (https://creativecommons.org/licenses/by/4.0/).
Share and Cite
Zhou, Z.; Li, M.; Wu, Q.; Yuan, S.; Zhang, L. Cyclic Performance of Prefabricated Shear Wall Connected to Columns by Rectangular Concrete-Filled Steel Tube Keys. Coatings 2022, 12, 1584. https://doi.org/10.3390/coatings12101584
Zhou Z, Li M, Wu Q, Yuan S, Zhang L. Cyclic Performance of Prefabricated Shear Wall Connected to Columns by Rectangular Concrete-Filled Steel Tube Keys. Coatings. 2022; 12(10):1584. https://doi.org/10.3390/coatings12101584
Chicago/Turabian StyleZhou, Zhijun, Ming Li, Qian Wu, Shuang Yuan, and Li Zhang. 2022. "Cyclic Performance of Prefabricated Shear Wall Connected to Columns by Rectangular Concrete-Filled Steel Tube Keys" Coatings 12, no. 10: 1584. https://doi.org/10.3390/coatings12101584
APA StyleZhou, Z., Li, M., Wu, Q., Yuan, S., & Zhang, L. (2022). Cyclic Performance of Prefabricated Shear Wall Connected to Columns by Rectangular Concrete-Filled Steel Tube Keys. Coatings, 12(10), 1584. https://doi.org/10.3390/coatings12101584
