Abstract
Magnesium alloys have been investigated as temporary biomaterials for orthopedic applications. Despite their high osseointegration and mechanical (bone-like) properties, Mg alloys quickly degrade in simulated physiological media. Surface coatings can be deposited onto Mg alloys to slow the corrosion rate of these biomaterials in chloride-rich environments. TiO2 films show high potential for improving the corrosion resistance of magnesium alloys. This article presents the structural observations and corrosion behavior of TiO2 thin films deposited onto a MgCa2Zn1Gd3 alloy using atomic layer deposition (ALD). Surface morphologies were observed using scanning electron microscopy (SEM) and atomic force microscopy (AFM), and Raman analysis of the deposited TiO2 films was also carried out. The corrosion behavior of the uncoated alloy and the alloy coated with TiO2 was measured in Ringer’s solution at 37 °C using electrochemical and immersion tests. The microscopic observations of the TiO2 thin films with a thickness of about 52.5 and 70 nm showed that the surface morphology was homogeneous without visible defects on the TiO2 surface. The electrochemical and immersion test results showed that the thin films decreased the corrosion rate of the studied Mg-based alloy, and the corrosion resistance was higher in the thicker TiO2 film.
1. Introduction
Magnesium plays an essential role in human metabolism and forms one of the most important intracellular cations. Mg can form chelates with cell membrane phospholipids, affecting their structural stability and allowing the cell to better fulfill its protective functions. More than 53 percent of total bodily magnesium is located in human bones.
Magnesium alloys are widely used in medicine because of their many suitable properties, e.g., high mechanical strength, lightweight, etc. [1]. They are also nontoxic and biocompatible, but magnesium is one of the most electrochemically active metals [2]. Hence, the anticorrosion properties of magnesium alloys are very poor, and their high biodegradation rate affects cell viability and cellular functions. Thus, it is necessary to modify the surface of these materials. TiO2 thin films can be used to modify magnesium alloy surfaces. This oxide exists in three crystal structures: anatase, brookite, and rutile. Brookite is rarer and much more difficult to prepare. From an application perspective, anatase and rutile are very important structures. Moreover, their properties were studied much more often than those of brookite. It can be stated that rutile is the most significant crystalline structure for bone tissue mineralization. However, rutile shows no advantages in in vitro experiments over anatase. Moreover, anatase may increase the adhesion and proliferation of osteoblasts.
TiO2 films have been widely used due to their many suitable properties, such as anticorrosion, mechanical, and antibacterial properties. TiO2 has also been used in dental and orthopedic applications. Some investigations have used TiO2 composite coatings on Mg-based alloys [3,4]. Bakhsheshi-Rad et al. [3] deposited a TiO2 coating onto a MgCa alloy using a micro-arc oxidation method. Then, a zinc-doped hydroxyapatite coating was deposited onto TiO2 using electrophoretic deposition. The authors studied the antibacterial activity of the composite coating against Escherichia coli, and the coating showed good antibacterial properties. The cytotoxicity tests indicated that the osteoblast cell viability cultured with a zinc-doped coating was higher than TiO2, but the titanium dioxide coating protected against E. coli [3]. Fu et al. [5] studied anatase TiO2 fabricated by a sol–gel method. The TiO2 nanoparticles were then covered by gold, and the antibacterial activity of these nanocomposite coatings was investigated using two types of bacteria (Escherichia coli and Bacillus megaterium). The authors confirmed the biocidal effect of the TiO2 coatings.
Many reports present the biomedical uses of TiO2 films with different thickness deposited onto different substrates (particularly Ti-based substrates) by an atomic layer deposition (ALD) process [6,7]. Nazarov et al. [6] studied the effect of combining three complementary methods, such as severe plastic deformation (SPD), chemical etching (CE), and atomic layer deposition (ALD). The aim of SPD was to improve mechanical properties. CE was used for preparation of a morphology and topography necessary for implant osseointegration. TiO2 coatings (with a thickness in the range of 350–1000 nm) were deposited on the nanostructured (UFG—ultrafine grained) titanium rods by the ALD method. The obtained results of in vitro investigations indicated an improvement in all parameters, e.g., viability, proliferation, alkaline phosphatase (ALP), etc. The authors stated that this was caused by the change in the surface composition and the anatase structure of the TiO2 films. The crystalline structure of the films affects the osseointegration of the bone tissue.
Matola et al. in their work [7] studied TiO2 coatings (with a thickness of about 0.275 and 8.25 nm) deposited onto Ti sheets and titanium dioxide nanotubes (TNT) layers using ALD. It was noted that the thinner TiO2 coating significantly improved cell growth on different substrates. The cell growth of WI-38 fibroblasts was improved 50% on TNT layers and Ti sheets; SH-SY5Y neuroblast and MG-63 osteoblast cell growth was increased by 30% on TNT layers coated with 0.75 nm thick TiO2 ALD compared to the uncoated substrates.
Many works have also indicated that TiO2 coatings improve the corrosion resistance of magnesium alloys [8,9,10,11]. Hu et al. [9] studied TiO2 deposited onto AZ31 alloys and stated that the ceramic films decreased the corrosion rate of magnesium alloys. Li et al. [10] investigated a TiO2 coating obtained by a sol–gel method and confirmed that the coating significantly improved the corrosion behavior of the Mg-Ca alloy in simulated body fluid (SBF). The electrochemical results showed that the corrosion current density, icorr, of the obtained coating was three times lower than that of the studied alloy. White et al. [11] also studied the effect of a TiO2 coating deposited on an AZ31 magnesium alloy on its corrosion behavior. Samples were tested in 3.5 wt.% NaCl solution, and the results showed that the plasma electrolytic oxidation (PEO) of TiO2 decreased the corrosion rate compared with the uncoated alloy. The corrosion rates of the AZ31 alloy and the TiO2 were 5.6 × 10−2 and 6.047 × 10−6 mm·year−1, respectively.
As mentioned above, different techniques can be used to deposit TiO2 films, e.g., sol–gel, plasma electrolytic oxidation, magnetron sputtering, chemical vapor deposition (CVD), etc. PEO technology is mainly used for the deposition of oxide coatings on the surface of light alloys, such as titanium, aluminum, and magnesium [12]. Many researchers produce and study nanocomposite coatings using this method [13,14]. However, one of the most promising deposition methods is atomic layer deposition, which is a variation of CVD that allows for the deposition of nanostructured thin films [15,16]. ALD is a chemical process that produces ultrathin coatings on highly non-uniform and non-planar surfaces [16,17]. Therefore, ALD largely contributes to many advanced nanotechnologies. It should also be noted that this method is successfully used in a lot of industrial and research applications. ALD films with a precise controlled thickness are deposited onto all kinds of substrates through repetition of ALD cycles [18]. The growth rate of ALD is related to the flux of the precursor on the substrate. ALD is particularly effective in coating the surfaces for topography with a very high aspect ratio and also requiring the surface of the multilayer film to have a good quality interface.
ALD has some advantages, such as precise thickness control, a low growth temperature, strong bonding strength, large-area uniformity, etc. Moreover, the low thickness of deposited coatings shows good adhesion to the substrate, making this method better than other techniques, such as PVD (physical vapor deposition) and sol–gel methods.
For the deposition of TiO2 thin films using ALD, different precursors are used, e.g., titanium isopropoxide, titanium tetrachloride, tetrakis(dimethylamino)titanium (TDMATi), alkoxides, such as Ti(OMe)4, Ti(OEt)4, and Ti(OiPr)4 in combination with H2O, oxygen, or ozone [15]. One of the most widely studied ALD of TiO2 processes is that using TiCl4 with H2O. Early study on the ALD of TiO2 using TiCl4 and water as reactants with growth temperatures from 150 to 600 °C was conducted by Ritala et al. [19]. In this work, the effect of the substrate material on the crystal structure and growth rate was presented.
This article presents the results of the structural observations and corrosion behavior of TiO2 thin films with a thickness of about 52.5 and 70 nm, deposited onto a MgCa2Zn1Gd3 alloy using ALD. Moreover, we assessed whether the slight difference in the TiO2 film thickness improved the corrosion resistance of the studied alloy.
2. Materials and Methods
The MgCa2Zn1Gd3 alloy was prepared using high-purity magnesium (99.99%), calcium (99.5%), zinc (99.99%), and gadolinium (99.9%). The alloy was cast in an induction furnace at 750 °C using Ar as the protective gas. Samples of the cast alloy were in the form of cylinders with diameters of 13 mm and heights of 5 mm. Before the ALD process, surfaces of the samples were mechanically polished with SiC paper, from grade 500 to 4000, and polished with a diamond suspension. Finally, the samples were ultrasonically degreased in acetone for 15 min, cleaned in alcohol, and washed with distilled water.
The TiO2 thin films were deposited on a MgCa2Zn1Gd3 alloy substrate by ALD using an R-200 system from Picosun (Espoo, Finland). As a precursor of TiO2, titanium tetrachloride (TiCl4) was used, which reacted with water to enable the deposition of thin films. Protective thin films were deposited after 1500 and 2000 cycles at 250 °C, with thicknesses of 52.5 and 70 nm, respectively. These values resulted from the number of deposition cycles, where one deposition cycle produced a 0.035 nm-thick film. The technological conditions of the ALD method selected on the basis of preliminary tests are presented in Table 1.
Table 1.
The technological conditions of the atomic layer deposition (ALD) method selected on the basis of preliminary tests.
The thickness of the TiO2 films was assessed with an alpha spectroscopic ellipsometer (SE) from Woollam (Lincoln, OR, USA). In this method, the linearly polarized light reflects from the sample surface, becomes elliptically polarized, and travels through a continuously rotating polarizer (referred to as the analyzer). The amount of light allowed to pass will depend on the polarizer orientation relative to the electric field “ellipse” coming from the sample. The detector converts light to electronic signal to determine the reflected polarization. This piece of information is compared to the known input polarization to determine the polarization change caused by the sample reflection. This is the ellipsometry measurement of ψ (the ratio of the amplitude diminutions) and Δ (the phase difference induced by the reflection). The measurements were carried out at room temperature under angles 65°, 70°, and 75°. The ψ and Δ measurements were performed on pure polished substrate in the first step and on substrate with deposited thin film in the further step. The thickness value was determined with software based on one used model. The used model included several layers (substrate/native oxide/TiO2/air), where the parameters of individual layers were fitted step by step (in the first step just for the substrate and in the second step for the substrate with the deposited film). The thin film of TiO2 was fitted with a Cauchy layer.
Observations of the surface morphology were carried out using a Zeiss SEM (SUPRA 35 model; electron high tension (EHT) = 3.0, 5.0 and 10.0 kV, SE mode, in-lens detector; EHT = 20.0 kV, QBSD detector, Zeiss, Thornwood, NY, USA) equipped with an energy-dispersive X-ray spectroscopy (EDS) detector. The components of the samples’ surface after corrosion tests have been identified by EDS analysis.
Structure identification of the thin films was carried out using a Raman spectrometer (inVia Reflex model) from Renishaw (New Mills, UK), which was equipped with an argon-ion laser with a wavelength of 514.5 nm. It was calibrated before each set of measurements using the Si line at 520 cm−1 as a reference.
Observations of the TiO2 surface topography and roughness measurements were performed using an atomic force microscope (AFM XE-100 model, Park Systems, Suwon, South Korea) operated in non-contact mode. The scanning rate was 1 Hz (1 line·s−1). The roughness parameters (roughness average (Ra) and root mean square (RMS)) were calculated using XEI software (1.8 version).
Electrochemical corrosion studies were carried out using an Autolab PGSTAT302N Multi BA potentiostat (Metrohm AG, Herisau, Switzerland). The experiment was performed in Ringer’s solution (8.6 g·dm−3 NaCl, 0.3 g·dm−3 KCl, 0.48 g·dm−3 CaCl2·6H2O) at 37 °C. The scan rate of the corrosion potential was 1 mV·s−1. Before measurements, samples were immersed in Ringer’s solution for 5 min for stabilization. The corrosion parameters (e.g., corrosion potential, Ecorr; corrosion current density, icorr; and corrosion polarization resistance, Rp) were determined using Tafel plot analysis.
The corrosion behavior of the nano TiO2 films was also observed using immersion tests in Ringer’s solution at 37 °C for 24 h. The studies provided an estimation of the gas corrosion product (H2 evolution volume). For the measurements, cylindrical samples with a testing area of 1.1 cm2 were prepared. The volume of evolved hydrogen was measured by taking into account the frontal area of the samples.
After immersion tests, the corroded surfaces of the MgCa2Zn1Gd3 alloy samples with TiO2 thin films were investigated by Raman spectroscopy and observed using SEM and AFM. To remove the corrosion products, samples were rinsed with distilled H2O and immersed in CrO3 solution before observations.
3. Results and Discussion
The TiO2 thin films with a thickness of about 52.5 and 70 nm were deposited onto the MgCa2Zn1Gd3 alloy using an ALD technique after 1500 and 2000 deposition cycles, respectively.
Observations carried out using SEM showed that the MgCa2Zn1Gd3 alloy showed a dendritic microstructure (Figure 1) [20]. It can also be observed that the surface morphology of both TiO2 films was homogeneous and uniform (Figure 2). The grains displayed elongated shapes in the TiO2 film deposited after 1500 cycles, and a more spherical shape for the film after 2000 deposition cycles (Figure 2a,b). In both cases, the grain boundaries were strictly defined, and the TiO2 surface did not present defects, such as cracks and pores (Figure 2c,d) [21]. The film grains, which are important during corrosion processes [22], form agglomerates. A denser and more uniform film decreased the corrosion rate.
Figure 1.
SEM image of the MgCa2Zn1Gd3 alloy.
Figure 2.
SEM images of the surface morphology of the TiO2 thin films deposited after: (a,c) 1500 and (b,d) 2000 cycles onto the MgCa2Zn1Gd3 alloy by ALD.
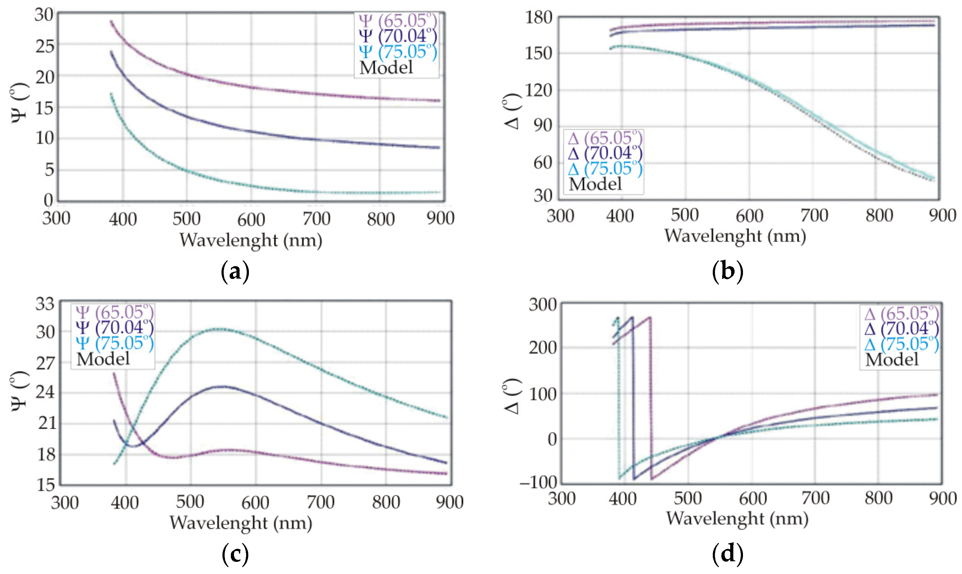
Measurement of the thickness and refractive index was performed using a spectroscopic ellipsometer. The used spectral range was 300–900 nm. The samples were measured at a fixed angle of incidence of φ = 65°, 70°, and 75°. Figure 3 shows the measured and modeled ellipsometric spectra of TiO2 deposited with 1500 and 2000 cycles, respectively. The model fits the measurement excellently. The thickness is equal to 52.55 and 70.00 nm, respectively (Table 2).
Figure 3.
Measured and modeled ellipsometric spectra (φ = 65°, 70°, and 75°) of TiO2 thin films deposited with 1500 (a,b) and 2000 (c,d) cycles.
Table 2.
Refractive index and thickness of the TiO2 thin films.
ALD can be used to grow anatase TiO2 at lower temperatures than other techniques [23], and this crystal structure may appear when TiO2 film growth temperatures exceed 165 °C [24]. Aarik et al. studied TiO2/ALD films using TiCl4 as the precursor and water as the oxygen source [25]. They stated that TiO2 films grown below 165 °C were amorphous and those deposited in the range of 165–350 °C contained the anatase phase.
Raman analysis confirmed the crystalline structure of the thin films. The Raman spectra of the TiO2 films showed characteristic bands of an anatase structure (144, 395, 517, 636 cm−1, and 196 cm−1 for the 70 nm-thick film) (Figure 4). These were in agreement with other Raman spectra for anatase TiO2 films [23,26]. Anatase TiO2 has a tetragonal crystal structure with a space group of I41/amd (space group no. 141) with the following lattice parameters: a = 3.784 Å, b = 3.784 Å, and c = 9.515 Å. For anatase, there exists 15 optical modes with the normal vibrations: 1A1g + 1A2u + 2B1g + 1B2u + 3Eg + 2Eu. Six of the modes represented by 1A1g, 2B1g, 3Eg symmetries are Raman active. The Eg Raman modes are mainly associated with the symmetric stretching vibration. The B1g Raman modes are mainly associated with the symmetric bending vibration and the A1g with the anti-symmetric bending vibration of O–Ti–O [27].
Figure 4.
Raman spectra of the TiO2 thin films deposited after: (a) 1500 and (b) 2000 cycles onto MgCa2Zn1Gd3 alloy by ALD.
The surface topography of the oxide films and the MgCa2Zn1Gd3 alloy was observed using AFM (Figure 5 and Figure 6).
Figure 5.
The 3D atomic force microscopy (AFM) image (a) and 2D AFM image (b) of the surface topography of the MgCa2Zn1Gd3 alloy.
Figure 6.
The 3D AFM images (a,b) and 2D AFM images (c,d) of the surface topography of the TiO2 thin films deposited onto the MgCa2Zn1Gd3 alloy after: (a,c) 1500 cycles; (b,d) 2000 cycles.
The observation results were in agreement with the SEM results, which showed that both TiO2 thin films have a granular structure (Figure 6) [23,26]. It seems that particle aggregation decreased as the number of deposition cycles increased.
The roughness parameters (RMS, root mean square; Ra, average roughness) were similar after different numbers of deposition cycles (Table 3).
Table 3.
Roughness parameters of the TiO2 films applied and the MgCa2Zn1Gd3 alloy.
A comparison of the obtained results indicates that surface irregularities for both TiO2 films did not exceed 40 nm (Figure 7).
Figure 7.
Histogram of the height distribution for the TiO2 films deposited onto MgCa2Zn1Gd3 alloy after: (a) 1500 cycles; (b) 2000 cycles.
The corrosion degradation of Mg and its alloys is too fast, so it is difficult to estimate the time of implant failure. Alloying is one of the methods for decreasing the corrosion rate of magnesium alloys, but many elements have a low solubility in a Mg matrix. Therefore, the deposition of coatings (without pores and cracks and which have good adhesion to the substrate) onto Mg alloys is highly interesting [28,29,30], and it seems that ALD is a good technique for depositing TiO2 thin films to protect MgCa2Zn1Gd3 from corrosion.
Electrochemical tests were performed in Ringer’s solution at 37 °C after a stabilization time of 5 min. The corrosion results are presented in the form of potentiodynamic curves for both TiO2 thin films and the MgCa2Zn1Gd3 alloy. The polarization curves of the oxide films have similar shapes but slightly different corrosion potentials (Ecorr). The results of the corrosion studies show that Ecorr of the TiO2 films after different numbers of deposition cycles shifted to more positive values. This suggests an improved corrosion resistance of the uncoated alloy (Figure 8). It can be stated that the TiO2 films deposited by ALD decreased the corrosion rate of the magnesium alloy during electrochemical tests [28].
Figure 8.
Polarization curves of the TiO2 thin films with thicknesses of 52.5 and 70 nm, and the MgCa2Zn1Gd3 alloy in Ringer’s solution at 37 °C.
Tafel extrapolation of the polarization curves allows the polarization resistance (Rp) and corrosion current density (icorr) to be determined. The results of Tafel extrapolation are presented in Table 4. It should be noted that the corrosion potential indicates the corrosion resistance of the studied material, while icorr is proportional to its corrosion rate.
Table 4.
Corrosion parameters of 52.5 and 70 nm-thick TiO2 films and the MgCa2Zn1Gd3 alloy.
The MgCa2Zn1Gd3 alloy with a 52.5 nm-thick TiO2 film has a slightly higher Ecorr (−1.50 V) and icorr (126 μA·cm−2) than the second film (Ecorr of the studied alloy with a thicker film was −1.47 V, and icorr was 95 μA·cm−2). It can be expected that the slightly thicker film will show a higher corrosion resistance. This result was not in agreement with the roughness measurements, where the RMS and Ra values of this film were higher than the 52.5 nm-thick TiO2 film. Gawlik et al. [1] stated that in some cases, the roughness does not influence the degradation rate of coated alloys [11]. The polarization resistance of the MgCa2Zn1Gd3 alloy with a thinner TiO2 film was 445 Ω·cm2, while the thicker film reached an Rp value of 479 Ω·cm2.
Marin et al. [28] deposited TiO2/aluminum coatings onto an AZ31 alloy using ALD, and the results showed that ALD produced coatings that protected the magnesium alloy from corrosion in aqueous NaCl solutions. It has also been reported that ALD should be used when less material is needed to achieve a high corrosion resistance of Mg alloys [29].
The corrosion behavior of both TiO2 thin films and the MgCa2Zn1Gd3 alloy was also observed using 24 h immersion tests in Ringer’s solution at 37 °C. The immersion tests allow the measurement of the corrosion product, i.e., the hydrogen evolution volume. Some studies have provided information about the real corrosion behavior of magnesium alloys. Witte et al. [31] stated that the maximum hydrogen evolution rate tolerable by the human body is 0.068 mL·cm−2·day−1, but Song et al. [32] reported that the maximum H2 evolution is 0.01 mL·cm−2·day−1. Figure 9 presents the H2 evolution volume during 24 h of immersion for the studied TiO2 thin films deposited onto the MgCa2Zn1Gd3 alloy.
Figure 9.
Hydrogen evolution volume as a function of immersion time in Ringer’s solution at 37 °C for 24 h for the studied TiO2 thin films deposited onto the MgCa2Zn1Gd3 alloy and uncoated alloy.
The H2 evolution volume (9.67 mL cm−2) was higher for the studied alloy with a thin film deposited after 1500 cycles (52.5 nm thick). The thicker TiO2 film had a slightly lower hydrogen evolution volume of 5.68 mL·cm−2, while the MgCa2Zn1Gd3 alloy displayed a higher hydrogen evolution volume of 17.58 mL·cm−2. These results suggest an improved corrosion resistance for the thicker film, which is important for materials for orthopedic applications.
The corrosion rates, vcorr, of the MgCa2Zn1Gd3 alloy with a TiO2 coating, calculated from the hydrogen evolution volume after 24 h of immersion were 3.38 and 2.62 mm·year−1 for the 52.5 and 70 nm-thick films, respectively. The vcorr of the uncoated alloy was 6.15 mm·year−1. After the immersion tests, the samples coated with TiO2 thin films were observed by SEM (Figure 10).

Figure 10.
SEM images of corroded samples with TiO2 thin films deposited onto the MgCa2Zn1Gd3 alloy after 1500 cycles: (a,c,e), and 2000 cycles: (b,d,f) after 24 h of immersion in Ringer’s solution at 37 °C.
Lamellar-shaped and needle-like corrosion products were visible on the alloy substrate (Figure 10a,b), which were probably magnesium chlorides. The results of the EDS analysis after corrosion tests indicated that the corrosion products contained Mg, O, and Cl for the MgCa2Zn1Gd3 alloy with a 70 nm-thick film. Besides these, Zn and C were observed in the alloy with a 52.5 nm-thick TiO2 film (Figure 11), which were probably from zinc oxides and carbonates [11].
Figure 11.
EDS analysis of needle-like corrosion products of the TiO2 thin films deposited onto the MgCa2Zn1Gd3 alloy after: (a) 1500 cycles and (b) 2000 cycles.
Chloride ions in Ringer’s solution break down the Mg(OH)2 film and accelerate the corrosion of the studied MgCa2Zn1Gd3 alloy by forming MgCl2. The corrosion products did not cover the entire surface of the samples, as seen in Figure 10c,d. After the removal of corrosion products, the grain boundaries were visible (Figure 10e,f). It can be observed that microcracks usually propagated along grain boundaries.
Moreover, the corroded samples of the MgCa2Zn1Gd3 alloy with 52.5 and 70 nm-thick TiO2 films were characterized by Raman spectroscopy, and the obtained results indicated the presence of the TiO2 on the surface of the studied alloy (Figure 12). These results suggest that both TiO2 films are durable, and corrosion did not attack the entire surface of the oxide films.
Figure 12.
Raman spectra of the corroded TiO2 thin films deposited onto the MgCa2Zn1Gd3 alloy after: (a) 1500 and (b) 2000 cycles.
The topography of the MgCa2Zn1Gd3 alloy with thin films after immersion tests was also observed using AFM (Figure 13).
Figure 13.
The AFM images of the 3D rendering of the TiO2 surface topography after 24 h of immersion in Ringer’s solution at 37 °C: (a) 52.5 nm-thick TiO2 film and (b) 70 nm thick TiO2 film.
As seen in Figure 13, the topographies of both thin films were similar, and no cracks were visible. It is well known that surfaces prone to corrosion have a topography with many cavities. Based on this, it can be assumed that the studied alloy with a 52.5 nm-thick TiO2 film was slightly more susceptible to corrosion. The roughness parameters of the MgCa2Zn1Gd3 with TiO2 films confirmed that the thicker film was slightly more corrosion-resistant than the thinner one. The average roughness of the alloy with a 52.5 nm-thick film was 295.1 nm, while for the second one, the Ra was 273.05 nm. The values of RMS were 372.2 and 335.47 nm for the 52.5 and 70 nm-thick films, respectively.
4. Conclusions
In this article, the structure and corrosion behavior of the TiO2 thin films deposited onto the MgCa2Zn1Gd3 alloy using the ALD method were investigated. The results of our work indicated that 52.5 and 70 nm-thick TiO2 films had homogeneous structures, and their grains had similar dimensions. The TiO2 surface topography observations performed using AFM were in agreement with the SEM results, and showed that these films have a granular structure. Both TiO2 films have an anatase structure, which is more biologically active than rutile or brookite [18].
We carried out the electrochemical and immersion tests in Ringer’s solution, simulating the human physiological environment at 37 °C. As was mentioned above, Mg alloys and also the studied MgCa2Zn1Gd3 alloy are characterized by poor corrosion resistance in such a chloride-rich environment. In this respect, it should be noted that the substrate and corrosion environment influence the corrosion behavior of the studied TiO2 films. Based on the corrosion test results, we showed that the TiO2 films deposited onto MgCa2Zn1Gd3 effectively protect this alloy from corrosion. Moreover, the 70 nm-thick TiO2 film was slightly more corrosion-resistant than the thinner one. After 24 h of immersion in an aggressive environment, the presence of TiO2 on the surface of the alloy was indicated by Raman analysis. This suggests that the corrosion products did not cover the entire surface of the studied samples. The low thickness and high purity of the applied films make ALD an excellent corrosion-inhibiting method compared with other techniques, such as sol–gel or PVD.
In recent years, ALD has been actively used to modify the surface of biomaterials, but in the literature, there are not so many reports on the application of ALD coatings (e.g., TiO2 coatings) on orthopedic implants made of biodegradable materials, such as Mg-based alloys. The results presented in our work open the way to modification of the surface of Mg-based alloys using the ALD method not only with TiO2 films, but also with other oxides, in order to increase the corrosion resistance and biocompatibility of these materials.
In the future, the authors plan to produce and investigate the ALD of TiO2 and ZnO films with smaller thicknesses than those presented in the article.
Author Contributions
A.K.: Conceptualization, methodology, investigation, formal analysis, writing—original draft preparation. M.M.S.: Investigation, methodology, formal analysis, writing—original draft preparation. M.S.: Investigation, formal analysis, writing—review and editing. All authors have read and agreed to the published version of the manuscript.
Funding
This research received no external funding.
Institutional Review Board Statement
Not applicable.
Informed Consent Statement
Not applicable.
Data Availability Statement
The data presented in this study are available in the article.
Conflicts of Interest
The authors declare no conflict of interest.
References
- Gawlik, M.M.; Björn, W.; Desharnais, V.; Ebel, T.; Willumeit-Römer, R. The effect of surface treatments on the degradation of biomedical Mg alloys—A review paper. Materials 2018, 11, 2561. [Google Scholar] [CrossRef] [PubMed]
- Atrens, A.; Song, G.L.; Liu, M.; Shi, Z.; Cao, F.; Dargush, M.S. Review of recent developments in the field of magnesium corrosion. Adv. Eng. Mater. 2015, 17, 400–453. [Google Scholar] [CrossRef]
- Bakhsheshi-Rad, H.R.; Hamzah, E.; Ismail, A.F.; Aziz, M.; Daroonparvar, M.; Saebnoori, E.; Chami, A. In vitro degradation behavior, antibacterial activity and cytotoxicity of TiO2-MAO/ZnHA composite coating on Mg alloy for orthopedic implants. Surf. Coat. Technol. 2018, 334, 450–460. [Google Scholar] [CrossRef]
- Radtke, A.; Ehlert, M.; Jędrzejewski, T.; Sadowska, B.; Więckowska-Szakiel, M.; Holopainen, J.; Ritala, M.; Leskelä, M.; Bartmański, M.; Szkodo, M.; et al. Titania nanotubes/hydroxyapatite nanocomposites produced with the use of the atomic layer deposition technique: Estimation of bioactivity and nanomechanical properties. Nanomaterials 2019, 9, 123. [Google Scholar] [CrossRef] [PubMed]
- Fu, G.; Vary, P.; Lin, C. Anatase TiO2 nanocomposites for antimicrobial coatings. J. Phys. Chem. B 2005, 109, 8889–8898. [Google Scholar] [CrossRef]
- Nazarov, D.V.; Smirnov, V.M.; Zemtsova, E.G.; Yudintceva, N.M.; Shevtsov, M.A.; Valiev, R.Z. Enhanced osseointegrative properties of ultra-fine-grained titanium implants modified by chemical etching and atomic layer deposition. ACS Biomater. Sci. Eng. 2018, 4, 3268–3281. [Google Scholar] [CrossRef]
- Motola, M.; Capek, J.; Zazpe, R.; Bacova, J.; Hromadko, L.; Bruckova, L.; Ng, S.; Handl, J.; Spotz, Z.; Knotek, P.; et al. Thin TiO2 coatings by ALD enhance the cell growth on TiO2 nanotubular and flat substrates. ACS Appl. Bio Mater. 2020, 3, 6447–6456. [Google Scholar] [CrossRef]
- Hu, J.; Zhang, C.; Cui, B.; Bai, K.; Guan, S.; Wang, L.; Zhu, S. In vitro degradation of AZ31 magnesium alloy coated with nano TiO2 film by sol-gel method. App. Surf. Sci. 2011, 257, 8772–8777. [Google Scholar] [CrossRef]
- Hu, J.; Shaokang, G.; Zhang, C.; Ren, C.; Wen, C.; Zeng, Z.; Peng, L. Corrosion protection of AZ31 magnesium alloy by a TiO2 coating prepared by LPD method. Surf. Coat. Technol. 2009, 203, 2017–2020. [Google Scholar] [CrossRef]
- Li, M.; Chen, Q.; Zhang, W.; Hu, W.; Su, Y. Corrosion behavior in SBF for titania coatings on Mg–Ca alloy. J. Mater. Sci. 2011, 46, 2365–2369. [Google Scholar] [CrossRef]
- White, L.; Koo, Y.; Yun, Y.; Sankar, J. TiO2 deposition on AZ31 magnesium alloy using plasma electrolytic oxidation. J. Nanomater. 2013, 2013, 319437. [Google Scholar] [CrossRef]
- Malyshev, V.N.; Zorin, K.M. Features of microarc oxidation coatings formation technology in slurry electrolytes. Appl. Surf. Sci. 2007, 254, 1511–1516. [Google Scholar] [CrossRef]
- Arrabal, R.; Matykina, E.; Viejo, F.; Skeldon, P.; Thompson, G.E.; Merino, M.C. AC plasma electrolytic oxidation of magnesium with zirconia nanoparticles. Appl. Surf. Sci. 2008, 254, 6937–6942. [Google Scholar] [CrossRef]
- Matykina, E.; Arrabal, R.; Monfort, F.; Skeldon, P.; Thompson, G.E. Incorporation of zirconia into coatings formed by DC plasma electrolytic oxidation of aluminium in nanoparticle suspensions. Appl. Surf. Sci. 2008, 255, 2830–2839. [Google Scholar] [CrossRef]
- Liu, L.; Bhatia, R.; Webster, T.J. Atomic layer deposition of nano-TiO2 thin films with enhanced biocompatibility and antimicrobial activity for orthopedic implants. Int. J. Nanomed. 2017, 12, 8711–8723. [Google Scholar] [CrossRef]
- Parsons, G.; George, S.; Knez, M. Progress and future directions for atomic layer deposition and ALD-based chemistry. MRS Bull. 2011, 36, 865–871. [Google Scholar] [CrossRef]
- Kemell, M.; Pore, V.; Tupala, J.; Ritala, M.; Leskelä, M. Atomic layer deposition of nanostructured TiO2 photocatalysts via template approach. Chem. Mater. 2007, 19, 1816–1820. [Google Scholar] [CrossRef]
- Hu, L.; Qi, W.; Li, Y. Coating strategies for atomic layer deposition. Nanotechnol. Rev. 2017, 6, 527–547. [Google Scholar] [CrossRef]
- Ritala, M.; Leskelä, M.; Nykänen, E.; Soininen, P.; Niinistö, L. Growth of titanium dioxide thin films by atomic layer epitaxy. Thin Solid Film. 1993, 225, 288–295. [Google Scholar] [CrossRef]
- Kania, A.; Nowosielski, R.; Gawlas-Mucha, A.; Babilas, R. Mechanical and corrosion properties of Mg-based alloys with Gd addition. Materials 2019, 12, 1775. [Google Scholar] [CrossRef]
- Szindler, M.; Szindler, M.M.; Boryło, P.; Jung, T. Structure and optical properties of TiO2 thin films deposited by ALD method. Open Phys. 2017, 15, 1067–1071. [Google Scholar] [CrossRef]
- Liu, Y.; Liu, D.; You, C.; Chen, M. Effects of grain size on the corrosion resistance of pure magnesium by cooling rate-controlled solidification. Front Mater. Sci. 2015, 9, 247–253. [Google Scholar] [CrossRef]
- Rosniza, H.; Kwang, L.C.; Xianghui, H. Growth of TiO2 thin films by atomic layer deposition (ALD). Adv. Mater. Res. 2016, 1133, 352–356. [Google Scholar] [CrossRef]
- Yang, F.; Chang, R.; Webster, T.J. Atomic layer deposition coating of TiO2 nano-thin films on magnesium-zinc alloys to enhance cytocompatibility for bioresorbable vascular stents. Int. J. Nanomed. 2019, 14, 9955–9970. [Google Scholar] [CrossRef] [PubMed]
- Aarik, J.; Aidla, A.; Uustare, T.; Sammelselg, V. Effect of growth conditions on formation of TiO2-II thin films in atomic layer deposition process. J. Cryst. Growth 1995, 148, 268. [Google Scholar] [CrossRef]
- Frank, O.; Zukalova, M.; Laskova, B.; Kürti, J.; Koltai, J.; Kavan, L. Raman spectra of titanium dioxide (anatase, rutile) with identified oxygen isotopes (16, 17, 18). Phys. Chem. Chem. Phys. 2012, 14, 14567–14572. [Google Scholar] [CrossRef] [PubMed]
- Ekoi, E.J.; Gowen, A.; Dorrepaal, R.; Dowling, D.P. Characterisation of titanium oxide layers using Raman spectroscopy and optical profilometry: Influence of oxide properties. Res. Phys. 2019, 12, 1574–1585. [Google Scholar] [CrossRef]
- Marin, E.; Lanzutti, A.; Guzman, L.; Fedrizzi, L. Chemical and electrochemical characterization of TiO2/Al2O3 atomic layer depositions on AZ31 magnesium alloy. J. Coat. Technol. Res. 2012, 9, 347–355. [Google Scholar] [CrossRef]
- Bjelland, M. Biocorrosion Resistance of Mg Alloy AZ31 Nanocoated with ZrO2, HfO2 and TiO2 by Atomic Layer Deposition Method. Master’s Thesis, Norwegian University of Science and Technology, Trondheim, Norway, 2019. [Google Scholar]
- Hernández-Montes, V.; Betancur-Henao, C.P.; Santa-Marin, J.F. Titanium dioxide coatings on magnesium alloys for biomaterials: A review. DYNA 2017, 84, 261–270. [Google Scholar] [CrossRef]
- Witte, F.; Hort, N.; Vogt, C.; Cohen, S.; Kainer, K.U.; Willumeit, R.; Fayerabend, F. Degradable biomaterials based on magnesium corrosion. Curr. Opin. Sol. State Mater. Sci. 2008, 12, 63–72. [Google Scholar] [CrossRef]
- Song, G.L. Control of biodegradation of biocompatible magnesium alloys. Corr. Sci. 2007, 49, 1696–1701. [Google Scholar] [CrossRef]
Publisher’s Note: MDPI stays neutral with regard to jurisdictional claims in published maps and institutional affiliations. |
© 2021 by the authors. Licensee MDPI, Basel, Switzerland. This article is an open access article distributed under the terms and conditions of the Creative Commons Attribution (CC BY) license (http://creativecommons.org/licenses/by/4.0/).