Impact of Nitrogen Foamed Stimulation Fluids Stabilized by Nanoadditives on Reservoir Rocks of Hydrocarbon Deposits
Abstract
1. Introduction
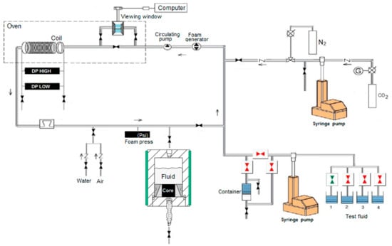
2. Materials and Methods
2.1. Viscosity of the Stimulation Fluids
2.2. Induced Formation Damage
2.3. Rock Cores Sample Damage Examination
3. Results
3.1. Viscosity Measurements
3.2. Formation Damage Evaluation
4. Discussion
- Knowledge of the rheological parameters of base fluids is indispensable in the design of technological treatment. On this basis, fracturing fluids are selected for a specific type of reservoir rock and for the reservoir conditions. They also prove a specific fluid’s potential to transport the proppant. Apparent viscosity was studied for process fluid solutions with the addition of surfactant A, U-2 or Aerosil 300 nanoadditives, and in certain cases, polymer W. Each time, basic rheological parameters were studied 50% and 70% quality foam at 23 °C. The viscosity of the 50% foam with the addition of a foamer and of both nanoadditives did not differ and was approximately 15 cP. The viscosity coefficient of foam (at Qf = 70%) with U-2 addition was much higher than that with Aerosil additive. After polymer addition to U-2 nanoparticles, the viscosity significantly increased, in particular at 50% foam quality. The viscosity increased from a few cP for the non-foamed fluid to a few dozen cP in the case of foam with nanoadditive and natural polymer; the foaming resulted in a dozen or so times increase in the S.F. viscosity and in its stability, which was confirmed also by the half-time measurement.
- The permeability coefficient significantly decreased, in particular in the case of cores treated with non-foamed process fluids. Foamed fluids caused a smaller permeability and porosity reduction than non-foamed fluids. The biggest damage to permeability was caused by a non-foamed fluid with the addition of polymer W. The addition of nanoparticles also caused a reduction of permeability, in particular after the application of Aerosil. Instead, the addition of U-2 sol did not result in a significant reduction of the permeability coefficient, especially after the fluid foaming with N2. The estimated permeability damage was approximately 20% smaller for foamed fluids as compared with fluids without nitrogen addition.
- An average height of the cake for non-foamed fluids, determined by the 3D software in the optical microscope, ranged between 1161 and approximately 30 µm. Instead, in the case of cores treated with foamed fracturing fluids, the measured filtration cake was definitely thinner and was from a few dozen to approximately a dozen µm thick. The results of the presented studies show that the foamed fluid based on U-2 nanoparticles with a foamer addition is the least invasive. Only small traces of a filtration cake in the form of an uneven coat were visible on the surface. Its thickness in the case of U-2 application was estimated at approximately 63 µm, while in the case of fluid with Aerosil 300 addition, it was approximately 1161 µm.
- The SEM analysis allowed the filtration cake thickness and also the polymer presence in the analyzed rock material to be determined. The results of the presented SEM studies show that foamed fluids are the least invasive, forming an irregular flaky coating on the core surfaces, which was consistent with the analysis using the optical microscope and profilometer. Nanoadditives affected the formation of filtration cake on the sample’s surface, especially in the core damaged with a non-foamed fluid with the Aerosil additive. During the non-foamed fluid filtration, the filtration cake created a pretty compact and more even coating. Its thickness ranged from a few to a few dozen μm.
- Taking into consideration the foam stability, rheology parameters, and the degree of damage, a foamed fracturing fluid based on 0.1% of U-2 with the addition of 4 mL/L of surfactant is the best fluid. The experimental data showed that the stability foam increased when silica (SiO2) nanoparticles were added. For fracturing, SiO2 nanoparticle-surfactant-stabilized foam is superior to traditional water based fracturing fluids and causes lower core permeability damage than a traditional F.F. It is recommended for use in hydraulic fracturing, particularly for fracturing stimulation in tight and shale gas reservoirs. The obtained results demonstrate that the suitability of the addition of nanoparticles to fracturing fluid for stimulation will improve its performance.
Author Contributions
Funding
Acknowledgments
Conflicts of Interest
Abbreviations
| %kred | permeability reduction |
| %Φred | porosity reduction |
| A | anionic foamer |
| EOR | Enhanced oil recovery |
| F | Feld feldspar |
| F.F. | Fracturing fluids |
| HF | hydraulic fracturing |
| LHP | lipophobic and hydrophilic nanoparticles |
| HPG | hydroxypropyl guar |
| K | consistency factor |
| k0 | initial core permeability |
| kf | final core permeability |
| n | flow index |
| Q | quartz |
| Qf | foam quality |
| S.F. | stimulation fluids |
| T | temperature |
| t | test time |
| TEOS | tetraethoxysilane |
| W | fast hydrating guar gum (HPG) |
| γ | shear rate |
| Φ0 | initial core porosity |
| Φf | final core porosity |
| ko | initial core permeability |
| kf | final core permeability |
References
- Bentley, R.W. Global oil & gas depletion: An overview. Energy Policy 2002, 30, 189–205. [Google Scholar] [CrossRef]
- Lubaś, J.; Szott, W.; Dziadkiewicz, M. Analiza możliwości zwiększenia stopnia sczerpania zasobów złóż ropy naftowej w Polsce. Nafta Gaz 2012, 8, 481–489. [Google Scholar]
- Bhattacharyya, S.C. Energy Economics: Concepts, Issues, Markets and Governance, 1st ed.; Springer: London, UK, 2011; pp. 1–5. ISBN 978-0-85729-268-1. [Google Scholar]
- Bohloli, B.; de Pater, C.J. Experimental study on hydraulic fracturing of soft rocks: Influence of fluid rheology and confining stress. J. Pet. Sci. Eng. 2006, 53, 1–12. [Google Scholar] [CrossRef]
- Gandossi, L. An overview of hydraulic fracturing and other formation stimulation technologies for shale gas production. Eur. Commisison Jt. Res. Cent. Tech. Rep. 2013, 26347. [Google Scholar] [CrossRef]
- Cheraghian, G. Evaluation of clay and fumed silica nanoparticles on adsorption of surfactant polymer during enhanced oil recovery. J. Jpn. Pet. Inst. 2017, 60, 85–94. [Google Scholar] [CrossRef]
- Guo, B.; Liu, X.; Tan, X. Hydraulic Fracturing. In Petroleum Production Engineering, 2nd ed.; Gulf Professional Publishing, Elsevier: Amsterdam, The Netherlands, 2017; ISBN 9780128096123. [Google Scholar]
- McAleese, S. Test Design. In Operational Aspects of Oil and Gas Well Testing; Elsevier: Amsterdam, The Netherlands, 2000; Volume 1, pp. 57–70. ISBN 978-0-444-50311-4. [Google Scholar]
- Gharibi, A.; Zoveidavianpoor, M.; Ghadikolaei, F.D. On the Application of Well Stimulation Method in Improvement of Oil Recovery. Appl. Mech. Mater. 2015, 735, 31–35. [Google Scholar] [CrossRef]
- Tunio, S.Q.; Tunio, A.H.; Ghirano, N.A.; El Adawy, Z.M. Comparison of Different Enhanced Oil Recovery Techniques for Better Oil Productivity. Int. J. Appl. Sci. Technol. 2011, 1, 143–153. [Google Scholar]
- Karadkar, P.; Bataweel, M.; Bulekbay, A.; Alshaikh, A.A. Energized Fluids for Upstream Production Enhancement: A Review; SPE-192255-MS; Society of Petroleum Engineers: Richardson, TX, USA, 2018; pp. 1–26. [Google Scholar]
- Hou, Q.; Zhu, Y.; Luo, Y.; Weng, R. Studies on Foam Flooding EOR Technique for Daqing Reservoirs After Polymer Flooding; SPE-151955-MS; Society of Petroleum Engineers: Richardson, TX, USA, 2012. [Google Scholar] [CrossRef]
- Dankwa, O.; Appah, D.; Joel, O.F.; Asiam, E.K. Compatibility: A Key to An Efficient Matrix Acidizing Fluid Design. J. Pet. Environ. Biotechnol. 2016, 7, 1–5. [Google Scholar] [CrossRef]
- Subhash, N.S.; Patel, H.; Pandy, S. Motion of Fracturing Fluid and Associated Environmental Impacts Conference Paper: Conference: NSF sponsored workshop: Reducing the Impact of Hydraulic Shale Fracturing and Natural Gas Drilling on Environments: Development of Green Fracturing Fluids and Sustainable Remediation and Containment Technologies; University of Arkansas: Little Rock, AR, USA, 2015; pp. 1–22. [Google Scholar]
- Taber, J.J.; Martin, F.D.; Sergiht, R.S. EOR Screening Criteria Revised—Part 1: Introduction to Screening Criteria and Enhanced Recovery Field Projects; SPE-35385-PA; Society of Petroleum Engineers: Richardson, TX, USA, 1997; Volume 12, pp. 189–198. [Google Scholar] [CrossRef]
- Yuan, B.; Wood, D.A. A comprehensive review of formation damage during enhanced oil recovery. J. Pet. Sci. Eng. 2018, 167, 287–299. [Google Scholar] [CrossRef]
- Sheng, J.J. Formation damage in chemical enhanced oil recovery processes. Asia Pac. J. Chem. Eng. 2016, 11, 826–835. [Google Scholar] [CrossRef]
- Reinicke, A.; Rybacki, E.; Stanchits, S.; Huenges, E.; Dresen, G. Hydraulic fracturing stimulation techniques and formation damage mechanisms—Implications from laboratory testing of tight sandstone–proppant systems. Geochemistry 2010, 70, 107–117. [Google Scholar] [CrossRef]
- Yekeenac, N.; Manan, M.A.; Idrisb, A.K.; Padmanabhanc, E.; Junina, R.; Samina, A.M.; Gbadamosia, A.O.; Oguamahd, I. A comprehensive review of experimental studies of nanoparticles-stabilized foam for enhanced oil recovery. J. Pet. Sci. Eng. 2018, 164, 43–74. [Google Scholar] [CrossRef]
- Qajar, A.; Xue, Z.; Worthen, A.J.; Johnston, P.K.; Huh, C.; Bryant, S.L.; Prodanović, M. Modeling Fracture Propagation and Cleanup for Dry Nanoparticle-Stabilized-Foam Fracturing Fluids. J. Pet. Sci. Eng. 2016, 146, 210–221. [Google Scholar] [CrossRef]
- Risal, A.R.; Manan, M.A.; Yekeen, N.; Azli, N.B.; Samin, A.M.; Tan, X.K. Experimental investigation of enhancement of carbon dioxide foam stability, pore plugging, and oil recovery in the presence of silica nanoparticles. Pet. Sci. 2019, 16, 344–356. [Google Scholar] [CrossRef]
- Zhang, T.; Roberts, M.; Bryant, S.L.; Huh, C. Foams and Emulsions Stabilized with Nanoparticles for Potential Conformance Control Applications; SPE-121744-MS; Society of Petroleum Engineers: Richardson, TX, USA, 2009; pp. 1–17. [Google Scholar] [CrossRef]
- Singh, R.; Mohanty, K.K. Nanoparticle-stabilized foams for high-temperature, high-salinity oil reservoirs, SPE-187165–MS, 2017, 1–15. In Proceedings of the SPE Annual Technical Conference and Exhibition, San Antonio, TX, USA, 30 September–2 October 2019. [Google Scholar] [CrossRef]
- Gidley, L.J.; Holditch, S.A.; Nierode, D.E.; Veatch, W.R. Recent Advances in Hydraulic Fracturing; SPE Monograph Series: Richardson, TX, USA, 1989; Volume 12, pp. 1–452. [Google Scholar]
- Chaudhary, S.; Singh, S.; Singh, V.K. A Novel approach for formulating CO2 Foam Based Fracturing Fluid by Synthesized Grafting Copolymerization to Enhance its Stability for HPHT Shale Reservoirs. Pet. Chem. Ind. Int. 2019, 2, 1–6. [Google Scholar]
- Wanniarachchi, W.A.M.; Ranjith, P.G.; Perera, M.S.A.; Lashin, A.; Al Arif, N.; Li, J.C. Current opinions on foam-based hydro-fracturing in deep geological reservoirs. Geomech. Geophys. Geo Energy Geo Resour. 2015, 1, 121–134. [Google Scholar] [CrossRef]
- Kong, X.; McAndrew, J.; Cisternas, P. CFD Study of Using Foam Fracturing Fluid for Proppant Transport in Hydraulic Fractures; SPE-183549-MS; Society of Petroleum Engineers: Richardson, TX, USA, 2016; pp. 1–15. [Google Scholar] [CrossRef]
- Tong, S.; Singh, R.; Mohanty, K.K. A visualization study of proppant transport in foam fracturing fluids. J. Nat. Gas Sci. Eng. 2018, 52, 235–247. [Google Scholar] [CrossRef]
- Laura, A. Analysis of fracturing fluid system, effect of rock mechanical properties on fluid selection. AGH Drill. Oil Gas 2014, 31, 167–178. [Google Scholar] [CrossRef][Green Version]
- Wilk, K.; Kasza, P.; Czupski, M. Dobór dodatków do energetyzowanych płynów szczelinujących. Nafta Gaz 2016, 12, 1092–1100. [Google Scholar] [CrossRef]
- Yekeen, N.; Padmanabhan, E.; Idris, A.K. A review of recent advances in foam-based fracturing fluid application in unconventional reservoirs. J. Ind. Eng. Chem. 2018, 66, 45–71. [Google Scholar] [CrossRef]
- Harris, P.C. Application of Foam to Minimize Damage During Fracturing; SPE-22394; Society of Petroleum Engineers: Richardson, TX, USA, 1992; pp. 1–6. [Google Scholar] [CrossRef]
- Kong, B.; Wang, S.; Chen, S.; Dong, K. Minimize Formation Damage in Water-Sensitive Unconventional Reservoirs by Using Energized Fracturing Fluid. In Proceedings of the SPE International Conference and Exhibition on Formation Damage Control, Lafayette, Louisiana, USA, 24–26 February 2016. SPE-179019-MS. [Google Scholar] [CrossRef]
- Bennion, D.B.; Thomas, F.B.; Bennion, D.W.; Bietz, R.F. Mechanisms of Formation Damage and Permeability Impairment Associated with the Drilling. Completion and Production of Low API Gravity Oil Reservoirs; SPE 30320; Society of Petroleum Engineers: Richardson, TX, USA, 1995; pp. 1–19. [Google Scholar] [CrossRef]
- Puthalath, R.; Murthy, C.S.N.; Surendranathan, A.O. Reservoir formation damage during various phases of oil and gas recovery—An overview. Int. J. Earth Sci. Eng. 2012, 5, 224–231. [Google Scholar]
- Fletcher, A.J.P.; Daviss, J.P. How EOR Can Be Transformed by Nanotechnology; SPE 129531-MS; Society of Petroleum Engineers: Richardson, TX, USA, 2010. [Google Scholar] [CrossRef]
- Lau, H.C.; Yu, M.; Nguyen, Q.P. Nanotechnology for Oilfield Applications: Challenges and Impact; SPE-183301-MS; Society of Petroleum Engineers: Richardson, TX, USA, 2016. [Google Scholar] [CrossRef]
- Gottardo, S.; Mech, A.; Gavriel, M.; Gaillard, C.; Sokull-Klüttgen, B. Use of Nanomaterials in Fluids, Proppants, and Downhole Tools for Hydraulic Fracturing of Unconventional Hydrocarbon Reservoirs; JRC Technical Report; Publications Office of the European Union: Luxembourg, 2016. [Google Scholar]
- Friedheim, J.; Young, S.; De Stefano, G.; Lee, J.; Guo, Q. Nanotechnology for Oilfield Applications—Hype or Reality? SPE 157032; Society of Petroleum Engineers: Richardson, TX, USA, 2012; pp. 1–7. [Google Scholar] [CrossRef]
- Cheraghian, G.; Wu, Q.; Masood, M.; Li M-Ch Masoud, A.; Sangwai, J.S. Effect of a novel clay/silica nanocomposite on water-based drilling fluids: Improvements in rheological and filtration properties. Colloids Surf. A Physicochem. Eng. Asp. 2018, 555, 339–350. [Google Scholar] [CrossRef]
- Cheraghian, G. Synthesis and properties of polyacrylamide by nanoparticles, effect nanoclay on stability polyacrylamide solution. Micro Nano Lett. 2017, 12, 40–44. [Google Scholar] [CrossRef]
- Montgomery, C. Fracturing Fluids; Intech: London, UK, 2013. [Google Scholar]
- Ariza, C.A.F.; Correa, F.B.C. Formation Damage in Oil and Gas Reservoirs: Nanotechnology Applications for Its Inhibition/Remediation; Nova Science Publishers: Hauppauge, NY, USA, 2 September 2018; ISBN 9781536139020. [Google Scholar]
- Youssifa, M.I.; El-Maghrabyb, R.M.; Saleh, S.M.; Elgibaly, A. Silica nanofluid flooding for enhanced oil recovery in sandstone rocks. Egypt. J. Pet. 2018, 27, 105–110. [Google Scholar] [CrossRef]
- Habibi, A.; Ahmadi, M.; Pourafshary, P.; Ayatollahi, S.; Al-Wahaibi, Y. Reduction of Fine Migration by Nanofluids Injection, An Experimental Study; SPE-144196-PA; Society of Petroleum Engineers: Richardson, TX, USA, 2012; pp. 1–10. [Google Scholar] [CrossRef]
- Kong, X. Aplications of Mico and Nano Technologies in the Oil and Gas Industry—An Overview of the Recent Progress; SPE 138241-MS; Society of Petroleum Engineers: Richardson, TX, USA, 2010. [Google Scholar] [CrossRef]
- Hendraningrat, L.; Li, S.; Torsæte, O. A Coreflood Investigation of Nanofluid Enhanced Oil Recovery in Low-Medium Permeability Berea Sandstone; SPE-164106; Society of Petroleum Engineers: Richardson, TX, USA, 2013; pp. 1–14. [Google Scholar] [CrossRef]
- Aly, A.M. Understanding the Mechanism of Nanoparticles Applications in Enhanced Oil Recovery; SPE-175806-MS; Society of Petroleum Engineers: Richardson, TX, USA, 2015. [Google Scholar] [CrossRef]
- McElfresh, P.; Holcomb, D.; Ector, D. Application of Nanofluid Technology to Improve Recovery in Oil and Gas Wells; SPE 154827; Society of Petroleum Engineers: Richardson, TX, USA, 2012. [Google Scholar] [CrossRef]
- Chengara, A.; Nikolov, A.D.; Wasan, D.T. Spreading of Nanofluids Driven by The Structural Disjoining Pressure Gradient. J. Colloid Interface Sci. 2004, 280, 192–201. [Google Scholar] [CrossRef]
- McAndrew, J.; Cisternas, P.; Pruvot, A.; Kong, X.; Tong, S. Water Consumption and Proppant Transport Aspects of Foam Fracturing Fluids. In Proceedings of the SPE/AAPG/SEG Unconventional Resources Technology Conference, Austin, TX, USA, 24–26 July 2017; pp. 1–8. [Google Scholar] [CrossRef]
- Almessiere, M.A.; Slimani, Y.; Güngüne, H.; Bayka, A.; Trukhano, S.V.; Trukhanov, A.V. Manganese/Yttrium codoped strontium nanohexaferrites: Evaluation of magnetic susceptibility and Mössbauer spectra. Nanomaterials 2019, 9, 24. [Google Scholar] [CrossRef] [PubMed]
- Almessiere, M.A.; Trukhanov, A.V.; Slimani, Y.; You, K.Y.; Trukhanov, S.V.; Trukhanova, E.L.; Esa, F.; Sadaqat, A.; Chaudhary, K.; Zdorovets, M.; et al. Correlation between composition and electrodynamics properties in nanocomposites based on hard/soft ferrimagnetics with strong exchange coupling. Nanomaterials 2019, 9, 202. [Google Scholar] [CrossRef] [PubMed]
- Almessiere, M.A.; Slimani, Y.; El Sayed, H.S.; Baykal, A.; Ercan, I. Microstructural and magnetic investigation of vanadium-substituted Sr-nanohexaferrite. J. Magn. Magn. Mater. 2019, 471, 124–132. [Google Scholar] [CrossRef]
- Li, Q.; Song, J.; Saura-Múzquiz, M.; Besenbacher, F.; Christensen, M.; Dong, M. Magnetic Properties of Strontium Hexaferrite Nanostructures Measured with Magnetic Force Microscopy. Sci. Rep. 2016, 6, 25985. [Google Scholar] [CrossRef]
- Wilk, K.; Kasza, P.; Czupski, M. Dodatki do spienionych płynów szczelinujących. Przemysł Chem. 2018, 92, 1000–1005. [Google Scholar] [CrossRef]
- Torabzadeh, J.; Langnes, G.L.; Robertson, J.O., Jr.; Yen, T.F.; Donaldson, E.C.; Chilingarian, G.V.; Yen, T.F. Processes and Operations; Recovery, E.O., II, Ed.; Elsevier Science Publishers B. V.: Amsterdam, The Netherlands, 1989; pp. 91–106. [Google Scholar]
- AlYousef, Z.; Almobarky, M.; Schechter, D. Enhancing the Stability of Foam by the Use of Nanoparticles. Energy Fuels 2017, 31, 10620–10627. [Google Scholar] [CrossRef]
- Bjørnar, E. The Potential of Hydrophilic Silica Nanoparticles for EOR Purposes, Petroleum Engineering and Applied Geophysics. Master’s Thesis, NTNU, Trondheim, Norway, 2012; pp. 1–111. [Google Scholar]














| S.F. Composition | Qf [%] | t [min] | n′ [-] | K′ [Pa·sn’] | Dynamic Viscosity at A Given γ [mPa·s] | |||
|---|---|---|---|---|---|---|---|---|
| 40 s−1 | 100 s−1 | 170 s−1 | ||||||
| Water 4 mL/L A, 0.1% Areosil | 1a | Non-foamed | 13 | 0.9988 | 0.000022 | 2.0 | 2.3 | 2.5 |
| 25 | 0.9989 | 0.000026 | 2.1 | 2.4 | 2.6 | |||
| 38 | 0.9989 | 0.000027 | 2.0 | 2.3 | 2.4 | |||
| 1b | 50 | 13 | 0.5565 | 0.002466 | 23.0 | 15.3 | 12.1 | |
| 25 | 0.4125 | 0.00512 | 28.1 | 16.4 | 12.0 | |||
| 38 | 0.5116 | 0.003098 | 24.5 | 15.6 | 12.1 | |||
| 70 | 13 | 0.4479 | 0.007347 | 45.9 | 27.7 | 20.6 | ||
| 25 | 0.5551 | 0.004069 | 37.7 | 25.1 | 19.8 | |||
| 38 | 0.5939 | 0.003564 | 38.2 | 26.3 | 21.2 | |||
| S.F. Composition | Qf [%] | t [min] | n′ [-] | K′ [Pa·sn’] | Dynamic Viscosity at A Given γ [mPa·s] | |||
|---|---|---|---|---|---|---|---|---|
| 40 s−1 | 100 s−1 | 170 s−1 | ||||||
| Water 4 mL/L A, 0.1% U-2 | 2a | Non-foamed | 13 | 0.9907 | 0.0026 | 2.6 | 2.5 | 2.5 |
| 25 | 0.999 | 0.0021 | 2.4 | 2.5 | 2.6 | |||
| 38 | 0.999 | 0.0024 | 2.6 | 2.6 | 2.6 | |||
| 2b | 50 | 13 | 0.4816 | 0.003417 | 24.2 | 15.0 | 11.4 | |
| 25 | 0.5403 | 0.002568 | 22.6 | 14.8 | 11.6 | |||
| 38 | 0.642 | 0.001544 | 19.7 | 14.2 | 11.8 | |||
| 70 | 13 | 0.5923 | 0.007221 | 76.8 | 52.9 | 42.6 | ||
| 25 | 0.6662 | 0.005006 | 69.9 | 51.5 | 43.1 | |||
| 38 | 0.4845 | 0.011807 | 84.4 | 52.6 | 40 | |||
| S.F. Composition | Qf [%] | t [min] | n′ [-] | K′ [Pa·sn’] | Dynamic Viscosity at A Given γ [mPa·s] | |||
|---|---|---|---|---|---|---|---|---|
| 40 s−1 | 100 s−1 | 170 s−1 | ||||||
| Water 4 mL/L A, 0.1% U-2 0.1% W | 3a | Non-foamed | 13 | 0.9989 | 0.0019 | 2.9 | 3.3 | 3.5 |
| 25 | 0.9989 | 0.0017 | 2.5 | 2.8 | 3.0 | |||
| 38 | 0.9989 | 0.0014 | 2.5 | 2.8 | 3.1 | |||
| 3b | 50 | 13 | 0.4283 | 0.006129 | 35.6 | 21.1 | 15.6 | |
| 25 | 0.4123 | 0.006996 | 38.3 | 22.4 | 16.4 | |||
| 38 | 0.4187 | 0.006726 | 37.7 | 22.1 | 16.3 | |||
| 70 | 13 | 0.7154 | 0.004226 | 70.8 | 54.6 | 46.9 | ||
| 25 | 0.7277 | 0.004209 | 73.8 | 57.5 | 49.8 | |||
| 38 | 0.7496 | 0.004297 | 81.7 | 64.9 | 56.9 | |||
| S.F. Composition | Qf [%] | Foam Half-Time [s] |
|---|---|---|
| 4 mL/L A | 50 | 30 |
| 4 mL/L A | 70 | 60 |
| 0.1% Areosil, 4 mL/L A | 50 | 60 |
| 0.1% Areosil, 4 mL/L A | 70 | 90 |
| 0.1% U-2, 4 mL/L A | 50 | 80 |
| 0.1% U-2, 4 mL/L A | 70 | 240 |
| 0.1% U-2, 4 mL/L A, 0,1% W | 50 | 360 |
| 0.1% U-2, 4 mL/L A, 0,1% W | 70 | 390 |
| Fluids Injected Through the Core | Core Number | k0 [md] | kf [md] | % kred | φ0 [%] | φf [%] | % φred | |
|---|---|---|---|---|---|---|---|---|
| S.F. 1a | 0.1% Areosil, 4 mL/L A Non-foamed | 3231 | 5.03 | 1.93 | 61.00 | 15.05 | 13.53 | 10.09 |
| S.F. 1b | 0.1% Areosil, 4 mL/L A Foamed with N2 | 3232 | 4.72 | 2.78 | 41.10 | 15.20 | 13.84 | 8.95 |
| S.F. 2a | 0.1% U-2 4 mL/L A Non-foamed | 3226 | 4.11 | 2.06 | 49.88 | 15.70 | 13.37 | 14.81 |
| S.F. 2b | 0.1% U-2 4 mL/L A Foamed with N2 | 3224 | 3.96 | 2.99 | 24.49 | 15.07 | 14.60 | 3.12 |
| S.F. 3a | 0.1% U-2 4 mL/L A 0.1% W Non-foamed | 3233 | 7.65 | 2.32 | 69.67 | 15.80 | 14.08 | 8.10 |
| S.F. 3b | 0.1% U-2 4 mL/L A 0.1% W Foamed with N2 | 3229 | 6.92 | 4.82 | 30.35 | 15.77 | 15.38 | 2.47 |
© 2019 by the authors. Licensee MDPI, Basel, Switzerland. This article is an open access article distributed under the terms and conditions of the Creative Commons Attribution (CC BY) license (http://creativecommons.org/licenses/by/4.0/).
Share and Cite
Wilk, K.; Kasza, P.; Labus, K. Impact of Nitrogen Foamed Stimulation Fluids Stabilized by Nanoadditives on Reservoir Rocks of Hydrocarbon Deposits. Nanomaterials 2019, 9, 766. https://doi.org/10.3390/nano9050766
Wilk K, Kasza P, Labus K. Impact of Nitrogen Foamed Stimulation Fluids Stabilized by Nanoadditives on Reservoir Rocks of Hydrocarbon Deposits. Nanomaterials. 2019; 9(5):766. https://doi.org/10.3390/nano9050766
Chicago/Turabian StyleWilk, Klaudia, Piotr Kasza, and Krzysztof Labus. 2019. "Impact of Nitrogen Foamed Stimulation Fluids Stabilized by Nanoadditives on Reservoir Rocks of Hydrocarbon Deposits" Nanomaterials 9, no. 5: 766. https://doi.org/10.3390/nano9050766
APA StyleWilk, K., Kasza, P., & Labus, K. (2019). Impact of Nitrogen Foamed Stimulation Fluids Stabilized by Nanoadditives on Reservoir Rocks of Hydrocarbon Deposits. Nanomaterials, 9(5), 766. https://doi.org/10.3390/nano9050766

