Non-Supported Nickel-Based Coral Sponge-Like Porous Magnetic Alloys for Catalytic Production of Syngas and Carbon Bio-Nanofilaments via a Biogas Decomposition Approach
Abstract
1. Introduction
2. Materials and Methods
2.1. Synthesis of Bimetallic Alloys
2.2. Catalytic Biogas Decomposition Procedure
2.3. Characterization of the Freshly Oxides, Alloys and Employed Catalysts
3. Results and Discussion
3.1. Characterization of the Fresh Oxides
3.2. Characterization of Bimetallic Alloys
3.3. Alloys Activity and Stability in the CBD
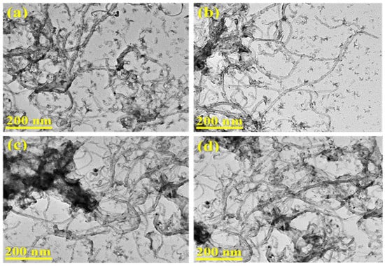
3.4. Characterization of Carbon Bio-Nanofilaments
4. Conclusions
Author Contributions
Funding
Acknowledgments
Conflicts of Interest
References
- Bian, Z.; Das, S.; Wai, M.H.; Hongmanorom, P.; Kawi, S. A Review on Bimetallic Nickel-Based Catalysts for CO2 Reforming of Methane. ChemPhysChem 2017, 18, 3117–3134. [Google Scholar] [CrossRef] [PubMed]
- Abdelsalam, E.; Samer, M.; Attia, Y.A.; Abdel-Hadi, M.A.; Hassan, H.E.; Badr, Y. Effects of Co and Ni nanoparticles on biogas and methane production from anaerobic digestion of slurry. Energy Convers. Manag. 2017, 141, 108–119. [Google Scholar] [CrossRef]
- Ullah Khan, I.; Othman, M.D.H.; Hashim, H.; Matsuura, T.; Ismail, A.F.; Rezaei-Dasht, M.; Azelee, I.W. Biogas as a renewable energy fuel—A review of biogas upgrading, utilisation and storage. Energy Convers. Manag. 2017, 150, 277–294. [Google Scholar] [CrossRef]
- Peng, W.X.; Wang, L.S.; Mirzaee, M.; Ahmadi, H.; Esfahani, M.J.; Fremaux, S. Hydrogen and syngas production by catalytic biomass gasification. Energy Convers. Manag. 2017, 135, 270–273. [Google Scholar] [CrossRef]
- Pinilla, J.L.; Moliner, R.; Suelves, I.; Lázaro, M.J.; Echegoyen, Y.; Palacios, J.M. Production of hydrogen and carbon nanofibers by thermal decomposition of methane using metal catalysts in a fluidized bed reactor. Int. J. Hydrog. Energy 2007, 32, 4821–4829. [Google Scholar] [CrossRef]
- Rodriguez, N.M. A review of catalytically grown carbon nanofibers. J. Mater. Res. 1993, 8, 3233–3250. [Google Scholar] [CrossRef]
- Chen, L.; Zhu, Q.; Wu, R. Effect of Co-Ni ratio on the activity and stability of Co-Ni bimetallic aerogel catalyst for methane Oxy-CO2 reforming. Int. J. Hydrog. Energy 2011, 36, 2128–2136. [Google Scholar] [CrossRef]
- Liu, Y.; Chi, Y.; Shan, S.; Yin, J.; Luo, J.; Zhong, C.J. Characterization of magnetic NiFe nanoparticles with controlled bimetallic composition. J. Alloy. Compd. 2014, 587, 260–266. [Google Scholar] [CrossRef]
- Hammel, E.; Tang, X.; Trampert, M.; Schmitt, T.; Mauthner, K.; Eder, A.; Pötschke, P. Carbon nanofibers for composite applications. Carbon 2004, 42, 1153–1158. [Google Scholar] [CrossRef]
- Pinilla, J.L.; De Llobet, S.; Suelves, I.; Utrilla, R.; Lázaro, M.J.; Moliner, R. Catalytic decomposition of methane and methane/CO2 mixtures to produce synthesis gas and nanostructured carbonaceous material. Fuel 2011, 90, 2245–2253. [Google Scholar] [CrossRef]
- De Llobet, S.; Pinilla, J.L.; Lázaro, M.J.; Moliner, R.; Suelves, I. Catalytic decomposition of biogas to produce H2-rich fuel gas and carbon nanofibers. Parametric study and characterization. Int. J. Hydrog. Energy 2012, 37, 7067–7076. [Google Scholar] [CrossRef]
- De Llobet, S.; Pinilla, J.L.; Lázaro, M.J.; Moliner, R.; Suelves, I. CH4 and CO2 partial pressures influence and deactivation study on the Catalytic Decomposition of Biogas over a Ni catalyst. Fuel 2013, 111, 778–783. [Google Scholar] [CrossRef]
- Arul Mary, J.; Manikandan, A.; John Kennedy, L.; Bououdina, M.; Sundaram, R.; Judith Vijaya, J. Structure and magnetic properties of Cu-Ni alloy nanoparticles prepared by rapid microwave combustion method. Trans. Nonferr. Metals Soc. China 2014, 24, 1467–1473. [Google Scholar] [CrossRef]
- Daniel, T.; José Luis, P.; Isabel, S. Co-, Cu- and Fe-Doped Ni/Al2O3 Catalysts for the Catalytic Decomposition of Methane into Hydrogen and Carbon Nanofiber. Catalysis 2018, 8, 300. [Google Scholar] [CrossRef]
- Ray, K.; Sengupta, S.; Deo, G. Reforming and cracking of CH4 over Al2O3 supported Ni, Ni-Fe and Ni-Co catalysts. Fuel Process. Technol. 2017, 156, 195–203. [Google Scholar] [CrossRef]
- Tanios, C.; Bsaibes, S.; Gennequin, C.; Labaki, M.; Cazier, F.; Billet, S.; Tidahy, L.H.; Nsouli, B.; Aboukaïs, A.; Abi-Aad, E. Syngas production by the CO2 reforming of CH4 over Ni–Co–Mg–Al catalysts obtained from hydrotalcite precursors. Int. J. Hydrog. Energy 2017, 42, 12818–12828. [Google Scholar] [CrossRef]
- Xu, J.; Zhou, W.; Li, Z.; Wang, J.; Ma, J. Biogas reforming for hydrogen production over nickel and cobalt bimetallic catalysts. Int. J. Hydrog. Energy 2009, 34, 6646–6654. [Google Scholar] [CrossRef]
- Takanabe, K.; Nagaoka, K.; Nariai, K.; Aika, K.I. Titania-supported cobalt and nickel bimetallic catalysts for carbon dioxide reforming of methane. J. Catal. 2005, 232, 268–275. [Google Scholar] [CrossRef]
- Pudukudy, M.; Yaakob, Z.; Takriff, M.S. Methane decomposition over unsupported mesoporous nickel ferrites: Effect of reaction temperature on the catalytic activity and properties of the produced nanocarbon. RSC Adv. 2016, 6, 68081–68091. [Google Scholar] [CrossRef]
- Pinilla, J.L.; de Llobet, S.; Moliner, R.; Suelves, I. Ni-Co bimetallic catalysts for the simultaneous production of carbon nanofibres and syngas through biogas decomposition. Appl. Catal. B Environ. 2017, 200, 255–264. [Google Scholar] [CrossRef]
- Li, P.Y.; Syed, J.A.; Meng, X.K. Sol-gel preparation and characterization of NiCo and Ni3Fe nanoalloys. J. Alloy. Compd. 2012, 512, 47–51. [Google Scholar] [CrossRef]
- Liao, Q.; Tannenbaum, R.; Wang, Z.L. Synthesis of FeNi3 alloyed nanoparticles by hydrothermal reduction. J. Phys. Chem. B 2006, 110, 14262–14265. [Google Scholar] [CrossRef] [PubMed]
- Jang, H.C.; Ju, S.H.; Kang, Y.C. Spherical shape Ni-Co alloy powders directly prepared by spray pyrolysis. J. Alloy. Compd. 2009, 478, 206–209. [Google Scholar] [CrossRef]
- Li, Q.; Li, H.; Pol, V.G.; Bruckental, I.; Koltypin, Y.; Calderon-Moreno, J.; Nowik, I.; Gedanken, A. Sonochemical synthesis, structural and magnetic properties of air-stable Fe/Co alloy nanoparticles. New J. Chem. 2003, 27, 1194–1199. [Google Scholar] [CrossRef]
- Zhang, Z.; Nenoff, T.M.; Leung, K.; Ferreira, S.R.; Huang, J.Y.; Berry, D.T.; Provencio, P.P.; Stumpf, R. Room-Temperature Synthesis of Ag-Ni and Pd-Ni Alloy Nanoparticles. J. Phys. Chem. C 2010, 114, 14309–14318. [Google Scholar] [CrossRef]
- Chen, B.Y.; Chen, D.; Kang, Z.T.; Zhang, Y.Z. Preparation and microwave absorption properties of Ni-Co nanoferrites. J. Alloy. Compd. 2015, 618, 222–226. [Google Scholar] [CrossRef]
- Beygi, H.; Babakhani, A. Microemulsion synthesis and magnetic properties of FexNi(1−x) alloy nanoparticles. J. Magn. Magn. Mater. 2017, 421, 177–183. [Google Scholar] [CrossRef]
- Allaedini, G.; Tasirin, S.M.; Aminayi, P. Synthesis of Fe-Ni-Ce trimetallic catalyst nanoparticles via impregnation and co-precipitation and their application to dye degradation. Chem. Papers 2015, 70, 231–242. [Google Scholar] [CrossRef]
- Sun, Y.; Yang, Y.; Zhao, X.; Shao, H. Synthesis and electrochemical characterization of LiNi0.5Mn1.5O4 by one-step precipitation method with ammonium carbonate as precipitating agent. Electrochim. Acta 2011, 56, 5934–5939. [Google Scholar] [CrossRef]
- Yang, B.; Wu, Y.; Li, X.; Yu, R. Chemical Synthesis of High-Stable Amorphous FeCo Nanoalloys with Good Magnetic Properties. Nanomaterials 2018, 8, 154. [Google Scholar] [CrossRef] [PubMed]
- Kudr, J.; Haddad, Y.; Richtera, L.; Heger, Z.; Cernak, M.; Adam, V.; Zitka, O. Magnetic Nanoparticles: From Design and Synthesis to Real World Applications. Nanomaterials 2017, 7, 243. [Google Scholar] [CrossRef] [PubMed]
- Wang, C.; Levin, A.A.; Karel, J.; Fabbrici, S.; Qian, J.; ViolBarbosa, C.E.; Ouardi, S.; Albertini, F.; Schnelle, W.; Rohlicek, J. Size-dependent structural and magnetic properties of chemically synthesized Co-Ni-Ga nanoparticles. Nano Res. 2017, 10, 3421–3433. [Google Scholar] [CrossRef]
- Rivas Rojas, P.C.; Tancredi, P.; Moscoso Londoño, O.; Knobel, M.; Socolovsky, L.M. Tuning dipolar magnetic interactions by controlling individual silica coating of iron oxide nanoparticles. J. Magn. Magn. Mater. 2018, 451, 688–696. [Google Scholar] [CrossRef]
- De Llobet, S.; Pinilla, J.L.; Moliner, R.; Suelves, I. Relationship between carbon morphology and catalyst deactivation in the catalytic decomposition of biogas using Ni, Co and Fe based catalysts. Fuel 2015, 139, 71–78. [Google Scholar] [CrossRef]
- Awadallah, A.E.; Aboul-Enein, A.A.; El-Desouki, D.S.; Aboul-Gheit, A.K. Catalytic thermal decomposition of methane to COx-free hydrogen and carbon nanotubes over MgO supported bimetallic group VIII catalysts. Appl. Surf. Sci. 2014, 296, 100–107. [Google Scholar] [CrossRef]
- Pudukudy, M.; Kadier, A.; Yaakob, Z.; Takriff, M.S. Non-oxidative thermocatalytic decomposition of methane into COx free hydrogen and nanocarbon over unsupported porous NiO and Fe2O3 catalysts. Int. J. Hydrog. Energy 2016, 41, 18509–18521. [Google Scholar] [CrossRef]
- Chen, Y.; Luo, X.; Yue, G.H.; Luo, X.; Peng, D.L. Synthesis of iron-nickel nanoparticles via a nonaqueous organometallic route. Mater. Chem. Phys. 2009, 113, 412–416. [Google Scholar] [CrossRef]
- Lua, A.C.; Wang, H.Y. Decomposition of methane over unsupported porous nickel and alloy catalyst. Appl. Catal. B Environ. 2013, 132–133, 469–478. [Google Scholar] [CrossRef]
- Chang, T.-H.; Leu, F.-C. Dynamics of bimetallic Ni–Cu catalysts. J. Chem. Soc. Faraday Trans. 1996, 92, 2291–2296. [Google Scholar] [CrossRef]
- Gou, Y.; Liang, X.; Chen, B. Porous Ni–Co bimetal oxides nanosheets and catalytic properties for CO oxidation. J. Alloy. Compd. 2013, 574, 181–187. [Google Scholar] [CrossRef]
- Guil-López, R.; Navarro, R.M.; Peña, M.A.; Fierro, J.L.G. Hydrogen production by oxidative ethanol reforming on Co, Ni and Cu ex-hydrotalcite catalysts. Int. J. Hydrog. Energy 2011, 36, 1512–1523. [Google Scholar] [CrossRef]
- Paek, M.K.; Do, K.H.; Bahgat, M.; Pak, J.J. Synthesis and Magnetic Properties of Nanocrystalline Fe-Ni Alloys During Hydrogen Reduction of NiFe2O4. Korean J. Metals Mater. 2011, 49, 52–57. [Google Scholar] [CrossRef]
- Ballot, N.; Schoenstein, F.; Mercone, S.; Chauveau, T.; Brinza, O.; Jouini, N. Reduction under hydrogen of ferrite MFe2O4 (M: Fe, Co, Ni) nanoparticles obtained by hydrolysis in polyol medium: A novel route to elaborate CoFe2, Fe and Ni 3Fe nanoparticles. J. Alloy. Compd. 2012, 536, S381–S385. [Google Scholar] [CrossRef]
- Azizi, A.; Sadrnezhaad, S.K. Synthesis of Fe-Ni nano-particles by low-temperature hydrogen reduction of mechanically alloyed Ni-ferrite. J. Alloy. Compd. 2009, 485, 484–487. [Google Scholar] [CrossRef]
- Bahgat, M.; Paek, M.K.; Pak, J.J. Comparative synthesize of nanocrystalline Fe-Ni and Fe-Ni-Co alloys during hydrogen reduction of NixCo1-xFe2O4. J. Alloy. Compd. 2008, 466, 59–66. [Google Scholar] [CrossRef]
- Cortez, O.A.; Moura, F.J.; de Albuquerque Brocchi, E.; de Siqueira, R.N.C.; de Souza, R.F.M. Fe-Ni Alloy Synthesis Based on Nitrates Thermal Decomposition Followed by H2 Reduction. Metall. Mater. Trans. B Process Metall. Mater. Process. Sci. 2014, 45, 2033–2039. [Google Scholar] [CrossRef]
- Bukur, D.B.; Lang, X.; Mukesh, D.; Zimmerman, W.H.; Rosynek, M.P.; Li, C. Binder/support effects on the activity and selectivity of iron catalysts in the Fischer-Tropsch synthesis. Ind. Eng. Chem. Res. 1990, 29, 1588–1599. [Google Scholar] [CrossRef]
- Jothimurugesan, K.; Spivey, J.J.; Gangwal, S.K.; Goodwin, J.G. Effect of silica on iron-based Fischer-Tropsch catalysts. Nat. Gas Convers. V 1998, 119, 215–220. [Google Scholar] [CrossRef]
- Cui, D.; Liu, J.; Yu, J.; Su, F.; Xu, G. Attrition-resistant Ni–Mg/Al2O3 catalyst for fluidized bed syngas methanation. Catal. Sci. Technol. 2015, 5, 3119–3129. [Google Scholar] [CrossRef]
- Zhang, Y.; Wei, W.; Yang, X.; Wei, F. Reduction of Fe and Ni in Fe-Ni-O systems. J. Min. Metall. Sect. B Metall. 2013, 49, 13–20. [Google Scholar] [CrossRef]
- Roy, A.; Srinivas, V.; Ram, S.; Rao, T.C. The effect of silver coating on magnetic properties of oxygen-stabilized tetragonal Ni nanoparticles prepared by chemical reduction. J. Phys. Condens. Matter 2007, 19, 1–16. [Google Scholar] [CrossRef]
- He, X.; Zhong, W.; Au, C.; Du, Y. Size dependence of the magnetic properties of Ni nanoparticles prepared by thermal decomposition method. Nanoscale Res. Lett. 2013, 8, 446. [Google Scholar] [CrossRef] [PubMed]
- Solanki, V.; Lebedev, O.I.; Seikh, M.M.; Mahato, N.K.; Raveau, B.; Kundu, A.K. Synthesis and characterization of Co–Ni and Fe–Ni alloy nanoparticles. J. Magn. Magn. Mater. 2016, 420, 39–44. [Google Scholar] [CrossRef]
- Yakymovych, A.; Ipser, H. Synthesis and Characterization of Pure Ni and Ni-Sn Intermetallic Nanoparticles. Nanoscale Res. Lett. 2017, 12, 1–7. [Google Scholar] [CrossRef] [PubMed]
- Alstrup, I.; Tavares, M.T.; Bernardo, C.A.; Sørensen, O.; Rostrup-Nielsen, J.R. Carbon formation on nickel and nickel-copper alloy catalysts. Mater. Corros. 1998, 49, 367–372. [Google Scholar] [CrossRef]
- Wang, H.Y.; Lua, A.C. Methane decomposition using Ni-Cu alloy nano-particle catalysts and catalyst deactivation studies. Chem. Eng. J. 2015, 262, 1077–1089. [Google Scholar] [CrossRef]
- Ashok, J.; Reddy, P.S.; Raju, G.; Subrahmanyam, M.; Venugopal, A. Catalytic Decomposition of Methane to Hydrogen and Carbon Nanofibers over Ni-Cu-SiO2 Catalysts. Energy Fuels 2009, 23, 5–13. [Google Scholar] [CrossRef]
- Wang, H.Y.; Lua, A.C. Deactivation and kinetic studies of unsupported Ni and Ni-Co-Cu alloy catalysts used for hydrogen production by methane decomposition. Chem. Eng. J. 2014, 243, 79–91. [Google Scholar] [CrossRef]
- Emmenegger, C.; Bonard, J.M.; Mauron, P.; Sudan, P.; Lepora, A.; Grobety, B.; Züttel, A.; Schlapbach, L. Synthesis of carbon nanotubes over Fe catalyst on aluminium and suggested growth mechanism. Carbon 2003, 41, 539–547. [Google Scholar] [CrossRef]
- Ermakova, M.A.; Ermakov, D.Y.; Chuvilin, A.L.; Kuvshinov, G.G. Decomposition of methane over iron catalysts at the range of moderate temperatures: The influence of structure of the catalytic systems and the reaction conditions on the yield of carbon and morphology of carbon filaments. J. Catal. 2001, 201, 183–197. [Google Scholar] [CrossRef]
- Sierra Gallego, G.; Barrault, J.; Batiot-Dupeyrat, C.; Mondragón, F. Production of hydrogen and MWCNTs by methane decomposition over catalysts originated from LaNiO3 perovskite. Catal. Today 2010, 149, 365–371. [Google Scholar] [CrossRef]
- Takenaka, S.; Serizawa, M.; Otsuka, K. Formation of filamentous carbons over supported Fe catalysts through methane decomposition. J. Catal. 2004, 222, 520–531. [Google Scholar] [CrossRef]
- Rodriguez, N.M.; Chambers, A.; Baker, R.T.K. Catalytic Engineering of Carbon Nanostructures. Langmuir 1995, 11, 3862–3866. [Google Scholar] [CrossRef]
- Walker, P.L. Carbon: An old but new material revisited. Carbon 1990, 28, 261–279. [Google Scholar] [CrossRef]
- Dresselhaus, M.S.; Dresselhaus, G.; Jorio, A.; Souza Filho, A.G.; Saito, R. Raman spectroscopy on isolated single wall carbon nanotubes. Carbon 2002, 40, 2043–2061. [Google Scholar] [CrossRef]
- Awadallah, A.E.; Aboul-Enein, A.A.; Aboul-Gheit, A.K. Various nickel doping in commercial Ni-Mo/Al2O3 as catalysts for natural gas decomposition to COx-free hydrogen production. Renew. Energy 2013, 57, 671–678. [Google Scholar] [CrossRef]
- Ali, B.; RA Biak, D.; SM, S.; AW, Z.; Yusoff, H.; Masrinda, T. Preparation of Carbon Nanotubes via Chemical Technique (Modified Staudenmaier Method). Nanosci. Nanotechnol. Asia 2017, 7, 113–122. [Google Scholar] [CrossRef]
- Allaedini, G.; Aminayi, P.; Tasirin, S.M. The Effect of Alumina and Magnesia Supported Germanium Nanoparticles on the Growth of Carbon Nanotubes in the Chemical Vapor Deposition Method. J. Nanomater. 2015, 2015, 1–6. [Google Scholar] [CrossRef]
- Cheng, J.; Zhang, X.; Luo, Z.; Liu, F.; Ye, Y.; Yin, W.; Liu, W.; Han, Y. Carbon nanotube synthesis and parametric study using CaCO3 nanocrystals as catalyst support by CVD. Mater. Chem. Phys. 2006, 95, 5–11. [Google Scholar] [CrossRef]
- Pudukudy, M.; Yaakob, Z.; Takriff, M.S. Methane decomposition into COx free hydrogen and multiwalled carbon nanotubes over ceria, zirconia and lanthana supported nickel catalysts prepared via a facile solid state citrate fusion method. Energy Convers. Manag. 2016, 126, 302–315. [Google Scholar] [CrossRef]
- Allaedini, G.; Tasirin, S.M.; Aminayi, P. Yield optimization of nanocarbons prepared via chemical vapor decomposition of carbon dioxide using response surface methodology. Diam. Relat. Mater. 2016, 66, 196–205. [Google Scholar] [CrossRef]
- Nolan, P.E.; Lynch, D.C.; Cutler, A.H. Graphite encapsulation of catalytic metal nanoparticles. Carbon 1996, 34, 817–819. [Google Scholar] [CrossRef]
- Ros, T.G.; Van Dillen, A.J.; Geus, J.W.; Koningsberger, D.C. Surface structure of untreated parallel and fishbone carbon nanofibres: An infrared study. ChemPhysChem 2002, 3, 209–214. [Google Scholar] [CrossRef]
- Tessonnier, J.P. Analysis of the structure and chemical properties of some commercial carbon nanostructures. Carbon 2009, 47, 1779–1798. [Google Scholar] [CrossRef]


















| H2 Consumption (µmol g−1) | ||||||||
|---|---|---|---|---|---|---|---|---|
| Theoretical | ||||||||
| Sample | NiO to Ni(0) | Co3O4 to CoO | CoO to Co(0) | Fe2O3 to Fe3O4 | Fe3O4 to FeO | FeO to Fe(0) | CuO to Cu(0) | Total |
| Ni | 15,694 | - | - | - | - | - | - | 15,694 |
| NiCo | 6887 | 534 | 6331 | - | - | - | - | 13,752 |
| NiFe | 11,538 | - | - | 1799 | 3722 | 6475 | - | 23,534 |
| NiCu | 7187 | - | - | - | - | - | 6749 | 13,936 |
| Experimental | ||||||||
| Sample | Peak1 (P1) | Peak2 (P2) | Peak3 (P3) | Total | ||||
| Ni | 4591 | 9013 | - | 13,604 | ||||
| NiCo | 10,922 | 4211 | - | 15,133 | ||||
| NiFe | 1002 | 8379 | 7042 | 16,423 | ||||
| NiCu | 8977 | 1420 | 2318 | 12,715 | ||||
| Sample | Specific Surface Area (m2/g) | Pore Volume of Pores (cm3/g) | Pore Diameter (nm) | Crystalline Size a (nm) |
|---|---|---|---|---|
| Freshly Oxides | ||||
| Ni | 5.8 | 9.8 × 10−3 | 6.7 | 39 |
| Ni-Co | 3.2 | 3.9 × 10−3 | 7.4 | 35 |
| Ni-Fe | 1.5 | 3.8 × 10−3 | 8.7 | 34 |
| Ni-Cu | 2.7 | 5.4 × 10−3 | 4.1 | 33 |
| Bimetallic Alloys | ||||
| Ni | 0.6 | 4.4 × 10−3 | 4.4 | 33 |
| Ni-Co | 0.2 | 1.2 × 10−3 | 5.9 | 26 |
| Ni-Fe | 0.3 | 2.8 × 10−3 | 5.8 | 15 |
| Ni-Cu | 0.3 | 2.2 × 10−3 | 3.8 | 11 |
| Bimetallic Alloy | Crystalline Size a (nm) | Structure (Based on XRD) | Mr (emu g−1) | Ms (emu g−1) | Hc (Oe) |
|---|---|---|---|---|---|
| Ni | 33 | fcc | 4.3 | 54.2 | 43.7 |
| Ni-Co | 26 | fcc | 3.4 | 89.5 | 31.9 |
| Ni-Fe | 15 | fcc | 10.2 | 124.4 | 53.7 |
| Ni-Cu | 11 | fcc | 1.9 | 51.0 | 46.5 |
| Catalyst | (%) | (%) | H2 (%) | CO (%) | Ratio H2:CO | (%) | (-) | Yc (wt.%) | |
|---|---|---|---|---|---|---|---|---|---|
| Ni | 67.19 | 78.61 | 42.03 | 36.40 | 1.15 | 31.42 | 0.55 | 356 | 28.44 |
| Ni-Co | 65.73 | 81.10 | 43.34 | 37.03 | 1.17 | 30.73 | 0.66 | 424 | 36.43 |
| Ni-Fe | 69.60 | 87.55 | 44.73 | 37.79 | 1.18 | 32.54 | 0.57 | 377 | 34.97 |
| Ni-Cu | 62.17 | 74.95 | 39.43 | 34.58 | 1.14 | 29.07 | 0.53 | 317 | 19.22 |
| Sample | XRD | ID/IG | TEM | ||
|---|---|---|---|---|---|
| d002 (nm) | LC (nm) | dS-cat (nm) | dCNBF (nm) | ||
| Ni | 0.333 | 6.9 | 35.8 | 0.89 | 42.69 ± 18.88 |
| Ni-Co | 0.343 | 5.1 | 32.7 | 0.82 | 13.98 ± 4.51 |
| Ni-Fe | 0.336 | 5.1 | 23.9 | 0.99 | 12.30 ± 3.84 |
| Ni-Cu | 0.334 | 6 | 24.2 | 1.06 | 11.91 ± 3.30 |
© 2018 by the authors. Licensee MDPI, Basel, Switzerland. This article is an open access article distributed under the terms and conditions of the Creative Commons Attribution (CC BY) license (http://creativecommons.org/licenses/by/4.0/).
Share and Cite
Ali, B.; Tasirin, S.M.; Aminayi, P.; Yaakob, Z.; Ali, N.T.; Noori, W. Non-Supported Nickel-Based Coral Sponge-Like Porous Magnetic Alloys for Catalytic Production of Syngas and Carbon Bio-Nanofilaments via a Biogas Decomposition Approach. Nanomaterials 2018, 8, 1053. https://doi.org/10.3390/nano8121053
Ali B, Tasirin SM, Aminayi P, Yaakob Z, Ali NT, Noori W. Non-Supported Nickel-Based Coral Sponge-Like Porous Magnetic Alloys for Catalytic Production of Syngas and Carbon Bio-Nanofilaments via a Biogas Decomposition Approach. Nanomaterials. 2018; 8(12):1053. https://doi.org/10.3390/nano8121053
Chicago/Turabian StyleAli, Buthainah, Siti Masrinda Tasirin, Payam Aminayi, Zahira Yaakob, Nur Tantiyani Ali, and Wadhah Noori. 2018. "Non-Supported Nickel-Based Coral Sponge-Like Porous Magnetic Alloys for Catalytic Production of Syngas and Carbon Bio-Nanofilaments via a Biogas Decomposition Approach" Nanomaterials 8, no. 12: 1053. https://doi.org/10.3390/nano8121053
APA StyleAli, B., Tasirin, S. M., Aminayi, P., Yaakob, Z., Ali, N. T., & Noori, W. (2018). Non-Supported Nickel-Based Coral Sponge-Like Porous Magnetic Alloys for Catalytic Production of Syngas and Carbon Bio-Nanofilaments via a Biogas Decomposition Approach. Nanomaterials, 8(12), 1053. https://doi.org/10.3390/nano8121053

