One-Pot Synthesis of Ultra-Small Pt Nanoparticles-Loaded Nitrogen-Doped Mesoporous Carbon Nanotube for Efficient Catalytic Reaction
Abstract
:1. Introduction
2. Materials and Methods
2.1. Materials
2.2. Synthesis of Pt/NMCT
2.3. Catalytic Reduction Reaction of 4-NP
2.4. Characterization
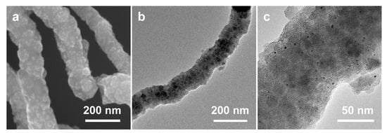
3. Results and Discussion
4. Conclusions
Supplementary Materials
Author Contributions
Funding
Institutional Review Board Statement
Informed Consent Statement
Data Availability Statement
Conflicts of Interest
References
- Meemken, F.; Baiker, A. Recent progress in heterogeneous asymmetric hydrogenation of C=O and C=C bonds on supported noble metal catalysts. Chem. Rev. 2017, 117, 11522–11569. [Google Scholar] [CrossRef]
- Mergler, Y.J.; Van Aalst, A.; Van Delft, J.; Nieuwenhuys, B.E. CO oxidation over promoted Pt catalysts. Appl. Catal. B 1996, 10, 245–261. [Google Scholar] [CrossRef]
- Shan, Y.; Hu, H.M.; Fan, X.Q.; Zhao, Z. Recent progress in catalytic dehydrogenation of propane over Pt-based catalysts. Phys. Chem. Chem. Phys. 2023, 25, 18609–18622. [Google Scholar] [CrossRef] [PubMed]
- Duan, S.B.; Du, Z.; Fan, H.S.; Wang, R.M. Nanostructure optimization of platinum-based nanomaterials for catalytic applications. Nanomaterials 2018, 8, 949. [Google Scholar] [CrossRef] [PubMed]
- Mao, X.Y.; Foucher, A.C.; Montini, T.; Stach, E.A.; Fornasiero, P.; Gorte, R.J. Epitaxial and strong support interactions between Pt and LaFeO3 films stabilize Pt dispersion. J. Am. Chem. Soc. 2020, 142, 10373–10382. [Google Scholar] [CrossRef] [PubMed]
- Jayabal, S.; Saranya, G.; Geng, D.S.; Lin, L.Y.; Meng, X.B. Insight into the correlation of Pt-support interactions with electrocatalytic activity and durability in fuel cells. J. Mater. Chem. A 2020, 8, 9420–9446. [Google Scholar] [CrossRef]
- Esteve-Adell, I.; Bakker, N.; Primo, A.; Hensen, E.; Garcia, H. Oriented Pt nanoparticles supported on few-layers graphene as highly active catalyst for aqueous-phase reforming of ethylene glycol. ACS Appl. Mater. Interfaces 2016, 8, 33690–33696. [Google Scholar] [CrossRef] [PubMed]
- Xiao, Y.X.; Ying, J.; Liu, H.W.; Yang, X.Y. Pt-C interactions in carbon-supported Pt-based electrocatalysts. Front. Chem. Sci. Eng. 2023. [Google Scholar] [CrossRef]
- Fiorio, J.L.; Garcia, M.A.S.; Gothe, M.L.; Galvan, D.; Troise, P.C.; Conte, C.A.; Vidinha, P.; Camargo, P.H.C.; Rossi, L.M. Recent advances in the use of nitrogen-doped carbon materials for the design of noble metal catalysts. Coord. Chem. Rev. 2023, 481, 215053. [Google Scholar] [CrossRef]
- Hu, X.Y.; Yang, B.Z.; Ke, S.R.; Liu, Y.A.; Fang, M.H.; Huang, Z.H.; Min, X. Review and perspectives of carbon-supported platinum-based catalysts for proton exchange membrane fuel cells. Energy Fuels 2023, 37, 11532–11566. [Google Scholar] [CrossRef]
- Devrim, Y.; Albostan, A. Graphene-supported platinum catalyst-based membrane electrode assembly for PEM fuel cell. J. Electron. Mater. 2016, 45, 3900–3907. [Google Scholar] [CrossRef]
- Wang, J.; Xu, Z.; Gong, Y.T.; Han, C.L.; Li, H.R.; Wang, Y. One-step production of sulfur and nitrogen co-doped graphitic carbon for oxygen reduction: Activation effect of oxidized sulfur and nitrogen. ChemCatChem 2014, 6, 1204–1209. [Google Scholar] [CrossRef]
- You, C.H.; Liao, S.J.; Li, H.L.; Hou, S.Y.; Peng, H.L.; Zeng, X.Y.; Liu, F.F.; Zheng, R.P.; Fu, Z.Y.; Li, Y.W. Uniform nitrogen and sulfur co-doped carbon nanospheres as catalysts for the oxygen reduction reaction. Carbon 2014, 69, 294–301. [Google Scholar] [CrossRef]
- Choi, C.H.; Chung, M.W.; Kwon, H.C.; Park, S.H.; Woo, S.I. B, N- and P, N-doped graphene as highly active catalysts for oxygen reduction reactions in acidic media. J. Mater. Chem. A 2013, 1, 3694–3699. [Google Scholar] [CrossRef]
- Park, J.E.; Jang, Y.J.; Kim, Y.J.; Song, M.S.; Yoon, S.; Kim, D.H.; Kim, S.J. Sulfur-doped graphene as a potential alternative metal-free electrocatalyst and Pt-catalyst supporting material for oxygen reduction reaction. Phys. Chem. Chem. Phys. 2014, 16, 103–109. [Google Scholar] [CrossRef]
- Li, M.M.; Xu, F.; Li, H.R.; Wang, Y. Nitrogen-doped porous carbon materials: Promising catalysts or catalyst supports for heterogeneous hydrogenation and oxidation. Catal. Sci. Technol. 2016, 6, 3670–3693. [Google Scholar] [CrossRef]
- He, L.; Weniger, F.; Neumann, H.; Beller, M. Synthesis, characterization, and application of metal nanoparticles supported on nitrogen-doped carbon: Catalysis beyond electrochemistry. Angew. Chem. Int. Ed. 2016, 55, 12582–12594. [Google Scholar] [CrossRef]
- Mayoral, E.P.; Ojer, M.G.; Ventura, M.; Matos, I. New insights into N-doped porous carbons as both heterogeneous catalysts and catalyst supports: Opportunities for the catalytic synthesis of valuable compounds. Nanomaterials 2023, 13, 2013. [Google Scholar] [CrossRef]
- Cao, Y.L.; Mao, S.J.; Li, M.M.; Chen, Y.Q.; Wang, Y. Metal/porous carbon composites for heterogeneous catalysis: Old catalysts with improved performance promoted by N-doping. ACS Catal. 2017, 7, 8090–8112. [Google Scholar] [CrossRef]
- Liu, Y.X.; Yang, X.J.; Liu, H.Y.; Ye, Y.H.; Wei, Z.J. Nitrogen-doped mesoporous carbon supported Pt nanoparticles as a highly efficient catalyst for decarboxylation of saturated and unsaturated fatty acids to alkanes. Appl. Catal. B 2017, 218, 679–689. [Google Scholar] [CrossRef]
- Afkhami-Ardekani, M.; Naimi-Jamal, M.R.; Doaee, S.; Rostamnia, S. Solvent-free mechanochemical preparation of metal-organic framework ZIF-67 impregnated by Pt nanoparticles for water purification. Catalysts 2022, 13, 9. [Google Scholar] [CrossRef]
- Xia, L.; Li, D.; Long, J.; Huang, F.; Yang, L.; Guo, Y.; Jia, Z.; Xiao, J.; Liu, H. N-doped graphene confined Pt nanoparticles for efficient semi-hydrogenation of phenylacetylene. Carbon 2019, 145, 47–52. [Google Scholar] [CrossRef]
- Liu, Z.Y.; Zhang, C.L.; Luo, L.; Chang, Z.; Sun, X.M. One-pot synthesis and catalyst support application of mesoporous N-doped carbonaceous materials. J. Mater. Chem. 2012, 22, 12149–12154. [Google Scholar] [CrossRef]
- Zhang, M.H.; Wang, T.D.; Zhang, M.W.; Wang, Q.F.; Wang, L.; Zhang, X.W.; Li, G.Z. Tunable selective hydrogenation of cinnamaldehyde by capped Pt/Pd nanoparticles supported on carbon nanotubes. ChemistrySelect 2022, 7, 202200316. [Google Scholar] [CrossRef]
- Bian, S.W.; Liu, S.; Chang, L. Synthesis of magnetically recyclable Fe3O4@polydopamine-Pt composites and their application in hydrogenation reactions. J. Mater. Sci. 2016, 51, 3643–3649. [Google Scholar] [CrossRef]
- Uson, L.; Hueso, J.L.; Sebastian, V.; Arenal, R.; Florea, I.; Irusta, S.; Arruebo, M.; Santamaria, J. In-situ preparation of ultra-small Pt nanoparticles within rod-shaped mesoporous silica particles: 3-D tomography and catalytic oxidation of n-hexane. Catal. Commun. 2017, 100, 93–97. [Google Scholar] [CrossRef]
- Yao, C.X.; Xue, J.; Xu, L.J.; Su, Y.; Bu, J.D.; Priestley, R.D.; Hou, S.F. Facile synthesis of polydopamine-functionalized hollow graphene composite microspheres and their application in methanol oxidation reaction. Appl. Surf. Sci. 2021, 541, 148329. [Google Scholar] [CrossRef]
- Huang, H.L.; He, Z.Y.; Lin, X.M.; Ruan, W.S.; Liu, Y.J.; Yang, Z.H. Ultradispersed platinum nanoclusters on polydopamine-functionalized carbon nanotubes as an excellent catalyst for methanol oxidation reaction. Appl. Catal. A 2015, 490, 65–70. [Google Scholar] [CrossRef]
- Zhang, Q.; Deng, C.; Huang, Z.M.; Zhang, Q.C.; Chai, X.C.; Yi, D.L.; Fang, Y.Y.; Wu, M.Y.; Wang, X.D.; Tang, Y.; et al. Dual-silica template-mediated synthesis of nitrogen-doped mesoporous carbon nanotubes for supercapacitor applications. Small 2022, 19, 2205725. [Google Scholar] [CrossRef]
- Yi, D.L.; Xu, C.L.; Tang, R.D.; Zhang, X.H.; Caruso, F.; Wang, Y.J. Synthesis of discrete alkyl-silica hybrid nanowires and their assembly into nanostructured superhydrophobic membranes. Angew. Chem. Int. Ed. 2016, 55, 8375–8380. [Google Scholar] [CrossRef]
- Yan, Q.; Wang, X.Y.; Feng, J.J.; Mei, L.P.; Wang, A.J. Simple fabrication of bimetallic platinum-rhodium alloyed nano-multipods: A highly effective and recyclable catalyst for reduction of 4-nitrophenol and rhodamine B. J. Colloid Interface Sci. 2021, 582, 701–710. [Google Scholar] [CrossRef]
- Li, J.; Liu, L.; Ai, Y.; Hu, Z.; Xie, L.; Bao, H.; Wu, J.; Tian, H.; Guo, R.; Ren, S.; et al. Facile and large-scale fabrication of sub-3 nm PtNi nanoparticles supported on porous carbon sheet: A bifunctional material for the hydrogen evolution reaction and hydrogenation. Chem. Eur. J. 2019, 25, 7191–7200. [Google Scholar] [CrossRef] [PubMed]
- Fu, J.; Wang, S.; Wang, X.; Yan, Y.; Wang, K.; Gao, M.; Xu, Q. Facile preparation of highly dispersed Pt nanoparticles supported on heteroatom-containing porous carbon nanospheres and their catalytic properties for the reduction of 4-nitrophenol. J. Porous Mater. 2017, 25, 1081–1089. [Google Scholar] [CrossRef]
- Jiang, X.F.; Wang, X.B.; Shen, L.M.; Wu, Q.; Wang, Y.N.; Ma, Y.W.; Wang, X.Z.; Hu, Z. High-performance Pt catalysts supported on hierarchical nitrogen-doped carbon nanocages for methanol electrooxidation. Chin. J. Catal. 2016, 37, 1149–1155. [Google Scholar] [CrossRef]
- Bian, S.W.; Liu, S.; Guo, M.X.; Xu, L.L.; Chang, L. Pd nanoparticles partially embedded in the inner wall of nitrogen-doped carbon hollow spheres as nanoreactors for catalytic reduction of 4-nitrophenol. RSC Adv. 2015, 5, 11913–11916. [Google Scholar] [CrossRef]
- Ren, Y.P.; Chen, F.; Pan, K.M.; Zhao, Y.; Ma, L.L.; Wei, S.Z. Studies on kinetics, isotherms, thermodynamics and adsorption mechanism of methylene blue by N and S co-doped porous carbon spheres. Nanomaterials 2021, 11, 1819. [Google Scholar] [CrossRef] [PubMed]
- Liang, J.F.; Zhang, X.M.; Jing, L.Y.; Yang, H.Q. N-doped ordered mesoporous carbon as a multifunctional support of ultrafine Pt nanoparticles for hydrogenation of nitroarenes. Chin. J. Catal. 2017, 38, 1252–1260. [Google Scholar] [CrossRef]
- Liu, J.K.; Li, L.Y.; Li, J.H.; Lin, W.G.; Wang, H.P.; Zhao, H.; Chen, X.; Zhang, J.K.; Yang, W.S. Lattice-strained Pt nanoparticles anchored on petroleum vacuum residue derived N-doped porous carbon as highly active and durable cathode catalysts for PEMFCs. Int. J. Hydrog. Energy 2023, 48, 25720–25729. [Google Scholar] [CrossRef]
- Liu, X.C.; Wang, G.C.; Liang, R.P.; Shi, L.; Qiu, J.D. Environment-friendly facile synthesis of Pt nanoparticles supported on polydopamine modified carbon materials. J. Mater. Chem. A 2013, 1, 3945–3953. [Google Scholar] [CrossRef]
- Pinithchaisakula, A.; Themsirimongkon, S.; Promsawan, N.; Weankeaw, P.; Ounnunkad, K.; Saipanya, S. An investigation of a polydopamine-graphene oxide composite as a support for an anode fuel cell catalyst. Electrocatalysis 2017, 8, 36–45. [Google Scholar] [CrossRef]
- Hu, X.C.; Lu, Y.L.; Shi, X.K.; Yao, T.M.; Dong, C.Y.; Shi, S. Integrating in situ formation of nanozymes with mesoporous polydopamine for combined chemo, photothermal and hypoxia-overcoming photodynamic therapy. Chem. Commun. 2019, 55, 14785–14788. [Google Scholar] [CrossRef] [PubMed]
- Ye, W.C.; Hu, H.Y.; Zhang, H.; Zhou, F.; Liu, W.M. Multi-walled carbon nanotube supported Pd and Pt nanoparticles with high solution affinity for effective electrocatalysis. Appl. Surf. Sci. 2010, 256, 6723–6728. [Google Scholar] [CrossRef]
- Ye, W.C.; Chen, Y.; Zhou, Y.X.; Fu, J.J.; Wu, W.C.; Gao, D.Q.; Zhou, F.; Wang, C.M.; Xue, D.S. Enhancing the catalytic activity of flowerike Pt nanocrystals using polydopamine functionalized graphene supports for methanol electrooxidation. Electrochim. Acta 2014, 142, 18–24. [Google Scholar] [CrossRef]
- Yan, L.J.; Bo, X.J.; Zhu, D.X.; Guo, L.P. Well-dispersed Pt nanoparticles on polydopamine-coated ordered mesoporous carbons and their electrocatalytic application. Talanta 2014, 120, 304–311. [Google Scholar] [CrossRef]
- Gao, D.; Li, S.; Wang, X.; Xi, L.; Lange, K.M.; Ma, X.; Lv, Y.; Yang, S.; Zhao, K.; Loussala, H.M.; et al. Ultrafine PtRu nanoparticles confined in hierarchically porous carbon derived from micro-mesoporous zeolite for enhanced nitroarenes reduction performance. J. Catal. 2019, 370, 385–403. [Google Scholar] [CrossRef]
- Zhao, Q.; Bu, D.C.; Li, Z.H.; Zhang, X.L.; Di, L.B. Cold plasma preparation of Pd/graphene catalyst for reduction of p-nitrophenol. Nanomaterials 2021, 11, 1341. [Google Scholar] [CrossRef]
- Peng, Y.; Wu, X.; Qiu, L.; Liu, C.; Wang, S.; Yan, F. Synthesis of carbon–PtAu nanoparticle hybrids originating from triethoxysilane-derivatized ionic liquids for methanol electrooxidation and the catalytic reduction of 4-nitrophenol. J. Mater. Chem. A 2013, 1, 9257–9263. [Google Scholar] [CrossRef]
- Wang, Z.M.; Xu, C.L.; Gao, G.Q.; Li, X. Facile synthesis of well-dispersed Pd-graphene nanohybrids and their catalytic properties in 4-nitrophenol reduction. RSC Adv. 2014, 4, 13644–13651. [Google Scholar] [CrossRef]
- Ye, W.C.; Yu, J.; Zhou, Y.X.; Gao, D.Q.; Wang, D.A.; Wang, C.M.; Xue, D.S. Green synthesis of Pt-Au dendrimer-like nanoparticles supported on polydopamine-functionalized graphene and their high performance toward 4-nitrophenol reduction. Appl. Catal. B 2016, 181, 371–378. [Google Scholar] [CrossRef]
- Pan, Z.D.; Yu, S.; Wang, L.F.; Li, C.Y.; Meng, F.; Wang, N.; Zhou, S.X.; Xiong, Y.; Wang, Z.L.; Wu, Y.T.; et al. Recent advances in porous carbon materials as electrodes for supercapacitors. Nanomaterials 2023, 13, 1744. [Google Scholar] [CrossRef] [PubMed]








Disclaimer/Publisher’s Note: The statements, opinions and data contained in all publications are solely those of the individual author(s) and contributor(s) and not of MDPI and/or the editor(s). MDPI and/or the editor(s) disclaim responsibility for any injury to people or property resulting from any ideas, methods, instructions or products referred to in the content. |
© 2023 by the authors. Licensee MDPI, Basel, Switzerland. This article is an open access article distributed under the terms and conditions of the Creative Commons Attribution (CC BY) license (https://creativecommons.org/licenses/by/4.0/).
Share and Cite
Zhang, Q.; Wu, M.; Fang, Y.; Deng, C.; Shen, H.-H.; Tang, Y.; Wang, Y. One-Pot Synthesis of Ultra-Small Pt Nanoparticles-Loaded Nitrogen-Doped Mesoporous Carbon Nanotube for Efficient Catalytic Reaction. Nanomaterials 2023, 13, 2633. https://doi.org/10.3390/nano13192633
Zhang Q, Wu M, Fang Y, Deng C, Shen H-H, Tang Y, Wang Y. One-Pot Synthesis of Ultra-Small Pt Nanoparticles-Loaded Nitrogen-Doped Mesoporous Carbon Nanotube for Efficient Catalytic Reaction. Nanomaterials. 2023; 13(19):2633. https://doi.org/10.3390/nano13192633
Chicago/Turabian StyleZhang, Qian, Minying Wu, Yuanyuan Fang, Chao Deng, Hsin-Hui Shen, Yi Tang, and Yajun Wang. 2023. "One-Pot Synthesis of Ultra-Small Pt Nanoparticles-Loaded Nitrogen-Doped Mesoporous Carbon Nanotube for Efficient Catalytic Reaction" Nanomaterials 13, no. 19: 2633. https://doi.org/10.3390/nano13192633
APA StyleZhang, Q., Wu, M., Fang, Y., Deng, C., Shen, H.-H., Tang, Y., & Wang, Y. (2023). One-Pot Synthesis of Ultra-Small Pt Nanoparticles-Loaded Nitrogen-Doped Mesoporous Carbon Nanotube for Efficient Catalytic Reaction. Nanomaterials, 13(19), 2633. https://doi.org/10.3390/nano13192633

