Next Article in Journal
Unraveling Anisotropy in Crystalline Orientation under Shock-Induced Dynamic Responses in High-Entropy Alloy Co25Ni25Fe25Al7.5Cu17.5
Next Article in Special Issue
Sub-Bandgap Sensitization of Perovskite Semiconductors via Colloidal Quantum Dots Incorporation
Previous Article in Journal
Highly Efficient Fluorescent Detection of Vitamin B12 Based on the Inner Filter Effect of Dithiol-Functionalized Silver Nanoparticles
Previous Article in Special Issue
Colloidal Quantum Dot Nanolithography: Direct Patterning via Electron Beam Lithography
 
 
Font Type:
Arial Georgia Verdana
Font Size:
Aa Aa Aa
Line Spacing:
Column Width:
Background:
Article

Reversible Quantum-Dot Cellular Automata-Based Arithmetic Logic Unit

1
Division of Electronic and Electrical Engineering, School of Engineering, Faculty of Engineering and Technology, Liverpool John Moores University, Liverpool L3 2ET, UK
2
Department of Computer Science, Electronics and Electrical Engineering, Faculty of Science and Engineering, University of Chester, Chester CH1 4BJ, UK
*
Author to whom correspondence should be addressed.
Nanomaterials 2023, 13(17), 2445; https://doi.org/10.3390/nano13172445
Submission received: 31 July 2023 / Revised: 25 August 2023 / Accepted: 25 August 2023 / Published: 29 August 2023
(This article belongs to the Special Issue Study on Quantum Dot and Quantum Dot-Based Device)

Abstract

Quantum-dot cellular automata (QCA) are a promising nanoscale computing technology that exploits the quantum mechanical tunneling of electrons between quantum dots in a cell and electrostatic interaction between dots in neighboring cells. QCA can achieve higher speed, lower power, and smaller areas than conventional, complementary metal-oxide semiconductor (CMOS) technology. Developing QCA circuits in a logically and physically reversible manner can provide exceptional reductions in energy dissipation. The main challenge is to maintain reversibility down to the physical level. A crucial component of a computer’s central processing unit (CPU) is the arithmetic logic unit (ALU), which executes multiple logical and arithmetic functions on the data processed by the CPU. Current QCA ALU designs are either irreversible or logically reversible; however, they lack physical reversibility, a crucial requirement to increase energy efficiency. This paper shows a new multilayer design for a QCA ALU that can carry out 16 different operations and is both logically and physically reversible. The design is based on reversible majority gates, which are the key building blocks. We use QCADesigner-E software to simulate and evaluate energy dissipation. The proposed logically and physically reversible QCA ALU offers an improvement of 88.8% in energy efficiency. Compared to the next most efficient 16-operation QCA ALU, this ALU uses 51% fewer QCA cells and 47% less area.

1. Introduction

Heat dissipation in conventional, complementary metal-oxide-semiconductor (CMOS) technology is a major challenge for the design and operation of integrated circuits (ICs). As CMOS technology scales down, the power density and the operating temperature increase, which can degrade the performance, reliability, and lifetime of devices [1,2].
Conventional methods of computing typically include irreversible operations, which result in some input bits of information being erased during the process. In 1961, Landauer [3] proved that irreversible computations cause information loss and involve an amount of heat dissipation of kBTln2 per bit erased, where kB is the Boltzmann constant, and T is the temperature. In 1996, Gershenfeld [4] argued that the actual amount of energy dissipated due to information loss is much higher than Landauer’s lower bound. As nanoelectronics circuits and systems decrease in size and become more efficient, their energy dissipation levels approach Landauer’s limit. Therefore, to continue the trend of reducing power consumption and to reach Landauer’s lower bound, unconventional computation methods that allow for reversible logic operations without information loss are needed [5].
Reversible logic operations, which have a one-to-one correspondence between the number of input and output signals, are a promising alternative to conventional irreversible computations that lose information and consequently dissipate heat into the environment. In 1973, Bennett [6] showed that reversible computations can theoretically avoid information loss and achieve zero energy dissipation. Reversible computing is a paradigm of computation that allows computational processes to be reversed in time, recovering previous states of the system. This property is essential for avoiding the increase in physical entropy and the associated energy dissipation that occurs when information is erased irreversibly. However, substantial energy reductions in reversible computing can only be obtained by maintaining reversibility down to the physical level [7]. This means that not only the logical operations but also the physical devices and circuits that implement them must be reversible to avoid energy dissipation.
Quantum-dot cellular automata (QCA) are promising nanotechnology for implementing digital logic circuits that are logically and physically reversible and overcome the drawbacks of conventional CMOS-based very large-scale integration (VLSI) technology, including high power consumption and heat dissipation. In 1993, Lent et al. [8] presented a quantum-dot physical implementation for digital logic circuits. Using field-coupled nanotechnology (FCN), quantum dots encode information as the polarity of the electron orientation, which is coupled to neighboring cells via the electrostatic interaction [9]. QCA cells, which are comprised of four quantum dots placed towards the four corners of a square, are the fundamental building blocks of QCA circuits. Each cell has two unbound electrons that are able to tunnel between quantum dots, representing two binary configurations. Because of their electrostatic interactions, the two electrons tend to occupy opposite corners. Figure 1 shows that the QCA cells can be in either of two possible electron configuration states, labeled by the cell polarizations P = −1 and P = +1, which correspond to the binary digits 0 and 1, respectively. Using arrays of quantum dots, QCA encodes binary information and implements specific logic gates according to the layout of the quantum dots. Many researchers have addressed the QCA paradigm as a promising future computer technology as the specific circuit structure and electrostatic interactions among neighboring cells that allow logic functions to be executed [10,11,12].
Every computer’s central processing unit (CPU) contains an arithmetic logic unit (ALU) that performs digital logical and arithmetic operations with binary numbers. Combinational logic circuits are commonly utilized in the process of developing ALU circuits. Although reversible circuits have been demonstrated to improve energy efficiency, the preponderance of published QCA ALU designs is irreversible. Many researchers have recently started studying reversible QCA ALU architectures [13,14,15,16,17,18]. However, the information loss that occurs due to reversibility at the physical layout level has not been considered in these studies. To design reversible ALUs, these studies utilized either widely used logically reversible gates, such as the 3 × 3 Fredkin gate or the 2 × 2 Feynman gate, or newly proposed logically reversible gates [13,14,15,16,17,18]. The netlist of these designs has an equal number of input and output pins, but this is not enough to make them physically reversible to produce ultralow-energy dissipation ALUs. The reason for this is that the internal majority gates used to build these ALUs are not reversible; each internal majority gate has a different number of input and output pins. In 2020, Torres et al. [19] presented the first implementation of the logically and physically reversible design principle for designing and simulating a QCA half-adder circuit. They developed it using the QCADesigner-E tool, a QCA circuit design and simulation tool that Torres et al. invented [20]. Using QCADesigner-E, the energy dissipation of the QCA half-adder circuit was calculated. The results showed that combinational QCA circuits that are both logically and physically reversible can operate with energy dissipation values lower than Landauer’s limit. Later, researchers implemented this technique to develop more sophisticated combinational QCA logic circuits, as well as sequential QCA circuits, characterized by feedback loops [21,22]. In this research, we introduce the first multilayer reversible QCA ALU built using the logically and physically reversible QCA design technique. This ALU design relies mainly on the majority gate as the core building block and uses the universal, standard, and efficient (USE) clocking scheme to synchronize data propagation. Our simulation results confirm that the logically and physically reversible design method can yield an ultralow energy dissipation QCA ALU. The remainder of this paper is organized as follows: In Section 2, QCA clocking schemes are reviewed. In Section 3, the logically and physically reversible design method is defined. In Section 4, the multilayer logically and physically reversible QCA ALU design and simulation setup are described. Then, the simulation results are discussed in Section 5, and the conclusions of the study are stated in Section 6.

2. QCA Clocking Schemes

To ensure proper data transfer and operation in logic circuits, clocking control plays a vital role in coordinating data flow. For QCA, an external clock is needed to alter the tunneling barrier strength between the QCA cells and achieve clocking control. Various timing and clocking methods have been proposed to regulate the transmission of information via QCA circuits.
In 1997, Lent and Tougaw devised adiabatic switching as a way to control the timing, deal with metastability problems, and facilitate pipelined creation for QCA circuits [9]. This clocking method divides the QCA array into clusters of cells known as clock zones, providing the advantages of multiphase clocking and pipelining. Using the clock zone structure, a cluster of QCA cells can perform a computation, freeze its states, and finally feed the results into the next clock zone as inputs. Allowing the QCA wire length to grow can increase the risk that cells will not switch accurately due to thermodynamic constraints; therefore, dividing the wire into zones is analogous to breaking it into several smaller wires [23].
The four phases of the adiabatic pipelining cycle are depicted in simplified form in Figure 2. Each outline box represents a multicellular clock phase. Each cell in a clock phase uses the same gate to control inter-dot barriers. In each box, the cell on the left depicts the state of the cells at the commencement of this clock phase, while the cell on the right depicts the state of the cells at the end of this clock phase. The single cells depicted can represent a subarray of QCA cells. At the beginning of the first phase, referred to as the switch phase, the cells are unpolarized and have low barriers. However, as this phase progresses and computation is performed, the barriers increase, and the cells become polarized to correspond with the computation function. This phase ends with substantial barriers that prohibit tunneling and fixed cell states. The second phase is termed the hold phase, where the barriers remain at their current height. The third phase is the release phase, where the barriers are lowered, and the cells become depolarized. The relax phase is the fourth and final phase of the clock. This phase maintains the unpolarized nature of the cells by keeping cell barriers low. After the fourth phase, the clock system repolarizes and reverts to the first phase, beginning a new cycle.
In the adiabatic switching method, the input states are switched gradually, while the interdot barriers of the cells are changed, at the same time, across the whole array. This keeps the system in an instantaneous ground state. Furthermore, the data can be synchronized so that no signal reaches a logic gate and propagates before any other inputs reach the gate. Having these features guarantees that QCA circuits will function properly. However, the implementation of this one-dimensional adiabatic switching scheme faces a number of obstacles. These obstacles include the difference in the lengths of the wires, the clock zone capacities, and the number of cells between the different clock zones, which may preclude the construction of feedback paths and produce an unused area [24].
In 2007, Vankamamidi et al. [25] proposed a two-dimensional QCA timing method. The two-dimensional QCA clocking method can achieve higher performance and lower power consumption than a one-dimensional QCA clocking method by exploiting the spatial and temporal parallelism of QCA circuits. This clocking scheme takes zone size into account and comprises a grid of square zones that are equal in size, thus preventing thermodynamic effects on QCA circuits. The overhead of feedback channels, however, remains a major challenge [24]. In advanced QCA circuits, long lines between timing zones have a negative effect, leading to higher delays and sensitivity to thermal fluctuations [24].
Campos et al. developed the unified, standard, and efficient (USE) timing method in 2016 [24]. The adaptability of the USE timing method enables it to satisfy the requirements of the QCA circuits design, which include the implementation of feedback channels with small or large loops, the standardization of cell libraries, and the facilitation of routing simplicity. Figure 3 shows the USE clocking system, which consists of four time zones numbered from 1 to 4. These four time zones constitute one complete clock cycle. Data flows between the QCA cells in neighboring clock zones are shown here as squares. Each square contains a cluster of five-by-five QCA cells representing a distinct time zone.
To balance the speed of data transmission and the arrival time of data for each logic gate in the circuit, clock synchronization is an essential metric [26]. The differentiation between local and global synchronization must be carefully considered when evaluating QCA circuits. Local synchronization necessitates that data transmission be restricted only between cells in clock zones with consecutive numbers. Global synchronization ensures that new data are transmitted to the inputs of the circuit during every clock cycle; thus, the inputs of all gates are synchronized for at least one clock cycle prior to the arrival of new data. Most researchers emphasize that local synchronization is an essential requirement to include when developing QCA circuits [26,27,28,29]. However, the conclusion of global synchronization research is contradictory. In spite of numerous assertions highlighting the importance of global synchronization [27,28], some studies argue that global synchronization is not a necessary requirement for QCA circuits [29].
The real clocking concept is essential for the design of QCA circuits because it can substantially decrease manufacturing costs and facilitate the physical implementation of QCA circuits. Either the pipeline-style [25] or the dynamic-style [24,29] can be used to include the real clocking concept into the QCA clocking system. For complex circuits based on five-input majority gates, the real clocking strategy, with efficient clustering and placement, has been recently developed [30]. Generally, QCA circuits utilizing majority gates with more than three inputs benefit significantly from the real clocking technique [30].
In this study, a multilayer QCA ALU circuit design that is both logically and physically reversible is proposed. To prevent getting stuck in a metastable state and to precisely control the flow of information between the QCA cells, the USE clocking method was employed. The tile-based USE clocking method facilitates routing, the construction of clock zones with uniform, standard, and bounded forms, and the creation of feedback loops with both big and small loops. In addition, USE clocking circuitry may be realized using current integrated circuit (IC) design and production capabilities. Clock synchronization, both locally and globally, is crucial for the design of complex QCA circuits. Clock synchronization ensures that data arrives at the appropriate time for the next stage of the circuit and that the speed of data propagation is balanced [31]. If there is no control over clock synchronization, the subsequent stage may generate inaccurate bits, leading to incorrect data transfer. The ALU proposed in this study transmits information between clock zones numbered sequentially. Each logic gate receives its input data within the same clock cycle, i.e., within four clock phases. This guarantees that the proposed ALU design in this study is both locally and globally synchronized and should generate correct computation results.

3. Logically and Physically Reversible Design Methodology

In QCA circuits, the main source of energy dissipation is the majority gate [32]. The conventional QCA majority gate is irreversible with three inputs and a single output, as depicted in Figure 4. Therefore, it has energy dissipation into the environment associated with information loss. Figure 4a depicts the logical design (schematic), whereas Figure 4b depicts the physical design (layout) of a standard irreversible majority gate.
To develop a highly energy-efficient QCA ALU in this study, a fully reversible majority gate was developed, which is the key component in our design. The fully reversible majority gate makes copies of the input data, resulting in an equal number of binary inputs and outputs. Figure 5 depicts the proposed fully reversible majority gate. It has three inputs and three outputs due to the copying of the incoming data. This reversible design strategy, thus, prevents data loss and, consequently, ensures that no energy is lost to the environment. Figure 5a illustrates the logical design (schematic), while Figure 5b illustrates the physical design (layout) of the fully reversible QCA majority gate design.
In this study, we used a two-stage design methodology to develop the proposed logically and physically reversible QCA ALU components, as shown in Figure 6. This method used the proposed fully reversible majority gate, presented in Figure 5, as the main building block.
The first stage was to build the ALU components at the logical level (synthesis), which started with defining and generating the netlist of each circuit used to build the ALU. Then, the behavioral description of the circuit outlines the input and output relations. Simulations are ultimately employed, using Logisim 2.7.1 software, to validate each circuit’s synthesis. If the simulation produces unexpected results, the output is considered a failed result. So, we must go back and modify the circuit netlist and examine the circuit’s input/output relations. When the simulation yields accurate results, this indicates that the circuit synthesis is correct, and the output is deemed a pass result, allowing us to proceed to the second stage.
The second stage was to create the physical level (layout) of the ALU components based on QCA interconnected devices. The physical level represents the transition from synthesis to a QCA layout, which is the physical representation of the circuits. This process starts with gate placement, identifying the pins’ locations, and routing for each used circuit to build the proposed reversible QCA ALU. Next, layout verification is performed to validate that the layout reflects the circuit synthesis design. Finally, post-layout simulation is performed to validate both the circuit performance and reliability. For this purpose, the widely used QCA technology-based computer-aided design (TCAD) tool QCADesigner was employed in this study. QCADesigner implements the coherence vector simulation engine (CVSE), which incorporates quantum-level microscopic physical modeling for the operation of the QCA cells [33]. QCADesigner is used to evaluate the QCA circuit’s performance, area cost, latency, and reliability. The output is regarded as fail if the simulation produces unexpected outcomes. In this case, we must go over gate placement, the pins’ locations, routing, and layout verification. When layout simulation yields correct output, i.e., pass results, this indicates that the circuit design has been deemed completed successfully and is ready to proceed to the energy dissipation simulation.
To simulate the energy dissipation of the proposed physically and logically reversible QCA ALU design, the QCADesigner-E software (Version 1) application was utilized. QCADesigner-E incorporates a power dissipation extension treatment into the CVSE model of the QCADesigner design package and uses a quantum mechanical treatment of QCA cells, a rigorous microscopic approach. The CVSE is a transient analysis with a fixed timestep in which new values for the coherence vector components and the tunneling energy are calculated at each iteration step. To be specific, the evolution of the coherence vector λ is determined by solving the differential equations that represent the evolution of the quantum mechanical density matrix using an iterative fixed timestep approach [20]. The cell polarization is given by minus the z component coherence vector; the kink energy of a pair of cells is a constant value based on the electrostatic interaction of the charges of both cells. Each QCA circuit design requires a specific set of technological and simulation parameters (see Table 1), such as the time interval for each iteration (Tstep). In the present research, the used time interval (Tstep) was 0.1 τ = 0.1 fs, where τ denotes the relaxation time for the dissipation [20]. A small enough timestep is essential to reduce simulation errors and obtain accurate results. The simulation errors, when using this time step, are considered an acceptable numerical energy conservation violation if they are less than 5% [20]. Table 1 outlines all the technology and simulation parameters that were utilized in this study.
Dealing with wire junctions is one of the greatest challenges in the development of digital logic circuits. In the present research, the multilayer technique, proposed by Bajec and Pecar [34], is used to address the wire crossing issue for designing the logically and physically reversible QCA ALU. This method uses three distinct layers to solve the wire junction issue [35], as depicted in Figure 7. It is important to note that the multilayer approach produces more reliable circuits [36].

4. Proposed Logically and Physically Reversible QCA ALU Design

The ALU is a crucial component of the CPU. It can perform various logical and arithmetic operations on the data that enters the CPU. The ALU receives input data from registers, memory, or other sources and outputs the result to another register, memory, or device. The fully logically and physically reversible QCA ALU presented in this study is designed to be ultralow-energy efficient. It was developed using a variety of combinational logic circuits that are designed based on the fully reversible QCA majority gate proposed in Figure 5.
The development process began with the creation of a high-level block diagram. As illustrated in Figure 8, the architecture of the proposed reversible ALU consists of three major components: the logic unit (LU), the arithmetic unit (AU), and the control unit (CU). The LU performs logical operations on data, including AND, NAND, OR, NOR, XOR, XNOR, NOT, and transfer. The AU performs arithmetic operations such as addition, subtraction, multiplication, and division on binary numbers. The CU specifies the type of operation to be conducted, either arithmetic or logic, according to its input S0.
The reversible QCA ALU circuit receives two input operands, A and B, and then produces two output values, Output1 and Output2. By reversing Output1 to Output2, the reversible QCA ALU can perform two arithmetic or two logical operations simultaneously, giving a total of 16 operations, including eight logical and eight arithmetic operations, as shown in Table 2. Three select input pins, labeled S0, S1, and S3, are used to determine the operation function of the reversible QCA ALU and which operands to use.
Each block’s synthesis is carried out first and simulated with the objective of validating the circuits’ behavior. Figure 5a depicts the schematic of a fully reversible majority gate, which is used as the basic component for circuit synthesis development. Logical synthesis designs for AU, LU, and CU were developed. The design of logical synthesis includes defining and generating the netlist and input-output relationships of the circuits. At this point, simulation was performed using the Logisim software (Version 2.7.1) to validate the performance of each circuit synthesis. Note that in the reversible logic circuit synthesis diagrams, the outputs labeled “cp” are copies of the inputs, while those labeled “g” are garbage outputs.
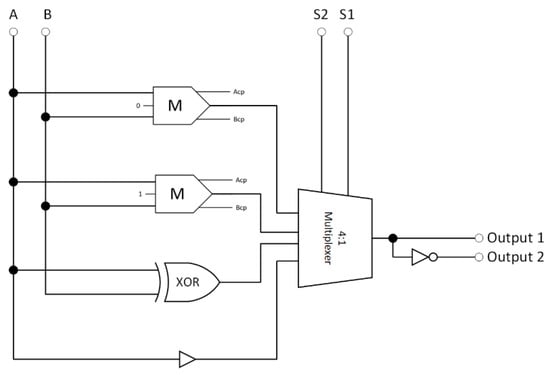
Figure 9 shows the proposed reversible LU. It consists of two reversible majority gates, an XOR gate, an inverter, a buffer, and a 4-to-1 multiplexer to perform eight logic operations.
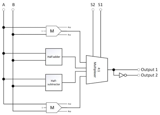
Figure 10 illustrates the proposed reversible AU, which consists of a half-adder, a half-subtractor, two reversible majority gates, an inverter, and a 4-to-1 multiplexer and can execute eight arithmetic operations.
Then, the internal components required for constructing the reversible LU and AU were developed. The circuits that compose the proposed reversible LU and AU are the reversible XOR, reversible half-adder, reversible half-subtractor, and 4:1 reversible multiplexer. Each circuit was meticulously designed, and its reliability was proven through simulation.
The synthesis form of the proposed reversible XOR circuit is depicted in Figure 11. This reversible XOR consists of two inverters and three reversible majority gates. Equation (1) denotes the standard Boolean expression as the output of the proposed reversible XOR logic circuit.
Output = A + B · A ¯ + B ¯ ,
Four reversible majority gates and two inverters make up the proposed reversible half-adder circuit, as shown in Figure 12. Equation (2) describes the Boolean expressions for this circuit:
Sum = A · B ¯ + A ¯ · B Carry = A · B ,
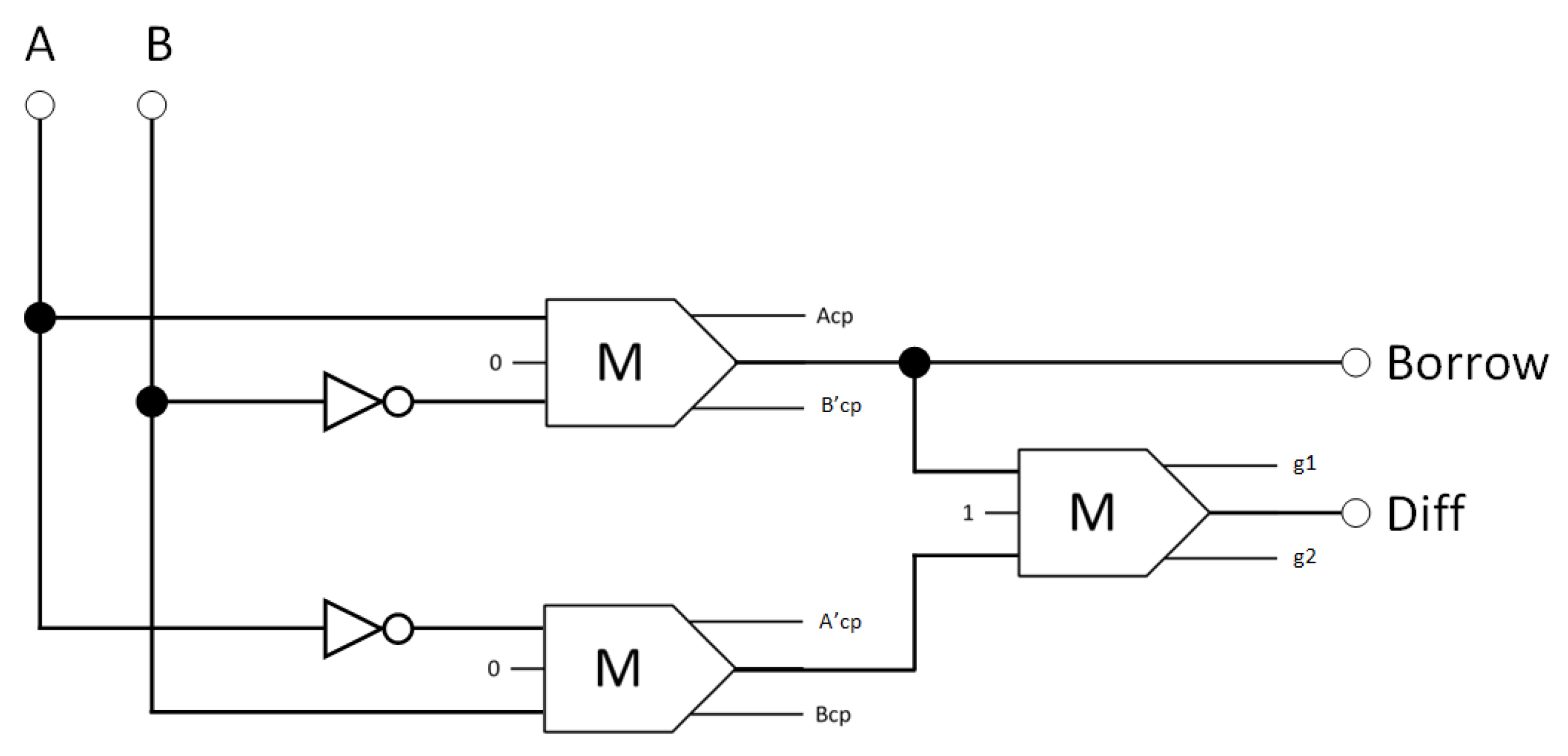
Figure 13 is an illustration of the suggested circuit for the reversible half-subtractor, consisting of two inverters and three reversible majority gates. Equation (3) defines the Boolean expression that describes the design output.
Diff = A ¯ · B + A · B ¯ Borrow = A ¯ · B ,
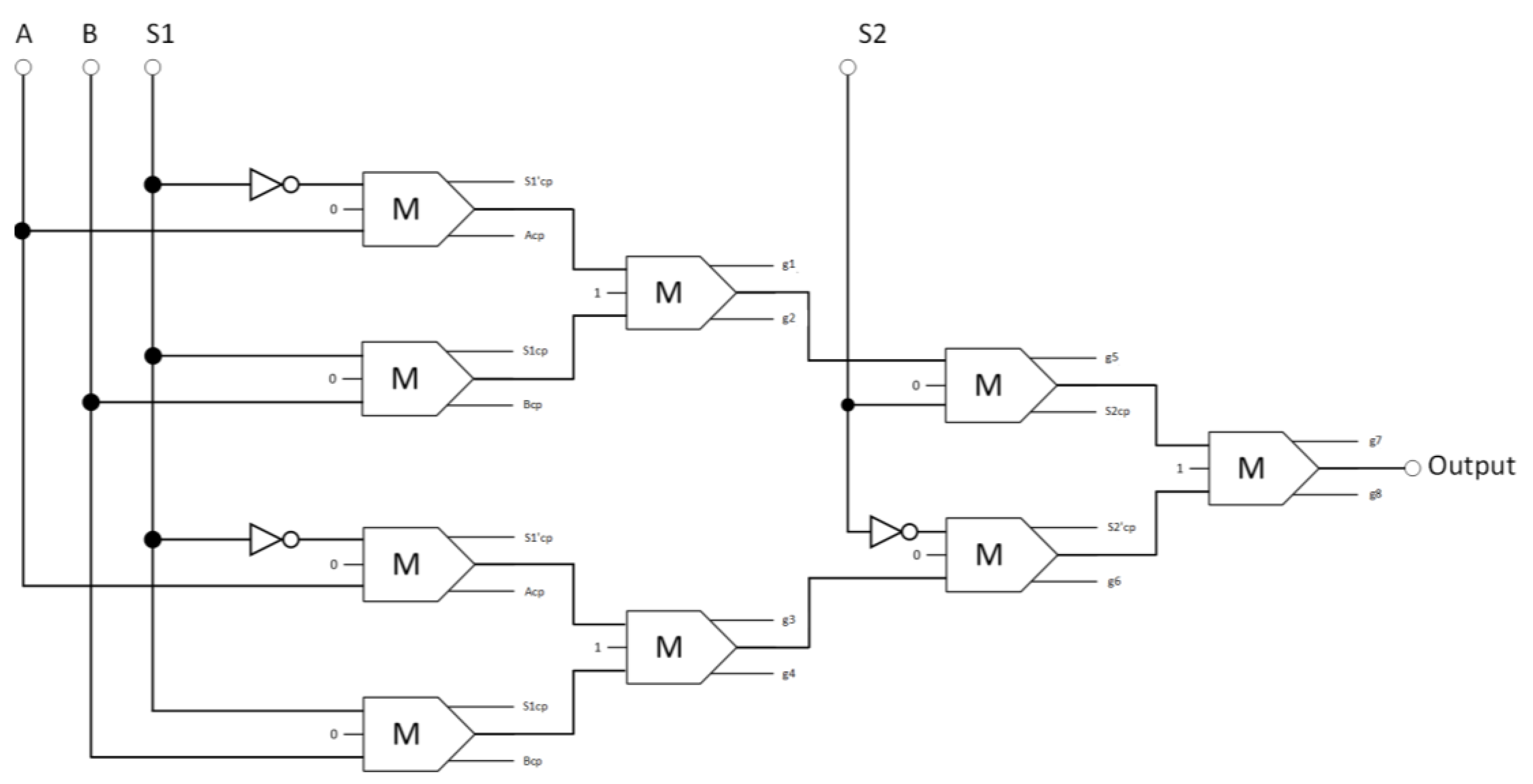
The proposed circuit for the reversible 4-to-1 multiplexer is depicted in Figure 14, comprised of three inverters and nine reversible majority gates. Equation (4) specifies the Boolean equation that defines the design’s output.
Output = S 1 ¯ · A + S 1 · B · S 2 + S 1 ¯ · A + S 1 · B · S 2 ¯ ,
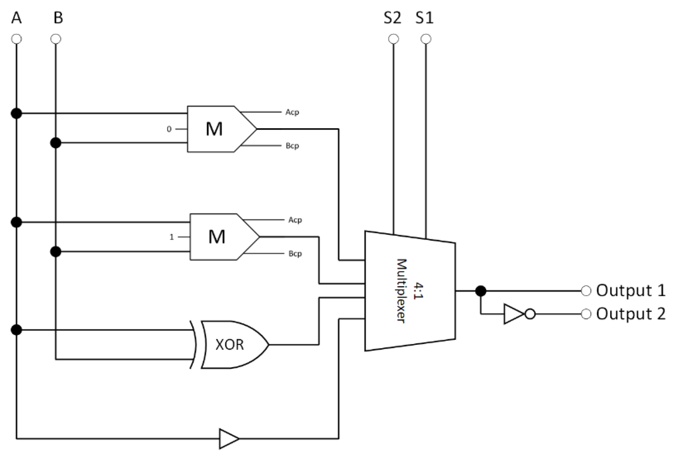
Next, the logical design of the CU was developed. As shown in Figure 15, a reversible 2-to-1 multiplexer functions as a CU for turning on either the AU or the LU to execute an arithmetic or logic operation, respectively. This reversible 2-to-1 multiplexer comprises three reversible majority gates and an inverter. Equation (5) is the Boolean expression for the proposed 2-to-1 multiplexer circuit output.
O u t p u t = A · S 0 ¯ + B · S 0 ,
The logical synthesis of the circuits was then transformed into a physical layout that could be fabricated on a semiconductor chip. The layout development process involves numerous steps, including partitioning, placement, and routing. By interconnecting a group of QCA cells, a QCA circuit layout has been developed. The layout of the logically and physically reversible QCA majority gate, depicted in Figure 6b, was the basic building block for generating the overall QCA circuit layout.
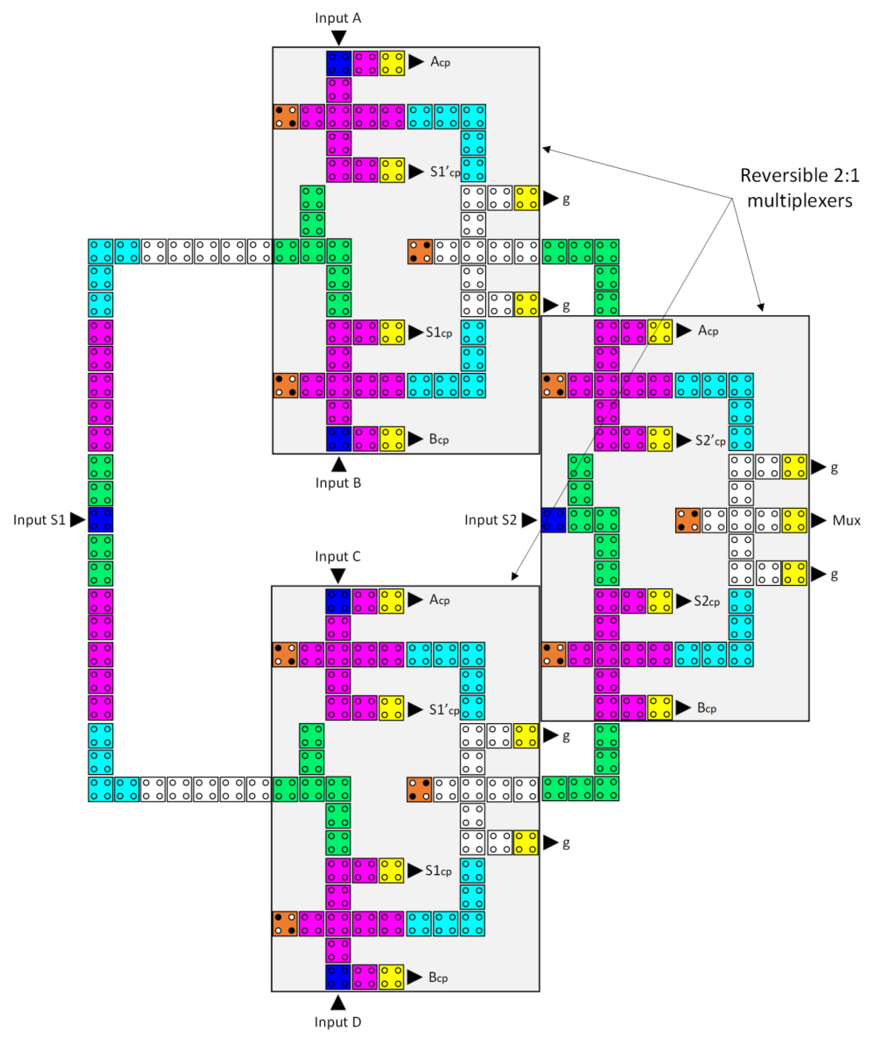
Initially, we created the layout configurations for the reversible XOR, reversible half-adder, reversible half-subtractor, reversible 2-to-1 multiplexer, and reversible 4-to-1 multiplexer circuits using the layout of the fully reversible majority gate, as illustrated in Figure 16, Figure 17, Figure 18, Figure 19 and Figure 20, respectively. Subsequently, the LU, AU, and CU that make up the multilayer reversible QCA ALU were built using these ingredient reversible QCA circuits. The LU, AU, and CU digital circuit blocks were then connected per Figure 8 to yield the proposed reversible QCA-ALU layout. As with the reversible logic circuit synthesis diagrams, the “cp” labels of the outputs in the reversible QCA circuit layout architectures indicate copies of the input information, and “g” labels mean “garbage” outputs.
As illustrated in Figure 16, the delay time of the proposed reversible QCA XOR gate is eight clock zones (two clock cycles), the occupied area is 0.15 µm2, and the number of QCA cells employed is 101.
Figure 17 shows that the proposed reversible QCA half-adder has 12 clock zones (three clock cycles) of delay, occupies 0.27 µm2 of area, and requires 156 QCA cells for implementation.
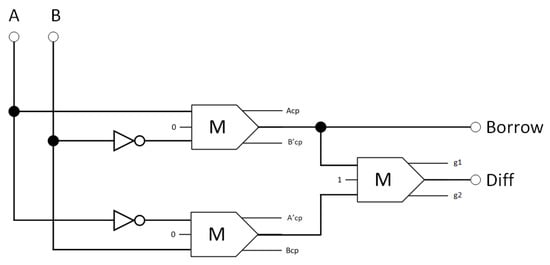
The reversible QCA half-subtractor latency is eight clock zones (two clock cycles), costs 0.15 µm2 of area, and its implementation requires 116 QCA cells, as depicted in Figure 18.
Figure 19 demonstrates that the reversible QCA 2-to-1 multiplexer has a delay of four clock zones, which is equivalent to one clock cycle. In addition, its implementation requires 56 QCA cells and 0.09 µm2 of area.
The circuit of a reversible QCA 4-to-1 multiplexer was built through the integration of three 2-to-1 multiplexers, as shown in Figure 20. This circuit uses 213 QCA cells, occupies 0.46 µm2 of area, and has a delay time of 12 clock zones (three clock cycles).
The proposed reversible QCA LU was created by combining three reversible QCA majority gates, a reversible QCA XOR, and a reversible QCA 4-to-1 multiplexer; see Figure 21. The latency of this reversible QCA LU is 14 clock zones (3.5 clock cycles), the area cost is 0.63 µm2, and the required QCA cells for implementation are 380.
Figure 22 depicts the integration of two reversible QCA majority gates, a reversible QCA half-adder, a reversible QCA half-subtractor, and a reversible QCA 4-to-1 multiplexer to create the proposed reversible QCA AU. The circuit implementation requires 463 QCA cells and 0.83 m2 of area, whereas the delay time is 14 clock zones, which equals 3.5 clock cycles.
For the development of reversible QCA CU, the reversible QCA 2-to-1 multiplexer, represented in Figure 19, was used. The CU is crucial for selecting the ALU function, i.e., either an arithmetic or logical operation.
Finally, by combining the layout configurations of the three components LU, AU, and CU, and putting in the required QCA wiring lines, the novel reversible QCA ALU was completed, as illustrated in Figure 23. The proposed reversible QCA ALU implementation requires 1153 QCA cells and costs 2.14 µm2 of area. The delay time of this ALU is 24 clock zones, which is equivalent to 6 clock cycles.

5. Energy Dissipation Simulation Results and Discussion

The most significant advantage of designing digital circuits to be logically and physically reversible is the improvement of energy efficiency. Therefore, a thorough investigation of the energy dissipation for the proposed logically and physically reversible QCA ALU was conducted in this study. The energy dissipation was calculated for each component of the proposed logically and physically reversible QCA ALU, including the reversible AND, OR, and XOR gates, as well as for the reversible half-adder, half-subtractor, 2-to-1 multiplexer, and 4-to-1 multiplexer circuits. In addition, the energy dissipation of the logically and physically reversible QCA LU, AU, and ALU was evaluated. The energy dissipation values were calculated using the QCADesigner-E simulation tool, and the results are summarized in Table 3. The simulation results demonstrate significant energy efficiency achieved when designing QCA circuits using the physically and logically reversible design technique.
At a temperature of 1 K, every component, including the reversible AND, OR, and XOR gates, as well as the reversible half-adder, half-subtractor, 2-to-1 multiplexer, and 4-to-1 multiplexer circuits, exhibited exceptional energy dissipation values below the Landauer energy limit of kBTln2. Moreover, the proposed designs for a logically and physically reversible QCA LU, AU, and ALU possess ultralow energy dissipation with averages of 0.397 meV, 0.405 meV, and 0.908 meV per operation, respectively.
In Table 4, we compare the energy efficiency, number of operations, occupied area, number of required QCA cells, and latency of our logically and physically reversible QCA ALU design to the most recent QCA ALU designs presented in the literature. Additionally, this table presents the method used to deal with wire junctions, as well as the reversibility status of each design. The logically and physically reversible QCA ALU design proposed in this study requires 1153 QCA cells, 2.14 µm2 of area, and six clock cycles of delay to execute 16 operations. Using three distinct layers, the multilayer crossover method was utilized for wire crossing.
According to the simulation results presented in Table 4, our proposed logically and physically reversible QCA ALU shows a significant reduction in energy dissipation compared with previous QCA ALU designs. Figure 24 shows that the proposed QCA ALU consumes 88.8% less energy than the most energy-efficient QCA ALU design proposed previously [37].
Figure 25 and Figure 26 demonstrate the number of operations, delay time, occupied area, and required QCA cells for the novel logically and physically reversible QCA ALU design and the existing designs. Although many previous designs utilized fewer QCA cells and shorter delay times [14,16,32,37,38,41,42,43,44], and some others occupied less area [16,32,37,41,42,43,44] than the proposed ALU, these ALUs performed fewer operations. These previous ALUs can perform either 12 operations [42], 10 operations [38], eight operations [14,37], or just four operations [16,32,41,43,44].
Thus, for a more fair comparison, we compared our proposed ALU, which can perform 16 operations, with QCA ALU designs that can perform a similar number of operations [13,39,40], as presented in Figure 27 and Figure 28. This comparison demonstrates that the logically and physically reversible design proposed in this study requires 51% fewer QCA cells, 47% less area, and a comparable latency compared to the best QCA ALU design previously presented that can perform 16 operations [40].

6. Conclusions

The present work introduces a brand-new multilayer design of a logically and physically reversible QCA ALU with exceptionally low energy dissipation values, two orders of magnitude lower than other designs in scientific literature. The fact that reversibility is maintained down to the layout level, which is the physical representation of the circuit, is the major advantage of this design. Theoretically, this means no information is being lost, and consequently, the amount of energy dissipated into the environment is zero. In this research, we developed a building block majority gate that is both logically and physically reversible to create all components of a QCA ALU with very low power consumption. The multilayer crossover method was used to prevent wire crosstalk. The USE clocking scheme was used to synchronize the data flow accurately and guarantee the correct operation of the ALU. The reversible QCA ALU presented here can perform sixteen distinct operations, half of which are logical and the other half arithmetic. The simulation of performance and the evaluation of energy dissipation were carried out using the QCADesigner-E program. To implement 16 operations, the logically and physically reversible QCA ALU design presented in this study employs 1153 QCA cells, uses an area of 2.14 m2, and has a delay of 6 clock cycles.
The simulation results confirm that the concept of logically and physically reversible design can lead to circuits that lose almost no energy during operation. Each logically and physically reversible gate/circuit that was used to build up the proposed ALU, such as the reversible AND, OR, and XOR gates and the reversible half-adder, half-subtractor, 2-to-1 multiplexer, and 4-to-1 multiplexer circuits, had energy dissipation values below the Landauer energy limit of kBTln2. Additionally, the findings from the simulation demonstrated that the proposed logically and physically reversible QCA ALU showed an improvement in energy efficiency by 88.8% compared with the recent design of M. Patidar et al. J. Supercomput. 2023 [37]. In addition, when compared to the most efficient 16-operation QCA ALU designs that were previously presented, this ALU design utilizes 51% fewer QCA cells and 47% less area than the other designs.
In the future, the current proposed logically and physically reversible QCA ALU design can be extended to handle more operations. In addition, it can be expanded to the situation of ultra-energy-efficient multiple-bit ALU circuits. There is exciting recent experimental work where the QCA quantum dot building blocks consist of silicon dangling bonds on a Hydrogen terminated silicon surface [45,46]. Artificial molecules can be precisely assembled from these quantum dots and can be placed on the surface to act as QCA-based digital logic circuit elements, whose operation has been verified experimentally. The overarching aim of the present simulation work is to inform these state-of-the-art sophisticated nanoscience experiments to push the area of QCA forward.

Author Contributions

M.A., G.E. and R.S. contributed to the study’s conception and design. Circuit design, simulation, and analysis were carried out by M.A. and examined by M.A., G.E. and R.S. The first draft of the manuscript was written by M.A., then M.A., G.E. and R.S. revised the manuscript. All authors have read and agreed to the published version of the manuscript.

Funding

This research received no external funding.

Data Availability Statement

Not applicable.

Conflicts of Interest

The authors declare no conflict of interest.

References

  1. Hänninen, I.; Takala, J. Binary adders on quantum-dot cellular automata. J. Signal Process. Syst. 2010, 58, 87–103. [Google Scholar] [CrossRef]
  2. Sen, B.; Sengupta, A.; Dalui, M.; Sikdar, B.K. Design of Testable Universal Logic Gate Targeting Minimum Wire-Crossings in QCA Logic Circuit. In Proceedings of the 2010 13th Euromicro Conference on Digital System Design: Architectures, Methods and Tools, Lille, France, 1–3 September 2010; pp. 613–620. [Google Scholar]
  3. Landauer, R. Irreversibility and heat generation in the computing process. IBM J. Res. Dev. 1961, 5, 183–191. [Google Scholar] [CrossRef]
  4. Gershenfeld, N. Signal entropy and the thermodynamics of computation. IBM Syst. J. 1996, 35, 577–586. [Google Scholar] [CrossRef]
  5. Frank, M.P. Throwing computing into reverse. IEEE Spectr. 2017, 54, 32–37. [Google Scholar] [CrossRef][Green Version]
  6. Bennett, C.H. Logical reversibility of computation. IBM J. Res. Dev. 1973, 17, 525–532. [Google Scholar] [CrossRef]
  7. DeBenedictis, E.P.; Frank, M.P.; Ganesh, N.; Anderson, N.G. A path toward ultra-low-energy computing. In Proceedings of the 2016 IEEE International Conference on Rebooting Computing (ICRC), San Diego, CA, USA, 17–19 October 2016; pp. 1–8. [Google Scholar]
  8. Lent, C.S.; Tougaw, P.D.; Porod, W.; Bernstein, G.H. Quantum cellular automata. Nanotechnology 1993, 4, 49. [Google Scholar] [CrossRef]
  9. Lent, C.S.; Tougaw, P.D. A device architecture for computing with quantum dots. Proc. IEEE 1997, 85, 541–557. [Google Scholar] [CrossRef]
  10. Lent, C.S.; Tougaw, P.D. Lines of interacting quantum-dot cells: A binary wire. J. Appl. Phys. 1993, 74, 6227–6233. [Google Scholar] [CrossRef]
  11. Niemier, M.T.; Rodrigues, A.F.; Kogge, P.M. A potentially implementable FPGA for quantum dot cellular automata. In Proceedings of the 1st Workshop on Non-silicon Computation, Boston, MA, USA, 3 February 2002; pp. 38–45. [Google Scholar]
  12. Vankamamidi, V.; Ottavi, M.; Lombardi, F. A Serial Memory by Quantum-Dot Cellular Automata (QCA). IEEE Trans. Comput. 2008, 57, 606–618. [Google Scholar] [CrossRef]
  13. Sen, B.; Dutta, M.; Goswami, M.; Sikdar, B.K. Modular design of testable reversible ALU by QCA multiplexer with increase in programmability. Microelectron. J. 2014, 45, 1522–1532. [Google Scholar] [CrossRef]
  14. Chaves, J.F.; Silva, D.S.; Camargos, V.V.; Neto, O.P.V. Towards reversible QCA computers: Reversible gates and ALU. In Proceedings of the 2015 IEEE 6th Latin American Symposium on Circuits & Systems (LASCAS), Montevideo, Uruguay, 24–27 February 2015; pp. 1–4. [Google Scholar]
  15. Naghibzadeh, A.; Houshmand, M. Design and simulation of a reversible ALU by using QCA cells with the aim of improving evaluation parameters. J. Comput. Electron. 2017, 16, 883–895. [Google Scholar] [CrossRef]
  16. Oskouei, S.M.; Ghaffari, A. Designing a new reversible ALU by QCA for reducing occupation area. J. Supercomput. 2019, 75, 5118–5144. [Google Scholar] [CrossRef]
  17. Norouzi, M.; Heikalabad, S.R.; Salimzadeh, F. A reversible ALU using HNG and Ferdkin gates in QCA nanotechnology. Int. J. Circuit Theory Appl. 2020, 48, 1291–1303. [Google Scholar] [CrossRef]
  18. Safaiezadeh, B.; Mahdipour, E.; Haghparast, M.; Sayedsalehi, S.; Hosseinzadeh, M. Novel design and simulation of reversible ALU in quantum dot cellular automata. J. Supercomput. 2022, 78, 868–882. [Google Scholar] [CrossRef]
  19. Torres, F.S.; Niemann, P.; Wille, R.; Drechsler, R. Near zero-energy computation using quantum-dot cellular automata. J. Emerg. Technol. Comput. Syst. 2019, 16, 11. [Google Scholar] [CrossRef]
  20. Torres, F.S.; Wille, R.; Niemann, P.; Drechsler, R. An energy-aware model for the logic synthesis of quantum-dot cellular automata. IEEE Trans. Comput. Aided Des. Integr. Circuits Syst. 2018, 37, 3031–3041. [Google Scholar] [CrossRef]
  21. Alharbi, M.; Edwards, G.; Stocker, R. Novel ultra-energy-efficient reversible designs of sequential logic quantum-dot cellular automata flip-flop circuits. J. Supercomput. 2023, 79, 11530–11557. [Google Scholar] [CrossRef]
  22. Edwards, G.; Alharbi, M.; Stocker, R. Design and simulation of reversible time-synchronized quantum-dot cellular automata combinational logic circuits with ultralow energy dissipation. Int. Trans. J. Eng. Manag. Appl. Sci. Technol. 2022, 13, 1–22. [Google Scholar] [CrossRef]
  23. Hennessy, K.; Lent, C.S. Clocking of molecular quantum-dot cellular automata. J. Vac. Sci. Technol. B Microelectron. Nanom. Struct. Process. Meas. Phenom. 2001, 19, 1752–1755. [Google Scholar] [CrossRef]
  24. Campos, C.A.T.; Marciano, A.L.; Neto, O.P.V.; Torres, F.S. USE: A universal, scalable, and efficient clocking scheme for QCA. IEEE Trans. Comput.-Aided Des. Integr. Circuits Syst. 2016, 35, 513–517. [Google Scholar] [CrossRef]
  25. Vankamamidi, V.; Ottavi, M.; Lombardi, F. Two-dimensional schemes for clocking/timing of QCA circuits. IEEE Trans. Comput. Aided Des. Integr. Circuits Syst. 2008, 27, 34–44. [Google Scholar] [CrossRef]
  26. Messerschmitt, D.G. Synchronization in digital system design. IEEE J. Sel. Areas Commun. 1990, 8, 1404–1419. [Google Scholar] [CrossRef]
  27. Huang, J.; Momenzadeh, M.; Lombardi, F. Design of sequential circuits by quantum-dot cellular automata. Microelectron. J. 2007, 38, 525–537. [Google Scholar] [CrossRef]
  28. Lim, L.A.; Ghazali, A.; Yan, S.C.T.; Fat, C.C. Sequential circuit design using quantum-dot cellular automata (QCA). In Proceedings of the 2012 IEEE International Conference on Circuits and Systems (ICCAS), Kuala Lumpur, Malaysia, 3–4 October 2012; pp. 162–167. [Google Scholar]
  29. Torres, F.S.; Silva, P.A.; Fontes, G.; Nacif, J.A.; Santos Ferreira, R.; Neto, O.P.V.; Chaves, J.; Drechsler, R. Exploration of the synchronization constraint in quantum-dot cellular automata. In Proceedings of the 2018 21st Euromicro Conference on Digital System Design (DSD), Prague, Czech Republic, 29–31 August 2018; pp. 642–648. [Google Scholar]
  30. Khosroshahy, M.B.; Abdoli, A.; Rahmani, A.M. Design and power analysis of an ultra-high speed fault-tolerant full-adder cell in quantum-dot cellular automata. Int. J. Theor. Phys. 2022, 61, 23. [Google Scholar] [CrossRef]
  31. Srivastava, S.; Sarkar, S.; Bhanja, S. Estimation of upper bound of power dissipation in QCA circuits. IEEE Trans. Nanotechnol. 2009, 8, 116–127. [Google Scholar] [CrossRef]
  32. Pandiammal, K.; Meganathan, D. Design of 8 bit reconfigurable ALU using quantum dot cellular automata. In Proceedings of the 2018 IEEE 13th Nanotechnology Materials and Devices Conference (NMDC), Portland, OR, USA, 14–17 October 2018; pp. 1–4. [Google Scholar]
  33. Walus, K.; Jullien, G.A. Design tools for an emerging soc technology: Quantum-dot cellular automata. Proc. IEEE 2006, 94, 1225–1244. [Google Scholar] [CrossRef]
  34. Bajec, I.L.; Pečar, P. Two-layer synchronized ternary quantum-dot cellular automata wire crossings. Nanoscale Res. Lett. 2012, 7, 221. [Google Scholar] [CrossRef]
  35. Walus, K.; Schulhof, G.; Jullien, G.A. High level exploration of quantum-dot cellular automata (QCA). In Proceedings of the Conference Record of the Thirty-Eighth Asilomar Conference on Signals, Systems and Computers, Pacific Grove, CA, USA, 7–10 November 2004; Volume 31, pp. 30–33. [Google Scholar]
  36. Schulhof, G.; Walus, K.; Jullien, G.A. Simulation of random cell displacements in QCA. J. Emerg. Technol. Comput. Syst. 2007, 3, 2-es. [Google Scholar] [CrossRef]
  37. Patidar, M.; Singh, U.; Shukla, S.K.; Prajapati, G.K.; Gupta, N. An ultra-area-efficient ALU design in QCA technology using synchronized clock zone scheme. J. Supercomput. 2023, 79, 8265–8294. [Google Scholar] [CrossRef]
  38. Goswami, M.; Sen, B.; Mukherjee, R.; Sikdar, B.K. Design of testable adder in quantum-dot cellular automata with fault secure logic. Microelectron. J. 2017, 60, 1–12. [Google Scholar] [CrossRef]
  39. Teja, V.C.; Polisetti, S.; Kasavajjala, S. QCA based multiplexing of 16 arithmetic & logical subsystems-a paradigm for nano computing. In Proceedings of the 2008 3rd IEEE International Conference on Nano/Micro Engineered and Molecular Systems, Sanya, China, 6–9 January 2008; pp. 758–763. [Google Scholar]
  40. Sen, B.; Dutta, M.; Singh, D.K.; Saran, D.; Sikdar, B.K. QCA multiplexer based design of reversible ALU. In Proceedings of the 2012 IEEE International Conference on Circuits and Systems (ICCAS), Kuala Lumpur, Malaysia, 3–4 October 2012; pp. 168–173. [Google Scholar]
  41. Waje, M.G.; Dakhole, P. Design and implementation of 4-bit arithmetic logic unit using Quantum Dot Cellular Automata. In Proceedings of the 2013 3rd IEEE international advance computing conference (IACC), Ghaziabad, India, 22–23 February 2013; pp. 1022–1029. [Google Scholar]
  42. Ghosh, B.; Kumar, A.; Salimath, A.K. A simple arithmetic logic unit (12 ALU) design using quantum dot cellular automata. Adv. Sci. Focus 2013, 1, 279–284. [Google Scholar] [CrossRef]
  43. Rahimpour Gadim, M.; Jafari Navimipour, N. A new three-level fault tolerance arithmetic and logic unit based on quantum dot cellular automata. Microsyst. Technol. 2018, 24, 1295–1305. [Google Scholar] [CrossRef]
  44. Ahmadpour, S.S.; Mosleh, M.; Heikalabad, S.R. An efficient fault-tolerant arithmetic logic unit using a novel fault-tolerant 5-input majority gate in quantum-dot cellular automata. Comput. Electr. Eng. 2020, 82, 106548. [Google Scholar] [CrossRef]
  45. Rashidi, M.; Croshaw, J.; Mastel, K.; Tamura, M.; Hosseinzadeh, H.; Wolkow, R.A. Deep learning-guided surface characterization for autonomous hydrogen lithography. Mach. Learn. Sci. Technol. 2020, 1, 025001. [Google Scholar] [CrossRef]
  46. Huff, T.; Labidi, H.; Rashidi, M.; Livadaru, L.; Dienel, T.; Achal, R.; Vine, W.; Pitters, J.; Wolkow, R.A. Binary atomic silicon logic. Nat. Electron. 2018, 1, 636–643. [Google Scholar] [CrossRef]
Figure 1. QCA cell polarization.
Figure 1. QCA cell polarization.
Nanomaterials 13 02445 g001
Figure 2. Adiabatic pipelining phases (the arrows are used to illustrate the change in polarization state of the QCA cell during the four stages of the clock cycle).
Figure 2. Adiabatic pipelining phases (the arrows are used to illustrate the change in polarization state of the QCA cell during the four stages of the clock cycle).
Nanomaterials 13 02445 g002
Figure 3. The USE timing mechanism (the squares are used to represent time zones, and the arrows are used to represent data flow).
Figure 3. The USE timing mechanism (the squares are used to represent time zones, and the arrows are used to represent data flow).
Nanomaterials 13 02445 g003
Figure 4. (a) Logical synthesis of the standard irreversible majority gate, (b) physical layout of the standard irreversible QCA majority gate.
Figure 4. (a) Logical synthesis of the standard irreversible majority gate, (b) physical layout of the standard irreversible QCA majority gate.
Nanomaterials 13 02445 g004
Figure 5. (a) Logical synthesis of the reversible majority gate, (b) physical layout of the reversible QCA majority gate.
Figure 5. (a) Logical synthesis of the reversible majority gate, (b) physical layout of the reversible QCA majority gate.
Nanomaterials 13 02445 g005
Figure 6. The methodology of designing logically and physically reversible QCA circuits.
Figure 6. The methodology of designing logically and physically reversible QCA circuits.
Nanomaterials 13 02445 g006
Figure 7. Multilayer crossover method (the black and grey colorings of the two lines represent the two distinct wires that are crossing).
Figure 7. Multilayer crossover method (the black and grey colorings of the two lines represent the two distinct wires that are crossing).
Nanomaterials 13 02445 g007
Figure 8. The High-level block diagram of the proposed reversible QCA ALU.
Figure 8. The High-level block diagram of the proposed reversible QCA ALU.
Nanomaterials 13 02445 g008
Figure 9. The synthesis of the proposed reversible LU (Acp and Bcp refer to copies of the inputs).
Figure 9. The synthesis of the proposed reversible LU (Acp and Bcp refer to copies of the inputs).
Nanomaterials 13 02445 g009
Figure 10. The synthesis of the proposed reversible AU (Acp and Bcp refer to copies of the inputs).
Figure 10. The synthesis of the proposed reversible AU (Acp and Bcp refer to copies of the inputs).
Nanomaterials 13 02445 g010
Figure 11. The synthesis of the proposed reversible XOR (Acp, Bcp, A′cp, and B′cp refer to copies of the input data, whereas g1 and g2 indicate the garbage outputs).
Figure 11. The synthesis of the proposed reversible XOR (Acp, Bcp, A′cp, and B′cp refer to copies of the input data, whereas g1 and g2 indicate the garbage outputs).
Nanomaterials 13 02445 g011
Figure 12. The synthesis of the proposed reversible half-adder (Acp, Bcp, A′cp, and B′cp refer to copies of the input data, whereas g1 and g2 indicate the garbage outputs).
Figure 12. The synthesis of the proposed reversible half-adder (Acp, Bcp, A′cp, and B′cp refer to copies of the input data, whereas g1 and g2 indicate the garbage outputs).
Nanomaterials 13 02445 g012
Figure 13. The synthesis of the proposed reversible half-subtractor (Acp, Bcp, A′cp, and B′cp refer to copies of the input data, whereas g1 and g2 indicate the garbage outputs).
Figure 13. The synthesis of the proposed reversible half-subtractor (Acp, Bcp, A′cp, and B′cp refer to copies of the input data, whereas g1 and g2 indicate the garbage outputs).
Nanomaterials 13 02445 g013
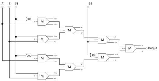
Figure 14. The synthesis of the proposed reversible 4:1 multiplexer (Acp, Bcp, S1cp, S2cp, S1′cp, and S2′cp refer to copies of the input data, whereas g1 and g2 indicate the garbage outputs).
Figure 14. The synthesis of the proposed reversible 4:1 multiplexer (Acp, Bcp, S1cp, S2cp, S1′cp, and S2′cp refer to copies of the input data, whereas g1 and g2 indicate the garbage outputs).
Nanomaterials 13 02445 g014
Figure 15. The synthesis of the proposed reversible 2:1 multiplexer (Acp, Bcp, S0cp, and S0′cp refer to copies of the input data, whereas g1 and g2 indicate the garbage outputs).
Figure 15. The synthesis of the proposed reversible 2:1 multiplexer (Acp, Bcp, S0cp, and S0′cp refer to copies of the input data, whereas g1 and g2 indicate the garbage outputs).
Nanomaterials 13 02445 g015
Figure 16. The layout of the proposed reversible QCA XOR (Acp and Bcp refer to copies of the input data, whereas g1 and g2 indicate the garbage outputs).
Figure 16. The layout of the proposed reversible QCA XOR (Acp and Bcp refer to copies of the input data, whereas g1 and g2 indicate the garbage outputs).
Nanomaterials 13 02445 g016
Figure 17. The layout of the proposed reversible QCA half-adder (Acp and Bcp refer to copies of the input data, whereas g1 and g2 indicate the garbage outputs).
Figure 17. The layout of the proposed reversible QCA half-adder (Acp and Bcp refer to copies of the input data, whereas g1 and g2 indicate the garbage outputs).
Nanomaterials 13 02445 g017
Figure 18. The layout of the proposed reversible QCA half-subtrator (Acp and Bcp refer to copies of the input data, whereas g1 and g2 indicate the garbage outputs).
Figure 18. The layout of the proposed reversible QCA half-subtrator (Acp and Bcp refer to copies of the input data, whereas g1 and g2 indicate the garbage outputs).
Nanomaterials 13 02445 g018
Figure 19. The layout of the proposed reversible QCA 2-to-1 multiplexer (Acp, Bcp, Scp, and S’cp refer to copies of the input data, whereas g1 and g2 indicate the garbage outputs).
Figure 19. The layout of the proposed reversible QCA 2-to-1 multiplexer (Acp, Bcp, Scp, and S’cp refer to copies of the input data, whereas g1 and g2 indicate the garbage outputs).
Nanomaterials 13 02445 g019
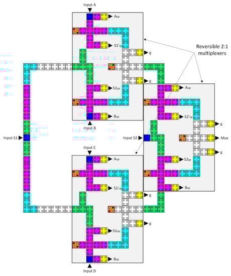
Figure 20. The layout of the proposed reversible QCA 4-to-1 multiplexer (Acp, Bcp, Ccp, Dcp, S1cp, S1′cp, S2cp, and S2′cp refer to copies of the input data, whereas g variables indicate the garbage outputs).
Figure 20. The layout of the proposed reversible QCA 4-to-1 multiplexer (Acp, Bcp, Ccp, Dcp, S1cp, S1′cp, S2cp, and S2′cp refer to copies of the input data, whereas g variables indicate the garbage outputs).
Nanomaterials 13 02445 g020
Figure 21. The layout of the proposed reversible QCA LU (S1cp, S1′cp, S2cp, and S2′cp refer to copies of the input data, whereas g variables indicate the garbage outputs).
Figure 21. The layout of the proposed reversible QCA LU (S1cp, S1′cp, S2cp, and S2′cp refer to copies of the input data, whereas g variables indicate the garbage outputs).
Nanomaterials 13 02445 g021
Figure 22. The layout of the proposed reversible QCA AU (Acp, Bcp, S1cp, S1′cp, S2cp, and S2′cp refer to copies of the input data, whereas g variables indicate the garbage outputs).
Figure 22. The layout of the proposed reversible QCA AU (Acp, Bcp, S1cp, S1′cp, S2cp, and S2′cp refer to copies of the input data, whereas g variables indicate the garbage outputs).
Nanomaterials 13 02445 g022
Figure 23. The layout of the proposed reversible QCA ALU (Acp, Bcp, Ccp, Dcp, S1cp, S1′cp, S1cp, S1′cp, S2cp, and S2′cp refer to copies of the input data, whereas g variables indicate the garbage outputs).
Figure 23. The layout of the proposed reversible QCA ALU (Acp, Bcp, Ccp, Dcp, S1cp, S1′cp, S1cp, S1′cp, S2cp, and S2′cp refer to copies of the input data, whereas g variables indicate the garbage outputs).
Nanomaterials 13 02445 g023
Figure 24. Energy dissipation comparison of QCA ALU designs [32,37,38].
Figure 24. Energy dissipation comparison of QCA ALU designs [32,37,38].
Nanomaterials 13 02445 g024
Figure 25. Number of operations and delay time of the QCA ALU designs [13,14,16,32,37,38,39,40,41,42,43,44].
Figure 25. Number of operations and delay time of the QCA ALU designs [13,14,16,32,37,38,39,40,41,42,43,44].
Nanomaterials 13 02445 g025
Figure 26. QCA cells and occupied areas were utilized to design the QCA ALUs [13,14,16,32,37,38,39,40,41,42,43,44].
Figure 26. QCA cells and occupied areas were utilized to design the QCA ALUs [13,14,16,32,37,38,39,40,41,42,43,44].
Nanomaterials 13 02445 g026
Figure 27. Number of operations and delay time of the QCA ALU designs that perform 16 operations [13,39,40].
Figure 27. Number of operations and delay time of the QCA ALU designs that perform 16 operations [13,39,40].
Nanomaterials 13 02445 g027
Figure 28. QCA cells and occupied areas are utilized to design the QCA ALUs that can perform 16 operations [13,39,40].
Figure 28. QCA cells and occupied areas are utilized to design the QCA ALUs that can perform 16 operations [13,39,40].
Nanomaterials 13 02445 g028
Table 1. The employed technology and simulation parameters.
Table 1. The employed technology and simulation parameters.
ParameterDescriptionValue
QD sizeQuantum-dot size5 nm
Cell areaDimensions of each cell18 × 18 nm
Cell distanceDistance between two cells2 nm
Layer separationDistance between QCA layers in multilayer crossing11.5 nm
Clock highMax. saturation energy of clock signal9.8 × 10−22 J
Clock lowMin. saturation energy of clock signal3.8× 10−23 J
Relative permittivityRelative permittivity of material for QCA system (GaAs & AlGaAs)12.9
Radius of effectMaximum distance between cells whose interaction is considered80 nm
TempOperating temperature1 K
τRelaxation time1 × 10−15 s
TγPeriod of the clock signal1 × 10−9 s
TinPeriod of the input signals1 × 10−9 s
TstepTime interval of each iteration step1 × 10−16 s
TsimTotal simulation time8 × 10−9 s
γshapeShape of clock signal slopesGAUSSIAN
γslopeRise and fall time of the clock signal slopes1 × 10−10 s
Table 2. The operations of the proposed reversible QCA ALU.
Table 2. The operations of the proposed reversible QCA ALU.
Operation TypeControl InputsOutput 1Output 2
(Inversion of Output 1)
S0S1S2
Logic operations (LU)000ANDNAND
001ORNOR
010BufferNOT (Inverter)
011XORXNOR
Arithmetic operations (AU)100A + B1′Complement (A + B)′
101CoutA.B
110A′·B(A′B)′
111A − B(A − B)′
Table 3. The energy dissipation analysis of the proposed reversible QCA ALU. Note that the average energy dissipation denotes the mean energy value averaged over the various input signal combinations.
Table 3. The energy dissipation analysis of the proposed reversible QCA ALU. Note that the average energy dissipation denotes the mean energy value averaged over the various input signal combinations.
Logically and Physically Reversible QCA ALU Build-Up CircuitsTotal Energy
Dissipation (meV)
Average Energy
Dissipation (meV)
Reversible AND0.0090.002
Reversible OR0.0090.002
Reversible XOR0.0540.014
Reversible half-adder0.0990.025
Reversible half-subtractor0.0630.016
Reversible 4:1 multiplexer0.5250.057
Reversible CU (Reversible 2:1 multiplexer)0.1120.014
Reversible LU2.280.397
Reversible AU2.840.405
Reversible ALU6.540.908
Table 4. Comparison of performance and energy dissipation. Note that there are only three references [32,37,38] that calculate the energy dissipation for the QCA ALU.
Table 4. Comparison of performance and energy dissipation. Note that there are only three references [32,37,38] that calculate the energy dissipation for the QCA ALU.
ReferenceOperationsQCA CellsArea (nm2)Delay (Clock Cycles)Wire CrossingTotal Energy Dissipation (meV)Average Energy Dissipation (meV)Reversibility
[13]16285744406CoplanarNGNGLogically
[14]8109737403.75MultilayerNGNGLogically
[16]43323803MultilayerNGNGLogically
[32]44527402.5Coplanar819.2279.95Irreversible
[39]1635,59611,3709CoplanarNGNGIrreversible
[40]16237040106CoplanarNGNGLogically
[41]44208503MultilayerNGNGIrreversible
[42]124857905MultilayerNGNGIrreversible
[43]44647804MultilayerNGNGIrreversible
[44]4101018604.25CoplanarNGNGIrreversible
[37]82312803Multilayer89.408.12Irreversible
[38]10106923403Coplanar907.0193.01Logically
Proposed16115321406Multilayer6.540.908Logically & physically
Disclaimer/Publisher’s Note: The statements, opinions and data contained in all publications are solely those of the individual author(s) and contributor(s) and not of MDPI and/or the editor(s). MDPI and/or the editor(s) disclaim responsibility for any injury to people or property resulting from any ideas, methods, instructions or products referred to in the content.

Share and Cite

MDPI and ACS Style

Alharbi, M.; Edwards, G.; Stocker, R. Reversible Quantum-Dot Cellular Automata-Based Arithmetic Logic Unit. Nanomaterials 2023, 13, 2445. https://doi.org/10.3390/nano13172445

AMA Style

Alharbi M, Edwards G, Stocker R. Reversible Quantum-Dot Cellular Automata-Based Arithmetic Logic Unit. Nanomaterials. 2023; 13(17):2445. https://doi.org/10.3390/nano13172445

Chicago/Turabian Style

Alharbi, Mohammed, Gerard Edwards, and Richard Stocker. 2023. "Reversible Quantum-Dot Cellular Automata-Based Arithmetic Logic Unit" Nanomaterials 13, no. 17: 2445. https://doi.org/10.3390/nano13172445

APA Style

Alharbi, M., Edwards, G., & Stocker, R. (2023). Reversible Quantum-Dot Cellular Automata-Based Arithmetic Logic Unit. Nanomaterials, 13(17), 2445. https://doi.org/10.3390/nano13172445

Note that from the first issue of 2016, this journal uses article numbers instead of page numbers. See further details here.

Article Metrics

Back to TopTop