Fault Detection Based on Kernel Global Local Preserving Projection
Abstract
1. Introduction
2. KGLPP Algorithm
2.1. Principle of the KGLPP Algorithm
2.2. Process Model
2.3. Monitoring Indicators
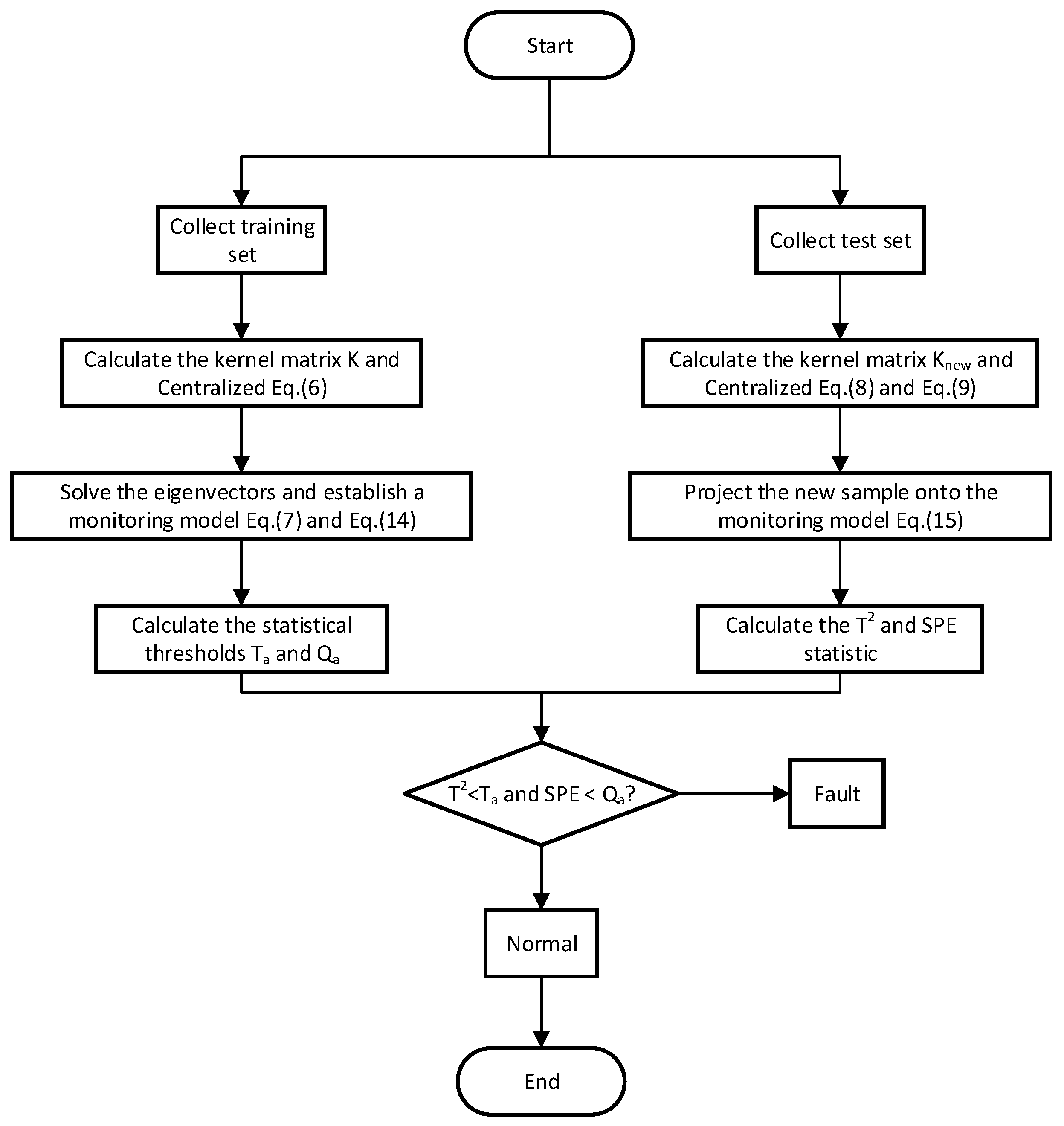
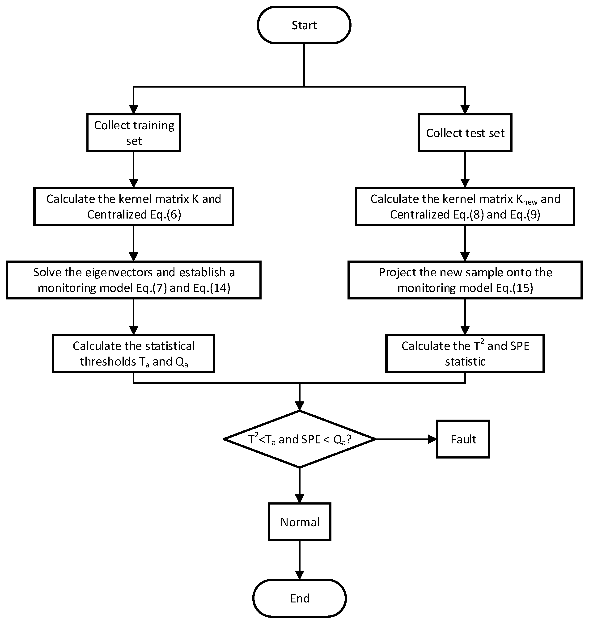
2.4. Fault Detectiocentrn Steps
- Historical data of the industrial system under normal conditions are collected to form the training set;
- An appropriate kernel function is selected and centralized using Equation (6);
- The generalized eigenvalues are solved using Equation (7) and then used to establish a monitoring model;
- The statistical thresholds and for the system under normal operating conditions are determined.
- Test samples are obtained and preprocessed;
- The kernel matrix is calculated and centralized using Equation (9);
- New samples are projected onto the monitoring model by using Equation (15);
- T2 and SPE values of the test samples are computed;
- Determine whether the test sample statistics exceed the control limits. If neither exceeds the limits, the test samples are deemed normal, and faulty otherwise.
3. Simulation Results and Analysis
3.1. TE Process Fault Detection
3.2. Industrial Boiler Fault Detection
4. Conclusions
Author Contributions
Funding
Data Availability Statement
Conflicts of Interest
References
- Liu, Q.; Zhou, J.; Lang, Z.Q. Perspectives on Data-driven Operation Monitoring and Self-optimization of Industrial Processes. Acta Autom. Sin. 2018, 44, 26–38. [Google Scholar]
- Wang, J. Data-Driven Complex Industrial Processes Monitoring and Fault Diagnosis. Master’s Thesis, Hunan Normal University, Changsha, China, 2020. [Google Scholar]
- Chen, Z.X.; Fang, H.J.; Chang, Y. Weighted data-driven fault detection and isolation: A subspace-based approach and algorithms. IEEE Trans. Ind. Electron. 2016, 63, 3290–3298. [Google Scholar]
- Monteiro, R.P.; Bastos-Filho, C.J.A.; Cerrada, M.; Cabrera, D.; Sanchez, R.V. Using the kullback-leibler divergence and kolmogorov-smirnov test to select snput sizes to the fault diagnosis problem based on a CNN model. Learn. Nonlinear Models 2021, 18, 16–26. [Google Scholar] [CrossRef]
- Xu, Y.L.; Zhang, J.; Li, N.; Gan, Z. Online operational state monitoring of boiler based on data mining. J. Eng. Therm. Energy Power 2019, 34, 82–87. [Google Scholar]
- Zhang, S.; Zhao, C. Stationarity test and Bayesian monitoring strategy for fault detection in nonlinear multimode processes. Chemom. Intell. Lab. Syst. 2017, 168, 45–61. [Google Scholar]
- Wang, W.; Tian, Z.; Wang, S.; Yin, Y. Optimal operation method based on cross and piecewise PCA for industrial boilers. Inf. Control 2020, 49, 507–512. [Google Scholar]
- Gao, H.Y.; Gan, H.B.; Zheng, Z.; Yang, Y. Application of particle swarm optimization neural network in fault diagnosis of marine auxiliary boiler. Comput. Appl. Softw. 2020, 37, 137–141+148. [Google Scholar]
- Hong, C.S.; Huang, J.; Guan, Y.Y.; Ma, X.Q. Combustion control of power station boiler by coupling BP/RBF neural network and fuzzy rules. J. Eng. Therm. Energy Power 2021, 36, 142–148. [Google Scholar]
- Niu, P.K.; Hong, H.; Wang, W.Z. Optimization of boiler combustion efficiency based on improved genetic algorithm. J. Eng. Therm. Energy Power 2020, 35, 111–115. [Google Scholar]
- Schölkopf, B.; Smola, A.; Müller, K. Nonlinear Component Analysis as a Kernel Eigenvalue Problem. Neural Comput. 1998, 10, 1299–1319. [Google Scholar] [CrossRef]
- Kong, X.; Luo, J.; Feng, X.; Liu, M. A General Quality-Related Nonlinear Process Monitoring Approach Based on Input-Output Kernel PLS. IEEE Trans. Instrum. Meas. 2023, 72, 3505712. [Google Scholar] [CrossRef]
- Jiao, J.; Zhen, W.; Wang, G.; Wang, Y. KPLS–KSER based approach for quality-related monitoring of nonlinear process. ISA Trans. 2021, 108, 144–153. [Google Scholar] [CrossRef]
- Guo, J.Y.; Guo, J.Y. Fault detection based on variable moving window KLPP. J. Dalian Polytech. Univ. 2023, 42, 463–468. [Google Scholar]
- Li, R.; Li, Y. Fault diagnosis of Industrial process based on kernel entropy Component Analysis. J. Shenyang Univ. (Nat. Sci.) 2023, 35, 397–405. [Google Scholar]
- Zhang, X.; Kano, M.; Li, Y. Principal Polynomial Analysis for Fault Detection and Diagnosis of Industrial Processes. IEEE Access Sin. 2018, 6, 52298–52307. [Google Scholar] [CrossRef]
- Zhang, M.; Ge, Z.; Song, Z.; Fu, R. Global–local structure analysis model and its application for fault detection and identification. Ind. Eng. Chem. Res. 2011, 50, 6837–6848. [Google Scholar] [CrossRef]
- Yu, J. Local and global principal component analysis for process monitoring. J. Process Control 2012, 22, 1358–1373. [Google Scholar] [CrossRef]
- Luo, L. Process monitoring with global-local preserving projections. Ind. Eng. Chem. Res. 2014, 53, 7696–7705. [Google Scholar] [CrossRef]









| No. | Fault No. | KLPP | KPCA | GLPP | KGLPP | ||||
|---|---|---|---|---|---|---|---|---|---|
| T2 | SPE | T2 | SPE | T2 | SPE | T2 | SPE | ||
| 1 | 2 | 98.3 | 98.3 | 98.1 | 98.8 | 98.9 | 97.5 | 98.3 | 99.1 |
| 2 | 3 | 0 | 0 | 0.6 | 11.4 | 10.4 | 0 | 0 | 26 |
| 3 | 5 | 23.1 | 25.5 | 22 | 33.4 | 21.1 | 100 | 24.6 | 100 |
| 4 | 6 | 98.5 | 100 | 98.8 | 100 | 100 | 100 | 100 | 100 |
| 5 | 7 | 100 | 100 | 33.6 | 100 | 100 | 32.37 | 100 | 100 |
| 6 | 13 | 93.4 | 95.6 | 92.5 | 95 | 95.6 | 89.1 | 93.1 | 96.1 |
| No. | Variable | Unit | No. | Variable | Unit |
|---|---|---|---|---|---|
| 1 | Flue gas temperature at the furnace outlet | °C | 7 | Outlet flow rate | t·h−1 |
| 2 | Temperature at the furnace outlet | °C | 8 | Induced draft fan speed | r·s−1 |
| 3 | Flue gas temperature at the economizer | °C | 9 | Blower speed | r·s−1 |
| 4 | Outlet water temperature | °C | 10 | Grate speed | r·s−1 |
| 5 | Inlet water temperature | °C | 11 | Coal feeder speed | r·s−1 |
| 6 | Furnace pressure | MPa | 12 | Oxygen content in the flue gas | % |
Disclaimer/Publisher’s Note: The statements, opinions and data contained in all publications are solely those of the individual author(s) and contributor(s) and not of MDPI and/or the editor(s). MDPI and/or the editor(s) disclaim responsibility for any injury to people or property resulting from any ideas, methods, instructions or products referred to in the content. |
© 2025 by the authors. Licensee MDPI, Basel, Switzerland. This article is an open access article distributed under the terms and conditions of the Creative Commons Attribution (CC BY) license (https://creativecommons.org/licenses/by/4.0/).
Share and Cite
Wang, W.; Zhang, Q.; Hao, Y. Fault Detection Based on Kernel Global Local Preserving Projection. Information 2025, 16, 256. https://doi.org/10.3390/info16040256
Wang W, Zhang Q, Hao Y. Fault Detection Based on Kernel Global Local Preserving Projection. Information. 2025; 16(4):256. https://doi.org/10.3390/info16040256
Chicago/Turabian StyleWang, Wenbiao, Qianqian Zhang, and Youwei Hao. 2025. "Fault Detection Based on Kernel Global Local Preserving Projection" Information 16, no. 4: 256. https://doi.org/10.3390/info16040256
APA StyleWang, W., Zhang, Q., & Hao, Y. (2025). Fault Detection Based on Kernel Global Local Preserving Projection. Information, 16(4), 256. https://doi.org/10.3390/info16040256

