Enhanced Chaotic Pseudorandom Number Generation Using Multiple Bernoulli Maps with Field Programmable Gate Array Optimizations
Abstract
1. Introduction
1.1. Approaches to Improve Chaos-Based PRNGs
1.2. Contribution
- The randomness appearance quality of a one-dimensional chaotic map was improved by applying function transformations and restricting the control parameter values. As a result, four chaotic maps were obtained, each evaluated in different regions of the phase space with different values of the control parameter .
- The behavior of the four maps was controlled by a pseudorandom source that selects one of the four chaotic maps depending on the interval definition of another control parameter, . This action significantly increased the randomness appearance of the number sequences generated by the system as well as their unpredictability by dynamically switching between four chaotic maps.
- A large scaling factor A was introduced to generate amplified chaotic orbits. By applying a sine function to these scaled orbits, the system achieved a high Lyapunov exponent, greatly enhancing sensitivity to initial conditions. This allowed small variations in initial conditions to produce vastly different trajectories.
- For FPGA implementation of these chaotic maps using the sine function and scaling factor A, design optimization was crucial. A process called equivalent functions simplified the system for efficient hardware implementation. This approach segmented the chaotic map, with each segment defined by a specific control parameter . Depending on ’s interval, the system selected the appropriate chaotic function for each iteration, creating a more flexible and dynamic behavior. These transformations allow the chaotic map to invert or shift based on , introducing greater dynamic complexity. In practice, the system used both and its complement to adjust the map trajectories, improving FPGA efficiency by simplifying iterative calculations.
- The implementation of these equivalent functions in hardware reduces computational complexity and enhances overall system performance, particularly in resource-constrained devices like FPGAs. This approach minimizes the use of look-up tables (LUTs) and registers while reducing processing time per iteration cycle.
2. Background and Strategies
2.1. Modified Bernoulli Chaotic Map
2.2. Multiple Chaotic Maps
2.3. Chaos Hardening
3. Hardened Chaotic System
3.1. Analysis of Fixed Points
3.2. Sensitivity Analysis
4. CPRNG Based on Hardened Chaotic System
4.1. Algorithmic Description
| Algorithm 1 Proposed CPRNG. |
function [K] ← SM-MBCM(, , , x, n)
end |
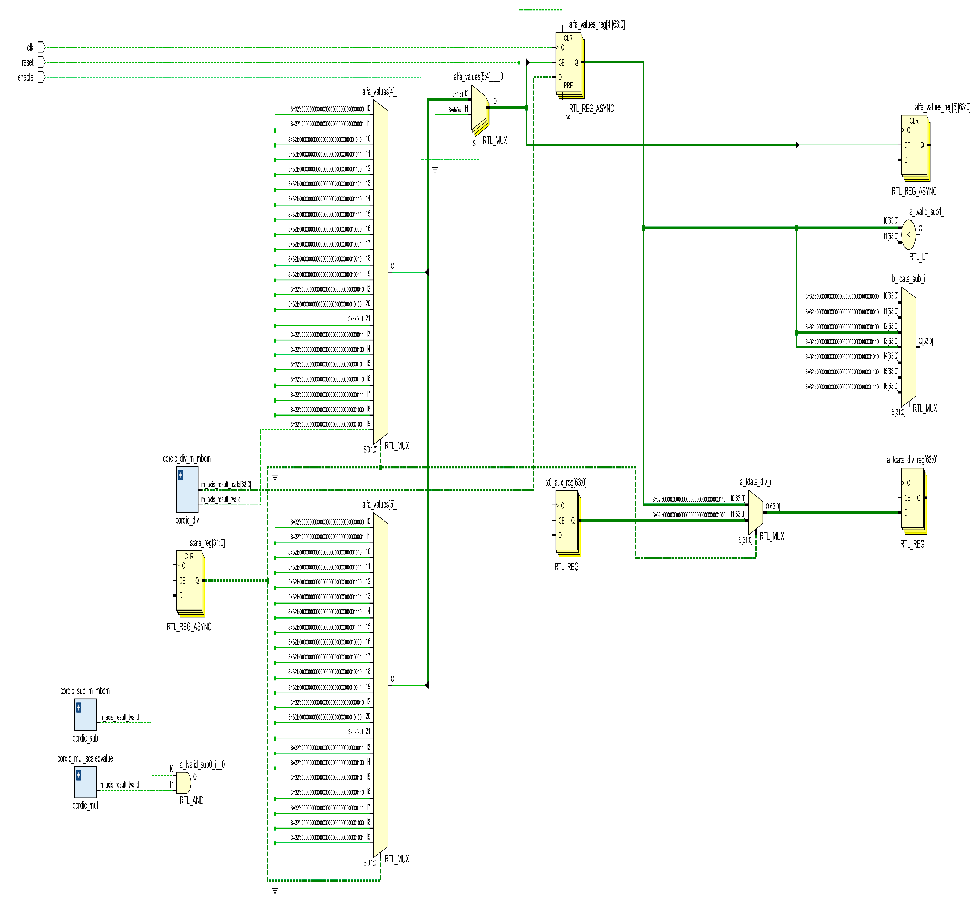
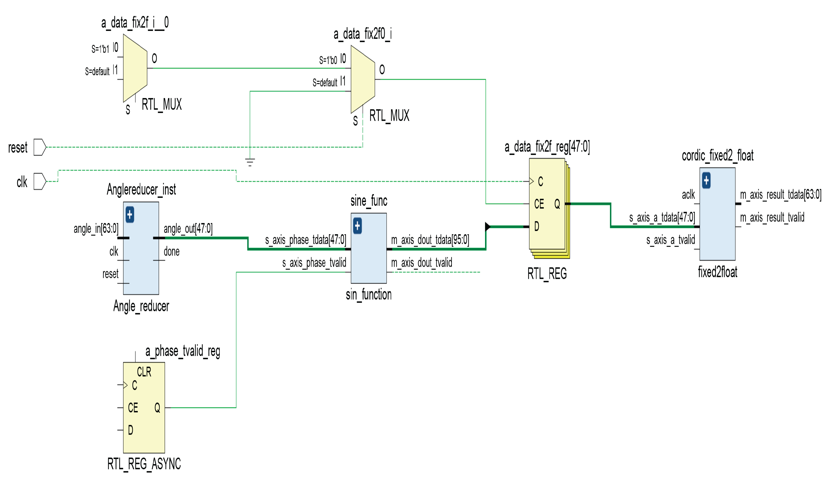
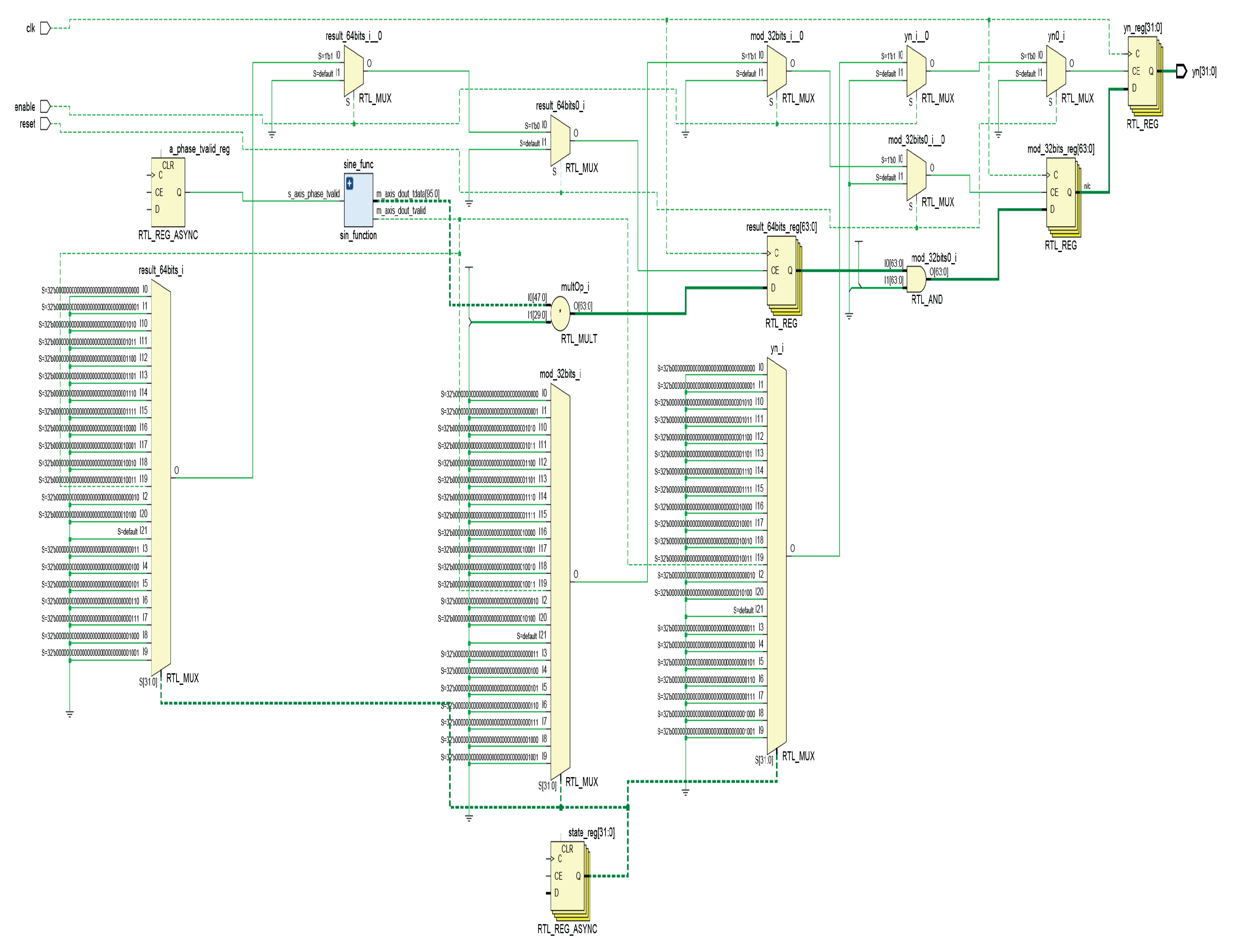
4.2. FPGA Implementation
5. Assessment of the Proposed CPRNG
5.1. Assessment Conditions
5.2. Correlation Coefficient
5.3. Key Sensitivity
5.4. Entropy Analysis
5.5. Statistical Evaluation
5.6. Linear Complexity
5.7. Key Space
5.8. Algorithmic Complexity
6. Comparison to FPGA Implementations of Chaos-Based PRNGs
7. Discussion
8. Conclusions
Author Contributions
Funding
Informed Consent Statement
Data Availability Statement
Acknowledgments
Conflicts of Interest
References
- Belazi, A.; Talha, M.; Kharbech, S.; Xiang, W. Novel medical image encryption scheme based on chaos and DNA encoding. IEEE Access 2019, 7, 36667–36681. [Google Scholar] [CrossRef]
- Soni, R.; Thukral, M.K.; Kanwar, N. A relative investigation of one-dimensional chaotic maps intended for light-weight cryptography in smart grid. e-Prime Adv. Electr. Eng. Electron. Energy 2024, 7, 100421. [Google Scholar] [CrossRef]
- Hematpour, N.; Ahadpour, S.; Sourkhani, I.G.; Sani, R.H. A new steganographic algorithm based on coupled chaotic maps and a new chaotic S-box. Multimed. Tools Appl. 2022, 81, 39753–39784. [Google Scholar] [CrossRef]
- Meshram, C.; Ibrahim, R.; Meshram, S.G.; Imoize, A.L.; Jamal, S.S.; Barve, S.K. An efficient remote user authentication with key agreement procedure based on convolution-Chebyshev chaotic maps using biometric. J. Supercomput. 2022, 78, 12792–12814. [Google Scholar] [CrossRef]
- Murillo-Escobar, D.; Murillo-Escobar, M.A.; Cruz-Hernandez, C.; Arellano-Delgado, A.; Lopez-Gutiérrez, R.M. Pseudorandom number generator based on novel 2D Henon-sine hyperchaotic map with microcontroller implementation. Nonlinear Dyn. 2022, 111, 6773–6789. [Google Scholar] [CrossRef]
- Li, S.; Lin, Z.; Yang, Y.; Ning, R. A high-performance FPGA PRNG based on multiple deep-dynamic transformations. Entropy 2024, 26, 671. [Google Scholar] [CrossRef]
- El-Meligy, N.E.; Diab, T.O.; Mohra, A.S.; Hassan, A.Y.; El-Sobky, W.I. A novel dynamic mathematical model applied in hash function based on DNA algorithm and chaotic maps. Mathematics 2022, 10, 1333. [Google Scholar] [CrossRef]
- Benrhouma, O.; Hermassi, H.; Abd El-Latif, A.A.; Belghith, S. Chaotic watermark for blind forgery detection in images. Multimed. Tools Appl. 2015, 75, 8695–8718. [Google Scholar] [CrossRef]
- Vignesh, D.; Fataf, N.A.A.; Banerjee, S. A novel fractional sine chaotic map and its application to image encryption and watermarking. Appl. Sci. 2023, 13, 6556. [Google Scholar] [CrossRef]
- Niu, G. Research on digital image encryption based on chaotic syste. In Proceedings of the 2023 IEEE 2nd International Conference on Electrical Engineering, Big Data and Algorithms (EEBDA), Changchun, China, 24–26 February 2023; pp. 89–93. [Google Scholar] [CrossRef]
- Xu, C.; Sun, J.; Wang, C. A novel image encryption algorithm based on bit-plane matrix rotation and hyper chaotic systems. Multimed. Tools Appl. 2019, 79, 5573–5593. [Google Scholar] [CrossRef]
- Gao, Y.; Cao, X.; Peng, K. Chaotic system prediction using data assimilation and machine learning. In Proceedings of the 2020 International Conference on Energy, Environment and Bioengineering (ICEEB 2020), Xi’an, China, 7–9 August 2020. [Google Scholar] [CrossRef]
- Almomani, I.; El-Shafai, W.; AlKhayer, A.; Alsumayt, A.; Aljameel, S.S.; Alissa, K. Proposed biometric security system based on deep learning and chaos algorithms. Comput. Mater. Contin. 2023, 74, 3515–3537. [Google Scholar] [CrossRef]
- Athira, A.; Basu, P. A novel technique for image encryption using transform based scrambling and DNA based multi chaotic encoding scheme. AIP Conf. Proc. 2020, 2222, 030024. [Google Scholar] [CrossRef]
- Irfan, M.; Ali, A.; Khan, M.A.; Ehatisham-ul Haq, M.; Mehmood Shah, S.N.; Saboor, A.; Ahmad, W. Pseudorandom number generator (PRNG) design using hyper-chaotic modified robust logistic map (HC-MRLM). Electronics 2020, 9, 104. [Google Scholar] [CrossRef]
- Luo, Y.; Fan, C.; Xu, C.; Li, X. Design and FPGA implementation of a high-speed PRNG based on an n-D non-degenerate chaotic system. Chaos Solitons Fractals 2024, 183, 114951. [Google Scholar] [CrossRef]
- Liu, W.; Sun, K.; He, S.; Wang, H. The parallel chaotification map and its application. IEEE Trans. Circuits Syst. I Regul. Pap. 2023, 70, 3689–3698. [Google Scholar] [CrossRef]
- Liu, W.; Sun, K.; Wang, H.; Li, B. The modular modulation chaotification map and its hardware implementation. IEEE Trans. Instrum. Meas. 2024, 73, 1–9. [Google Scholar] [CrossRef]
- Zhang, Z.; Zhu, H.; Ban, P.; Wang, Y.; Zhang, L.Y. Multimodal chaotification model with hardware implementation. IEEE Trans. Ind. Electron. 2024, 1–12. [Google Scholar] [CrossRef]
- Liu, W.; Sun, K.; Wang, H.; Li, B. Delayed feedback chaotification model and its hardware implementation. IEEE Trans. Ind. Electron. 2024, 71, 13002–13011. [Google Scholar] [CrossRef]
- Tang, J.; Zhang, Z.; Huang, T. Two-dimensional cosine–sine interleaved chaotic system for secure communication. IEEE Trans. Circuits Syst. II Express Briefs 2024, 71, 2479–2483. [Google Scholar] [CrossRef]
- Zhang, F.; Tang, J.; Zhang, Z.; Huang, Z.; Huang, T. An improved absolute-cosine chaotification model and its simple application in PRNG. IEEE Access 2023, 11, 59346–59356. [Google Scholar] [CrossRef]
- Zhang, Z.; Wang, Y.; Zhang, L.Y.; Zhu, H. A novel chaotic map constructed by geometric operations and its application. Nonlinear Dyn. 2020, 102, 2843–2858. [Google Scholar] [CrossRef]
- Paul, P.S.; Sadia, M.; Hossain, M.R.; Muldrey, B.; Hasan, M.S. Cascading CMOS-based chaotic maps for improved performance and its application in efficient RNG design. IEEE Access 2022, 10, 33758–33770. [Google Scholar] [CrossRef]
- Alawida, M.; Samsudin, A.; Teh, J.S. Enhancing unimodal digital chaotic maps through hybridisation. Nonlinear Dyn. 2019, 96, 601–613. [Google Scholar] [CrossRef]
- Kopparthi, V.R.; Kali, A.; Sabat, S.L.; Anumandla, K.K.; Peesapati, R.; Armand Eyebe Fouda, J.S. Hardware architecture of a digital piecewise linear chaotic map with perturbation for pseudorandom number generation. AEU Int. J. Electron. Commun. 2022, 147, 154138. [Google Scholar] [CrossRef]
- Wu, Q. Cascade-sine chaotification model for producing chaos. Nonlinear Dyn. 2021, 106, 2607–2620. [Google Scholar] [CrossRef]
- Zhang, Z.; Zhu, H.; Ban, P.; Wang, Y.; Zhang, L.Y. Buffeting chaotification model for enhancing chaos and its hardware implementation. IEEE Trans. Ind. Electron. 2023, 70, 2916–2926. [Google Scholar] [CrossRef]
- Belazi, A.; Kharbech, S.; Aslam, M.N.; Talha, M.; Xiang, W.; Iliyasu, A.M.; El-Latif, A.A.A. Improved sine-tangent chaotic map with application in medical images encryption. J. Inf. Secur. Appl. 2022, 66, 103131. [Google Scholar] [CrossRef]
- Dridi, F.; El Assad, S.; El Hadj Youssef, W.; Machhout, M.; Samhat, A.E. Design, FPGA-based implementation and performance of a pseudo random number generator of chaotic sequences. Adv. Electr. Comput. Eng. 2021, 21, 41–48. [Google Scholar] [CrossRef]
- Fan, C.; Ding, Q. A novel algorithm to analyze the dynamics of digital chaotic maps in finite-precision domain. Chin. Phys. B 2023, 32, 010501. [Google Scholar] [CrossRef]
- Liu, B.; Xiang, H.; Liu, L. Reducing the dynamical degradation of digital chaotic maps with time-delay linear feedback and parameter perturbation. Math. Probl. Eng. 2020, 2020, 4926937. [Google Scholar] [CrossRef]
- Qiu, W.C.; Yan, S.J. An image encryption algorithm based on the combination of low–dimensional chaos and high–dimensional chaos. In Proceedings of the International Conference on Electronic Information Technology and Computer Engineering (EITCE), Xiamen, China, 18–20 October 2019. [Google Scholar] [CrossRef]
- Wang, X.; Guan, N.; Liu, P. A selective image encryption algorithm based on a chaotic model using modular sine arithmetic. Optik 2022, 258, 168955. [Google Scholar] [CrossRef]
- Chen, R.; Li, X.; Teng, L.; Wang, X. An image encryption algorithm based on the LSCMM chaotic map and bidirectional dynamic diffusion. Multimed. Tools Appl. 2023, 83, 3681–3706. [Google Scholar] [CrossRef]
- Pulikkottil, J.J.; Lakshminarayan, A.; Srivastava, S.C.L.; Kieler, M.F.I.; Bäcker, A.; Tomsovic, S. Quantum coherence controls the nature of equilibration and thermalization in coupled chaotic systems. Phys. Rev. E 2023, 107, 024124. [Google Scholar] [CrossRef]
- Zeraoulia, E.; Sprott, J.C. Robust Chaos and Its Applications; World Scientific: Singapore, 2011. [Google Scholar] [CrossRef]
- Glendinning, P.A.; Simpson, D.J.W. Robust chaos and the continuity of attractors. Trans. Math. Its Appl. 2020, 4, tnaa002. [Google Scholar] [CrossRef]
- Hua, Z.; Zhou, Y. Exponential chaotic model for generating robust chaos. IEEE Trans. Syst. Man Cybern. Syst. 2021, 51, 3713–3724. [Google Scholar] [CrossRef]
- Palacios-Luengas, L.; Marcelín-Jiménez, R.; Rodriguez-Colina, E.; Pascoe-Chalke, M.; Jiménez-Ramírez, O.; Vázquez-Medina, R. Function composition from sine function and skew tent map and its application to pseudorandom number generators. Appl. Sci. 2021, 11, 5769. [Google Scholar] [CrossRef]
- Arroyo, D.; García, J.M.A.; Li, S.; Álvarez, G. On the inadequacy of unimodal maps for cryptographic applications. In Proceedings of the Computer Science Mathematics, Brno, Czech Republic, 23–27 August 2010. [Google Scholar]
- Wang, Y.; Zhang, Z.; Wang, G.; Liu, D. A pseudorandom number generator based on a 4D piecewise logistic map with coupled parameters. Int. J. Bifurc. Chaos 2019, 29, 1950124. [Google Scholar] [CrossRef]
- Chen, C.; Sun, K.; Peng, Y.; Alamodi, A.O.A. A novel control method to counteract the dynamical degradation of a digital chaotic sequence. Eur. Phys. J. Plus 2019, 134, 31. [Google Scholar] [CrossRef]
- Shorts, K.M. Steps toward unmasking secure communications. Int. J. Bifurc. Chaos 1994, 4, 959–977. [Google Scholar] [CrossRef]
- Li, S.; Mou, M.; Cai, Y. Pseudo-random bit generator based on couple chaotic systems and its applications in stream-cipher cryptography. In Progress in Cryptology—INDOCRYPT 2001; Springer: Berlin/Heidelberg, Germany, 2001; pp. 316–329. [Google Scholar] [CrossRef]
- Protopopescu, V.A.; Santoro, R.T.; Tolliver, J.S. Fast and Secure Encryption-Decryption Method Based on Chaotic Dynamics; Technical Report; Oak Ridge National Lab. (ORNL): Oak Ridge, TN, USA, 1995. [Google Scholar]
- Alawida, M.; Samsudin, A.; Teh, J.S.; Alkhawaldeh, R.S. A new hybrid digital chaotic system with applications in image encryption. Signal Process. 2019, 160, 45–58. [Google Scholar] [CrossRef]
- Zhou, Y.; Hua, Z.; Pun, C.M.; Chen, C.L.P. Cascade chaotic system with applications. IEEE Trans. Cybern. 2015, 45, 2001–2012. [Google Scholar] [CrossRef] [PubMed]
- Hu, H.; Deng, Y.; Liu, L. Counteracting the dynamical degradation of digital chaos via hybrid control. Commun. Nonlinear Sci. Numer. Simul. 2014, 19, 1970–1984. [Google Scholar] [CrossRef]
- Deng, Y.; Hu, H.; Xiong, N.; Xiong, W.; Liu, L. A general hybrid model for chaos robust synchronization and degradation reduction. Inf. Sci. 2015, 305, 146–164. [Google Scholar] [CrossRef]
- Lu, H.; Wang, S.; Hu, G. Pseudo-random number generator based on coupled map lattices. Int. J. Mod. Phys. B 2004, 18, 2409–2414. [Google Scholar] [CrossRef]
- Behnia, S.; Akhshani, A.; Mahmodi, H.; Akhavan, A. A novel algorithm for image encryption based on mixture of chaotic maps. Chaos Solitons Fractals 2008, 35, 408–419. [Google Scholar] [CrossRef]
- Garasym, O.; Lozi, R.; Taralova, I. Robust PRNG based on homogeneously distributed chaotic dynamics. J. Phys. Conf. Ser. 2016, 692, 012011. [Google Scholar] [CrossRef]
- Hua, Z.; Zhou, B.; Zhou, Y. Sine chaotification model for enhancing chaos and its hardware implementation. IEEE Trans. Ind. Electron. 2019, 66, 1273–1284. [Google Scholar] [CrossRef]
- Banerjee, S.; Yorke, J.A.; Grebogi, C. Robust chaos. Phys. Rev. Lett. 1998, 80, 3049–3052. [Google Scholar] [CrossRef]
- Sukegawa, N.; Ikeguchi, T. How to perturb Bernoulli shift map. Chaos Solitons Fractals 2022, 165, 112793. [Google Scholar] [CrossRef]
- Zhang, W.; Zhu, Z.; Yu, H. A Symmetric Image Encryption Algorithm Based on a Coupled Logistic–Bernoulli Map and Cellular Automata Diffusion Strategy. Entropy 2019, 21, 504. [Google Scholar] [CrossRef]
- Alexan, W.; Elkandoz, M.; Mashaly, M.; Azab, E.; Aboshousha, A. Color image encryption through chaos and KAA map. IEEE Access 2023, 11, 11541–11554. [Google Scholar] [CrossRef]
- Gosavi, S.R. Vivado IP Integrator; Springer: Cham, Switzerland, 2017. [Google Scholar] [CrossRef]
- Rukhin, A.; Sota, J.; Nechvatal, J.; Smid, M.; Barker, E.; Leigh, S.; Levenson, M.; Vangel, M.; Banks, D.; Heckert, A.; et al. A Statistical Test Suite for Random and Pseudorandom Number Generators for Cryptographic Applications; NIST-USA: Gaithersburg, MD, USA, 2000. [Google Scholar] [CrossRef]
- Sleem, L.; Couturier, R. TestU01 and practrand: Tools for a randomness evaluation for famous multimedia ciphers. Multim. Tools Appl. 2020, 79, 24075–24088. [Google Scholar] [CrossRef]
- Marsaglia, G. Diehard: A battery of Tests of Randomness; Technical Report; Florida State University: Tallahassee, FL, USA, 1996. [Google Scholar]
- Gafsi, M.; Hafsa, A.; Machout, M. Hardware implementation of digital pseudo-random number generators for real-time applications. Signal Image Video Process. 2024, 18, 4407–4423. [Google Scholar] [CrossRef]
- Yu, F.; Wan, Q.; Jin, J.; Li, L.; He, B.; Liu, L.; Qian, S.; Huang, Y.; Cai, S.; Song, Y.; et al. Design and FPGA implementation of a pseudorandom number generator based on a four wing memristive hyperchaotic system and Bernoulli map. IEEE Access 2019, 7, 181884–181898. [Google Scholar] [CrossRef]
- Abderrahim, N.W.; Benmansour, F.Z.; Seddiki, O. FPGA implementation of a chaotic pseudo-random numbers generator. SN Comput. Sci. 2023, 4, 410. [Google Scholar] [CrossRef]
- Salih, A.A.; Abdulrazaq, Z.A.; Ayoub, H.G. Design and enhancing security performance of image cryptography system based on fixed point chaotic maps stream ciphers in FPGA. Baghdad Sci. J. 2024, 21, 1754. [Google Scholar] [CrossRef]


















| Interval | ||
|---|---|---|
| Interval | |
|---|---|
| Interval | |
|---|---|
| Resource | Used | Available | Utilization |
|---|---|---|---|
| LUT | 16173 | 20800 | |
| FF | 6501 | 41600 | |
| LUTRAM | 125 | 9600 | |
| BUFG | 1 | 32 |
| Statistical Test | Proportion | Result | |
|---|---|---|---|
| Frequency | 1982/2000 | 0.994720 | Success |
| BlockFrequency | 1975/2000 | 0.206079 | Success |
| 1978/2000 | 0.689019 | Success | |
| Runs | 1979/2000 | 0.187073 | Success |
| LongestRun | 1978/2000 | 0.097743 | Success |
| Rank | 1982/2000 | 0.880145 | Success |
| FFT | 1974/2000 | 0.142467 | Success |
| 1971/2000 | 0.423545 | Success | |
| OverlappingTemplate | 1977/2000 | 0.790621 | Success |
| Universal | 1984/2000 | 0.906069 | Success |
| ApproximateEntropy | 1979/2000 | 0.751866 | Success |
| 1201/1217 | 0.314955 | Success | |
| 1971/2000 | 0.745908 | Success | |
| 1980/2000 | 0.586241 | Success | |
| LinearComplexity | 1977/2000 | 0.818343 | Success |
| Level | Word Size (32-Bit) | |
|---|---|---|
| BigCrush | 159/160 | |
| PseudoDIEHARD | 126/126 | |
| Length | Alphabit | Rabbit |
| 17/17 | 40/40 | |
| 17/17 | 40/40 | |
| 17/17 | 40/40 | |
| References | Chaotic Map | Key Space | Word Size (Bits) | Throughput (Mbps) | Clock Frequency (MHz) |
|---|---|---|---|---|---|
| [26] | Piecewise linear | – | 16 | 1296 | 81 |
| [63] | 3D−(Lorenz, Chua, Rossler, and Chen) systems | 480 | 73.90 | 192.446 | |
| [64] | Hyperchaotic system and Bernoulli map | – | 62.5 | 135.04 | |
| [65] | Bernoulli and STM | 8 | 380 | 48.407 | |
| [66] | Logistic, Lozi. and Tent | 8 | 269.532 | 33.69 | |
| [6] | Multiple deep-dynamic transformation | – | 96 | 14400 | 150 |
| Proposed algorithm | SM-MBCM | 32 | 10.67 | 50 |
Disclaimer/Publisher’s Note: The statements, opinions and data contained in all publications are solely those of the individual author(s) and contributor(s) and not of MDPI and/or the editor(s). MDPI and/or the editor(s) disclaim responsibility for any injury to people or property resulting from any ideas, methods, instructions or products referred to in the content. |
© 2024 by the authors. Licensee MDPI, Basel, Switzerland. This article is an open access article distributed under the terms and conditions of the Creative Commons Attribution (CC BY) license (https://creativecommons.org/licenses/by/4.0/).
Share and Cite
Palacios-Luengas, L.; Medina-Ramírez, R.C.; Marcelín-Jiménez, R.; Rodriguez-Colina, E.; Castillo-Soria, F.R.; Vázquez-Medina, R. Enhanced Chaotic Pseudorandom Number Generation Using Multiple Bernoulli Maps with Field Programmable Gate Array Optimizations. Information 2024, 15, 667. https://doi.org/10.3390/info15110667
Palacios-Luengas L, Medina-Ramírez RC, Marcelín-Jiménez R, Rodriguez-Colina E, Castillo-Soria FR, Vázquez-Medina R. Enhanced Chaotic Pseudorandom Number Generation Using Multiple Bernoulli Maps with Field Programmable Gate Array Optimizations. Information. 2024; 15(11):667. https://doi.org/10.3390/info15110667
Chicago/Turabian StylePalacios-Luengas, Leonardo, Reyna Carolina Medina-Ramírez, Ricardo Marcelín-Jiménez, Enrique Rodriguez-Colina, Francisco R. Castillo-Soria, and Rubén Vázquez-Medina. 2024. "Enhanced Chaotic Pseudorandom Number Generation Using Multiple Bernoulli Maps with Field Programmable Gate Array Optimizations" Information 15, no. 11: 667. https://doi.org/10.3390/info15110667
APA StylePalacios-Luengas, L., Medina-Ramírez, R. C., Marcelín-Jiménez, R., Rodriguez-Colina, E., Castillo-Soria, F. R., & Vázquez-Medina, R. (2024). Enhanced Chaotic Pseudorandom Number Generation Using Multiple Bernoulli Maps with Field Programmable Gate Array Optimizations. Information, 15(11), 667. https://doi.org/10.3390/info15110667

