Voltage Deviation Improvement in Microgrid Operation through Demand Response Using Imperialist Competitive and Genetic Algorithms
Abstract
1. Introduction
- Droop Control (DC): This adjusts the frequency based on how much power generators are producing power. If the load goes up and the frequency drops, the generators automatically change their output to fix it, and this helps keep everything stable.
- Battery Energy Storage Systems (BESS): Batteries store extra energy when there is more power than needed and release it when there is more demand. Batteries work with inverters that help to manage the grid’s frequency by adding or taking away power as needed.
- Automatic Generation Control (AGC): Some advanced microgrids use AGC to keep track of the frequency and adjust generator output automatically. This helps to keep everything balanced in real time.
- Load Shedding: If adjusting generation is not enough to stabilize the frequency, load shedding is used. This means temporarily turning off some loads to reduce demand and help bring the frequency back to normal [2].
- Islanding: Microgrids can disconnect from the main grid during disturbances and operate independently. This feature, known as “islanding”, ensures that critical services such as hospitals, military facilities, and emergency services continue to have power.
- Flexibility to Demand Response: Microgrids can respond to changes in energy demand quickly, providing additional power when needed and reducing consumption during low-demand periods.
- Integration of Renewable Energy: Microgrids incorporate renewable energy sources like solar and wind, along with energy storage systems. This ability reduces greenhouse gas emissions and provides a stable and sustainable energy supply.
- Load Balancing: Microgrids can reduce the strain on the main grid and balance load demands, especially during peak demand periods, by managing local energy generation and consumption.
- Cost—Benefit Analysis of DR Programs in Power Grids: Paper [6] explored the cost-benefit analysis of DR programs using an open modeling framework, focusing on improving grid reliability and reducing operational costs. This paper provides a detailed analysis of how to improve power grid efficiency and reliability and reduce operating costs using DR programs, but it does not cover the lack of Real-Time optimization, which can greatly enhance the efficiency of DR programs, especially in dynamic grid environments.
- Developed a residential DR model network: Paper [7] developed a residential DR model and evaluated its impact on the voltage profile and losses in distribution networks. Also, the study uses a DR model to simulate the impact of different load control strategies on the distribution system. The results showed that DR can significantly improve the voltage profile and reduce losses, with increased efficiency and reliability of the distribution network. One limitation of this study is that the work was conducted only for residential areas, and no optimization was performed for commercial and industrial areas. Also, the direct effects of residential DR applications on voltage profiles and system losses, which are critical parameters in distribution network efficiency, have not been analyzed.
- Increase the efficiency through DR: Paper [8] showed strategies to increase the efficiency of microgrids through DR optimization and power-sharing mechanisms. This study used the bee colony algorithm to reduce both operational costs and power losses. This study used a certain amount of power without using it as a constraint, and this amount can increase or decrease along with the price, which is considered a drawback of the work.
- Compared optimizations: Paper [9] Compared various optimization algorithms, including PSO-ANN, GA-ANN, ICA-ANN, and ABC-ANN, for estimating heating loads in smart cities, highlighting the efficiency of hybrid approaches but not specifically targeting the voltage deviation in microgrids. While the study addresses heating load estimation, it does not explore voltage deviation problems, which are critical in the operation of microgrids.
- Heuristic methods: Paper [10] employed heuristic methods for optimal allocation of renewable distributed generations to minimize energy losses and voltage deviation, but it does not specifically integrate DR strategies. This paper focuses on optimizing the allocation of renewable DGs to reduce energy losses, but it does not incorporate DR strategies, which could further enhance system performance and reliability.
- Hybrid Optimization: A hybrid model of ICA and GA is proposed to leverage the strengths of both algorithms, which helps achieve better convergence and solution accuracy.
- Dynamic DR Strategies: The proposed approach dynamically adjusts load based on real-time demand and supply conditions to enhance voltage stability.
- Comprehensive Evaluation: The proposed work is implemented based on a 33-Bus IEEE sample network and demonstrated significant improvements in the voltage profiles compared to individual and traditional optimization methods.
1.1. Demand Response (DR)
- Price-based DR such as Real-Time Pricing (RTP), Critical Peak Pricing (CPP), and Time of Use (TOU) tariffs offer customers different rates that reflect the value and cost of electricity over different time periods. With this information, customers tend to use less electricity when electricity prices are high.
- Incentive-based DR that pays participating customers to reduce their loads during times of demand is supported by the program, which is either caused by grid reliability problems or high electricity prices.
1.2. Voltage Deviation
2. Energy Management Model
2.1. Proposed Technique
2.2. Objective Function
2.3. Minimizing the Bus Voltage Deviation
2.4. Generator Constraints
2.4.1. Distributed Generation Constraints
2.4.2. Operational Constraints
3. Optimization Methods
- Deterministic methods
- Stochastic methods
- Hybrid methods
3.1. Genetic Algorithm
3.2. Imperialist Competitive Algorithm
- Determining the distance vector between two colonists is performed using Equation (19).
- Determining the distance between two colonists is performed using Equation (20).
- Determining the threshold distance is performed using Equation (21).
3.3. Hybrid Method
3.3.1. Genetic Algorithm Operations
- The best individuals are selected based on fitness, ensuring that high-quality solutions have a better chance of being chosen.
- New candidate solutions are produced by combining features from two or more parents, potentially creating more optimal solutions.
- Random variations are introduced to ensure diversity and prevent premature convergence.
3.3.2. Imperialist Competitive Algorithm Framework
- Represent high-quality solutions from the current population.
- Initially, the population of imperialists was based on proximity or fitness.
- Imperialists influenced their colonies, and colonies moved towards their imperialists. Imperialists also competed to acquire more colonies.
3.3.3. Hybrid Integration
- Input Section, which includes network data, distributed energy resources, load profiles, constraints, and algorithms parameters as follows:
- Network Data: It has the following inputs:
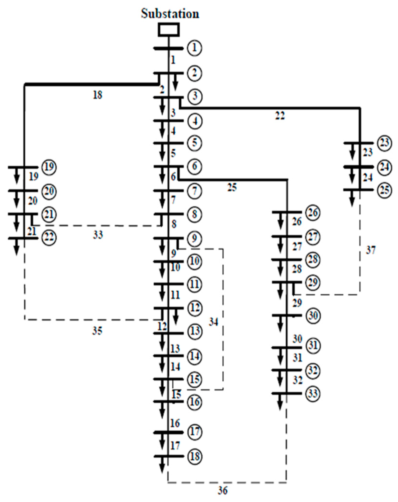
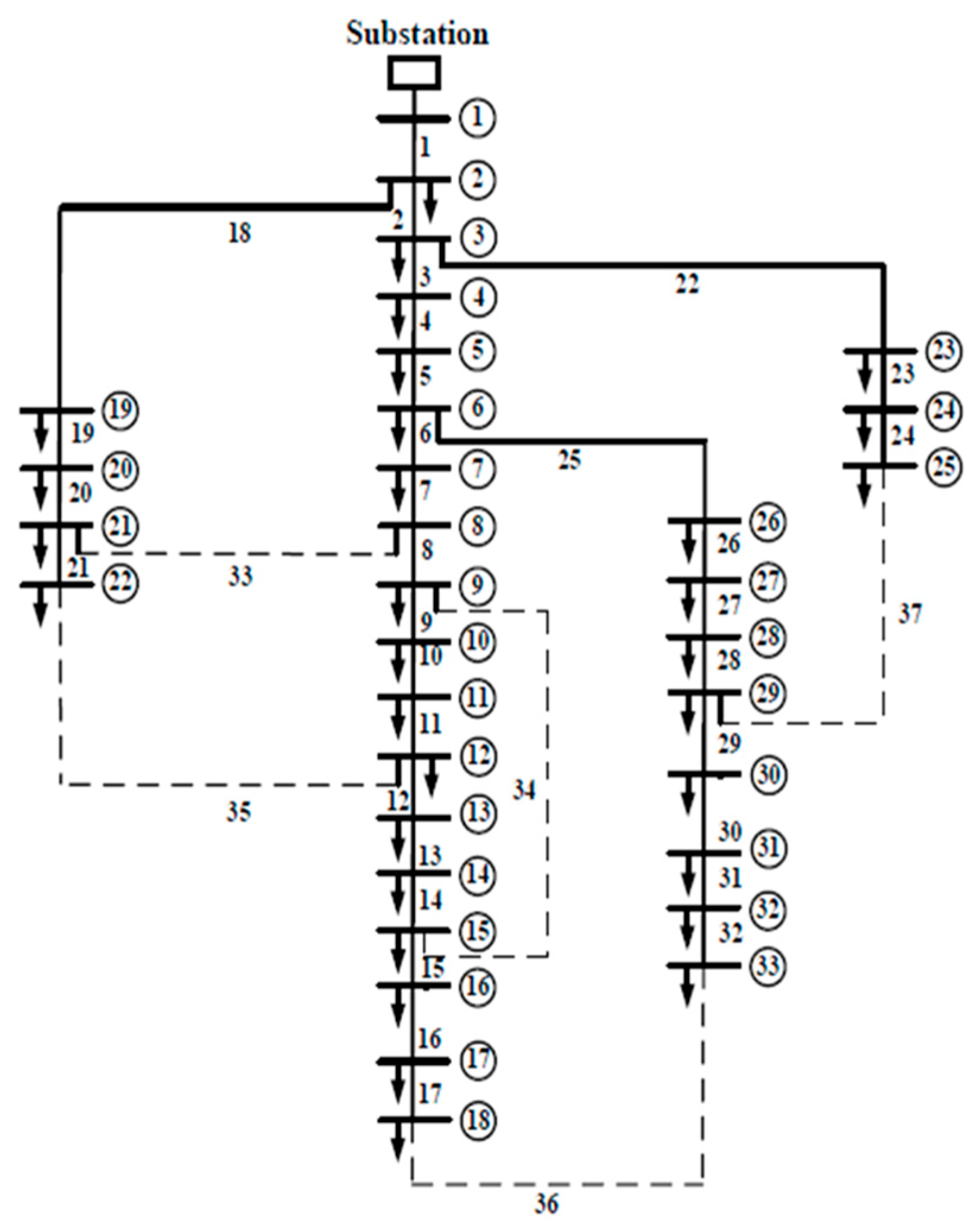
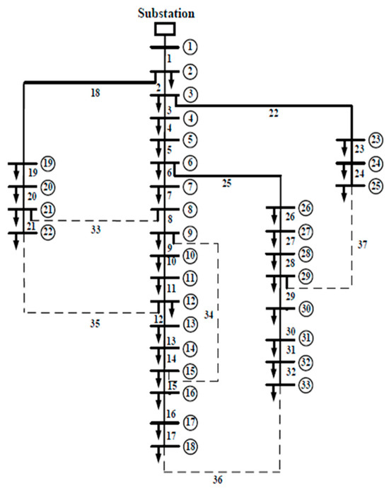
- The structure of the IEEE 33-bus network used for simulations.
- Voltage limits at each bus.
- Line parameters (resistance, reactance, susceptance).
- Active and reactive power loads for each bus.
- Distributed Energy Resources (DERs):
- Voltage and reactive power limits for generators.
- Power generation limits for distributed generation sources (e.g., solar panels, wind turbines).
- Load Profiles:
- Power demand at each bus (residential, commercial, industrial loads).
- Demand before and after the implementation of the Demand Response (DR) program.
- Constraints:
- Voltage constraints for load buses.
- Line loading constraints to avoid overheating or overloading of power lines.
- Reactive power limits for generators and DERs.
- Algorithm Parameters (for ICA, GA, and the hybrid model):
- Initial population for the optimization.
- Parameters like mutation rates, selection criteria, and convergence thresholds for the GA.
- Power and colony distribution rules for the ICA.
- Optimization Algorithms: Refers to two main algorithms (GA and ICA), which ultimately leads to a hybrid algorithm. This section illustrates how the input data is processed.
- Output section: This section shows the results obtained after processing the data by the algorithm, which includes two main items (improved voltage profile and optimized demand response).
4. Simulation Results
- Initial state: The state of the network without performing any management (implementation of the load response program) is investigated, as seen in Figure 6. This initial state is considered as the zero scenario. As observed, in this case, the voltage profile is between 0.95 to 1 per unit. Now, for example, the voltage magnitude of bus number 18 at H20 (8:00 p.m.) is 0.95294 per unit, which should be improved after optimization algorithms.
- 2.
- First scenario: The first scenario is examined, considering optimization using the ICA. As expected, the voltage profile became closer to 1 per unit, and as an example of that improvement, the voltage at bus number 18 at H20 reached 0.96866 p.u, as seen in Figure 7.
- 3.
- Second scenario: At this stage, GA is used to improve the voltage profile, as seen in Figure 8. In this case, as an example of improvement, the voltage at H20 and bus 18 is improved to 0.97310 p.u. This means that so far, the GA has performed better than the ICA.
- 4.
- Third scenario: In this stage, the same operations as the previous stage are performed using a combination of the GA and ICA. In Figure 9, it is observed that the voltage at H20 and bus 18 is improved more compared to the previous three scenarios and became 0.97697.
5. Conclusions
Author Contributions
Funding
Institutional Review Board Statement
Informed Consent Statement
Data Availability Statement
Acknowledgments
Conflicts of Interest
Appendix A
| From | To | R (Ω) | X (Ω) | Current Capacity (Amp) |
|---|---|---|---|---|
| 1 | 2 | 0.0922 | 0.0477 | 500 |
| 2 | 3 | 0.493 | 0.2511 | 500 |
| 3 | 4 | 0.366 | 0.1864 | 500 |
| 4 | 5 | 0.3811 | 0.1941 | 500 |
| 5 | 6 | 0.819 | 0.707 | 500 |
| 6 | 7 | 0.1872 | 0.6188 | 500 |
| 7 | 8 | 1.7114 | 1.2351 | 500 |
| 8 | 9 | 1.03 | 0.74 | 500 |
| 9 | 10 | 1.04 | 0.74 | 500 |
| 10 | 11 | 0.1966 | 0.065 | 500 |
| 11 | 12 | 0.3744 | 0.1238 | 500 |
| 12 | 13 | 1.468 | 1.155 | 500 |
| 13 | 14 | 0.5416 | 0.7129 | 500 |
| 14 | 15 | 0.591 | 0.526 | 500 |
| 15 | 16 | 0.7463 | 0.545 | 500 |
| 16 | 17 | 1.289 | 1.721 | 500 |
| 17 | 18 | 0.732 | 0.574 | 500 |
| 18 | 19 | 0.164 | 0.1565 | 500 |
| 19 | 20 | 1.5042 | 1.3554 | 500 |
| 20 | 21 | 0.4095 | 0.4784 | 500 |
| 21 | 22 | 0.7089 | 0.9373 | 500 |
| 22 | 23 | 0.4512 | 0.3083 | 500 |
| 23 | 24 | 0.898 | 0.7091 | 500 |
| 24 | 25 | 0.896 | 0.7011 | 500 |
| 25 | 26 | 0.203 | 0.1034 | 500 |
| 26 | 27 | 0.2842 | 0.1447 | 500 |
| 27 | 28 | 1.059 | 0.9337 | 500 |
| 28 | 29 | 0.8042 | 0.7006 | 500 |
| 29 | 31 | 0.5075 | 0.2585 | 500 |
| 30 | 31 | 0.9744 | 0.963 | 500 |
| 31 | 32 | 0.3105 | 0.3619 | 500 |
| 32 | 33 | 0.341 | 0.5302 | 500 |
References
- Erenoğlu, A.K.; Şengör, İ.; Erdinç, O.; Taşcıkaraoğlu, A.; Catalão, J.P.S. Optimal energy management system for microgrids considering energy storage, demand response and renewable power generation. Int. J. Electr. Power Energy Syst. 2022, 136, 107714. [Google Scholar] [CrossRef]
- Veronica, A.J.; Kumar, N.S. Control strategies for frequency regulation in microgrids: A review. Wind. Eng. 2021, 45, 107–122. [Google Scholar] [CrossRef]
- Nawaz, A.; Zhou, M.; Wu, J.; Long, C. A comprehensive review on energy management, demand response, and coordination schemes utilization in multi-microgrids network. Appl. Energy 2022, 323, 119596. [Google Scholar] [CrossRef]
- Evangeline, S.I.; Baskaran, K.; Darwin, S. Minimizing voltage fluctuation in stand-alone microgrid system using a Kriging-based multi-objective stochastic optimization algorithm. Electr. Eng. 2024, 1–18. [Google Scholar] [CrossRef]
- Yang, Z.; Wang, C.; Han, J.; Yang, F.; Shen, Y.; Min, H.; Hu, W.; Song, H. Analysis of voltage control strategies for DC microgrid with multiple types of energy storage systems. Electronics 2023, 12, 1661. [Google Scholar] [CrossRef]
- Eldali, F.; Hardy, T.; Corbin, C.; Pinney, D.; Javid, M. Cost-benefit analysis of Demand Response programs incorporated in Open Modeling Framework. In Proceedings of the 2016 IEEE Power and Energy Society General Meeting (PESGM), Boston, MA, USA, 17–21 July 2016. [Google Scholar]
- Venkatesan, N.; Solanki, J.; Solanki, S.K. Residential demand response model and impact on voltage profile and losses of an electric distribution network. Appl. Energy 2012, 96, 84–91. [Google Scholar] [CrossRef]
- Ullah, K.; Jiang, Q.; Geng, G.; Khan, R.A.; Aslam, S.; Khan, W. Optimization of demand response and power-sharing in microgrids for cost and power losses. Energies 2022, 15, 3274. [Google Scholar] [CrossRef]
- Le, L.T.; Nguyen, H.; Dou, J.; Zhou, J. A Comparative study of PSO-ANN, GA-ANN, ICA-ANN, and ABC-ANN in estimating the heating load of buildings’ energy efficiency for smart city planning. Appl. Sci. 2019, 9, 2630. [Google Scholar] [CrossRef]
- Purlu, M.; Turkay, B.E. Optimal allocation of renewable distributed generations using heuristic methods to minimize annual energy losses and voltage deviation index. IEEE Access 2022, 10, 21455–21474. [Google Scholar] [CrossRef]
- Dehghani, H.; Vahidi, B. Transformers loss of life management in smart distribution networks using a new hybrid method based on optimal demand response programs and cost–benefit analysis. Electr. Eng. 2021, 104, 1951–1966. [Google Scholar] [CrossRef]
- De Moraes, L.B.; Parpinelli, R.S.; Fiorese, A. Application of deterministic, stochastic, and hybrid methods for cloud provider selection. J. Cloud Comput. 2022, 11, 5. [Google Scholar] [CrossRef]
- Talebi, S.; Aly, H. A Review of Battery Energy Storage System Optimization: Current State-Of-The-Art and Future Trends. In Proceedings of the IEEE International Conference on Green Energy, Computing and Sustainable Technology, Miri Sarawak, Malaysia, 17–19 January 2024. [Google Scholar]
- Kiasari, M.; Gaffari, M. Hamed Aly A Comprehensive Review of the Current Status of Smart Grid Technologies for Renewable Energies Integration and Future Trends: The Role of Machine Learning and Energy Storage Systems. Energies 2024, 17, 4128. [Google Scholar] [CrossRef]
- Li, L.; Wang, L.; Sheng, C.; Sun, W.; Li, Y. Analysis on voltage deviation inactive distribution network and active voltage management. In Proceedings of the 2014 China International Conference on Electricity Distribution (CICED), Shenzhen, China, 23–26 September 2014; pp. 1610–1614. [Google Scholar]
- Gouda, N.; Aly, H. Distributed Energy Sources Management using Shuffled Frog-Leaping Algorithm for Optimizing the Environmental and Economic Indices of Smart Microgrid. In Proceedings of the IEEE International Conference in Emerging Technologies for Sustainability and Intelligent Systems (ICETSIS), Manama, Bahrain, 28–29 January 2024; pp. 1507–1511. [Google Scholar]
- Ahmed, M.; Ebrahim, M.; Ramadan, H.; Becherif, M. Optimal genetic-sliding mode control of VSC-HVDC transmission systems. Energy Procedia 2015, 74, 1048–1060. [Google Scholar] [CrossRef]
- Ghasemi, M.; Ghavidel, S.; Ghanbarian, M.M.; Gharibzadeh, M.; Vahed, A.A. Multi-objective optimal power flow considering the cost, emission, voltage deviation and power losses using multi-objective modified imperialist competitive algorithm. Energy 2014, 78, 276–289. [Google Scholar] [CrossRef]
- Alvarado-Reyes, S.; Villar-Yacila, P.; Fiestas, H. Imperialist competitive algorithm applied to the optimal integration of photovoltaic distributed generation units into a microgrid. E-Prime-Adv. Electr. Eng. Electron. Energy 2022, 2, 100086. [Google Scholar] [CrossRef]
- Jahani, R.; Hosseinzadeh, A.; Gharegozi, A.; Mohammad Abad, M. ICA-based Allocation of DGs in a Distribution System. Am. J. Sci. Res. 2011, 33, 64–75. [Google Scholar]
- Rugthaicharoencheep, N.; Nedphograw, S.; Wanaratwijit, W. Distribution System Operation for Power Loss Minimization and Improved Voltage Profile with Distributed Generation and Capacitor Placements. In Proceedings of the 2011 IEEE 4th International Conference on Electric Utility Deregulation and Restructuring and Power Technologies (DRPT), Weihai, China, 6–9 July 2011; pp. 1185–1189. [Google Scholar]
- EI-Arini, M.M.; Youssef, M.T.; Hendawy, H.H. Voltage sag analysis and its reduction to improve power system performance. In Proceedings of the 2006 Eleventh International Middle East Power Systems Conference, El-Minia, Egypt, 19–21 December 2006. [Google Scholar]









| Technique | Key Features | Advantages | Drawbacks |
|---|---|---|---|
| Deterministic Methods | Mathematical rules require derivatives | Fast convergence | Sensitive to initial points, may not reach global optimum |
| Stochastic Methods | Statistical rules, random searches | Can find global optimum, handles nonlinearity | Slow convergence |
| Hybrid Methods | Combination of deterministic and stochastic | Balances speed and accuracy | Complexity in implementation |
| Genetic Algorithm (GA) | Inspired by natural selection, uses a fitness function | Handles complex problems, flexible | May converge slowly, computationally intensive |
| Imperialist Competitive Algorithm (ICA) | Inspired by imperialistic competition | Efficient for large-scale problems | Can get trapped in local optima |
| Hybrid GA-ICA | Combines GA and ICA techniques | Improves convergence and accuracy | Increased computational complexity |
| (a) Voltage in per-unit at bus 27 for different hours | ||||
| Technique | H21 | H22 | H23 | H24 |
| Base case | 0.96888 | 0.97270 | 0.97521 | 0.97945 |
| ICA | 0.97978 | 0.97927 | 0.98237 | 0.98392 |
| GA | 0.98142 | 0.98497 | 0.98625 | 0.98894 |
| Hybrid | 0.98116 | 0.98482 | 0.98635 | 0.98929 |
| (b) Voltage in per-unit at bus 28 for different hours | ||||
| Technique | H21 | H22 | H23 | H24 |
| Base case | 0.96330 | 0.96775 | 0.97068 | 0.97564 |
| ICA | 0.97599 | 0.97560 | 0.97906 | 0.98044 |
| GA | 0.97778 | 0.98216 | 0.98367 | 0.98660 |
| Hybrid | 0.97798 | 0.98224 | 0.98368 | 0.98704 |
| (c) Voltage in per-unit at bus 31 for different hours | ||||
| Technique | H21 | H22 | H23 | H24 |
| Base case | 0.95605 | 0.96148 | 0.96505 | 0.97108 |
| ICA | 0.97174 | 0.97110 | 0.97548 | 0.97651 |
| GA | 0.97367 | 0.97923 | 0.98113 | 0.98388 |
| Hybrid | 0.97419 | 0.97925 | 0.98130 | 0.98471 |
Disclaimer/Publisher’s Note: The statements, opinions and data contained in all publications are solely those of the individual author(s) and contributor(s) and not of MDPI and/or the editor(s). MDPI and/or the editor(s) disclaim responsibility for any injury to people or property resulting from any ideas, methods, instructions or products referred to in the content. |
© 2024 by the authors. Licensee MDPI, Basel, Switzerland. This article is an open access article distributed under the terms and conditions of the Creative Commons Attribution (CC BY) license (https://creativecommons.org/licenses/by/4.0/).
Share and Cite
Ghaffari, M.; Aly, H.H. Voltage Deviation Improvement in Microgrid Operation through Demand Response Using Imperialist Competitive and Genetic Algorithms. Information 2024, 15, 638. https://doi.org/10.3390/info15100638
Ghaffari M, Aly HH. Voltage Deviation Improvement in Microgrid Operation through Demand Response Using Imperialist Competitive and Genetic Algorithms. Information. 2024; 15(10):638. https://doi.org/10.3390/info15100638
Chicago/Turabian StyleGhaffari, Mahdi, and Hamed H. Aly. 2024. "Voltage Deviation Improvement in Microgrid Operation through Demand Response Using Imperialist Competitive and Genetic Algorithms" Information 15, no. 10: 638. https://doi.org/10.3390/info15100638
APA StyleGhaffari, M., & Aly, H. H. (2024). Voltage Deviation Improvement in Microgrid Operation through Demand Response Using Imperialist Competitive and Genetic Algorithms. Information, 15(10), 638. https://doi.org/10.3390/info15100638

