Desulfurizing of Pyrolysis Oil of Used Tires Using a 3D-Printed Vortex Diode and Modeling of Process
Abstract
:1. Introduction
- -
- Catalytic hydrodesulfurization is most commonly used in industry for the desulfurization of fuels. Catalysts based on Co-Mo or Ni-Mo are used at high temperatures and high pressures. In this way, sulfur contents of about 350 ppm are achieved, with special catalyst improvements even less [33];
- -
- Oxidative methods, on the other hand, allow mild reaction conditions using oxygen or peroxides as well as catalysts [34], which, however, require a high loading with the oxidant;
- -
- Extractive methods [35] use special solvents for sulfur-containing compounds in which non-sulfur hydrocarbons are less soluble as well as unconventional methods;
- -
- Furthermore, there are special methods such as biological desulfurization, electrochemical treatments, desulfurization with metallic sodium, treatment with caustic solutions, etc. [36].
2. Materials and Methods
2.1. Numerical Simulation of Fluid Dynamics
2.2. Materials
2.3. Hydrodynamic Cavitation Setup
2.4. Performing Desulfurisation
3. Results and Discussions
3.1. Numerical Modeling and Analysis of the Cavitation Phenomenon in Vortex Tube
- (a)
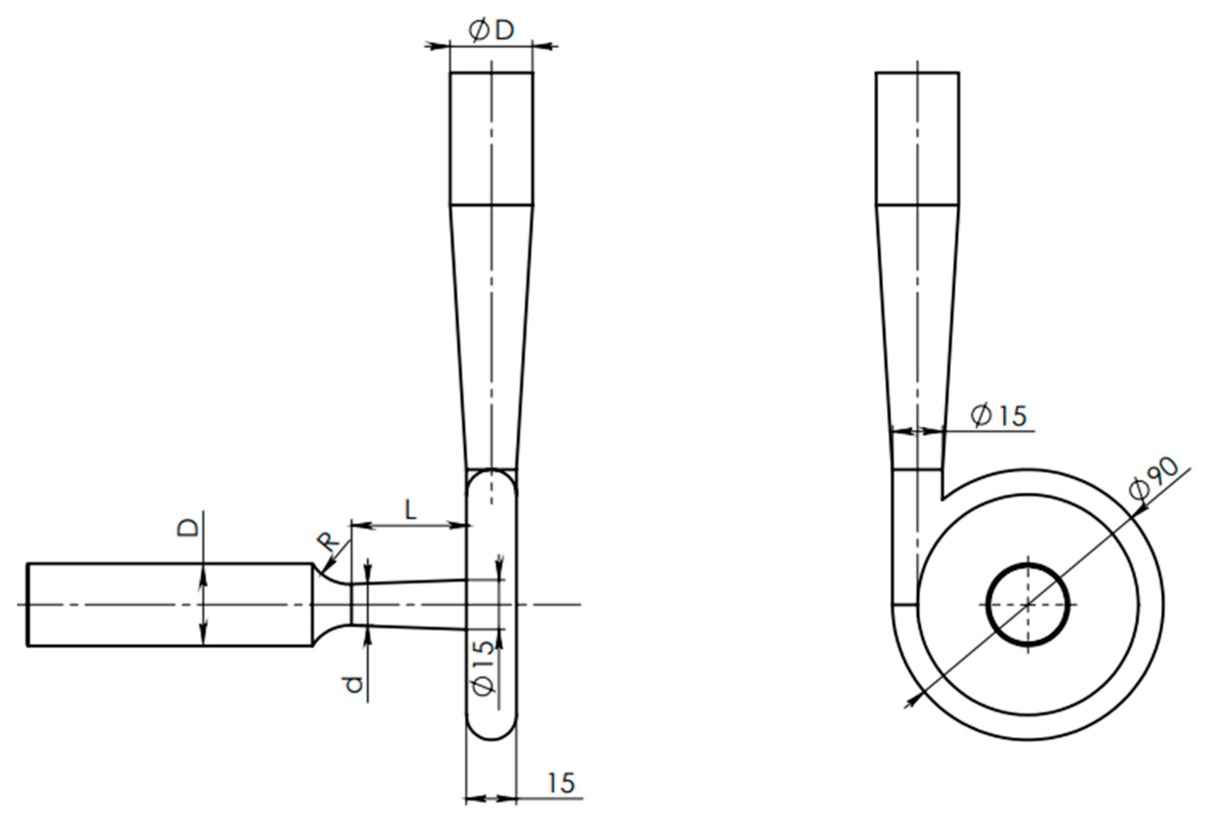
- geometric parameters of the tube length L from 25 to 40 mm, the throat diameter d from 7 to 12 mm, the tube diameter D from 22 to 28 mm, and the rounding radius R from 8 to 20 mm.
- (b)
- working modes: pressure p from 3 to 12 bar and flow rate Q from 1.5 to 4 m3 h−1.
3.2. Desulfurisation of a Pyrolysis Oil
3.3. Interactive Effects Analysis
4. Conclusions
Author Contributions
Funding
Institutional Review Board Statement
Informed Consent Statement
Data Availability Statement
Conflicts of Interest
References
- Svanberg, M.; Ellis, J.; Lundgren, J.; Landval, I. Renewable methanol as a fuel for the shipping industry. Renew. Sustain. Energy Rev. 2018, 94, 1217–1228. [Google Scholar] [CrossRef]
- Sahin, B.; Yilmaz, H.; Ust, Y.; Fuat Guneri, A.; Gulsun, B.; Turan, E. An Approach for Economic Analysis of Intermodal Transportation. Sci. World J. 2014, 2014, 630320. [Google Scholar] [CrossRef]
- IMO. UN Body Adopts Climate Change Strategy for Shipping IMO. 13 April 2018. Available online: https://www.imo.org/en/MediaCentre/PressBriefings/Pages/06GHGinitialstrategy.aspx (accessed on 30 June 2021).
- Decarbonising Maritime Transport Pathways to Zero-Carbon Shipping by 2035 Pathways to Zero-Carbon Shipping by 2035; International Transport Forum: Paris, France, 2018; Available online: https://www.itf-oecd.org/sites/default/files/docs/decarbonising-maritime-transport-2035.pdf (accessed on 30 June 2021).
- Mallouppas, G.; Yfantis, E.A. Decarbonization in Shipping Industry: A Review of Research, Technology Development, and Innovation Proposals. J. Mar. Sci. Eng. 2021, 9, 415. [Google Scholar] [CrossRef]
- Gilbert, P.; Walsh, C.; Traut, M.; Kesieme, U.; Pazouki, K.; Murphy, A. Assessment of full life-cycle air emissions of alternative shipping fuels. J. Clean. Prod. 2018, 172, 855–866. [Google Scholar] [CrossRef]
- Yaqoob, H.; Teoh, Y.H.; Sher, F.; Jamil, M.A.; Murtaza, D.; Al Qubeissi, M.; UI Hassan, M.; Mujtaba, M.A. Current Status and Potential of Tire Pyrolysis Oil Production as an Alternative Fuel in Developing Countries. Sustainability 2021, 13, 3214. [Google Scholar] [CrossRef]
- European Commission. Council Directive 1999/31/EC on the Landfill of Waste; European Commission: Brussels, Belgium, 1999; Available online: https://eur-lex.europa.eu/legal-content/EN/TXT/?uri=CELEX:01999L0031-20180704 (accessed on 26 June 2021).
- Bulei, C.; Todor, M.P.; Heput, T.; Kiss, I. Directions for material recovery of used tires and their use in the production of new products intended for the industry of civil construction and pavements. IOP Conf. Ser. Mater. Sci. Eng. 2018, 294, 012064. [Google Scholar] [CrossRef]
- Fazli, A.; Rodrigue, D. Recycling Waste Tires into Ground Tire Rubber (GTR)/Rubber Compounds: A Review. J. Compos. Sci. 2020, 4, 103. [Google Scholar] [CrossRef]
- Martinez, J.D.; Puy, N.; Murillo, R.; Garcia, T.; Navarro, M.V.; Mastral, A.M. Waste tyre pyrolysis—A review. Renew. Sustain. Energy Rev. 2013, 23, 179–213. [Google Scholar] [CrossRef]
- Ramos, G.; Alguacil, E.J.; Lopez, F.A. The recycling of end-of-life tyres. technological review. Rev. Metal. 2011, 47, 273. [Google Scholar] [CrossRef] [Green Version]
- Ranzi, E.; Dente, M.; Faravelli, T.; Bozzano, G.; Fabini, S.; Nava, R.; Cozzani, V.; Tognotti, L. Kinetic modelling of polyethylene and polypropylene thermal degradation. J. Anal. Appl. Pyrolysis 1997, 40, 305–319. [Google Scholar] [CrossRef]
- Jouhara, H.; Ahmad, D.; van den Boogaert, I.; Katsou, E.; Simons, S.; Spencer, N. Pyrolysis of domestic based feedstock at temperatures up to 300 °C. Therm. Sci. Eng. Prog. 2018, 5, 117–143. [Google Scholar] [CrossRef]
- Kloss, S.; Zehetner, F.; Dellantonio, A.; Hamid, R.; Ottner, F.; Liedtke, V.; Schwanninger, M.; Gerzabek, M.H.; Soja, G. Characterization of Slow Pyrolysis Biochars: Effects of Feedstocks and Pyrolysis Temperature on Biochar Properties. J. Environ. Qual. 2012, 41, 990–1000. [Google Scholar] [CrossRef]
- Suriapparao, D.V.; Vinu, R. Effects of Biomass Particle Size on Slow Pyrolysis Kinetics and Fast Pyrolysis Product Distribution. Waste Biomass Valorization 2018, 9, 465–477. [Google Scholar] [CrossRef]
- Li, X.W.C.; Li, Z.; Yu, G.; Wang, Y. Effect of pyrolysis temperature on characteristics, chemical speciation and risk evaluation of heavy metals in biochar derived from textile dyeing sludge. Ecotoxicol. Environ. Saf. 2019, 168, 45–52. [Google Scholar] [CrossRef]
- Meier, D.; Faix, O. State of the art of applied fast pyrolysis of lignocellulosic materials—A review. Bioresour. Technol. 1999, 68, 71–77. [Google Scholar] [CrossRef]
- Qureshi, K.M.; Ng Kay Lup, A.; Khan, S.; Abnisa, F.; Daud, W.M.A.W. A technical review on semi-continuous and continuous pyrolysis process of biomass to bio-oil. J. Anal. Appl. Pyrolysis 2018, 131, 52–75. [Google Scholar] [CrossRef]
- Das, P.; Tiwari, P. The effect of slow pyrolysis on the conversion of packaging waste plastics (PE and PP) into fuel. Waste Manag. 2018, 79, 615–624. [Google Scholar] [CrossRef]
- Barry, D.; Barbiero, C.; Briens, C.; Berruti, F. Pyrolysis as an economical and ecological treatment option for municipal sewage sludge. Biomass Bioenergy 2019, 122, 472–480. [Google Scholar] [CrossRef]
- Chua, H.S.; Bashir, M.J.K.; Tan, K.T.; Chua, H.S. A sustainable pyrolysis technology for the treatment of municipal solid waste in Malaysia. AIP Conf. Proc. 2019, 2124, 020016. [Google Scholar] [CrossRef]
- Samolada, M.C.; Zabaniotou, A.A. Comparative assessment of municipal sewage sludge incineration, gasification and pyrolysis for a sustainable sludge-to-energy management in Greece. Waste Manag. 2014, 34, 411. [Google Scholar] [CrossRef]
- Jeswani, H.; Krüger, C.; Russ, M.; Horlacher, M.; Antony, F.; Hann, S.; Azapagic, A. Life cycle environmental impacts of chemical recycling via pyrolysis of mixed plastic waste in comparison with mechanical recycling and energy recovery. Sci. Total Environ. 2021, 769, 144483. [Google Scholar] [CrossRef]
- Jantaraksa, N.; Prasassarakich, P.; Reubroycharoen, P.; Hinchiranan, N. Cleaner alternative liquid fuels derived from the hydrodesulfurization of waste tire pyrolysis oil. Energy Convers. Manag. 2015, 95, 424–434. [Google Scholar] [CrossRef]
- Directive 2008/98/EC of the European Parliament and of the Council of 19 November 2008 on Waste and Repealing Certain Directives. Available online: https://eur-lex.europa.eu/eli/dir/2008/98/oj (accessed on 24 June 2021).
- Dobrotă, D.; Dobrotă, G. An innovative method in the regeneration of waste rubber and the sustainable development. J. Clean. Prod. 2018, 172, 3591–3599. [Google Scholar] [CrossRef]
- Frigo, S.; Seggiani, M.; Puccini, M.; Vitolo, S. Liquid fuel production from waste tyre pyrolysis and its utilisation in a Diesel engine. Fuel 2014, 116, 399–408. [Google Scholar] [CrossRef]
- Kumaravel, S.T.; Murugesan, A.; Kumaravel, A. Tyre pyrolysis oil as an alternative fuel for diesel engines—A review. Renew. Sustain. Energy Rev. 2016, 60, 1678–1685. [Google Scholar] [CrossRef]
- Quek, A.; Balasubramanian, R. Liquefaction of waste tires by pyrolysis for oil and chemicals—A review. J. Anal. Appl. Pyrolysis 2013, 101, 1–16. [Google Scholar] [CrossRef]
- Antoniou, N.; Zabaniotou, A. Features of an efficient and environmentally attractive used tyres pyrolysis with energy and material recovery. Renew. Sustain. Energy Rev. 2013, 20, 539–558. [Google Scholar] [CrossRef]
- Official Journal L 076, 22/03/2003, Directive 2003/17/EC of the European Parliament and of the Council of 3 March 2003 Amending Directive 98/70/EC Relating to the Quality of Petrol and Diesel Fuels. Available online: https://eur-lex.europa.eu/eli/dir/2003/17/oj (accessed on 24 June 2021).
- Diaz de Leon, J.N.; Kumar, C.R.; Antunez-Garcia, J.; Fuentes-Moyado, S. Recent Insights in Transition Metal Sulfide Hydrodesulfurization Catalysts for the Production of Ultra Low Sulfur Diesel: A Short Review. Catalysts 2019, 9, 87. [Google Scholar] [CrossRef] [Green Version]
- Hossain, M.N.; Park, H.C.; Choi, H.S. A Comprehensive Review on Catalytic Oxidative Desulfurization of Liquid Fuel Oil. Catalysts 2019, 9, 229. [Google Scholar] [CrossRef] [Green Version]
- Kumar, S.; Chandra Srivastava, V.; Madhusudan Nanoti, S. Extractive Desulfurization of Gas Oils: A Perspective Review for Use in Petroleum Refineries. Sep. Purif. Rev. 2017, 46, 319–347. [Google Scholar] [CrossRef]
- Aitani, A.M.; Ali, M.F.; Al-Ali, H.H. A review of non conventional methods for the desulfurization of residual fuel oil. Petrol. Sci. Technol. 2000, 18, 537–553. [Google Scholar] [CrossRef]
- Chandra Srivastava, V. An evaluation of desulphurization technologies for sulphur removal from liquid fuels. RSC Adv. 2012, 2, 759–783. [Google Scholar] [CrossRef]
- Suryawanshi, N.; Bhandari, V.; Sorokhaibam, L.; Ranade, V.V. A Non-catalytic Deep Desulphurization Process using Hydrodynamic Cavitation. Sci. Rep. 2016, 6, 33021. [Google Scholar] [CrossRef] [PubMed] [Green Version]
- Sun, X.; Park, J.J.; Kim, H.S.; Lee, S.H.; Seong, S.J.; Om, A.S.; Yoon, J.Y. Experimental investigation of the thermal and disinfection performances of a novel hydrodynamic cavitation reactor. Ultrason. Sonochem. 2018, 49, 13–23. [Google Scholar] [CrossRef]
- Talebian Gevari, M.; Abbasiasl, T.; Niazi, S.; Ghorbani, M.; Kosar, A. Direct and indirect thermal applications of hydrodynamic and acoustic cavitation: A review. Appl. Therm. Eng. 2020, 171, 115065. [Google Scholar] [CrossRef]
- Albanese, L.; Ciriminna, R.; Meneguzzo, F.; Pagliaro, M. Beer-brewing powered by controlled hydrodynamic cavitation: Theory and real-scale experiments. J. Clean. Prod. 2016, 142, 1457–1470. [Google Scholar] [CrossRef] [Green Version]
- Albanese, L.; Ciriminna, R.; Meneguzzo, F.; Pagliaro, M. Energy efficient inactivation of Saccharomyces cerevisiae via controlled hydrodynamic cavitation. Energy Sci. Eng. 2015, 3, 221–238. [Google Scholar] [CrossRef]
- Carpenter, J.; Badve, M.; Rajoriya, S.; George, S.; Kumar Saharan, V.; Pandit, A.B. Hydrodynamic cavitation: An emerging technology for the intensification of various chemical and physical processes in a chemical process industry. Rev. Chem. Eng. 2016, 33, 433–468. [Google Scholar] [CrossRef]
- Pokhrel, N.; Vabbina, P.K.; Pala, N. Sonochemistry: Science and Engineering. Ultrason. Sonochem. 2016, 29, 104–128. [Google Scholar] [CrossRef]
- Suslick, K.S.; Mdleleni, M.M.; Ries, J.T. Chemistry induced by hydrodynamic cavitation. J. Am. Chem. Soc. 1997, 119, 9303–9304. [Google Scholar] [CrossRef]
- Baradaran, S.; Sadeghi, M.T. Desulfurization of non-hydrotreated kerosene using hydrodynamic cavitation assisted oxidative desulfurization (HCAOD) process. J. Environ. Chem. Eng. 2020, 8, 103832. [Google Scholar] [CrossRef]
- Kozyuk, O.V. Desulphurization Process and Systems Utilizing Hydrodynamic Cavitation. U.S. Patent 8,002,971 B2, 23 August 2011. [Google Scholar]
- Kulkarni, A.A.; Ranade, V.V.; Rajeev, R.; Koganti, S.B. CFD Simulation of Flow in Vortex Diodes. AIChE J. 2008, 54, 1139–1152. [Google Scholar] [CrossRef]
- Wang, J.; Chen, W. Numerical optimization design of vortex diode hydrodynamic cavitation reactor. J. Phys. Conf. Ser. 2019, 1300, 012116. [Google Scholar] [CrossRef]
- Sun, X.; Hyeok Kang, C.; Jin Park, J.; Soo Kim, H.; Son Om, A.; Yong Yoon, J. An experimental study on the thermal performance of a novel hydrodynamiccavitation reactor. Exper. Therm. Fluid Sci. 2018, 99, 200–210. [Google Scholar] [CrossRef]
- Soyama, H.; Hoshino, J. Enhancing the aggressive intensity of hydrodynamic cavitation through a Venturi tube by increasing the pressure in the region where the bubbles collapse. AIP Adv. 2016, 6, 045113. [Google Scholar] [CrossRef] [Green Version]
- Ja’fari, M.; Ebrahimi, S.L.; Khosravi-Nikou, M.R. Ultrasound-assisted oxidative desulfurization and denitrogenation of liquid hydrocarbon fuels: A critical review. Ultrason. Sonochem. 2018, 40, 955–968. [Google Scholar] [CrossRef]
- Abramov, V.O.; Abramov, A.V.; Cravotto, G.; Nikonov, R.V.; Fedulov, I.S.; Ivanov, V.K. Flow-mode water treatment under simultaneous hydrodynamic cavitation and plasma. Ultrason. Sonochem. 2021, 70, 105323. [Google Scholar] [CrossRef]











| Geometrical Parameters of Vortex Diode | Working Modes | Cavitation | |||||
|---|---|---|---|---|---|---|---|
| Length of the Tube between Vortex Diode and the Throat L, mm | Diameter of Venturi Tube at the Throat d, mm | Rounding Radius of the Throat R, mm | Diameter of Inlet/Outlet Tube D, mm | Inlet Pressure p, Bar | Inlet Flowrate Q, m3 h−1 | Mass Fraction of Vapor, mv | Length of Cavitation Bubbles Cloud after Throat Lcav, mm |
| 40 | 11 | 16 | 26 | 5 | 2.5 | 0 | 0 |
| 40 | 11 | 16 | 26 | 5 | 3 | 0.0005124 | 120 |
| 40 | 11 | 16 | 26 | 5 | 3.2 | 0.0005166 | 135 |
| 34 | 10 | 12 | 26 | 6 | 2 | 0 | 0 |
| 34 | 10 | 12 | 26 | 6 | 2.5 | 0 | 0 |
| 34 | 10 | 12 | 26 | 6 | 3 | 0.0006797 | 90 |
| 34 | 10 | 12 | 26 | 6 | 3.2 | 0.0007837 | 100 |
| 34 | 10 | 12 | 26 | 4 | 2 | 0 | 0 |
| 34 | 10 | 12 | 26 | 4 | 2.5 | 0.0006159 | 110 |
| 34 | 10 | 12 | 26 | 4 | 3 | 0.0006117 | 150 |
| 34 | 10 | 14 | 26 | 6 | 2.5 | ||
| 34 | 10 | 14 | 26 | 6 | 3 | 0.0005085 | 90 |
| 34 | 10 | 14 | 26 | 6 | 3.2 | 0.0007664 | 130 |
| 34 | 10 | 10 | 26 | 4 | 2 | 0 | 0 |
| 34 | 10 | 10 | 26 | 4 | 2.5 | 0.0006278 | 100 |
| 34 | 10 | 10 | 26 | 4 | 3 | 0.0006433 | 150 |
| 34 | 10 | 10 | 22 | 6 | 2.5 | 0 | 0 |
| 34 | 10 | 10 | 22 | 6 | 2.7 | 0.000004 | 51 |
| 34 | 10 | 10 | 22 | 6 | 3 | 0.0005485 | 90 |
| 35 | 12 | 12 | 26 | 6 | 2.5 | 0 | 0 |
| 35 | 12 | 12 | 26 | 6 | 3 | 0.0002774 | 90 |
| 35 | 12 | 12 | 26 | 6 | 3.5 | 0.0006468 | 150 |
| 40 | 11 | 14 | 26 | 4 | 2.3 | 0 | 0 |
| 40 | 11 | 14 | 26 | 4 | 2.5 | 0.0002098 | 130 |
| 25 | 7 | 8 | 20 | 3 | 2.4 | 0.0011306 | 150 |
Publisher’s Note: MDPI stays neutral with regard to jurisdictional claims in published maps and institutional affiliations. |
© 2021 by the authors. Licensee MDPI, Basel, Switzerland. This article is an open access article distributed under the terms and conditions of the Creative Commons Attribution (CC BY) license (https://creativecommons.org/licenses/by/4.0/).
Share and Cite
Uebe, J.; Kryževičius, Ž.; Janutėnienė, J.; Žukauskaitė, A.; Bertašius, E.; Rapolavičius, R.; Jankūnas, V.; Senulis, A. Desulfurizing of Pyrolysis Oil of Used Tires Using a 3D-Printed Vortex Diode and Modeling of Process. J. Mar. Sci. Eng. 2021, 9, 876. https://doi.org/10.3390/jmse9080876
Uebe J, Kryževičius Ž, Janutėnienė J, Žukauskaitė A, Bertašius E, Rapolavičius R, Jankūnas V, Senulis A. Desulfurizing of Pyrolysis Oil of Used Tires Using a 3D-Printed Vortex Diode and Modeling of Process. Journal of Marine Science and Engineering. 2021; 9(8):876. https://doi.org/10.3390/jmse9080876
Chicago/Turabian StyleUebe, Jochen, Žilvinas Kryževičius, Jolanta Janutėnienė, Audronė Žukauskaitė, Eugenijus Bertašius, Rokas Rapolavičius, Valdas Jankūnas, and Audrius Senulis. 2021. "Desulfurizing of Pyrolysis Oil of Used Tires Using a 3D-Printed Vortex Diode and Modeling of Process" Journal of Marine Science and Engineering 9, no. 8: 876. https://doi.org/10.3390/jmse9080876
APA StyleUebe, J., Kryževičius, Ž., Janutėnienė, J., Žukauskaitė, A., Bertašius, E., Rapolavičius, R., Jankūnas, V., & Senulis, A. (2021). Desulfurizing of Pyrolysis Oil of Used Tires Using a 3D-Printed Vortex Diode and Modeling of Process. Journal of Marine Science and Engineering, 9(8), 876. https://doi.org/10.3390/jmse9080876

