Laboratory Experimental Study on the Formation of Authigenic Carbonates Induced by Microbes in Marine Sediments
Abstract
1. Introduction
2. Materials and Methods
2.1. Preparation of Materials
2.1.1. Vitro Incubation of Microbes Strain
2.1.2. Artificial Pore Water
2.1.3. Sediments and Granite Slices
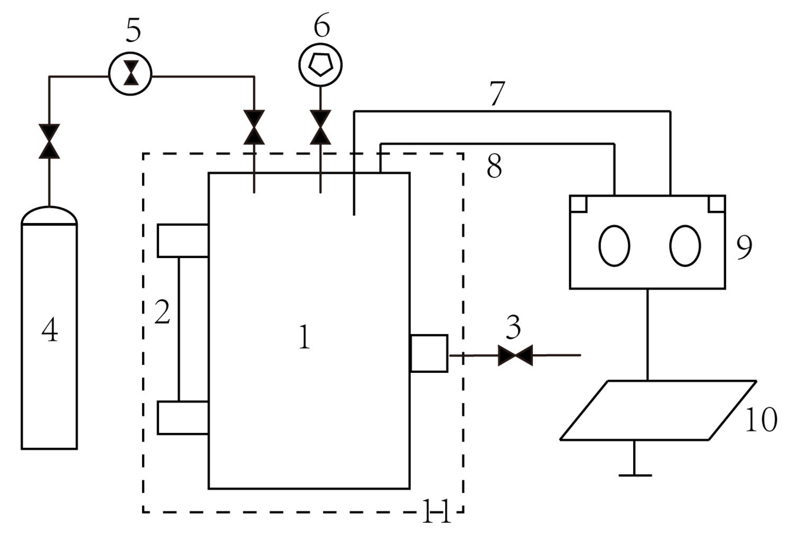
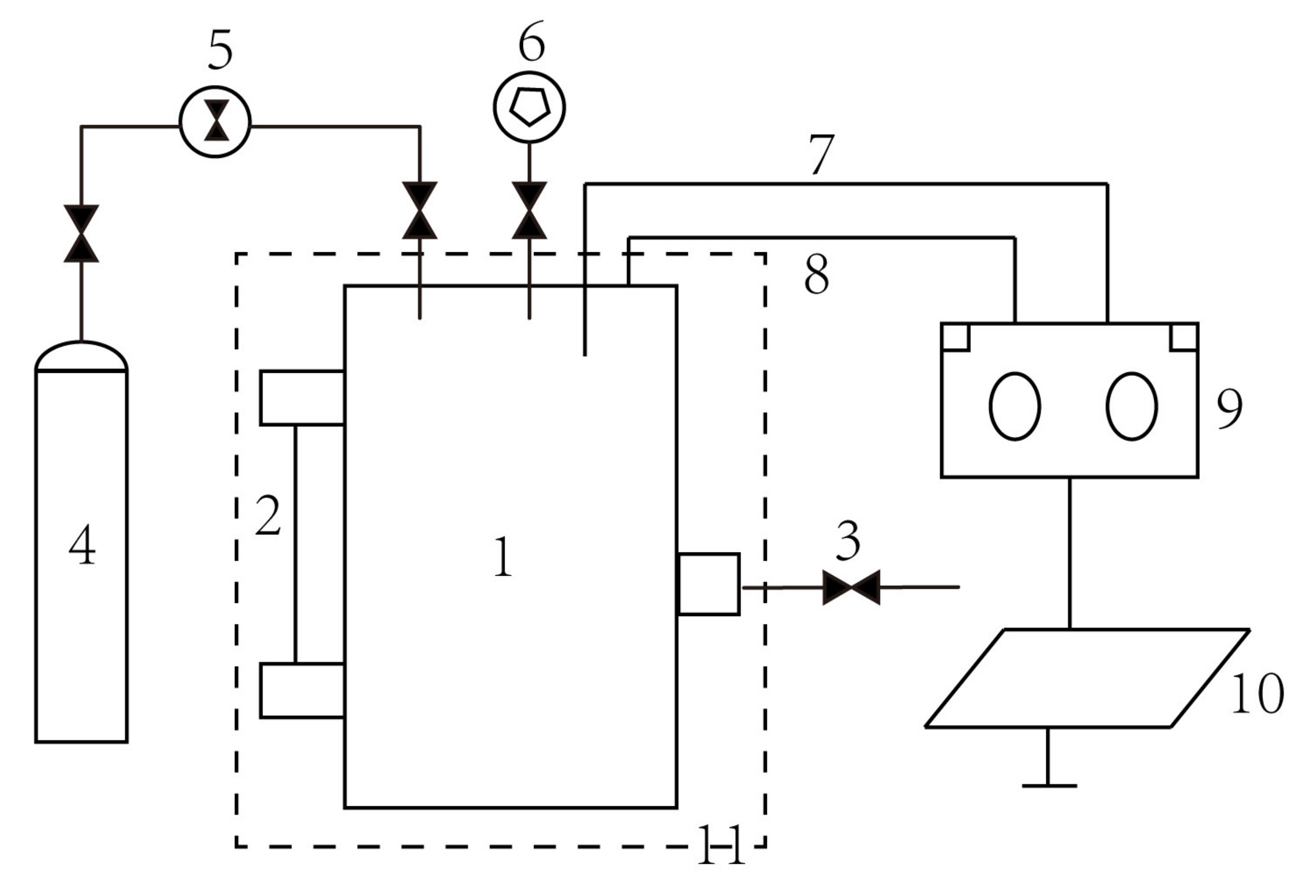
2.2. Experimental Apparatus and Procedures
2.2.1. Experimental Apparatus
2.2.2. Experimental Procedures
2.2.3. Analytical Methods
3. Results
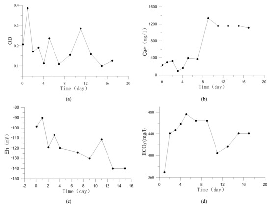
3.1. Fluid Chemistry and Microbes
3.2. Authigenic Minerals
4. Discussion
4.1. The Role of Microbes in Chemical Composition Changes of Pore Water and Carbonates Formation
4.2. The Formation Sequence of Carbonates of the Experiment
4.3. Formation Stages of Authigenic Carbonates Induced by Microbes in the Marine Sediment
5. Conclusions
- The microbial community changed during the experiment. Citrobacter and pseudomonas were the dominant strain at the beginning and end of the experiment, respectively. Both of them have the ability to promote the formation of carbonate minerals.
- In the experiment, FeCO3 is formed first, and then the complete isomorphous series of FeCO3-MgCO3 is formed. However, CaCO3 accounts for a small proportion in the isomorphous mixture of carbonates.
- We propose a formation process of authigenic carbonates performed by AOM and related microbes in marine sediments. It is divided into three stages. (1) The alkalinity of pore water increases during the initial stage. (2) A kind of carbonate mineral is preferentially formed during the hydrogenic stage. (3) The isomorphous series of carbonates were formed during the late halmyrolysis stage.
Author Contributions
Funding
Institutional Review Board Statement
Informed Consent Statement
Acknowledgments
Conflicts of Interest
Appendix A
References
- Ruppel, C.D.; Kessler, J.D. The interaction of climate change and methane hydrates. Rev. Geophys. 2016, 55, 126–168. [Google Scholar] [CrossRef]
- Knittel, K.; Boetius, A. Anaerobic oxidation of methane: Progress with an unknown process. Annu. Rev. Microbiol. 2009, 63, 311–334. [Google Scholar] [CrossRef]
- Liu, L.H.; Wu, N.Y. Simulation of advective methane flux and AOM in Shenhu area, the northern South China Sea. Environ. Earth Sci. 2014, 71, 697–707. [Google Scholar] [CrossRef]
- Reeburgh, W.S. Oceanic methane biogeochemistry. Chem. Rev. 2007, 107, 486–513. [Google Scholar] [CrossRef] [PubMed]
- Reeburgh, W.S. Global Methane Biogeochemistry. In Treatise on Geochemistry, 2nd ed.; Elsevier: Amsterdam, The Netherlands, 2014; pp. 71–94. [Google Scholar]
- Boetius, A.; Ravenschlag, K. A marine microbial consortium apparently mediating anaerobic oxidation of methane. Nature 2000, 407, 623–626. [Google Scholar] [CrossRef]
- Egger, M.; Riedinger, N. Global diffusive fluxes of methane in marine sediments. Nat. Geosci. 2018, 11, 421–425. [Google Scholar] [CrossRef]
- Wu, D.; Sun, T. Characteristics of Authigenic Minerals around the Sulfate-Methane Transition Zone in the Methane-Rich Sediments of the Northern South China Sea: Inorganic Geochemical Evidence. Int. J. Environ. Res. Public Health 2019, 16, 2299. [Google Scholar] [CrossRef] [PubMed]
- Wang, M.; Li, Q. Formation of authigenic carbonates at a methane seep site in the middle Okinawa Trough, East China Sea. J. Asian Earth Sci. 2019, 185, 104028. [Google Scholar] [CrossRef]
- De Boever, E.; Swennen, R. Lower Eocene carbonate cemented chimneys (Varna, NE Bulgaria): Formation mechanisms and the (a)biological mediation of chimney growth? Sediment. Geol. 2006, 185, 159–173. [Google Scholar] [CrossRef]
- Tong, H.; Feng, D. Authigenic carbonates from seeps on the northern continental slope of the South China Sea: New insights into fluid sources and geochronology. Mar. Pet. Geol. 2013, 43, 260–271. [Google Scholar] [CrossRef]
- Ruban, A.; Rudmin, M. The Formation of Authigenic Carbonates at a Methane Seep Site in the Northern Part of the Laptev Sea. Minerals 2020, 10, 948. [Google Scholar] [CrossRef]
- Thiagarajan, N.; Cremerie, A.; Blattler, C.; Lepland, A.; Kirsimae, K.; Higgins, J.; Brunstad, H.; Eiler, J. Stable and clumped isotope characterization of authigenic carbonates in methane cold seep environments. Geochim. Cosmochim. Acta 2020, 279, 204–219. [Google Scholar] [CrossRef]
- Dupraz, C.; Reid, R.P. Processes of carbonate precipitation in modern microbial mats. Earth Sci. Rev. 2009, 96, 141–162. [Google Scholar] [CrossRef]
- Sauer, S.; Crémière, A.; Knies, J.; Lepland, A.; Sahy, D.; Martma, T.; Noble, S.R.; Shoneberger, J.; Klug, M.; Schubert, C.J. U-Th chronology and formation controls of methane-derived authigenic carbonates from the Hola trough seep area, northern Norway. Chem. Geol. 2017, 470, 164–179. [Google Scholar] [CrossRef]
- Song, J. Marine Biogeochemistry; China Science Publishing & Media Ltd.: Beijing, China, 2020. [Google Scholar]
- Ye, T.; Guangrong, G. Experimental and numerical simulation of the formation of cold seep carbonates in marine sediments. Int. J. Environ. Res. Public Health 2019, 16, 1433. [Google Scholar] [CrossRef] [PubMed]
- Sun, B.; Zhao, H. Bio-precipitation of carbonate and phosphate minerals induced by the bacterium citrobacter freundii ZW123 in an anaerobic environment. Minerals 2020, 10, 65. [Google Scholar] [CrossRef]
- Wei, M. The Formation of Authigenic Minerals during Methane Seeping in Seafloor: Insight from Laboratory Test; Jilin University: Changchun, Jilin, China, 2016. [Google Scholar]
- Xu, T.F.; Bei, K.Q. Laboratory experiment and numerical simulation on authigenic mineral formation induced by seabed methane seeps. Mar. Pet. Geol. 2017, 88, 950–960. [Google Scholar] [CrossRef]
- Wu, D. Early Diagenesis Records and Geochemical Characteristics of Gas Hydrate in the South China Sea; Zhejiang University: Zhejiang, China, 2008. [Google Scholar]
- Daidai, W.; Nengyou, W. Geochemical Characteristics of Shallow Sediments in Gas Hydrate-bearing Area, Northeastern South China Sea. In Proceedings of the Fourth Chinese National Conference on Sedimentology, Qingdao, China, 16–20 October 2009; Volume 30, pp. 41–51. [Google Scholar]
- Liu, X.; Xu, T. Experiment on anaerobic oxidation of methane and precipitation of carbonate mediated by microbes. J. Cent. South Univ. (Sci. Technol.) 2016, 47, 1473–1479. [Google Scholar] [CrossRef]
- Hongxiang, G.; Yongge, S. Factors controlling the types of microbial consortia in cold-seep environments: A molecular and isotopic investigation of authigenic carbonates from the South China Sea. Chem. Geol. 2013, 354, 55–64. [Google Scholar] [CrossRef]
- Kleindienst, S.; Ramette, A. Distribution and in situ abundance of sulfate-reducing bacteria in diverse marine hydrocarbon seep sediments. Environ. Microbiol. 2012, 14, 2689–2710. [Google Scholar] [CrossRef]
- Bowles, M.W.; Samarkin, V.A. Weak coupling between sulfate reduction and the anaerobic oxidation of methane in methane-rich seafloor sediments during ex situ incubation. Geochim. Cosmochim. Acta 2011, 75, 500–519. [Google Scholar] [CrossRef]
- Chunshuang, J.; Jiyang, W. A Preliminary Study of the Gas Hydrate Stability Zone in the South China Sea. Acta Geol. Sin. Engl. Ed. 2002, 76, 423–428. [Google Scholar] [CrossRef]
- Liu, C.L.; Ye, Y.G. Experimental studies on the P-T stability conditions and influencing factors of gas hydrate in different systems. Sci. China Earth Sci. 2013, 56, 594–600. [Google Scholar] [CrossRef]
- Luff, R.; Wallmann, K. Fluid flow, methane fluxes, carbonate precipitation and biogeochemical turnover in gas hydrate-bearing sediments at Hydrate Ridge, Cascadia Margin: Numerical modeling and mass balances. Geochim. Cosmochim. Acta 2003, 67, 3403–3421. [Google Scholar] [CrossRef]
- Chapelle, F. Ground-Water Microbiology and Geochemistry; John Wiley & Sons: Hoboken, NJ, USA, 2000. [Google Scholar]
- Schulz, H.D. Redox Measurements in Marine Sediments; Springer: Berlin, Germany, 2000. [Google Scholar]
- Widdel, F.; Bak, F. Gram-Negative Mesophilic Sulfate-Reducing Bacteria; Springer: New York, NY, USA, 1992. [Google Scholar]
- Peck, H.D.; LeGall, J. Biochemistry of Dissimilatory Sulphate Reduction [and Discussion]. Philos. Trans. R. Soc. B Biol. Sci. 1982, 298, 443–466. [Google Scholar]
- Mingcong, W.; Tianfu, X. The Effection of the Temperature and Pressure Condition on the Formation of Authigene Minerals and Iron Sulfide in the Microorganisms System. Acta Sedimentol. Sin. 2018, 36, 664–673. [Google Scholar]
- Postgate, J.R. The Sulphate-Reducing Bacteria; Cambridge University Press: Cambridge, MA, USA, 1984. [Google Scholar]
- Shen, Z. Fundamentals of hydrogeochemistry; Geological Publishing House: Beijing, China, 1993. [Google Scholar]
- Feng, D.; Chen, D. Authigenic carbonates from an active cold seep of the northern South China Sea: New insights into fluid sources and past seepage activity. Deep Sea Res. Part II Top. Stud. Oceanogr. 2015, 122, 74–83. [Google Scholar] [CrossRef]
- Li, J.; Peng, X. Biogeochemical processes controlling authigenic carbonate formation within the sediment column from the Okinawa Trough. Geochim. Cosmochim. Acta 2018, 222, 363–382. [Google Scholar] [CrossRef]
- Heng, M.; Fuchun, L. Morphological evolution during the formation of carbonate spherulite in Citrobacter freundii culture. Geol. J. China Univ. 2009, 15, 429–436. [Google Scholar]
- Greenfield, L.J. Metabolism and concentration of calcium and magnesium and precipitation of calcium carbonate by a marine bacterium. Ann. N. Y. Acad. Sci. 1963, 109, 23–45. [Google Scholar] [CrossRef]
- Jones, B.; Peng, X. Hot spring deposits on a cliff face: A case study from Jifei, Yunnan Province, China. Sediment. Geol. 2014, 302, 1–28. [Google Scholar] [CrossRef]
- Dupraz, C.; Visscher, P.T. Microbe–mineral interactions: Early carbonate precipitation in a hypersaline lake (Eleuthera Island, Bahamas). Sedimentology 2010, 51, 745–765. [Google Scholar] [CrossRef]
- Decho, A.W. Overview of biopolymer-induced mineralization: What goes on in biofilms? Ecol. Eng. 2010, 36, 137–144. [Google Scholar] [CrossRef]
- Xingmin, R. Thermodynamic Investigations on the Interactions of Bacteria with Soil Clay Minerals; Huazhong Agricultural University: Hongshan, Hubei, China, 2008. [Google Scholar]
- Xiurong, H.; Guanglie, L. Study on the mechanism of the interaction between montmorillonite and bacterium. Acta Pharm. Sin. 2002, 37, 718–720. [Google Scholar]
- Zhiyu, T. Study on the Determination Method of Bacterial Number Adsorbed on the Surface of Clay Minerals and on the Enrichment Method of Teace Composition in Assembly of Clay Minerals; Nanjing Agricultural University: Nanjing, China, 2015. [Google Scholar]
- Zhu, T.T.; Fan, J. Experimental study on the interaction between Pseudomonas mendocina and montmorillonite. Bull. Miner. Petrol. Geochem. 2011, 30, 304–310. [Google Scholar]
- Ebinger, M.H. Water-Rock Interactions and the pH Stability of Groundwater from Yucca Mountain, Nevada; Office of Scientific & Technical Information: Oak Ridge, TN, USA, 1992. [Google Scholar]
- Erqing, Z. Marine Authigenic Mineral; Ocean Press: Lancing, UK, 1988. [Google Scholar]
- Curtis, C.D.; Coleman, M.L. Pore water evolution during sediment burial from isotopic and mineral chemistry of calcite, dolomite and siderite concretions. Geochim. Cosmochim. Acta 1986, 50, 2321–2334. [Google Scholar] [CrossRef]
- Zhaolu, P. Crystallography and Mineralogy; Geological Publishing House: Beijing, China, 1993. [Google Scholar]
- Shanrong, Z. Crystallography and Mineralogy; Higher Education Press: Beijing, China, 2011. [Google Scholar]
- Yarong, H. Study of Mineralization Mechanism of Carbonates and Sulfates Mediated by Marine Microbes; University of Science and Technology of China: Hefei, Anhui, China, 2019. [Google Scholar]
- Bazzaro, M.; Ogrinc, N. Geochemical signatures of intense episodic anaerobic oxidation of methane in near-surface sediments of a recently discovered cold seep (Kveithola trough, NW Barents Sea). Mar. Geol. 2020, 425, 106189. [Google Scholar] [CrossRef]
- Orcutt, B.; Boetius, A. Molecular biogeochemistry of sulfate reduction, methanogenesis and the anaerobic oxidation of methane at Gulf of Mexico cold seeps. Geochim. Cosmochim. Acta 2005, 69, 4267–4281. [Google Scholar] [CrossRef]
- Milucka, J.; Ferdelman, T.G. Zero-valent sulphur is a key intermediate in marine methane oxidation. Nature 2012, 491, 541–546. [Google Scholar] [CrossRef]
- Liu, S.; Feng, X. Geochemical evidence of methane seepage in the sediments of the Qiongdongnan Basin, South China Sea. Chem. Geol. 2020, 543, 119588. [Google Scholar] [CrossRef]
- Opitz, P.; Besch, L. Insights into the In Vitro Formation of Apatite from Mg-Stabilized Amorphous Calcium Carbonate. Adv. Funct. Mater. 2021, 31, 2007830. [Google Scholar] [CrossRef]
- Isaack, A.; Gischler, E. Facies variations in response to Holocene sea-level and climate change on Bora Bora, French Polynesia: Unravelling the role of synsedimentary siderite in a tropical marine, mixed carbonate-siliciclastic lagoon. Mar. Geol. 2017, 390, 1–22. [Google Scholar] [CrossRef]
- Zhang, Y.; Henriet, J.P. Stimulation of in vitro anaerobic oxidation of methane rate in a continuous high-pressure bioreactor. Bioresour. Technol. 2010, 101, 3132–3138. [Google Scholar] [CrossRef] [PubMed]
- Chang, I.S.; Clech, P.L. Membrane fouling in membrane bioreactors for wastewater treatment. J. Environ. Eng. 2002, 128, 1018–1029. [Google Scholar] [CrossRef]
- Timmers, P.H.A.; Gieteling, J. Growth of anaerobic methane-oxidizing archaea and sulfate-reducing bacteria in a high-pressure membrane capsule bioreactor. Appl. Environ. Microbiol. 2015, 81, 1286–1296. [Google Scholar] [CrossRef]
- Girguis, P.R.; Orphan, V.J. Growth and methane oxidation rates of anaerobic methanotrophic archaea in a continuous-flow bioreactor. Appl. Environ. Microbiol. 2003, 69, 5472–5482. [Google Scholar] [CrossRef]






| Chemical Species | Concentration (mM) | Chemical Species | Concentration (mM) |
|---|---|---|---|
| NH4+ | 3.4 | K+ | 15.3 |
| Mg2+ | 57.9 | Ca2+ | 9 |
| SO42− | 22.4 | Cl− | 603.3 |
Publisher’s Note: MDPI stays neutral with regard to jurisdictional claims in published maps and institutional affiliations. |
© 2021 by the authors. Licensee MDPI, Basel, Switzerland. This article is an open access article distributed under the terms and conditions of the Creative Commons Attribution (CC BY) license (https://creativecommons.org/licenses/by/4.0/).
Share and Cite
Wei, Z.; Xu, T.; Shang, S.; Tian, H.; Cao, Y.; Wang, J.; Shi, Z.; Liu, X. Laboratory Experimental Study on the Formation of Authigenic Carbonates Induced by Microbes in Marine Sediments. J. Mar. Sci. Eng. 2021, 9, 479. https://doi.org/10.3390/jmse9050479
Wei Z, Xu T, Shang S, Tian H, Cao Y, Wang J, Shi Z, Liu X. Laboratory Experimental Study on the Formation of Authigenic Carbonates Induced by Microbes in Marine Sediments. Journal of Marine Science and Engineering. 2021; 9(5):479. https://doi.org/10.3390/jmse9050479
Chicago/Turabian StyleWei, Zilin, Tianfu Xu, Songhua Shang, Hailong Tian, Yuqing Cao, Jiamei Wang, Zhenya Shi, and Xiao Liu. 2021. "Laboratory Experimental Study on the Formation of Authigenic Carbonates Induced by Microbes in Marine Sediments" Journal of Marine Science and Engineering 9, no. 5: 479. https://doi.org/10.3390/jmse9050479
APA StyleWei, Z., Xu, T., Shang, S., Tian, H., Cao, Y., Wang, J., Shi, Z., & Liu, X. (2021). Laboratory Experimental Study on the Formation of Authigenic Carbonates Induced by Microbes in Marine Sediments. Journal of Marine Science and Engineering, 9(5), 479. https://doi.org/10.3390/jmse9050479
