Next Article in Journal
Global Path Planning of Unmanned Surface Vehicle in Complex Sea Areas Based on Improved Streamline Method
Next Article in Special Issue
Synergistic Integration of Multiple Wave Energy Converters with Adaptive Resonance and Offshore Floating Wind Turbines through Bayesian Optimization
Previous Article in Journal
The Mamba Model: A Novel Approach for Predicting Ship Trajectories
Previous Article in Special Issue
Assessment of a Hybrid Wind–Wave Energy Converter System in Nearshore Deployment
 
 
Font Type:
Arial Georgia Verdana
Font Size:
Aa Aa Aa
Line Spacing:
Column Width:
Background:
Article

Experimental Validation of a Modular All-Electric Power Take-Off Topology for Wave Energy Converter Enabling Marine Renewable Energy Interconnection

by
Hamed Nademi
*,
Brent Joel Galindez
,
Michael Ross
and
Miguel Lopez
Department of Electrical Engineering, Sustainable and Interactive Technologies & Energy (SITE) Laboratory​, California State University, San Marcos, CA 92096, USA
*
Author to whom correspondence should be addressed.
J. Mar. Sci. Eng. 2024, 12(8), 1323; https://doi.org/10.3390/jmse12081323
Submission received: 4 July 2024 / Revised: 30 July 2024 / Accepted: 2 August 2024 / Published: 5 August 2024
(This article belongs to the Special Issue The Control, Modeling, and the Development of Wave Energy Convertors)

Abstract

Power electronic converters are an enabling technology for the emerging marine energy applications, such as using ocean waves to produce electricity. This paper outlines the power take-off system and its key components used in a wave energy converter offering modularity and scalability to generate power efficiently. The proposed power take-off system was implemented based on a modular multilevel converter and could be deployed to convert any alternating current electrical energy to a different alternating current for interconnection to grid or non-grid applications. Examples of widespread deployment are supplying electricity to coastal communities or producing clean drinking water. The analysis using both the simulation tests and laboratory experiments verified the design objectives and basic functionality of the developed power take-off system. An acceptable response using a field programmable gate array-based controlled laboratory testbench was achieved, complying with guidelines specified in the prevalent industry standards. Seamless operation during steady-state and transients for the studied wave energy converter was achieved as supported by the obtained results. The key findings of this work were experimentally examined under different load conditions, direct current bus voltage fluctuations, and generator speed–torque regulation. The ability of the power take-off system to generate high-power quality of the waveforms, e.g., against adhering to the IEEE 519-2022 standard for total harmonic distortion limits, is also confirmed.

1. Introduction

Wave energy converters (WECs) are devices that convert the kinetic energy of moving ocean waves into electrical energy. The all-time availability and consistency of the wave power profile is uniquely propositioned to harness wave energy as a valuable resource particularly when deployed in non-shallow settings [1,2,3,4] unlike solar, wind, and battery energy storages, which are intermittent resources. Marine energy resources, such as tidal, wave, and ocean currents, are consistently available and abundant, showing high-power density, and are complementary to various renewable energy resources. In particular, wave energy converter technologies and developments have continuously gained substantial attention over the last decade due to the vast amount of oceanic kinetic energy that should not be overlooked. In some regions, wave energy is large enough to create a considerable portion of the energy mix. The U.S. Department of Energy estimates that the exploitation of marine renewable energy could produce electricity as high as 64% of total U.S. electricity consumption in 2019 [3]. Resiliency pull force and decarbonization push force are the key driving forces for emerging energy systems with significant integration of energy electronics. The energy transition toward a net-zero energy system is realized by deploying distributed energy resources (DERs) demanding significant penetration of inverter-based renewable resources (IBRs) [4,5,6]. Considering substantial water testing and proofs of concepts reported over the last decade, marine energy technologies are still in the early stages of technology readiness and have not yet received a commercial success breakthrough. There are multiple pathways to achieve smooth wave energy deployment in real-world fields, but all require sustained innovation across all renewable energy technologies.
The efficient transformation of wave energy into electricity offers enormous benefits to island and shoreline communities during and after the occurrence of natural disasters such as hurricanes and typhoons when the grid supply is interrupted, whereas supporting the blue economy markets [7,8] is still necessary. The researchers in [8] conducted a comprehensive analysis on the effects of a downscaled WEC location on its operational performance for particular area of the Adriatic Sea with respect to variability in the wave energy extraction, power production, and profitability of different kinds of WECs. An interesting study reported in [9] outlines important factors for acceleration developments of an energy mix in the Croatian part of the Adriatic Sea by comparing the capacity factors of the seasonal and annual levels and the extreme significant wave height for possible offshore wind energy generation and wave energy harvesting under small wave energy periods. The researchers in [10] studied a novel oscillating float wave energy generation solution through assessing the hydrodynamic performance and energy capture characteristics theoretically and by performing a numerical CFD simulation for different wave time periods and heights. The outcome of this study contributed to the technical engineering basis for studying oscillating float wave power technologies. Furthermore, a thorough analysis of nine different and popular types of WEC technologies was outlined in [11] for specific locations in the bay of Cádiz, Spain, with the intention of proving energy market potential for wave energy exploitation. The findings of this study provided a power matrix referencing a proper location for the installation of each specific type of WEC in addition to the operating response of those WECs corresponding to each reference location based on various wave heights and peak periods. From the mentioned studies, it is clear that the architecture of the efficient power take-off (PTO) system deployed in any WEC can provide a path to reach to the target wave energy extraction, which is mostly ignored by the research community. This identified gap was a focus area in this research work to bridge the gap.
Despite the realm of successful research studies reported lately [12,13,14,15,16,17,18,19,20,21,22,23,24,25,26], most of the PTO design analyses centered on linearized modeling, idealized power electronics converters, and lossless devices and simply neglected the nonlinear fast transient characteristics, handling the high power density of the ocean waves and the bidirectional power flow capability of the WEC systems. The power density of the wave energy is estimated as 2–3 kW/m2, showing 5 times and 25 times higher power densities than wind energy and solar energy, respectively [12]. These new features have imposed new technical, planning, and operational challenges in modern energy systems [13]. Ignoring physical constraints greatly influences the behavior of power electronics conversions, resulting in discrepancies emerging between theoretical findings, optimization, and experimental outcomes that remain unaddressed in many published studies.
In marine energy technologies, PTO systems are well known as an enabling technology that plays a substantial role in power extraction and energy flexibility improvement. Subsequent research studies [14,15,16,17] have delved into introducing PTO solutions over the last decade; however, the majority of them relied heavily on the simple assumptions that overlooked the new identified challenges of deployment power electronics alongside advanced control schemes in the PTO designs as explained earlier. This reliance presents practical limitations of using these PTO systems that are prone to malfunction.
Along with the ongoing WEC prototype developments in different technology readiness levels, the holistic analysis of their PTO system considering all components, interoperability considerations, and control designs at the commercialized scale to function in a reliable manner is missing. For instance, in [18], the topology of the generator was studied to investigate the rotor tooth effects and magnet geometry impacts through experimental validation. Clearly, the PTO system comprises additional components compared with the generator, which were not addressed in that research and could impact the entire operation of the WEC system. Along this research line, the study presented in [19] developed the WEC model predictive control (MPC) algorithm as an alternative to the existing prediction-based solutions such as [20], which relied on an explicit wave force forecast, to achieve an optimized response by taking the losses in the PTO and drivetrain systematically into account. However, the study in [19] did not include the significant nonlinear dynamics of the WEC systems, and solely the simulation verification of the proposed technique for a heaving cylindrical buoy is discussed.
Multiple prototypes of the PTO systems are currently under development based on the two-body floating point absorbers such as the studies reported in [21,22,23,24,25,26]; the float and the spar are coupled via a PTO system, and their relative motion is transferred to the PTO to produce electric power. The PTO is installed inside the spar and utilizes a ball-screw or rack-pinion mechanism to convert the linear rotation, which is normally two-directional to the unidirectional motion conversion for a generator, e.g., a permanent magnet synchronous generator (PMSM). In these hardware prototypes, the PTO system can be either a direct-drive generator with an ultracapacitor as the energy storage device or a hydraulic PTO system as explained in [26]. This strategy is limited to a certain type of WEC; as such, it cannot be applied to point-absorber WECs, which exploit wave energy in all directions.
The proposed PTO topology introduced in this work placed a big emphasis on modularity, scalability, and energy flexibility in the design to maximize electricity production and efficiency. In this way, the system can be modified based on the geographical and financial needs. If energy needs to be harvested for a beach-side community, then this technology can be implemented on a smaller scale with reduced impact to the surrounding marine life. If power output is the main priority, thanks to its scalability feature, more wave energy converter units can be placed in series to harvest more energy in deeper water. The modularity can be attributed to the modular multilevel converter (MMC) topology, which is a type of converter that has not been implemented in full-scale systems in the marine energy industry sector. This technology, however, has been gaining interest recently due to its operational merits in medium-voltage applications. A modular design offers single cells that can be bypassed and replaced when necessary for a fail-safe mode through the control system. The proposed design provides high power quality of a voltage and load current waveform without placing costly and bulky passive filters, which are common in industry and the majority of the existing solutions reported in the literature [14,27].
The deployment of the proposed PTO system and its controls for point-absorber WEC technologies creates opportunities for new marine distribution systems operator (DSO) models to offer equitable access and integration in energy markets to maximize the value of renewable energy assets [28].
To address the identified open gaps, this study aimed to harness insights through both simulation testing and hardware lab experiments. In this context, we demonstrated a proof of concept of the proposed point absorber WEC using the fabricated 3D plug-and-play mockup prototype to examine the motion characteristics. To experimentally verify the performance of the proposed all-electric PTO system, a set of experiments were conducted using the constructed 1 kW laboratory setup.
The ultimate objective of this research work was twofold: (a) introduce a PTO system adaptable to different types of point-absorbing WECs that offers a possible solution to the identified open gaps and (b) enhance the existing WEC technologies including controls and high-power quality to satisfy the unmet needs by integrating solar and battery energy storage into WEC design. However, this study should make it clear that reaching the target of introducing a WEC system along with its efficient PTO device will take time to develop and yield reliable, resilient, and prosperous results.
The proposed all-electric modular and scalable PTO in this research fits very well in alignment with the upcoming offshore wind and industry outlook as the buoy and generators can be deployed in between the major offshore-wind turbines that are relatively far apart in current real-world fields. Hence, the generated electricity from wave energy could be injected into distribution substation of an existing wind farm either deployed on land or offshore, further reducing the installation cost of the proposed WEC system.
The rest of this paper is organized as follows. In Section 2, the envisioned WEC device with the proposed PTO system and the principal operation of the MMC converter technology are described. Section 3 gives the hardware prototype design and implementation of the proposed PTO system. Section 4 provides the results of the simulation scenarios and experiments using the lab setup for verification analysis. Last, Section 5 concludes this paper with the key findings from the conducted research work, future improvements of the proposed WEC solution, and prospective technology.

2. Configuration of the Studied Point-Absorber Wave Energy Converter and Its Power Take-Off System

2.1. Description of the Studied Point-Absorber WEC and Its Mechanical Layout

An overview of the studied wave energy converter along with its plug-and-play 3D printing prototype schematic developed in the SolidWorks® software package is depicted in Figure 1. Figure 1 conceptually illustrates the key components realizing the wave energy converter (WEC) device: wave-actuated air pumps supplying an air-jet turbine and enabling a turbine shaft to rotate at nominal speed based on specific project requirements. The WEC comprised four independent air pumps that pumped air (including ambient air) into the turbine at a pressure, velocity, and discharge so that the hydrokinetic energy from ocean waves with significant height and period and with sufficient wave capture width was transferred onto the mechanical rotation/speed. The proposed point-absorber WEC presented a near-constant compressed air supply by the dual actions of an inflated airbag inside air pumps. As the two-stroke pump operated, part of the airflow was directed to inflate the flexible airbag and store compressed air. While the airbag was expanding, the air between the inflatable and outer cylinder was ejected under compression. In the next cycle, as the air was discharged from the airbag and the volume was decreasing, a suction pressure caused air to flow into the external cylinder. Hence, the two-stroke action of the air pump acted as accelerating pulses. Thus, the airflow system kept the rotational velocity of the turbine at its maximum value.
The proposed design featured scalability and modularity, allowing the device to be built for a wide range of power scaling. The modular design provided easy transportation to the deployment site and helped to autonomously utilize the WEC, while its reliability feature implied that a fail-safe operation mode was achieved. Through four standalone operating air pumps, in the case of occurring faults in one or two pumps, the converter continuous operation was expected but with a degraded power output rating. In theory, each air pump generated one-fourth of the rated radiated power, which was about 29.5   kW / m   by the waves within the capture width of the device. The capture width was a crucial optimizing parameter, and it was estimated around 3.4 m wave capture width leading to the full-scale nominal 100 kW prototype absorption. Assuming the prototype was firmly anchored and deploying a winch-operated tether allowed the device to heave, sway, and surge within the maximum allowable design limits under harsh ocean conditions.
The accessibility of marine research is normally restricted by the manufacturing challenges, engineering costs, and size constraints of the WEC’s requirements to withstand the environmental pressure, in particular at higher water depths. Employing additive manufacturing technologies, such as 3D printing, to fabricate a deep water pressurized container can significantly mitigate those practical limitations. The preliminary outcome of the small-scale prototype was used in the early design process, particularly for component sizing and ratings, geometry of the buoy, and the system integration issues. In doing so, the 3D printing mockup model shown in Figure 2 was used to fabricate the mock-up prototype that enabled simple research midway experiments to examine motion characteristics, which defined the studied WEC. The experiments using the fully automated pool allowed this work to ascertain the functional behavior of the WEC to refine the design variables, key values, and dimensions. Notably, the capture widths were determined through the analysis of experimental data obtained from testing in water. Furthermore, in this simple built prototype, the displacement of the device due to unexpectedly high wave surges and hence corresponding preventive measures was beyond the scope of this work. The captured energy in the turbine was harnessed by a permanent magnet generator coupled to the shaft of the turbine to produce the intended power at rated speed for the application of interest.
From our initial water testing using the designed buoy, the key component sizes and dimensions are listed in Table 1. It is noteworthy that these were the estimates empirically obtained for a full-scale nominal 100 kW WEC prototype, and the optimal dimensions were adjusted based on extensive tests in water tank to maximize use of best materials such as carbon fiber materials related to each specific application.
The proposed WEC system was expected to have a stroke length of 80 inches (2 m) as shown in Table 1, which was chosen to suit the wave climate at the Scripps Institution of Oceanography at the Southern California research site. It was perceived that harnessing higher power production was achieved by the means of the larger stroke length; however, the mechanical complexity challenge and costs compounded further.

2.2. Structure of the Proposed Direct Drive Power Take-Off System

The proposed all-electric PTO system consisted of the key components as follows: a permanent magnet synchronous generator (PMSG), an AC–AC converter based on a modular multilevel converter (MMC), a DC-link capacitor bus, and master and slave controllers.
As illustrated in Figure 3, the back-to-back configuration was realized by two-stage conversion units to interface between the generator/wave side and the load/grid side controls for the considered WEC. The voltage-source pulse width modulation (PWM) rectifier and inverter played an important role in integrating the WEC and the mechanical part with the local loads and/or the utility grid. This configuration decoupled the two side voltages, offering more control flexibility using higher-order degree-of-freedom controller features with bi-directional energy flow.
The modular multilevel converter (MMC) is a voltage source converter that can operate as an AC–AC power converter. The MMC converter has gained the attention of many industry sectors due to its significant advantages. The MMC has excellent output performance, high modularity, easy bypass of faulty cells in case of a fault, and easy scalability of voltage and current, integrating battery energy storage or solar PV into its circuit and providing high quality of output waveforms without placing a physical bulky filter. There are limited research studies and a dearth of prototype testing regarding PTO development utilizing MMC technology. This work intended to explore such possibilities for WECs.
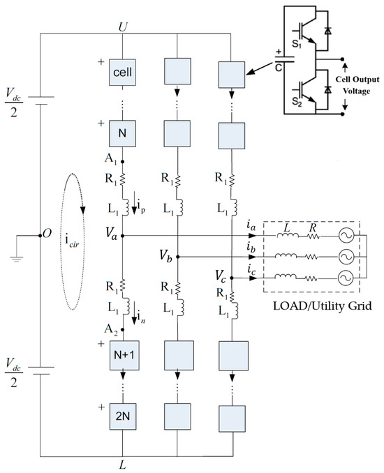
Figure 4 presents the power stage circuit diagram of the MMC topology in an inverter in DC–AC mode. Each phase was composed of two arms, an upper arm and a lower arm, where each arm had a number of N cells. i p and i n are the upper arm current and lower arm current in each phase, respectively. V a ,   V b ,   and   V c are the three-phase voltages, and i a ,   i b ,     and   i c are the three-phase load currents on the AC side of the MMC. L1 and R1 are the arm inductors and series (internal) resistors, while i c i r is the circulating current, which flowed only through the upper and lower arms of the three phases and did not appear on the MMC output side. Each cell included two metal-oxide-semiconductor field-effect transistors (MOSFET). These MOSFETs allowed current to pass from the source (S) terminal to the drain (D) when voltage was applied to the gate (g). They allowed our relatively low voltage pulse width modulation signals to turn the switches on and off. As it can be seen from Figure 4, when the capacitors charged and discharged, the sum of all cell output voltages created an AC waveform at the load side between the two legs. Therefore, the cell capacitor charged with the applied input DC voltage, Vdc, and at each time instant, half the cells were connected, and half the cells were bypassed. This was essential due to the sum of all connected cells output voltages in each phase must be Vdc. To produce the desired output DC or AC voltage at the MMC terminals, the distributed controller generated PWM pulses for the cell switches, such as MOSFETs; henceforth, two complementary switching pulses were sent to each cell to prevent two switches from turning on and off simultaneously, making sure the principal operation of this converter was satisfied.
This research aimed to investigate the deployment of the proposed PTO system for both non-grid and grid-connected applications, for instance, interconnection to the existing utility electricity infrastructure or ocean water desalination plant paving the way to sustainable desalination to be cost-effective and self-sustained. The topology and control interfaces of the entire system needed to be evaluated, and the design for the considered WEC system is presented in Figure 3. For the sake of simplicity, a simplified hydrodynamic model of the point absorber described in [29] was developed via MATLAB/Simulink for the modeling analysis and simulation testing.
Many studies and technical reports have focused on the long-crested wave spectrum. This is a barrier in real-world applications. The actual marine environment has shown that the profile of ocean waves moves in different directions and patterns, and therefore, short-crested waves should be included in the design process [30,31]. The stochastic ocean state was considered to be a Bretschneider spectrum [30] in this study for the waves model, which is denoted by (1), which comprises two key variables, the significant wave height, Hs, and the peak wave angular frequency, ωp = 2π/Tp:
S ( ω ) = 5 H s 2 16 ω p 1 ( ω / ω p ) 5 exp { 5 4 ( ω ω p ) 4 }
where Tp is the peak period of the wave spectrum.
The PTO mechanism was responsible for transferring the harvested mechanical energy to an electrical form. The captured energy in the turbine was harnessed by a permanent magnet generator coupled to the shaft of turbine to produce the intended power at the rated speed for the application of interest. The salient feature of this scheme was that there was no gearbox, hydraulic, or pneumatic stage inside the PTO system compared with the previously proposed solutions as described earlier. By employing fully controlled power electronics converters, complete decoupling of the generator from the utility grid or load was achieved through a DC-link capacitor bank. This feature guaranteed that the same efficiency in the power extraction from the waves could be obtained.
The industry outlook of WEC technologies predicts WEC farms or arrays when the technology readiness levels allow the commercialization of large-scale exploitation. The proposed WEC unit can be connected in series to establish a wave power farm that can be located close to shore, in shallow water areas, or farther offshore featuring common infrastructures; for example, power distribution switchgears, cables, and mooring systems can lead to significant cost reductions for the CAPEX, operation, and maintenance expenditure.
The preliminary analysis was conducted to learn about power saving or energy efficiency improvement by deploying the proposed WEC to generate electricity for the Carlsbad desalination plant, located in Southern California, USA, which is the largest desalination plant in the western hemisphere [32]. This plant’s capacity is 50 million gallons per day and, assuming power generation of only 2 kWh/m3 from renewable energy resources such as the proposed WEC system, will lead to electricity cost savings of USD 18 million annually, as well as avoiding nearly 75,000 metric tons per year of CO2 emissions. The energy savings were calculated based on an estimated USD 5 cost of production per 1000 gallons of clean drinking water and manufacturing, transportation, and deployment costs of our WEC system close to USD 5 million. In addition to cost savings of electricity consumption, the plant was less dependent on the utility power grid that could be congested during summer or heatwave season in the Southern California region.

3. Experimental Prototype Development of the Proposed PTO

A laboratory prototype of a single-phase 1 kW, 60 Hz MMC was designed and built to validate the basic operation of the proposed PTO including the control functionalities. The MMC was composed of six cells, three cells per each arm based on a half-bridge configuration. The generator power rating of the used PMSG was 1.2 kW.
The detailed block diagram of a single cell of the MMC is displayed in Figure 5, showing both control circuit and its power circuit interfacing with the FPGA controller board and sensing circuit. Figure 6 shows a designed and fabricated single cell on a printed circuit board (PCB) with all required components. For the power semiconductor switches, the MOSFETs, IRF520N, from Infineon Technologies rated at 100 V, 33 A, were utilized, which were suitable for our application along with the LM339 Op-Amp, HCPL2531 Opto-Coupler, and IR21834 Gate Driver for the control circuit of the cell as highlighted in Figure 4.
The bulk of the control strategy implemented on the field-programmable gate array (FPGA) board was divided into two key functions: the capacitor voltage balancing algorithm and the generation of 6 PWM signals, which included cascaded control loops depending on the control objectives of the design.
A carrier-based level-shifted pulse-width modulation (LS-PWM) was used to control back-to-back converters due to its advantages, in particular, superior harmonics performance compared with the prevalent PWM techniques [33]. The carrier frequency of 2 kHz was used via closed-loop control to send gating pulses to the MOSFETs. To control and monitor the PTO, the PWM signals from the control scheme, mainly the capacitor voltage balancing algorithm, were implemented on the used FPGA board, the Spartan-7 XC7S100. This board also had a variety of interfaces that allowed the deployment of various control loops such as PMSG speed and torque controls, DC-link voltage, and the output AC voltage and frequency controller.
To ensure the proper operation of the MMC converter, the capacitor voltage balancing algorithm was essential to keep the output voltage of each cell around the reference value, which was a division of the DC-bus voltage and the number of cells per arm. The capacitor voltage balancing and sorting algorithm proposed in [34] was adopted and implemented in this work. The overall flowchart of the PWM strategy and balancing algorithm is shown in Figure 7. As can be seen from the example presented, a positive magnitude of the upper arm current ip would charge the cells further, while a negative magnitude would discharge them. At the current sampling, it was found that the voltage magnitudes of the upper cells were in the following order: cells 2, 1, and 3, where cell 3 had the highest measured capacitor voltage. From the LS-PWM strategy, a modulating waveform was generated in which cell 3 was bypassed. Cell 2 was charging (by turning of switch S2). Cell 1 was in PWM mode where the triangle carrier signal was compared with the modulating waveform. Switch S1 in cell 1 was turned on once the modulating waveform was greater than the triangle; otherwise, it was turned off. The cells working condition was reversed as far as a negative magnitude of the upper arm current ip was concerned, as illustrated in Figure 7.
The voltage and current sensors fabricated on PCB boards are shown in Figure 8. The voltage sensor LV25-P and the current sensor HAIS 100-P were used in this design.
A down-scale lab prototype of the MMC shown in Figure 9 and the designed experimental testbench in Figure 10 were built to verify the operation and performance of the studied PTO system and its controls.
A comprehensive analysis and testing using both the MATLAB-Simulink simulation and experiments were conducted, and the results are discussed in the Section 4.

4. Simulation and Experimental Performance Assessment

4.1. Simulation Analysis of the Proposed PTO and Its Controls

The entire PTO system and waves profile were developed using the MATLAB-Simulink software package to demonstrate the results and to record data points for hardware validation purposes, performance comparison, and proof-of-design concept. For the sake of analysis, the irregular waves were reconstructed according to (1) by sampled frequencies ranging from 0 to 2 rad/s (0–3.141 s) as depicted in Figure 11. To characterize the irregular waves, the energy content of the waves was utilized, which led to the energy spectrum [31]. As a result, for the irregular wave with significant wave height of 11.25 ft (3.4 m) for our full-scale 100 kW wave energy converter, the nominal energy capture was guaranteed with respect to the total available wave energy used in our simulation analysis.
The simulations assisted with deriving the component parameters, tuning of the controller parameters, and modifying the MMC PWM strategy and capacitor voltage balancing algorithm. The power rating of the turbine generator was fixed at 100 kW with a nominal speed of 950 rpm in the simulation analysis. Figure 12 shows the obtained simulation waveform under steady-state wave condition when the shaft speed of the turbine maintained at a nominal design set point of 950 rpm. There was a delay in acquiring the speed response due mainly to inertia imposed from the mechanical parts and the hydrodynamic model to the turbine, which appears in Figure 12. The transient response of a simulated WEC system was also assessed with respect to a sudden torque reference reduction by 33% at t = 4 min compared with the nominal torque reference, 900 Nm. The results in Figure 13 and Figure 14 are obtained from the DC-bus voltage response and generator torque dynamic performance before and after the transient occurred. The waveform response in Figure 13 confirms that the DC-bus voltage of PTO system presented overshoot and undershoot behavior while the variations were sustained to the pre-set reference after 40 s, ensuring the satisfactory performance of the designed controller.
System-level simulation analysis of the buoy and the proposed PTO altogether was performed under the irregular wave condition explained earlier. There is no doubt that irregular waves lead to buoy complex motions of surge, heave, and pitch directions. To perform the behavior of the PTO module under irregular ocean wave conditions, the high-energy sea wave profile illustrated in Figure 11 was considered. The obtained simulation results of the measured power from the generator and the high-energy wave state are shown in Figure 15. Additionally, power electronics inverter losses are also plotted in Figure 15, in which the acceptable 7% losses from nominal generated power were achieved. A scaling factor of 10 was used here to easily compare the losses with the mechanical and electrical power waveforms.

4.2. Experimental Results

The experimental setup displayed in Figure 10 was utilized to perform a series of tests to affirm the simulation findings and accuracy and to justify the proposed PTO system capability. The closed-loop control scheme, MMC PWM, and capacitor voltage balancing strategy were implemented into the FPGA hardware along with its functional modules using the Vivado HDL tool from Xilinx. The main electrical parameters and waveforms from the hardware platform were measured and recorded through the built voltage and current measuring circuit and visualized on the Tektronix oscilloscope.
The first experiment was carried out to obtain the MMC acceptable performance from the cell-level standpoint. Figure 16a,b show the PWM pulses sent to the MMC cell by the FPGA hardware platform and the two complementary signals created by the IR21834 Gate Driver circuit to control the switching of the half-bridge MOSFETs. As it can be verified from Figure 16, the 3.3 V peak-to-peak, 2 kHz, FPGA PWM signal was successfully boosted utilizing the LM339 Op-Amp to a 15 V peak-to-peak signal. The HCPL2531 opto-coupler drove the gate drive chip and provided decoupling between the control signals and power signals in addition to removing the measurement noise from signals.
The dc-bus voltage in the experiments was limited to 150 V. The upper and lower arm voltage waveforms for phase A are demonstrated in Figure 17. There were clearly four levels in the voltage waveforms denoting the presence of three cells per arm and indicating the capacitor voltages among all cells were well balanced, as seen from the constant and equal steps in the waveform.
The experiment was continued when the PTO system was connected to the exemplary RL (resistive-inductive) load. Figure 18 presents the experimental output voltage and current waveforms for the load. It was observed that the load current waveform was highly sinusoidal, verifying the high-power quality of MMC waveforms. Notably, as presented in Figure 19, the total harmonic distortion (THD) of the ac load current was captured around 3.31% for the 40 A RMS load current, which satisfied the specifications given in the IEEE 519-2022 standard [35]. The harmonics response of the proposed PTO system maintained current waveform THDs within the recommended max 5% and outperformed the conventional hydraulic–pneumatic PTO system reported in [26].
From the results obtained through several testing scenarios, the built experimental setup of the designed PTO provided practical insights and promising solutions for further investigation of the emerging WEC technologies by including operating scenarios using different loads such as the utility grid or battery chargers and control functionalities corresponding to the prevalent standards and industry guidelines in this subject.
Although the experimental uncertainty for our hardware prototype testing was related to the low power rating, 1 kW, and the dc link voltage value in our experiments was considerably low, it was enough to fulfill the aim of this publication, which was to validate the theoretical findings of this work on the laboratory prototype level.
It is worth nothing that the advantages of the proposed solution in this study came at the cost of complex control strategy, and utilizing a high-performance embedded board was required to satisfy the computational burden targets and industrial communication protocols, especially for WEC installation in deep water and harsh environments.

5. Conclusions

In this paper, the all-electric modular power take-off (PTO) topology with its control schemes was explored for the point-absorber wave energy harvester, which extracted energy from ocean wave movements in all directions. The effects of the hydrodynamics of point-absorber from wave conditions, the flexibility feature of the PTO configuration, and wave profiles were effectively included in the design process to increase the efficiency and reliability of the studied WEC.
The irregular-wave profile was used for the hydrodynamic model in the simulation analysis that offered a prompt evaluation of the design from a system-level perspective. The preliminary simulation results obtained by the developed MATLAB-Simulink model were discussed. The findings from the steady-state and dynamic response of the proposed PTO were validated by a series of experiments conducted using the built experimental testbench. The obtained results verified the disturbance rejection control functionality with respect to fast transients caused by ocean wave dynamics imposing sudden changes in the generator torque reference for the designed PTO-based MMC converter. The precise system control performance for DC-link voltage regulation during fast dynamics was also obtained. From both the simulation and the experimental lab testing, a fast operation against reference tracking for seamless operation of the WEC system was confirmed without compromising any key operational requirements. Compared with the current state-of-the-art solutions, the proposed PTO system and its control algorithm demonstrated superior performance with reduced losses, higher power extraction, and improved economic benefits by the wave energy converter.
The direct integration of battery energy storage and solar PV modules to the MMC topology without using dc–dc converters is being pursued to achieve high efficiency for practical marine microgrids with increased energy yield. This aspect of the design will be investigated in our future publication together with the optimal energy dispatching scheme among distributed energy sources. By adopting the proposed PTO system, an acceptable size of the entire system is achieved to bring a levelized cost of energy (LCOE) comparable with other renewable energy technologies.
The proposed PTO system improved the current state-of-the-art barriers by introducing a technology that was modular and scalable so that the designed wave energy converter could be assembled in a plug-and-play manner and deployed rapidly. Modularity offered fault-tolerant operation advantages, while manufacturing costs could be minimized, and the operation and maintenance costs could also be substantially decreased by enabling quick replacement or repair of failed components.
Future research topics will investigate economic incentives of the design on the connected PTO circuit and control under various operating conditions and integration of other marine renewable resources. For the mechanical subsystem of the proposed WEC, the hydraulic–pneumatic rod friction considerations are important factors to be included for the WEC efficiency and loss analyses. The experiments on shallow water testing pave the way to further refine the design parameters and component dimensions that will be the direction of our future work.

Author Contributions

Conceptualization, H.N.; methodology, H.N., B.J.G., M.R. and M.L.; software, B.J.G. and M.R.; validation, H.N., B.J.G., M.R. and M.L.; formal analysis, H.N., B.J.G., M.R. and M.L.; investigation, H.N.; data curation, B.J.G., M.R. and M.L.; writing—original draft preparation, H.N., B.J.G., M.R. and M.L.; writing—review and editing, H.N.; supervision, H.N.; project administration, H.N.; funding acquisition, H.N. All authors have read and agreed to the published version of the manuscript.

Funding

This research was funded in part by the 2023 DOE Marine Energy Collegiate Competition by the U.S. National Renewable Energy Laboratory (NREL) under Project No. 85267.

Institutional Review Board Statement

Not applicable.

Informed Consent Statement

Not applicable.

Data Availability Statement

Data are contained within the article.

Conflicts of Interest

The authors declare no conflicts of interest.

References

  1. Zhang, X.; Tian, X.; Xiao, L.; Li, X.; Chen, L. Application of an adaptive bistable power capture mechanism to a point absorber wave energy converter. Appl. Energy 2018, 228, 450–467. [Google Scholar] [CrossRef]
  2. Aderinto, T.; Li, H. Review on power performance and efficiency of wave energy converters. Energies 2019, 12, 4329. [Google Scholar] [CrossRef]
  3. LiVecchi, A.; Copping, A.; Jenne, D.; Gorton, A.; Preus, R.; Gill, G.; Robichaud, R.; Green, R.; Geerlofs, S.; Gore, S.; et al. Powering the Blue Economy; Exploring Opportunities for Marine Renewable Energy in Maritime Markets; U.S. Department of Energy, Office of Energy Efficiency and Renewable Energy: Washington, DC, USA, 2019.
  4. IEA-OES. Annual Report: An Overview of Ocean Energy Activities in 2023. 2024. Available online: https://www.ocean-energy-systems.org/publications/oes-annual-reports/document/oes-annual-report-2023/ (accessed on 24 June 2024).
  5. Denholm, P.; Brown, P.; Cole, W.; Mai, T.; Sergi, B.; Brown, M.; Jadun, P.; Ho, J.; Mayernik, J.; McMillan, C.; et al. Examining Supply-Side Options to Achieve 100% Clean Electricity by 2035. NREL. 2022. Available online: www.nrel.gov/docs/fy22osti/81644.pdf (accessed on 20 May 2024).
  6. Hoke, A.; Gevorgian, V.; Shah, S.; Koralewicz, P.; Kenyon, R.W.; Kroposki, B. Island power systems with high levels of inverter-based resources: Stability and reliability challenges. IEEE Electrif. Mag. 2021, 9, 74–91. [Google Scholar] [CrossRef]
  7. Marine Energy & the Blue Economy, the U.S. Department of Energy. Available online: https://www.energy.gov/eere/water/marine-energy-blue-economy (accessed on 20 July 2024).
  8. Martić, I.; Degiuli, N.; Grlj, C.G. Scaling of wave energy converters for optimum performance in the Adriatic Sea. Energy 2024, 294, 130922. [Google Scholar] [CrossRef]
  9. Farkas, A.; Degiuli, N.; Martić, I. Assessment of offshore wave energy potential in the Croatian part of the Adriatic Sea and comparison with wind energy potential. Energies 2019, 12, 2357. [Google Scholar] [CrossRef]
  10. Zhang, Y.; Li, D.; Hong, S.; Zhang, M. Design of a new oscillating-buoy type wave energy converter and numerical study on its hydrodynamic performance. Brodogradnja 2023, 74, 145–168. [Google Scholar] [CrossRef]
  11. Legaz, M.J.; Soares, C.G. Evaluation of various wave energy converters in the bay of Cádiz. Brodogradnja 2022, 73, 57–88. [Google Scholar] [CrossRef]
  12. Jia, Y.; Sun, J.; Xu, Z.; Sun, C.; Meng, K.; Dong, Z.Y. Data-Driven Economic MPC of a Point Absorber Wave Energy Converter. IEEE J. Emerg. Sel. Top. Ind. Electron. 2024, 5, 670–679. [Google Scholar] [CrossRef]
  13. NERC. Quick Reference Guide: Inverter-Based Resource Activities. 2023. Available online: www.nerc.com/pa/Documents/IBR_Quick%20Reference%20Guide.pdf (accessed on 18 July 2024).
  14. Ning, D.; Ding, B. Modelling and Optimization of Wave Energy Converters, 1st ed.; CRC Press: Boca Raton, FL, USA, 2022; ISBN 9781003198956. [Google Scholar]
  15. Guo, B.; Ringwood, J.V. Non-Linear Modeling of a Vibro-Impact Wave Energy Converter. IEEE Trans. Sustain. Energy 2021, 12, 492–500. [Google Scholar] [CrossRef]
  16. Qiao, D.; Haider, R.; Yan, J.; Ning, D.; Li, B. Review of Wave Energy Converter and Design of Mooring System. Sustainability 2020, 12, 8251. [Google Scholar] [CrossRef]
  17. Giorgi, S.; Coe, R.G.; Reasoner, M.M.; Bacelli, G.; Forbush, D.D.; Jensen, S.; Cazenave, F.; Hamilton, A. Wave Energy Converter Power Take-Off Modeling and Validation from Experimental Bench Tests. IEEE J. Ocean. Eng. 2024, 49, 446–457. [Google Scholar] [CrossRef]
  18. Baker, N.J.; Chambers, L.; Retzler, C.; Galbraith, M.; Spooner, E. Developing a direct drive power take off for the mocean wave energy converter. In Proceedings of the 11th International Conference on Power Electronics, Machines and Drives (PEMD 2022), Newcastle, UK, 21–23 June 2022; pp. 1–5. [Google Scholar]
  19. Ligeikis, C.H.; Scruggs, J.T. Causal, Stochastic MPC for Wave Energy Converters. IEEE Trans. Control. Syst. Technol. 2024, 32, 351–367. [Google Scholar] [CrossRef]
  20. Abdelkhalik, O.; Zou, S.; Robinett, R.; Bacelli, G.; Wilson, D. Estimation of excitation forces for wave energy converters control using pressure measurements. Int. J. Control 2017, 90, 1793–1805. [Google Scholar] [CrossRef]
  21. OPT. Ocean Power Technologies, PB3 PowerBuoy®. Available online: https://oceanpowertechnologies.com/platform/opt-pb3-powerbuoy/ (accessed on 19 June 2024).
  22. CorpowerOcean. The HiWave-5 Project. Available online: https://www.corpowerocean.com/ (accessed on 19 June 2024).
  23. Cordonnier, J.; Gorintin, F.; De Gagny, A.; Clement, A.; Babarit, A. SEAREV: Case study of the development of a wave energy converter. Renew. Energy 2015, 80, 40–52. [Google Scholar] [CrossRef]
  24. Cossu, R.; Heatherington, C.; Penesis, I.; Beecroft, R.; Hunter, S. Seafloor Site Characterization for a Remote Island OWC Device Near King Island, Tasmania, Australia. J. Mar. Sci. Eng. 2020, 8, 194. [Google Scholar] [CrossRef]
  25. Gao, H.; Xiao, J.; Liang, R. Capture mechanism of a multi-dimensional wave energy converter with a strong coupling parallel drive. Appl. Energy 2024, 361, 122828. [Google Scholar] [CrossRef]
  26. Kim, S.J.; Koo, W. Numerical Study on a Multibuoy-Type Wave Energy Converter with Hydraulic PTO System under Real Sea Conditions. IEEE J. Ocean. Eng. 2021, 46, 573–582. [Google Scholar] [CrossRef]
  27. Aryana, N.; McGilton, B.; Jenne, S. Summary Report of HERO WEC Test Article for Waves to Water: Electrical Power Take-Off; National Renewable Energy Laboratory: Golden, CO, USA, 2022; NREL/TP-5700-83621. Available online: https://www.nrel.gov/docs/fy22osti/83621.pdf (accessed on 20 May 2024).
  28. Federal Energy Regulatory Commission (FERC). September 2020. “FERC Order No. 2222: Fact Sheet”. Available online: https://ferc.gov/media/ferc-order-no-2222-fact-sheet (accessed on 1 July 2024).
  29. Tedeschi, E.; Santos-Mugica, M. Modeling and Control of a Wave Energy Farm Including Energy Storage for Power Quality Enhancement: The Bimep Case Study. IEEE Trans. Power Syst. 2014, 29, 1489–1497. [Google Scholar] [CrossRef]
  30. Korde, U.A.; Ertekin, R.C. Chapter 15: Irregular-Sea Analysis, Engineering Mathematics for Marine Applications. In Engineering Mathematics for Marine Applications; Cambridge University Press: Cambridge, UK, 2023; pp. 361–382. [Google Scholar]
  31. Davis, A.F.; Fabien, B.C. Wave excitation force estimation of wave energy floats using extended kalman filters. Ocean Eng. 2020, 198, 106970. [Google Scholar] [CrossRef]
  32. Carlsbad Desalination Plant, California, USA. Available online: https://www.carlsbaddesal.com/ (accessed on 30 June 2024).
  33. Sharifabadi, K.; Harnefors, L.; Peter Nee, H.; Norrga, S.; Teodorescu, R. Design, Control, and Application of Modular Multilevel Converters for HVDC Transmission Systems, 1st ed.; John Wiley & Sons, Ltd.: Hoboken, NJ, USA, 2016. [Google Scholar]
  34. Rohner, S.; Bernet, S.; Hiller, M.; Sommer, R. Modulation, Losses, and Semiconductor Requirements of Modular Multilevel Converters. IEEE Trans. Ind. Electron. 2010, 57, 2633–2642. [Google Scholar] [CrossRef]
  35. IEEE Standard 519-2022; IEEE Standard for Harmonic Control in Electric Power Systems. IEEE: Piscataway, NJ, USA, 2022.
Figure 1. Schematic and the main components of the envisioned point-absorbing wave energy converter (Left photo) and its 3D prototype for grid and off-grid applications (Right photo).
Figure 1. Schematic and the main components of the envisioned point-absorbing wave energy converter (Left photo) and its 3D prototype for grid and off-grid applications (Right photo).
Jmse 12 01323 g001
Figure 2. Pictorial view of the developed 3D printing mockup model to ascertain the functional behavior of the mechanical subsystem for WEC water testing.
Figure 2. Pictorial view of the developed 3D printing mockup model to ascertain the functional behavior of the mechanical subsystem for WEC water testing.
Jmse 12 01323 g002
Figure 3. Configuration of a proposed direct-drive PTO connected to the utility grid or electric load by means of a full-power electronics converter and its controls.
Figure 3. Configuration of a proposed direct-drive PTO connected to the utility grid or electric load by means of a full-power electronics converter and its controls.
Jmse 12 01323 g003
Figure 4. MMC power circuit topology with power switches arranged in half-bridge configuration.
Figure 4. MMC power circuit topology with power switches arranged in half-bridge configuration.
Jmse 12 01323 g004
Figure 5. Block diagram of a designed half-bridge integrated power cell and its controls.
Figure 5. Block diagram of a designed half-bridge integrated power cell and its controls.
Jmse 12 01323 g005
Figure 6. Fully designed and fabricated single cell with components on a PCB board.
Figure 6. Fully designed and fabricated single cell with components on a PCB board.
Jmse 12 01323 g006
Figure 7. Overall flowchart of the implemented capacitor voltage balancing and sorting algorithm integrated into LS-PWM strategy.
Figure 7. Overall flowchart of the implemented capacitor voltage balancing and sorting algorithm integrated into LS-PWM strategy.
Jmse 12 01323 g007
Figure 8. Designed sensor measurement circuit interfaced with FPGA board fabricated on a PCB: (a) Voltage sensor LV25-P and (b) current sensor HAIS 100-P.
Figure 8. Designed sensor measurement circuit interfaced with FPGA board fabricated on a PCB: (a) Voltage sensor LV25-P and (b) current sensor HAIS 100-P.
Jmse 12 01323 g008
Figure 9. Pictorial view of the built experimental setup of the single-phase MMC prototype.
Figure 9. Pictorial view of the built experimental setup of the single-phase MMC prototype.
Jmse 12 01323 g009
Figure 10. Photograph of the designed experimental testbench for the PTO system under testing.
Figure 10. Photograph of the designed experimental testbench for the PTO system under testing.
Jmse 12 01323 g010
Figure 11. Studied irregular-wave profile with significant wave height of 11.25 ft (3.4 m) and peak period of 8 s based on Bretschneider spectrum.
Figure 11. Studied irregular-wave profile with significant wave height of 11.25 ft (3.4 m) and peak period of 8 s based on Bretschneider spectrum.
Jmse 12 01323 g011
Figure 12. Simulated verification result of the turbine speed response under steady-state wave conditions.
Figure 12. Simulated verification result of the turbine speed response under steady-state wave conditions.
Jmse 12 01323 g012
Figure 13. Simulated dynamic response of the DC-bus voltage waveform when generator torque dropped by 33% at t = 4 min.
Figure 13. Simulated dynamic response of the DC-bus voltage waveform when generator torque dropped by 33% at t = 4 min.
Jmse 12 01323 g013
Figure 14. Simulated dynamic response of the recorded generator torque waveform when torque reference dropped by 33% at t = 4 min.
Figure 14. Simulated dynamic response of the recorded generator torque waveform when torque reference dropped by 33% at t = 4 min.
Jmse 12 01323 g014
Figure 15. Simulated response of the proposed full-scale WEC for mechanical extracted power, electrical output power, and PTO power electronics inverter losses (magnified by factor of 10).
Figure 15. Simulated response of the proposed full-scale WEC for mechanical extracted power, electrical output power, and PTO power electronics inverter losses (magnified by factor of 10).
Jmse 12 01323 g015
Figure 16. Experimental PWM waveforms: (a) 2 kHz, 3.3 V PWM pulses generated by the Spartan FPGA hardware board S7–50 and (b) complementary PWM signals for each MMC cell produced by the IR21834 Gate Driver board.
Figure 16. Experimental PWM waveforms: (a) 2 kHz, 3.3 V PWM pulses generated by the Spartan FPGA hardware board S7–50 and (b) complementary PWM signals for each MMC cell produced by the IR21834 Gate Driver board.
Jmse 12 01323 g016
Figure 17. Measured experimental waveforms including Ch1 and Ch2 lower and upper arm voltages. The time base is 5 ms/div, and the voltage scale is 50 V/div.
Figure 17. Measured experimental waveforms including Ch1 and Ch2 lower and upper arm voltages. The time base is 5 ms/div, and the voltage scale is 50 V/div.
Jmse 12 01323 g017
Figure 18. Measured experimental waveforms including Ch1-output load voltage and Ch2-load current. The time base is 10 ms/div, the current scale is 10 A/div, and the voltage scale is 50 V/div.
Figure 18. Measured experimental waveforms including Ch1-output load voltage and Ch2-load current. The time base is 10 ms/div, the current scale is 10 A/div, and the voltage scale is 50 V/div.
Jmse 12 01323 g018
Figure 19. Measured experimental output AC current THD levels for the proposed PTO system compared with the conventional hydraulic–pneumatic PTO solutions.
Figure 19. Measured experimental output AC current THD levels for the proposed PTO system compared with the conventional hydraulic–pneumatic PTO solutions.
Jmse 12 01323 g019
Table 1. Estimated dimensions for key components of a full-scale nominal 100 kW buoy prototype.
Table 1. Estimated dimensions for key components of a full-scale nominal 100 kW buoy prototype.
ComponentValue (inch)
Floating platform base120
Stroke length80
Air pump cylinder diameter 32
Diameter of piston28
Disclaimer/Publisher’s Note: The statements, opinions and data contained in all publications are solely those of the individual author(s) and contributor(s) and not of MDPI and/or the editor(s). MDPI and/or the editor(s) disclaim responsibility for any injury to people or property resulting from any ideas, methods, instructions or products referred to in the content.

Share and Cite

MDPI and ACS Style

Nademi, H.; Galindez, B.J.; Ross, M.; Lopez, M. Experimental Validation of a Modular All-Electric Power Take-Off Topology for Wave Energy Converter Enabling Marine Renewable Energy Interconnection. J. Mar. Sci. Eng. 2024, 12, 1323. https://doi.org/10.3390/jmse12081323

AMA Style

Nademi H, Galindez BJ, Ross M, Lopez M. Experimental Validation of a Modular All-Electric Power Take-Off Topology for Wave Energy Converter Enabling Marine Renewable Energy Interconnection. Journal of Marine Science and Engineering. 2024; 12(8):1323. https://doi.org/10.3390/jmse12081323

Chicago/Turabian Style

Nademi, Hamed, Brent Joel Galindez, Michael Ross, and Miguel Lopez. 2024. "Experimental Validation of a Modular All-Electric Power Take-Off Topology for Wave Energy Converter Enabling Marine Renewable Energy Interconnection" Journal of Marine Science and Engineering 12, no. 8: 1323. https://doi.org/10.3390/jmse12081323

APA Style

Nademi, H., Galindez, B. J., Ross, M., & Lopez, M. (2024). Experimental Validation of a Modular All-Electric Power Take-Off Topology for Wave Energy Converter Enabling Marine Renewable Energy Interconnection. Journal of Marine Science and Engineering, 12(8), 1323. https://doi.org/10.3390/jmse12081323

Note that from the first issue of 2016, this journal uses article numbers instead of page numbers. See further details here.

Article Metrics

Back to TopTop