Proposed Z-Source Electrical Propulsion System of a Fuel Cell/Supercapacitor-Powered Ship
Abstract
1. Introduction
2. Configuration and Operation Modes of the Hybrid Ship
- ➀
- Mode 1: When the power demanded by the ship is moderate, the propulsion motor is powered by FC, and if the state of charge (SOC) of the SC, SOC < SCOH, the FC also charges the SC, as shown in Figure 2.
- ➁
- Mode 2: When the ship is accelerated or overloaded, the FC and SC work together to power the propulsion system. The SC provides dynamic power to accelerate the ship’s response speed or overload power, while the FC provides steady-state power. The power flow is shown in Figure 2.
- ➂
- Mode 3: When the ship is braked to slow down, the regenerative braking energy is stored back into the SC. The power flow in the mode is shown in Figure 2.
- ➃
- Mode 4: When the ship is sailing at a low speed, and the power demand is very small, the SC supplies power to the ship alone, and the FC also charges the SC. The power flow in the mode is shown in Figure 2.

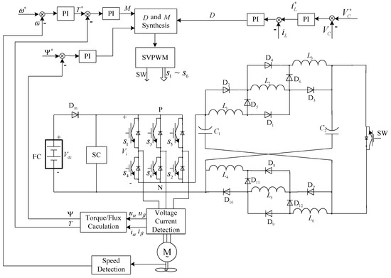
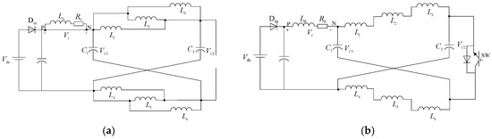
3. Principle of the Proposed HVB-ZSI System
4. Modeling and Control Strategy of the Propulsion System
4.1. Capacitor Voltage Control of the DC Side
4.2. Propulsion Motor Control of the AC Side
4.3. Control Strategy of SW
4.4. Energy Control Strategy
5. Simulation and Experiment
5.1. Simulation Results
- (1)
- Z-source circuit: L1 = L2 = L3 = L4 = L5 = L6 = 0.5 mH, C1 = C2 = 1200 µF;
- (2)
- Output filters: Lf = 1500 µH, Cf = 20 µF;
- (3)
- Load: R = 15 Ω/phase;
- (4)
- Switching frequency: 20 kHz.
5.2. Experimental Results
6. Conclusions
Author Contributions
Funding
Institutional Review Board Statement
Informed Consent Statement
Data Availability Statement
Acknowledgments
Conflicts of Interest
References
- Wen, S.; Zhang, C.; Lan, H.; Xu, Y.; Tang, Y.; Huang, Y. A Hybrid ensemble model for interval prediction of solar power output in ship onboard power Systems. IEEE Trans. Sustain. Energy 2021, 12, 14–24. [Google Scholar] [CrossRef]
- Bucci, V.; Marinò, A.; Bosich, D.; Sulligoi, G. Inland waterway gas-fueled vessels: CASM-based electrification of a pushboat for the european network. IEEE Trans. Transp. Electrif. 2016, 2, 607–617. [Google Scholar] [CrossRef]
- Kim, K.; Park, K.; Lee, J.; Chun, K.; Lee, S.H. Analysis of battery/generator hybrid container ship for CO2 reduction. IEEE Access 2018, 6, 14537–14545. [Google Scholar] [CrossRef]
- Xu, X.; Song, X.; Wang, K.; Liu, N.; Long, W.; Zheng, Z.; Li, Y. Modulation and voltage balancing control of dual five-level ANPC inverter for ship electric propulsion systems. Chin. J. Electr. Eng. 2021, 7, 78–92. [Google Scholar] [CrossRef]
- Ghimire, P.; Zadeh, M.; Thorstensen, J.; Pedersen, E. Data-driven efficiency modeling and analysis of all-Electric ship powertrain: A comparison of power system architectures. IEEE Trans. Transp. Electrif. 2022, 8, 1930–1943. [Google Scholar] [CrossRef]
- Sulligoi, G.; Vicenzutti, A.; Menis, R. All-electric ship design: From electrical propulsion to integrated electrical and electronic power systems. IEEE Trans. Transp. Electrif. 2016, 2, 507–521. [Google Scholar] [CrossRef]
- Reusser, C.A.; Young, H.A.; Osses, J.R.P.; Perez, M.A.; Simmonds, O.J. Power electronics and drives: Applications to modern ship propulsion systems. IEEE Ind. Electron. Mag. 2020, 14, 106–122. [Google Scholar] [CrossRef]
- Peng, F.Z. Z-source inverter. IEEE Trans. Ind. Appl. 2003, 39, 504–510. [Google Scholar] [CrossRef]
- Battiston, A.; Miliani, E.H.; Pierfederici, S.; Meibody-Tabar, F. Efficiency improvement of a quasi-Z-source inverter-fed permanent-magnet synchronous machine-based electric vehicle. IEEE Trans. Transp. Electrif. 2016, 2, 14–23. [Google Scholar] [CrossRef]
- Hu, S.; Liang, Z.; Fan, D.; He, X. Hybrid ultracapacitor–battery energy storage system based on quasi-Z-source topology and enhanced frequency dividing coordinated control for EV. IEEE Trans. Power Electron. 2016, 31, 7598–7610. [Google Scholar] [CrossRef]
- Nie, Z. The development of new-style photovoltaic Z-source inverter of ship. In Proceedings of the IEEE 2012 Power Engineering and Automation Conference, Wuhan, China, 18–20 September 2012. [Google Scholar]
- Sonandkar, S.; Selvaraj, R.; Chelliah, T.R. Fault tolerant capability of battery assisted quasi-Z-source inverter fed five phase PMSM drive for marine propulsion applications. In Proceedings of the 2020 IEEE International Conference on Power Electronics, Drives and Energy Systems (PEDES), Jaipur, India, 16–19 December 2020. [Google Scholar]
- Singh, S.A.; Carli, G.; Azeez, N.A.; Williamson, S.S. Modeling, design, control, and implementation of a modified Z-source integrated PV/grid/EV DC charger/inverter. IEEE Trans. Ind. Electron. 2018, 65, 5213–5220. [Google Scholar] [CrossRef]
- Ge, B.; Liu, Y.; Abu-Rub, H.; Peng, F.Z. State-of-charge balancing control for a battery-energy-stored quasi-Z-source cascaded-multilevel-inverter-based photovoltaic power System. IEEE Trans. Ind. Electron. 2018, 65, 2268–2279. [Google Scholar] [CrossRef]
- Liang, W.; Liu, Y.; Peng, J. A day and night operational quasi-Z source multilevel grid-tied PV power system to achieve active and reactive power control. IEEE Trans. Power Electron. 2021, 36, 474–492. [Google Scholar] [CrossRef]
- Li, X.; Xia, C.; Cao, Y.; Chen, W.; Shi, T. Commutation torque ripple reduction strategy of Z-source inverter fed brushless DC motor. IEEE Trans. Power Electron. 2016, 31, 7677–7690. [Google Scholar] [CrossRef]
- Xiao, S.; Shi, T.; Li, X.; Wang, Z.; Xia, C. Single-current-sensor control for PMSM driven by quasi-Z-source inverter. IEEE Trans. Power Electron. 2019, 34, 7013–7024. [Google Scholar] [CrossRef]
- Mahmoudi, H.; Aleenejad, M.; Ahmadi, R. Torque ripple minimization for a permanent magnet synchronous motor using a modified quasi-Z-source inverter. IEEE Trans. Power Electron. 2019, 34, 3819–3830. [Google Scholar] [CrossRef]
- Meng, X.; Li, Q.; Zhang, G.; Wang, T.; Chen, W.; Cao, T. A dual-mode Energy management strategy considering fuel cell degradation for energy consumption and fuel cell efficiency comprehensive optimization of hybrid vehicle. IEEE Access 2019, 7, 134475–134487. [Google Scholar] [CrossRef]
- Zendegan, S.; Ferrara, A.; Jakubek, S.; Hametner, C. Predictive battery state of charge reference generation using basic route information for optimal energy management of heavy-duty fuel cell vehicles. IEEE Trans. Veh. Technol. 2021, 70, 12517–12528. [Google Scholar] [CrossRef]
- Shen, D.; Lim, C.C.; Shi, P. Fuzzy model based control for energy management and optimization in fuel cell vehicles. IEEE Trans. Veh. Technol. 2020, 69, 14674–14688. [Google Scholar] [CrossRef]
- Zhang, Z.; Guan, C.; Liu, Z. Real-time optimization energy management strategy for fuel cell hybrid ships considering power sources degradation. IEEE Access 2020, 8, 87046–87059. [Google Scholar] [CrossRef]
- He, L.; Li, Y.; Shuai, Z.; Guerrero, J.M.; Cao, Y.; Wen, M.; Shi, J. A flexible power control strategy for hybrid AC/DC zones of shipboard power system with distributed energy storages. IEEE Trans. Ind. Inform. 2018, 14, 5496–5508. [Google Scholar] [CrossRef]
- Balsamo, F.; Capasso, C.; Miccione, G.; Veneri, O. Hybrid Storage System Control Strategy for All-Electric Powered Ships. Energy Procedia 2017, 126, 1083–1090. [Google Scholar] [CrossRef]
- Banaei, M.; Rafiei, M.; Boudjadar, J.; Khooban, M.H. A comparative analysis of optimal operation scenarios in hybrid emission-free ferry ships. IEEE Trans. Transp. Electrif. 2020, 6, 318–333. [Google Scholar] [CrossRef]
- Kanellos, F.D.; Tsekouras, G.J.; Hatziargyriou, N.D. Optimal demand-side management and power generation scheduling in an all-electric ship. IEEE Trans. Sustain. Energy 2014, 5, 1166–1175. [Google Scholar] [CrossRef]
- Rafiei, M.; Boudjadar, J.; Khooban, M.H. Energy management of a zero-emission ferry boat with a fuel-cell-based hybrid energy system: Feasibility assessment. IEEE Trans. Ind. Electron. 2021, 68, 1739–1748. [Google Scholar] [CrossRef]
- Han, J.; Charpentier, J.F.; Tang, T. An energy management system of a fuel cell/battery hybrid boat. Energies 2014, 7, 2799–2820. [Google Scholar] [CrossRef]
- Gan, S.; Shi, W. An improved Z-source inverter with high voltage boost ability. Electr. Eng. 2021, 104, 869–881. [Google Scholar] [CrossRef]
- Trinh, Q.N.; Lee, H.H. A new Z-source inverter topology with high voltage boost ability. J. Electr. Eng. Technol. 2012, 7, 714–723. [Google Scholar] [CrossRef]
- Ellabban, O.; Van Mierlo, J.; Lataire, P. Control of a bidirectional Z-source inverter for electric vehicle applications in different operation. J. Power Electron. 2011, 11, 120–131. [Google Scholar] [CrossRef]













| Ship parameter | Value |
| Type | Passenger |
| Overall length (m) | 5.8 |
| Beam(m) | 2.08 |
| Maximum speed(knots) | 10 |
| Average speed(knots) | 8 |
| Motor parameter | Value |
| Type | IM |
| Rated power(kW) | 3 |
| FC parameter | Value |
| Power [Min, Max]/kW | [2, 5] |
| Voltage [Min, Max]/V | [150, 225] |
| SC parameter | Value |
| Rated capacitance(mF) | 145 |
| Rated voltage | 208 V |
Disclaimer/Publisher’s Note: The statements, opinions and data contained in all publications are solely those of the individual author(s) and contributor(s) and not of MDPI and/or the editor(s). MDPI and/or the editor(s) disclaim responsibility for any injury to people or property resulting from any ideas, methods, instructions or products referred to in the content. |
© 2023 by the authors. Licensee MDPI, Basel, Switzerland. This article is an open access article distributed under the terms and conditions of the Creative Commons Attribution (CC BY) license (https://creativecommons.org/licenses/by/4.0/).
Share and Cite
Gan, S.; Shi, W.; Xu, X. Proposed Z-Source Electrical Propulsion System of a Fuel Cell/Supercapacitor-Powered Ship. J. Mar. Sci. Eng. 2023, 11, 1543. https://doi.org/10.3390/jmse11081543
Gan S, Shi W, Xu X. Proposed Z-Source Electrical Propulsion System of a Fuel Cell/Supercapacitor-Powered Ship. Journal of Marine Science and Engineering. 2023; 11(8):1543. https://doi.org/10.3390/jmse11081543
Chicago/Turabian StyleGan, Shihong, Weifeng Shi, and Xiaoyan Xu. 2023. "Proposed Z-Source Electrical Propulsion System of a Fuel Cell/Supercapacitor-Powered Ship" Journal of Marine Science and Engineering 11, no. 8: 1543. https://doi.org/10.3390/jmse11081543
APA StyleGan, S., Shi, W., & Xu, X. (2023). Proposed Z-Source Electrical Propulsion System of a Fuel Cell/Supercapacitor-Powered Ship. Journal of Marine Science and Engineering, 11(8), 1543. https://doi.org/10.3390/jmse11081543

